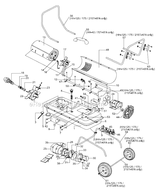
Part Location Diagram of 70-037-0350 Pro Temp Ignitor
See part 41 in the diagram
( Grid squares measure 1x1 inch )

Ignitor 70-037-0350

Manufactured by:
Pro Temp
ERP Number:
ERP12051602
Part Number:
70-037-0350
Original Equipment Manufacturer ?
In Stock
Delivers in 3-5 Business Days!

Easy 

15 - 30 mins 

(5 rated repairs) ?

Does this part fit my model?

Need help finding your model number?

Product Description

?

This ignitor in a heater, also referred to as a spark ignitor, is a genuine OEM replacement part designed for heaters. It is responsible for the ignition of the fuel-air mixture. If you are having difficulties starting the heater, noting low power output, or experiencing misfires, the ignitor will need to be replaced if the spark plug is functional. The ignitor can fail due to wear and tear over time, causing it to crack or break or it may experience electrical failure. First, ensure the heater is switched off. Remove the equipment housing and locate the faulty ignitor. Disconnect the cables and primary plug and gently pull out the ignitor and replace it with the new ignitor. Reconnect the cables and plug and reattach the equipment housing. Note that this ignitor may need a plug adapter, part number: 70-037-5000.

Troubleshooting

This part works with the following brands:
  • Heat Hog
  • Heat Stream
  • Master
  • Pro Temp
This part works with the following products:
  • Heater

Customer Part Reviews

?
5.0
Average Rating (out of 5):
★★★★★
★★★★★
(6 Reviews)
Click to filter by ratings:
  • 5 stars
    6
  • 4 stars
    0
  • 3 stars
    0
  • 2 stars
    0
  • 1 star
    0
  • 1
Sort by:  
Sorry, we couldn't find any existing reviews that matched. Try using some different or simpler keywords.

Questions & Answers

?

Our customer Service team is at the ready daily to answer your part and product questions.

We're sorry, but our Q&A experts are temporarily unavailable.
Please check back later if you still haven't found the answer you need.

Ask our Team

We have a dedicated staff with decades of collective experience in helping customers just like you purchase parts to repair their products.

Does this fit my product?

Customer Repair Instructions

All our customer repair instructions are solicited directly from other customers just like you who have purchased and replaced this exact part.

Easy 

15 - 30 mins 

(5 rated repairs) ?
  • 1
Sort by:  
Sorry, we couldn't find any existing installation instruction that matched.

Would not ignite.

RUSSELL from Farnham, Virginia

4 of 4 people found this instruction helpful.
Difficulty Level:
A Bit Difficult
Total Repair Time:
30 - 60 mins
Tools:
Pliers, Screw drivers, Socket set
Parts Used:
70-037-0350, 70-052-0200
Replaced the ignitor and the spark plug. Works good now!
Did you find this story helpful?
Thank you for voting!

Heater wouldn\'t fire

lorenzo from NORTH POLE, Alaska

3 of 3 people found this instruction helpful.
Difficulty Level:
Easy
Total Repair Time:
Less than 15 mins
Tools:
Nutdriver
Parts Used:
70-037-0350
1 Removed cover and motor
2 Unplugged ignitor and removed
3 Installed new ignitor
4 Replaced motor and cover
Did you find this story helpful?
Thank you for voting!

Ignitor not producing high voltage

Jim from Hill Point, Wisconsin

3 of 3 people found this instruction helpful.
Difficulty Level:
Easy
Total Repair Time:
15 - 30 mins
Tools:
Screw drivers
Parts Used:
70-037-0350
1 Loosen chassis
2 Unplug and remove old ignitor
3 Install new ignitor
4 Plug in high voltage cables
5 Plug in primary plug into circuit board
6 Install screws and tighten chassis
Did you find this story helpful?
Thank you for voting!

bad Spark plug and Igniter

Roy from WILLIAMSTOWN, Kentucky

2 of 2 people found this instruction helpful.
Difficulty Level:
Easy
Total Repair Time:
30 - 60 mins
Tools:
Nutdriver, Screw drivers
Parts Used:
70-037-0350, 70-052-0200
First I unplugged the wires from the Spark plug and then used a screw driver to take out the bolt. Then I replaced the spark plug, and screwed the bolt back in.
To get to the Igniter I had to take out 6 screws from the Heater Housing and lift up to slide out the Igniter and unplug it. I then replaced it with the new one and put e verything back together. And now it works just Like a new one.
Did you find this story helpful?
Thank you for voting!

The heater was pumping fuel but would not ignite. Tried 3 times and figured it had to be one of the parts or all three.

Mark from Walnutport , Pennsylvania

1 of 2 people found this instruction helpful.
Difficulty Level:
Easy
Total Repair Time:
15 - 30 mins
Tools:
Pliers, Screw drivers
Replaced all three parts and the heater fired right up and was running excellent.
Did you find this story helpful?
Thank you for voting!
  • 1

Model Cross Reference

This part works with the following models:
ERP Number: ERP12051602
Manufacturer Part Number: 70-037-0350
Brand Model Number Description
Heat Hog HH-125T-KFA Heater - Kerosene Forced Air Heater
Heat Hog HH-175T-KFA Heater - Kerosene Forced Air Heater
Heat Hog HH-215T-KFA Heater - Kerosene Forced Air Heater
Heat Hog HH-45-KFA Heater - Kerosene Forced Air Heater
Heat Hog HH-70T-KFA Heater - Kerosene Forced Air Heater
Heat Stream HS-125T-KFA Heater - Kerosene Heater
Heat Stream HS-175T-KFA Heater - Kerosene Heater
Heat Stream HS-215T-KFA Heater - Kerosene Heater
Heat Stream HS-45-KFA Heater - Kerosene Heater
Heat Stream HS-70T-KFA Heater - Kerosene Heater
Master MH135TKFA Heater - Kerosene/Diesel
Master MH190TKFA Heater - Kerosene/Diesel Forced Air Heater
Master MH215TKFA Heater - Kerosene/Diesel Forced Air Heater
Master MH45KFA Heater - Kerosene/Diesel Air Heater
Master MH75TKFA Heater - Kerosene/Diesel Forced Air Heater
Pro Temp PT-125T-KFA Heater - Kerosene Forced Air Heater
Pro Temp PT-175T-KFA Heater - Kerosene Forced Air Heater
Pro Temp PT-215T-KFA Heater - Kerosene Forced Air Heater
Pro Temp PT-45-KFA Heater - Kerosene Forced Air Heater
Pro Temp PT-70T-KFA Heater - Kerosene Forced Air Heater