Craftsman Parts

Craftsman Lawn Tractor Replacement Parts For Model 917250830

We Sell Only Genuine Craftsman Parts

Find Craftsman 917250830 Parts By Symptom

Will Not Start

72%

Deck blades will not turn

28%

Popular Parts for 917250830

Search Within Model

Questions & Answers for Craftsman 917250830
Browse all Parts Search by Area
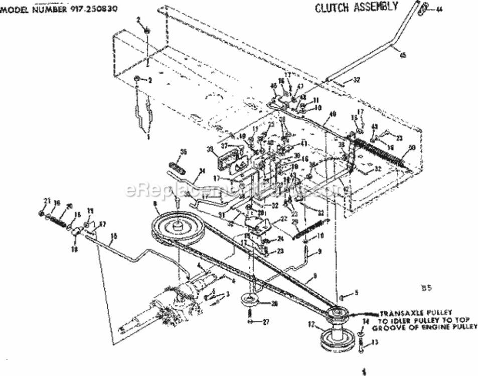
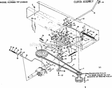
Page A Diagram and Parts List for  Craftsman Lawn Tractor
Page A
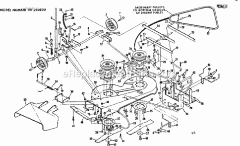
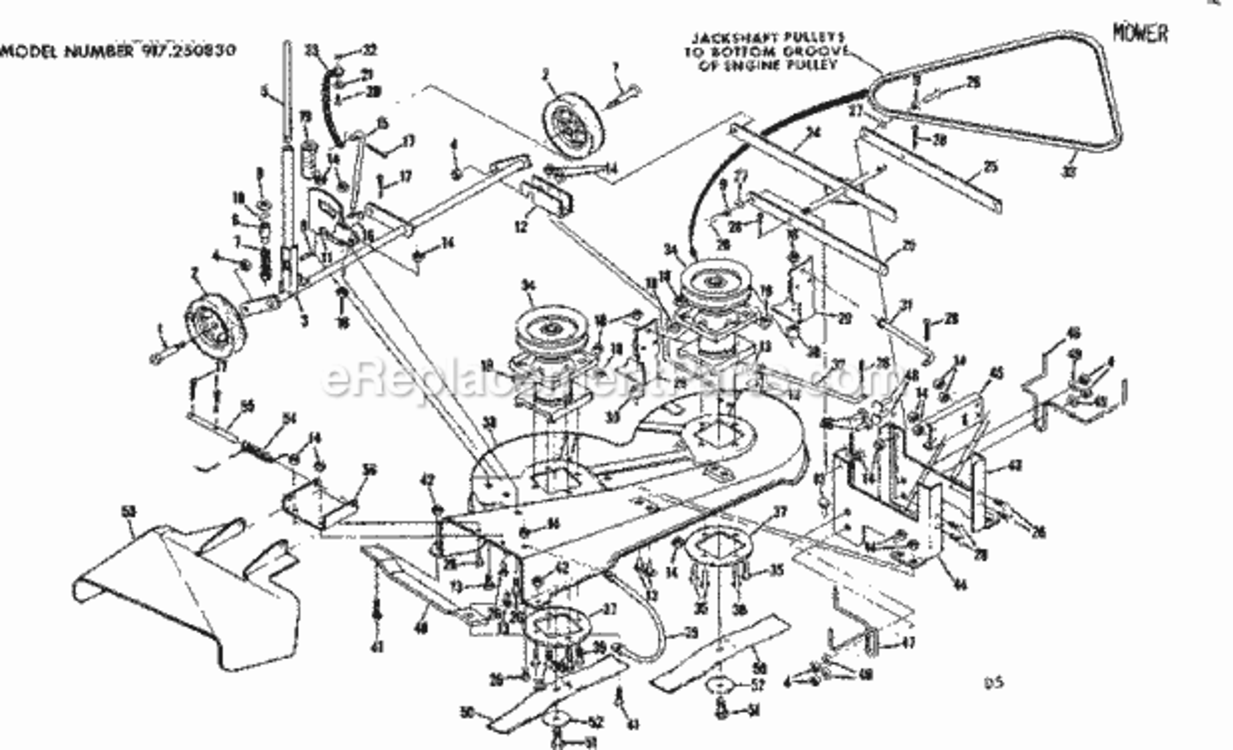
Page B Diagram and Parts List for  Craftsman Lawn Tractor
Page B
Page C Diagram and Parts List for  Craftsman Lawn Tractor
Page C
Page D Diagram and Parts List for  Craftsman Lawn Tractor
Page D
Page E Diagram and Parts List for  Craftsman Lawn Tractor
Page E
Page F Diagram and Parts List for  Craftsman Lawn Tractor
Page F
Page G Diagram and Parts List for  Craftsman Lawn Tractor
Page G
Page H Diagram and Parts List for  Craftsman Lawn Tractor
Page H
Page I Diagram and Parts List for  Craftsman Lawn Tractor
Page I
Page J Diagram and Parts List for  Craftsman Lawn Tractor
Page J
Page K Diagram and Parts List for  Craftsman Lawn Tractor
Page K
Page L Diagram and Parts List for  Craftsman Lawn Tractor
Page L
Page M Diagram and Parts List for  Craftsman Lawn Tractor
Page M
Page N Diagram and Parts List for  Craftsman Lawn Tractor
Page N
Page O Diagram and Parts List for  Craftsman Lawn Tractor
Page O
Page P Diagram and Parts List for  Craftsman Lawn Tractor
Page P
Page Q Diagram and Parts List for  Craftsman Lawn Tractor
Page Q
Page R Diagram and Parts List for  Craftsman Lawn Tractor
Page R
Page S Diagram and Parts List for  Craftsman Lawn Tractor
Page S
Previous Showing All Parts Next
Page A
Page A Diagram and Parts List for  Craftsman Lawn Tractor
  • A-1
    Bearng Sleev – Part Number: 71214
    Bearng Sleev
    Part Number: 71214
      No Longer Available
  • A-2
    Fender – Part Number: 71215
    Fender
    Part Number: 71215
      No Longer Available
  • A-3
    Cover Assembly – Part Number: 71216
    Cover Assembly
    Part Number: 71216
      No Longer Available
  • A-4
    Re-term Kit (terminal Kit For – Part Number: 71212
    Re-term Kit (terminal Kit For
    Part Number: 71212
      In Stock
    $201.54
  • A-5
    Foot Rest – Part Number: 71213
    Foot Rest
    Part Number: 71213
      No Longer Available
  • A-6
    Screw 5Pk – Part Number: STD523107
    Screw 5Pk
    Part Number: STD523107
      No Longer Available
  • A-7
    Locknut – Part Number: STD541431
    Locknut
    Part Number: STD541431
      No Longer Available
  • A-8
    OBS STATOR ASY – Part Number: 54262
    OBS STATOR ASY
    Part Number: 54262
      Special Order
    $2.99
  • A-9
    Locknut – Part Number: STD541431
    Locknut
    Part Number: STD541431
      No Longer Available
  • A-10
    Drive Hub – Part Number: 73302
    Drive Hub
    Part Number: 73302
      Special Order
    $922.59
  • A-11
    Rest Pad – Part Number: 73303
    Rest Pad
    Part Number: 73303
      No Longer Available
  • A-12
    Decal – Part Number: 68306
    Decal
    Part Number: 68306
      No Longer Available
  • A-13
    Lawn Tractor Seat – Part Number: 401042
    Lawn Tractor Seat
    Part Number: 401042
      No Longer Available
  • A-14
    Screw 2Pk – Part Number: STD525010
    Screw 2Pk
    Part Number: STD525010
      No Longer Available
  • A-15
    Washer 8Pk – Part Number: STD551050
    Washer 8Pk
    Part Number: STD551050
      No Longer Available
  • A-16
    Washer 5Pk – Part Number: STD551150
    Washer 5Pk
    Part Number: STD551150
      No Longer Available
  • A-17
    Nbr Plate – Part Number: 74749
    Nbr Plate
    Part Number: 74749
      No Longer Available
  • A-18
    Screw 8Pk – Part Number: STD601003
    Screw 8Pk
    Part Number: STD601003
      No Longer Available
  • A-19
    Seat Spring – Part Number: 73790
    Seat Spring
    Part Number: 73790
      No Longer Available
  • A-20
    Transmission Support – Part Number: 73791
    Transmission Support
    Part Number: 73791
      No Longer Available
  • A-21
    Screw 5pk – Part Number: STD523710
    Screw 5pk
    Part Number: STD523710
      No Longer Available
  • A-22
    Nut – Part Number: 65543
    Nut
    Part Number: 65543
      No Longer Available
  • A-23
    Cover Plate – Part Number: 71261
    Cover Plate
    Part Number: 71261
      No Longer Available
  • A-24
    Screw – Part Number: 17490508
    Screw
    Part Number: 17490508
      No Longer Available
  • A-25
    BC52 12A 250V C.B. – Part Number: 74453
    BC52 12A 250V C.B.
    Part Number: 74453
      Special Order
    $3.44
  • A-26
    Push Bond – Part Number: 71507
    Push Bond
    Part Number: 71507
      Special Order
    $204.39
  • A-27
    RINGS, PIVOT PIN WITH – Part Number: 71198
    RINGS, PIVOT PIN WITH
    Part Number: 71198
      Special Order
    $24.97
  • A-28
    Screw 5Pk – Part Number: STD523110
    Screw 5Pk
    Part Number: STD523110
      No Longer Available
  • A-29
    Locknut – Part Number: STD541431
    Locknut
    Part Number: STD541431
      No Longer Available
  • A-30
    Clamp – Part Number: 71606
    Clamp
    Part Number: 71606
      No Longer Available
  • A-31
    Washer, Cad Plate – Part Number: 59944
    Washer, Cad Plate
    Part Number: 59944
      No Longer Available
  • A-32
    Hitch – Part Number: 71205
    Hitch
    Part Number: 71205
      No Longer Available
  • A-33
    Flat – Part Number: 62735
    Flat
    Part Number: 62735
      No Longer Available
  • A-34
    Chassis – Part Number: 73789
    Chassis
    Part Number: 73789
      No Longer Available
  • A-35
    Control – Part Number: 74666
    Control
    Part Number: 74666
      No Longer Available
  • A-36
    Ball Float – Part Number: 61159
    Ball Float
    Part Number: 61159
      No Longer Available
  • A-37
    Screw, Truss Hd. #10-24 – Part Number: 871191008
    Screw, Truss Hd. #10-24
    Part Number: 871191008
      No Longer Available
  • A-38
    Screw – Part Number: 17490508
    Screw
    Part Number: 17490508
      No Longer Available
  • A-39
    Screw T-15 – Part Number: 74667
    Screw T-15
    Part Number: 74667
      Special Order
    $12.97
  • A-40
    Locknut – Part Number: STD541431
    Locknut
    Part Number: STD541431
      No Longer Available
  • A-41
    BLADE, CARBIDE-TIPPED 12 70T – Part Number: 71697
    BLADE, CARBIDE-TIPPED 12 70T
    Part Number: 71697
      Special Order
    $554.07
  • A-42
    USE 74712 ROTR – Part Number: 74720
    USE 74712 ROTR
    Part Number: 74720
      Special Order
    $2.99
  • A-43
    Hood – Part Number: 71790
    Hood
    Part Number: 71790
      No Longer Available
  • A-44
    SCREW SHC M4-0.7 X 25 G8.8 CAD – Part Number: 71949
    SCREW SHC M4-0.7 X 25 G8.8 CAD
    Part Number: 71949
      Special Order
    $2.99
  • A-45
    Fuel Tank – Part Number: 73427
    Fuel Tank
    Part Number: 73427
      No Longer Available
  • A-46
    Screw – Part Number: 68346
    Screw
    Part Number: 68346
      No Longer Available
  • A-47
    Fuel Cap – Part Number: 74152
    Fuel Cap
    Part Number: 74152
      No Longer Available
  • A-48
    Ownrs manual – Part Number: 71190
    Ownrs manual
    Part Number: 71190
      No Longer Available
  • A-49
    Reel Assembly – Part Number: 71177
    Reel Assembly
    Part Number: 71177
      Special Order
    $750.84
  • A-50
    WASHER, 3/4-INCH FLAT – Part Number: 71178
    WASHER, 3/4-INCH FLAT
    Part Number: 71178
      Special Order
    $6.16
  • A-51
    Screw 2Pk – Part Number: STD523127
    Screw 2Pk
    Part Number: STD523127
      No Longer Available
  • A-52
    Spacer – Part Number: 71431
    Spacer
    Part Number: 71431
      No Longer Available
  • A-53
    Grill Frame – Part Number: 78904
    Grill Frame
    Part Number: 78904
      No Longer Available
  • A-54
    Battery Cap – Part Number: 74307
    Battery Cap
    Part Number: 74307
      No Longer Available
  • A-800
    Transaxle – Part Number: 794191
    Transaxle
    Part Number: 794191
      No Longer Available
  • A-800
    Manual – Part Number: 74746
    Manual
    Part Number: 74746
      No Longer Available
  • A-800
    Deck – Part Number: 674A273
    Deck
    Part Number: 674A273
      No Longer Available
Page B
Page B Diagram and Parts List for  Craftsman Lawn Tractor
  • B-1
    Belt Guide – Part Number: 71200
    Belt Guide
    Part Number: 71200
      No Longer Available
  • B-2
    Locknut – Part Number: STD541431
    Locknut
    Part Number: STD541431
      No Longer Available
  • B-3
    MANUAL-GTS 105 AMP-Y – Part Number: 68205
    MANUAL-GTS 105 AMP-Y
    Part Number: 68205
      Special Order
    $2.99
  • B-4
    Screw – Part Number: 68206
    Screw
    Part Number: 68206
      No Longer Available
  • B-5
    Key – Part Number: STD580020
    Key
    Part Number: STD580020
      No Longer Available
  • B-6
    Handle Bracket – Part Number: 73542
    Handle Bracket
    Part Number: 73542
      Special Order
    $101.76
  • B-7
    Housing – Part Number: 57917
    Housing
    Part Number: 57917
      No Longer Available
  • B-8
    Belt – Part Number: STD324940
    Belt
    Part Number: STD324940
      No Longer Available
  • B-9
    PULLER KIT-HUB – Part Number: HG-72320
    PULLER KIT-HUB
    Part Number: HG-72320
      Special Order
    $263.49
  • B-10
    Washer 8Pk – Part Number: STD551037
    Washer 8Pk
    Part Number: STD551037
      No Longer Available
  • B-11
    Nut Keps Hex 3/8-16 Unc – Part Number: 873510600
    Nut Keps Hex 3/8-16 Unc
    Part Number: 873510600
      Special Order
    $6.14
  • B-12
    Pulley Engine – Part Number: 71229
    Pulley Engine
    Part Number: 71229
      No Longer Available
  • B-13
    Machine Screw – Part Number: 68874
    Machine Screw
    Part Number: 68874
      No Longer Available
  • B-14
    Flat – Part Number: 62735
    Flat
    Part Number: 62735
      No Longer Available
  • B-15
    Brake Rod – Part Number: 73792
    Brake Rod
    Part Number: 73792
      No Longer Available
  • B-16
    Washer 8Pk – Part Number: STD551037
    Washer 8Pk
    Part Number: STD551037
      No Longer Available
  • B-17
    Pin 8Pk – Part Number: STD560907
    Pin 8Pk
    Part Number: STD560907
      No Longer Available
  • B-18
    SCREW, BUTTRESS – Part Number: 71238
    SCREW, BUTTRESS
    Part Number: 71238
      Special Order
    $47.58
  • B-19
    Flat Washer, 8Pk – Part Number: STD551031
    Flat Washer, 8Pk
    Part Number: STD551031
      No Longer Available
  • B-20
    Brake Spring – Part Number: 71239
    Brake Spring
    Part Number: 71239
      No Longer Available
  • B-21
    Nut – Part Number: 62336
    Nut
    Part Number: 62336
      No Longer Available
  • B-22
    Idler Bracket – Part Number: 71201
    Idler Bracket
    Part Number: 71201
      No Longer Available
  • B-23
    Screw 5Pk – Part Number: STD523107
    Screw 5Pk
    Part Number: STD523107
      No Longer Available
  • B-24
    Bushing – Part Number: 71202
    Bushing
    Part Number: 71202
      No Longer Available
  • B-25
    Locknut – Part Number: STD541431
    Locknut
    Part Number: STD541431
      No Longer Available
  • B-26
    Pulley, Idler – Part Number: 532104679
    Pulley, Idler
    Part Number: 532104679
    ★★★★★
    ★★★★★
    (2)
      In Stock
    $25.71
  • B-27
    Screw, 2 Pk. – Part Number: STD523715
    Screw, 2 Pk.
    Part Number: STD523715
      No Longer Available
  • B-28
    Nut – Part Number: 65543
    Nut
    Part Number: 65543
      No Longer Available
  • B-29
    Spring – Part Number: 73275
    Spring
    Part Number: 73275
      No Longer Available
  • B-30
    Foot Pedal – Part Number: 6048J
    Foot Pedal
    Part Number: 6048J
      No Longer Available
  • B-31
    Pedal Shaft – Part Number: 71223
    Pedal Shaft
    Part Number: 71223
      No Longer Available
  • B-32
    Pin 8Pk – Part Number: STD561210
    Pin 8Pk
    Part Number: STD561210
      No Longer Available
  • B-33
    Clutch Rod – Part Number: 7717J
    Clutch Rod
    Part Number: 7717J
      No Longer Available
  • B-34
    Brake Rod – Part Number: 373J
    Brake Rod
    Part Number: 373J
      No Longer Available
  • B-35
    Grips – Part Number: 71226
    Grips
    Part Number: 71226
      No Longer Available
  • B-36
    O-Ring (2) – Part Number: 71222
    O-Ring (2)
    Part Number: 71222
      Special Order
    $23.41
  • B-37
    Carriage Bolt – Part Number: STD533107
    Carriage Bolt
    Part Number: STD533107
      No Longer Available
  • B-38
    Locknut – Part Number: STD541431
    Locknut
    Part Number: STD541431
      No Longer Available
  • B-39
    Foot Pad – Part Number: 67365
    Foot Pad
    Part Number: 67365
      No Longer Available
  • B-40
    Pedal Bracket – Part Number: 71199
    Pedal Bracket
    Part Number: 71199
      No Longer Available
  • B-41
    KEY-PUMP – Part Number: 71204
    KEY-PUMP
    Part Number: 71204
      Special Order
    $23.00
  • B-42
    Clutch Arm – Part Number: 71191
    Clutch Arm
    Part Number: 71191
      No Longer Available
  • B-43
    Spacer – Part Number: 71195
    Spacer
    Part Number: 71195
      No Longer Available
  • B-44
    Grip – Part Number: 71246
    Grip
    Part Number: 71246
      No Longer Available
  • B-45
    O-Ring – Part Number: 71242
    O-Ring
    Part Number: 71242
      Special Order
    $21.86
  • B-46
    Clutch Arm – Part Number: 73229
    Clutch Arm
    Part Number: 73229
      No Longer Available
  • B-47
    Washer 8Pk – Part Number: STD551050
    Washer 8Pk
    Part Number: STD551050
      No Longer Available
  • B-48
    Spring Pin – Part Number: STD571810
    Spring Pin
    Part Number: STD571810
      No Longer Available
  • B-49
    Clutch Rod – Part Number: 74474
    Clutch Rod
    Part Number: 74474
      No Longer Available
  • B-50
    COLLAR, ADAPTER – Part Number: 71248
    COLLAR, ADAPTER
    Part Number: 71248
      Special Order
    $30.31
  • B-800
    Transaxle – Part Number: 794191
    Transaxle
    Part Number: 794191
      No Longer Available
  • B-800
    Manual – Part Number: 74746
    Manual
    Part Number: 74746
      No Longer Available
  • B-800
    Deck – Part Number: 674A273
    Deck
    Part Number: 674A273
      No Longer Available
Page C
Page C Diagram and Parts List for  Craftsman Lawn Tractor
  • C-1
    Air Cleaner – Part Number: 71269
    Air Cleaner
    Part Number: 71269
      Special Order
    $2.99
  • C-2
    Steering Wheel – Part Number: 74725
    Steering Wheel
    Part Number: 74725
      No Longer Available
  • C-3
    Washer 8Pk – Part Number: STD551050
    Washer 8Pk
    Part Number: STD551050
      No Longer Available
  • C-4
    Nut 5Pk – Part Number: STD541350
    Nut 5Pk
    Part Number: STD541350
      No Longer Available
  • C-5
    Steer Shaft – Part Number: 74579
    Steer Shaft
    Part Number: 74579
      No Longer Available
  • C-6
    Bushing – Part Number: 71210
    Bushing
    Part Number: 71210
      No Longer Available
  • C-7
    Shaft Spacer – Part Number: 74580
    Shaft Spacer
    Part Number: 74580
      No Longer Available
  • C-8
    Pinion Gear – Part Number: 74581
    Pinion Gear
    Part Number: 74581
      No Longer Available
  • C-9
    Washer – Part Number: 69385
    Washer
    Part Number: 69385
      No Longer Available
  • C-10
    Spring Pin – Part Number: STD571810
    Spring Pin
    Part Number: STD571810
      No Longer Available
  • C-11
    Steer Bracket – Part Number: 74577
    Steer Bracket
    Part Number: 74577
      No Longer Available
  • C-12
    Screw 5Pk – Part Number: STD523107
    Screw 5Pk
    Part Number: STD523107
      No Longer Available
  • C-13
    Locknut – Part Number: STD541431
    Locknut
    Part Number: STD541431
      No Longer Available
  • C-14
    Locking Sleeve – Part Number: 71172
    Locking Sleeve
    Part Number: 71172
      Special Order
    $39.45
  • C-15
    XFMR CURRENT 3000V TO 5A 60VA – Part Number: 74578
    XFMR CURRENT 3000V TO 5A 60VA
    Part Number: 74578
      Special Order
    $21.69
  • C-16
    SPRING, PIVOT NUT – Part Number: 71208
    SPRING, PIVOT NUT
    Part Number: 71208
      Special Order
    $6.16
  • C-17
    Ring 2Pk – Part Number: STD581075
    Ring 2Pk
    Part Number: STD581075
      No Longer Available
  • C-18
    Washer 5Pk – Part Number: STD551062
    Washer 5Pk
    Part Number: STD551062
      No Longer Available
  • C-19
    HOLDER: FUSE – Part Number: 72589
    HOLDER: FUSE
    Part Number: 72589
      Special Order
    $3.79
  • C-20
    Lock Pin – Part Number: 73446
    Lock Pin
    Part Number: 73446
      No Longer Available
  • C-21
    Drag Link – Part Number: 71219
    Drag Link
    Part Number: 71219
      No Longer Available
  • C-22
    Hex Lock Nut – Part Number: STD541537
    Hex Lock Nut
    Part Number: STD541537
      No Longer Available
  • C-23
    Steering Arm – Part Number: 71185
    Steering Arm
    Part Number: 71185
      No Longer Available
  • C-24
    Roll Pin – Part Number: STD572512
    Roll Pin
    Part Number: STD572512
      No Longer Available
  • C-25
    Hub Cap – Part Number: 71259
    Hub Cap
    Part Number: 71259
      No Longer Available
  • C-27
    Tire – Part Number: 122074X
    Tire
    Part Number: 122074X
      No Longer Available
  • C-28
    Rim.asm.8".r – Part Number: 106108X624
    Rim.asm.8".r
    Part Number: 106108X624
      No Longer Available
  • C-29
    Lawn Tractor Tire Valve Stem – Part Number: 65139
    Lawn Tractor Tire Valve Stem
    Part Number: 65139
      No Longer Available
  • C-30
    Soc. Flat Hd. Screw, #10-24 x 1/2" – Part Number: 59192
    Soc. Flat Hd. Screw, #10-24 x 1/2"
    Part Number: 59192
      Special Order
    $11.38
  • C-31
    3/16 Sq Key – Part Number: STD580105
    3/16 Sq Key
    Part Number: STD580105
      No Longer Available
  • C-32
    Transaxle – Part Number: 794191
    Transaxle
    Part Number: 794191
      No Longer Available
  • C-33
    Knob Rd – Part Number: 532162132
    Knob Rd
    Part Number: 532162132
      No Longer Available
  • C-34
    10 T-CABLE – Part Number: 71179
    10 T-CABLE
    Part Number: 71179
      Special Order
    $33.77
  • C-35
    Bolt – Part Number: 64606
    Bolt
    Part Number: 64606
      No Longer Available
  • C-36
    Washer – Part Number: 19171416
    Washer
    Part Number: 19171416
      No Longer Available
  • C-37
    Lawn & Garden Equipment Nut – Part Number: 73680800
    Lawn & Garden Equipment Nut
    Part Number: 73680800
      No Longer Available
  • C-38
    Rockr Br – Part Number: 67151
    Rockr Br
    Part Number: 67151
      No Longer Available
  • C-39
    BRACKET, UPPER CARRIAGE – Part Number: 71188
    BRACKET, UPPER CARRIAGE
    Part Number: 71188
      Special Order
    $133.24
  • C-40
    King Pin – Part Number: 73236
    King Pin
    Part Number: 73236
      No Longer Available
  • C-41
    King Pin – Part Number: 73237
    King Pin
    Part Number: 73237
      No Longer Available
  • C-42
    Tie Rod – Part Number: 73240
    Tie Rod
    Part Number: 73240
      No Longer Available
  • C-43
    Nut (2) – Part Number: 71182
    Nut (2)
    Part Number: 71182
      Special Order
    $28.66
  • C-44
    Screw 5Pk – Part Number: STD523707
    Screw 5Pk
    Part Number: STD523707
      No Longer Available
  • C-45
    Screw 5pk – Part Number: STD523710
    Screw 5pk
    Part Number: STD523710
      No Longer Available
  • C-46
    Crownlock Nut – Part Number: 73540500
    Crownlock Nut
    Part Number: 73540500
      No Longer Available
  • C-47
    Washer – Part Number: 55611
    Washer
    Part Number: 55611
      No Longer Available
  • C-48
    Nut – Part Number: 65543
    Nut
    Part Number: 65543
      No Longer Available
  • C-49
    Tire – Part Number: 122073X
    Tire
    Part Number: 122073X
      No Longer Available
  • C-50
    Fing. Bng – Part Number: 66506
    Fing. Bng
    Part Number: 66506
      No Longer Available
  • C-51
    Rim – Part Number: 71650
    Rim
    Part Number: 71650
      No Longer Available
  • C-800
    Deck – Part Number: 674A273
    Deck
    Part Number: 674A273
      No Longer Available
  • C-800
    Transaxle – Part Number: 794191
    Transaxle
    Part Number: 794191
      No Longer Available
  • C-800
    Manual – Part Number: 74746
    Manual
    Part Number: 74746
      No Longer Available
Page D
Page D Diagram and Parts List for  Craftsman Lawn Tractor
  • D-1
    DECAL, RP 240 – Part Number: 60838
    DECAL, RP 240
    Part Number: 60838
      Special Order
    $13.49
  • D-2
    Wheel – Part Number: STD333760
    Wheel
    Part Number: STD333760
      No Longer Available
  • D-3
    Switch – Part Number: 71671
    Switch
    Part Number: 71671
      Special Order
    $32.02
  • D-4
    Nut – Part Number: 65543
    Nut
    Part Number: 65543
      No Longer Available
  • D-5
    HOSE: RADIATOR LOWER – Part Number: 73963
    HOSE: RADIATOR LOWER
    Part Number: 73963
      Special Order
    $3.71
  • D-6
    COPPER BAR .09 X 1. – Part Number: 71658
    COPPER BAR .09 X 1.
    Part Number: 71658
      Special Order
    $11.36
  • D-7
    Spring – Part Number: 71669
    Spring
    Part Number: 71669
      No Longer Available
  • D-8
    Pin 2Pk – Part Number: STD572515
    Pin 2Pk
    Part Number: STD572515
      No Longer Available
  • D-9
    Flat Washer, 8Pk – Part Number: STD551031
    Flat Washer, 8Pk
    Part Number: STD551031
      No Longer Available
  • D-10
    Pin 5Pk – Part Number: STD571207
    Pin 5Pk
    Part Number: STD571207
      No Longer Available
  • D-11
    Control ROD-Long Hydro – Part Number: 72937
    Control ROD-Long Hydro
    Part Number: 72937
      Special Order
    $33.69
  • D-12
    Spring Assembly – Part Number: 67337
    Spring Assembly
    Part Number: 67337
      Special Order
    $76.25
  • D-13
    Carriage Bolt – Part Number: STD533107
    Carriage Bolt
    Part Number: STD533107
      No Longer Available
  • D-14
    Locknut – Part Number: STD541431
    Locknut
    Part Number: STD541431
      No Longer Available
  • D-15
    BUSHING TENSION BKT – Part Number: 71300
    BUSHING TENSION BKT
    Part Number: 71300
      Special Order
    $7.57
  • D-16
    SEAL OIL – Part Number: 71301
    SEAL OIL
    Part Number: 71301
      Special Order
    $6.16
  • D-17
    Pin 8Pk – Part Number: STD560907
    Pin 8Pk
    Part Number: STD560907
      No Longer Available
  • D-18
    Nut – Part Number: 62336
    Nut
    Part Number: 62336
      No Longer Available
  • D-19
    Light Grip – Part Number: 583693601
    Light Grip
    Part Number: 583693601
      No Longer Available
  • D-20
    Screw 5Pk – Part Number: STD512510
    Screw 5Pk
    Part Number: STD512510
      No Longer Available
  • D-21
    Washer – Part Number: 19091616
    Washer
    Part Number: 19091616
      No Longer Available
  • D-22
    1/4-20 Hex Lock Nut – Part Number: STD541425
    1/4-20 Hex Lock Nut
    Part Number: STD541425
      No Longer Available
  • D-23
    M5 Flat Washer – Part Number: 74014
    M5 Flat Washer
    Part Number: 74014
      Special Order
    $2.99
  • D-24
    Parl Rod – Part Number: 72915
    Parl Rod
    Part Number: 72915
      No Longer Available
  • D-25
    Camera Whip – Part Number: 71297
    Camera Whip
    Part Number: 71297
      In Stock
    $317.94
  • D-26
    Screw 5Pk – Part Number: STD523107
    Screw 5Pk
    Part Number: STD523107
      No Longer Available
  • D-27
    Spacer – Part Number: 71616
    Spacer
    Part Number: 71616
      No Longer Available
  • D-28
    Pin 8Pk – Part Number: STD561210
    Pin 8Pk
    Part Number: STD561210
      No Longer Available
  • D-29
    Brake Assembly – Part Number: 583651401
    Brake Assembly
    Part Number: 583651401
      No Longer Available
  • D-30
    Spacer – Part Number: 4497J
    Spacer
    Part Number: 4497J
      No Longer Available
  • D-31
    Brake Rod – Part Number: 71525
    Brake Rod
    Part Number: 71525
      No Longer Available
  • D-32
    Brake Rod – Part Number: 71524
    Brake Rod
    Part Number: 71524
      No Longer Available
  • D-33
    Belt – Part Number: STD324695
    Belt
    Part Number: STD324695
      No Longer Available
  • D-34
    Jackshaft – Part Number: 73558
    Jackshaft
    Part Number: 73558
      No Longer Available
  • D-35
    Screw 5pk – Part Number: STD523710
    Screw 5pk
    Part Number: STD523710
      No Longer Available
  • D-36
    Screw, 2 Pk. – Part Number: STD523715
    Screw, 2 Pk.
    Part Number: STD523715
      No Longer Available
  • D-37
    Plate – Part Number: 71575
    Plate
    Part Number: 71575
      No Longer Available
  • D-38
    Adaptor, F/Inj. Pump To Cylinder Block – Part Number: 79186
    Adaptor, F/Inj. Pump To Cylinder Block
    Part Number: 79186
      Special Order
    $270.05
  • D-39
    Frame - Mini – Part Number: 71647
    Frame - Mini
    Part Number: 71647
      Special Order
    $1113.88
  • D-40
    2-INCH (51 MM) W X 30-INCH (76 – Part Number: 79174
    2-INCH (51 MM) W X 30-INCH (76
    Part Number: 79174
      Special Order
    $27.20
  • D-41
    Drive Spring – Part Number: 51447
    Drive Spring
    Part Number: 51447
      No Longer Available
  • D-42
    Locknut – Part Number: STD541431
    Locknut
    Part Number: STD541431
      No Longer Available
  • D-43
    Housing Bracket – Part Number: 71276
    Housing Bracket
    Part Number: 71276
      No Longer Available
  • D-44
    O-Ring – Part Number: 71277
    O-Ring
    Part Number: 71277
      Special Order
    $40.01
  • D-45
    PULLEY – Part Number: 71278
    PULLEY
    Part Number: 71278
      Special Order
    $50.95
  • D-46
    4-inch Dia. X 3-inch Hose – Part Number: 71298
    4-inch Dia. X 3-inch Hose
    Part Number: 71298
      Special Order
    $99.85
  • D-47
    MANUAL STD SET – Part Number: 71299
    MANUAL STD SET
    Part Number: 71299
      Special Order
    $5.63
  • D-48
    Carriage Bolt – Part Number: STD533707
    Carriage Bolt
    Part Number: STD533707
      No Longer Available
  • D-49
    Washer 8Pk – Part Number: STD551037
    Washer 8Pk
    Part Number: STD551037
      No Longer Available
  • D-50
    FUSE HOLDER ASSEMBLY – Part Number: 71285
    FUSE HOLDER ASSEMBLY
    Part Number: 71285
      Special Order
    $27.58
  • D-51
    Screw – Part Number: 15480614
    Screw
    Part Number: 15480614
      No Longer Available
  • D-52
    Washer – Part Number: 583789501
    Washer
    Part Number: 583789501
      No Longer Available
  • D-53
    Guard – Part Number: 73039
    Guard
    Part Number: 73039
      No Longer Available
  • D-54
    Spring – Part Number: 71526
    Spring
    Part Number: 71526
      No Longer Available
  • D-55
    Hinge Rod – Part Number: 71555
    Hinge Rod
    Part Number: 71555
      No Longer Available
  • D-56
    KIT, ELECTRICAL END – Part Number: 71528
    KIT, ELECTRICAL END
    Part Number: 71528
      Special Order
    $26.23
  • D-800
    Deck – Part Number: 674A273
    Deck
    Part Number: 674A273
      No Longer Available
  • D-800
    Manual – Part Number: 74746
    Manual
    Part Number: 74746
      No Longer Available
  • D-800
    Transaxle – Part Number: 794191
    Transaxle
    Part Number: 794191
      No Longer Available
Page E
Page E Diagram and Parts List for  Craftsman Lawn Tractor
Page F
Page F Diagram and Parts List for  Craftsman Lawn Tractor
  • F-1
    USE 00770063A – Part Number: 770063
    USE 00770063A
    Part Number: 770063
      Special Order
    $190.64
  • F-2
    B108 Brg – Part Number: STD311008
    B108 Brg
    Part Number: STD311008
      No Longer Available
  • F-3
    Bushing – Part Number: 780059
    Bushing
    Part Number: 780059
      No Longer Available
  • F-4
    Bearing – Part Number: 780060
    Bearing
    Part Number: 780060
      No Longer Available
  • F-5
    Bearing – Part Number: 780061
    Bearing
    Part Number: 780061
      No Longer Available
  • F-6
    Plate – Part Number: 786033
    Plate
    Part Number: 786033
      No Longer Available
  • F-7
    Bushing – Part Number: 780062
    Bushing
    Part Number: 780062
      No Longer Available
  • F-8
    Cover – Part Number: 772042
    Cover
    Part Number: 772042
      No Longer Available
  • F-9
    Bearing – Part Number: 780063
    Bearing
    Part Number: 780063
      No Longer Available
  • F-10
    Gear Assembly., Differential – Part Number: 778175
    Gear Assembly., Differential
    Part Number: 778175
      Special Order
    $308.40
  • F-11
    Bushing – Part Number: 780064
    Bushing
    Part Number: 780064
      Special Order
    $7.54
  • F-12
    Axle – Part Number: 774221
    Axle
    Part Number: 774221
      No Longer Available
  • F-13
    Axle – Part Number: 774220
    Axle
    Part Number: 774220
      No Longer Available
  • F-14
    BEVEL GEAR – Part Number: 778132
    BEVEL GEAR
    Part Number: 778132
      Special Order
    $36.97
  • F-15
    Alternative for PE-778068: GEAR-BEVEL – Part Number: TC-778131
    Alternative for PE-778068: GEAR-BEVEL
    Part Number: TC-778131
      No Longer Available
  • F-16
    Drive Pin – Part Number: 786034
    Drive Pin
    Part Number: 786034
      Special Order
    $16.55
  • F-17
    Thrust Washer – Part Number: 780065
    Thrust Washer
    Part Number: 780065
      Special Order
    $6.16
  • F-18
    Washer – Part Number: 780001
    Washer
    Part Number: 780001
      Special Order
    $6.16
  • F-19
    Snap Rng Ext – Part Number: STD582075
    Snap Rng Ext
    Part Number: STD582075
      No Longer Available
  • F-20
    Pin-Roll – Part Number: 792040
    Pin-Roll
    Part Number: 792040
      Special Order
    $6.16
  • F-21
    Sleeve Assembly – Part Number: 786035
    Sleeve Assembly
    Part Number: 786035
      No Longer Available
  • F-22
    BUSHING – Part Number: 780066
    BUSHING
    Part Number: 780066
      Special Order
    $10.05
  • F-23
    Idle Shaft – Part Number: 776190A
    Idle Shaft
    Part Number: 776190A
      No Longer Available
  • F-25
    Shaft Rod Assembly – Part Number: 784079
    Shaft Rod Assembly
    Part Number: 784079
      No Longer Available
  • F-26
    Fork Shifter – Part Number: 784004
    Fork Shifter
    Part Number: 784004
      No Longer Available
  • F-27
    Shift Rod – Part Number: 784083
    Shift Rod
    Part Number: 784083
      No Longer Available
  • F-28
    Spring – Part Number: 792003
    Spring
    Part Number: 792003
      Special Order
    $6.16
  • F-29
    BALL – Part Number: 792004
    BALL
    Part Number: 792004
      Special Order
    $6.16
  • F-30
    Snap Rng Ext – Part Number: STD582050
    Snap Rng Ext
    Part Number: STD582050
      No Longer Available
  • F-31
    Shift Rod – Part Number: 784084
    Shift Rod
    Part Number: 784084
      No Longer Available
  • F-32
    Shift Rod – Part Number: 784085
    Shift Rod
    Part Number: 784085
      No Longer Available
  • F-34
    Lever Housing – Part Number: 784088
    Lever Housing
    Part Number: 784088
      No Longer Available
  • F-35
    Lever Keeper – Part Number: 784094
    Lever Keeper
    Part Number: 784094
      No Longer Available
  • F-36
    Shift Lever – Part Number: 784284
    Shift Lever
    Part Number: 784284
      No Longer Available
  • F-37
    Ring-Snap – Part Number: 792016
    Ring-Snap
    Part Number: 792016
      Special Order
    $6.16
  • F-38
    O-Ring – Part Number: TC-792001
    O-Ring
    Part Number: TC-792001
      No Longer Available
  • F-39
    DRIVE PIN – Part Number: 792049
    DRIVE PIN
    Part Number: 792049
      Special Order
    $7.54
  • F-42
    Axle Housing – Part Number: 782036A
    Axle Housing
    Part Number: 782036A
      No Longer Available
  • F-42A
    Axle Housing – Part Number: 782043
    Axle Housing
    Part Number: 782043
      No Longer Available
  • F-43
    Needle Bearing – Part Number: 530105
    Needle Bearing
    Part Number: 530105
      No Longer Available
  • F-43A
    Oil Seal – Part Number: STD337410
    Oil Seal
    Part Number: STD337410
      No Longer Available
  • F-44
    SPUR GEAR – Part Number: 778024A
    SPUR GEAR
    Part Number: 778024A
      Special Order
    $34.17
  • F-45
    Gear – Part Number: 778057
    Gear
    Part Number: 778057
      No Longer Available
  • F-46
    Shaft – Part Number: 776138
    Shaft
    Part Number: 776138
      No Longer Available
  • F-47
    Gear – Part Number: 778058
    Gear
    Part Number: 778058
      No Longer Available
  • F-48
    Gear – Part Number: 778059
    Gear
    Part Number: 778059
      No Longer Available
  • F-49
    Gear – Part Number: 778060
    Gear
    Part Number: 778060
      No Longer Available
  • F-50
    Gear (39 Teeth) – Part Number: 778074
    Gear (39 Teeth)
    Part Number: 778074
      Special Order
    $93.73
  • F-51
    Spur Gear – Part Number: 778062
    Spur Gear
    Part Number: 778062
      No Longer Available
  • F-52
    Gear – Part Number: 778063
    Gear
    Part Number: 778063
      No Longer Available
  • F-53
    Key – Part Number: 792034A
    Key
    Part Number: 792034A
      No Longer Available
  • F-54
    Gear – Part Number: 778064
    Gear
    Part Number: 778064
      No Longer Available
  • F-55
    Shaft – Part Number: 776057
    Shaft
    Part Number: 776057
      No Longer Available
  • F-56
    Idler Spacer – Part Number: 786036
    Idler Spacer
    Part Number: 786036
      No Longer Available
  • F-57
    Shifter Stop – Part Number: 784087
    Shifter Stop
    Part Number: 784087
      No Longer Available
  • F-58
    Gasket – Part Number: 788033A
    Gasket
    Part Number: 788033A
      No Longer Available
  • F-59
    Gasket – Part Number: 788003A
    Gasket
    Part Number: 788003A
      No Longer Available
  • F-63
    THRUST BEARING – Part Number: 780071
    THRUST BEARING
    Part Number: 780071
      Special Order
    $15.71
  • F-64
    Washer, Thrust – Part Number: TC-780072
    Washer, Thrust
    Part Number: TC-780072
      No Longer Available
  • F-65
    Washer – Part Number: 780073
    Washer
    Part Number: 780073
      No Longer Available
  • F-65A
    R10 Brg – Part Number: STD315100
    R10 Brg
    Part Number: STD315100
      No Longer Available
  • F-66
    Ring 5Pk – Part Number: STD582062
    Ring 5Pk
    Part Number: STD582062
      No Longer Available
  • F-67
    Pin, Dowel – Part Number: 786026B
    Pin, Dowel
    Part Number: 786026B
      Special Order
    $6.16
  • F-68
    OIL SEAL – Part Number: 788043
    OIL SEAL
    Part Number: 788043
      Special Order
    $10.05
  • F-69
    Oil Seal – Part Number: 788009
    Oil Seal
    Part Number: 788009
      No Longer Available
  • F-70
    Oil Seal – Part Number: 788035A
    Oil Seal
    Part Number: 788035A
      No Longer Available
  • F-71
    Screw – Part Number: 792036
    Screw
    Part Number: 792036
      No Longer Available
  • F-72
    SCREW – Part Number: 792007
    SCREW
    Part Number: 792007
      Special Order
    $6.16
  • F-73
    Screw, 5/16-18 x 1" – Part Number: 792037
    Screw, 5/16-18 x 1"
    Part Number: 792037
      Special Order
    $6.16
  • F-75
    PLUG – Part Number: 792039
    PLUG
    Part Number: 792039
      Special Order
    $6.16
  • F-76
    Input Shaft – Part Number: 776103
    Input Shaft
    Part Number: 776103
      No Longer Available
  • F-77
    Input Pinion – Part Number: 778077
    Input Pinion
    Part Number: 778077
      No Longer Available
  • F-78
    Snap rng ext – Part Number: STD582056
    Snap rng ext
    Part Number: STD582056
      No Longer Available
  • F-79
    Pad, Brake – Part Number: 799021
    Pad, Brake
    Part Number: 799021
      No Longer Available
  • F-80
    Plate, Brake Pad – Part Number: TC-790007
    Plate, Brake Pad
    Part Number: TC-790007
      No Longer Available
  • F-81
    Holder – Part Number: 790025
    Holder
    Part Number: 790025
      Special Order
    $20.99
  • F-82
    BRAKE LEVER – Part Number: 790004
    BRAKE LEVER
    Part Number: 790004
      Special Order
    $12.62
  • F-83
    Washer, Flat – Part Number: 792076A
    Washer, Flat
    Part Number: 792076A
      No Longer Available
  • F-84
    Locknut – Part Number: STD541431
    Locknut
    Part Number: STD541431
      No Longer Available
  • F-85
    Screw, Hex Head 1/4-20 x 1-1/4 – Part Number: STD522512
    Screw, Hex Head 1/4-20 x 1-1/4
    Part Number: STD522512
      No Longer Available
  • F-87
    Key – Part Number: STD580020
    Key
    Part Number: STD580020
      No Longer Available
  • F-800
    Manual – Part Number: 74746
    Manual
    Part Number: 74746
      No Longer Available
  • F-800
    Transaxle – Part Number: 794191
    Transaxle
    Part Number: 794191
      No Longer Available
  • F-800
    Deck – Part Number: 674A273
    Deck
    Part Number: 674A273
      No Longer Available
Page G
Page G Diagram and Parts List for  Craftsman Lawn Tractor
Page H
Page H Diagram and Parts List for  Craftsman Lawn Tractor
Page I
Page I Diagram and Parts List for  Craftsman Lawn Tractor
Page J
Page J Diagram and Parts List for  Craftsman Lawn Tractor
Page K
Page K Diagram and Parts List for  Craftsman Lawn Tractor
Page L
Page L Diagram and Parts List for  Craftsman Lawn Tractor
Page M
Page M Diagram and Parts List for  Craftsman Lawn Tractor
Page N
Page N Diagram and Parts List for  Craftsman Lawn Tractor
Page O
Page O Diagram and Parts List for  Craftsman Lawn Tractor
Page P
Page P Diagram and Parts List for  Craftsman Lawn Tractor
Page Q
Page Q Diagram and Parts List for  Craftsman Lawn Tractor
Page R
Page R Diagram and Parts List for  Craftsman Lawn Tractor
  • R-1
    Belt – Part Number: 587086101
    Belt
    Part Number: 587086101
      In Stock
    $110.72
  • R-2
    Flange – Part Number: 583436201
    Flange
    Part Number: 583436201
      No Longer Available
  • R-3
    Ramp – Part Number: 583436101
    Ramp
    Part Number: 583436101
      No Longer Available
  • R-4
    Engine Unit – Part Number: 587293603
    Engine Unit
    Part Number: 587293603
      Special Order
    $271.10
  • R-5
    PIN (33735) – Part Number: 583435901
    PIN (33735)
    Part Number: 583435901
      Special Order
    $17.11
  • R-6
    Control – Part Number: 587086701
    Control
    Part Number: 587086701
      Special Order
    $147.64
  • R-7
    SCREW 4 X 16 (43509). – Part Number: 583435701
    SCREW 4 X 16 (43509).
    Part Number: 583435701
      Special Order
    $9.98
  • R-8
    SPRING (36030) – Part Number: 583435401
    SPRING (36030)
    Part Number: 583435401
      Special Order
    $74.54
  • R-9
    CAP, 38203 – Part Number: 583435501
    CAP, 38203
    Part Number: 583435501
      Special Order
    $51.96
  • R-10
    SPRING (36030) – Part Number: 583435401
    SPRING (36030)
    Part Number: 583435401
      Special Order
    $74.54
  • R-11
    Washer – Part Number: 426730
    Washer
    Part Number: 426730
      No Longer Available
  • R-12
    Cable – Part Number: 426729
    Cable
    Part Number: 426729
      No Longer Available
  • R-13
    Cable Sheave – Part Number: 583435201
    Cable Sheave
    Part Number: 583435201
      No Longer Available
  • R-14
    Screw.5x16(43514) – Part Number: 583435101
    Screw.5x16(43514)
    Part Number: 583435101
      No Longer Available
  • R-15
    Support.1.sheave(37702) – Part Number: 583435001
    Support.1.sheave(37702)
    Part Number: 583435001
      No Longer Available
  • R-16
    Nut – Part Number: 426725
    Nut
    Part Number: 426725
      No Longer Available
  • R-17
    Key – Part Number: 426724
    Key
    Part Number: 426724
      No Longer Available
  • R-18
    Pulley – Part Number: 583434901
    Pulley
    Part Number: 583434901
      No Longer Available
  • R-19
    Screw – Part Number: 426722
    Screw
    Part Number: 426722
      No Longer Available
  • R-20
    Superior Plate – Part Number: 426721
    Superior Plate
    Part Number: 426721
      No Longer Available
  • R-21
    Bushing – Part Number: 583434801
    Bushing
    Part Number: 583434801
      No Longer Available
  • R-22
    BALL BEARING 6301.2RS.(44431) – Part Number: 583434601
    BALL BEARING 6301.2RS.(44431)
    Part Number: 583434601
      Special Order
    $25.71
  • R-23
    Washer – Part Number: 426709
    Washer
    Part Number: 426709
      No Longer Available
  • R-24
    Screw – Part Number: 426708
    Screw
    Part Number: 426708
      No Longer Available
  • R-25
    Washer – Part Number: 426707
    Washer
    Part Number: 426707
      No Longer Available
  • R-26
    Flange – Part Number: 426706
    Flange
    Part Number: 426706
      No Longer Available
  • R-27
    Washer – Part Number: 426704
    Washer
    Part Number: 426704
      No Longer Available
  • R-28
    Ball Bearing – Part Number: 426703
    Ball Bearing
    Part Number: 426703
      No Longer Available
  • R-29
    FLANGE 17.7 (79023) – Part Number: 583434301
    FLANGE 17.7 (79023)
    Part Number: 583434301
      Special Order
    $68.32
  • R-30
    Mobile Ramp – Part Number: 426701
    Mobile Ramp
    Part Number: 426701
      No Longer Available
  • R-31
    Pin – Part Number: 426700
    Pin
    Part Number: 426700
      No Longer Available
  • R-32
    Fixed Ramp – Part Number: 426699
    Fixed Ramp
    Part Number: 426699
      No Longer Available
  • R-33
    Variator Shaft – Part Number: 583434201
    Variator Shaft
    Part Number: 583434201
      No Longer Available
  • R-34
    Variator Spring – Part Number: 583434101
    Variator Spring
    Part Number: 583434101
      No Longer Available
  • R-35
    CAP (38202) – Part Number: 583434001
    CAP (38202)
    Part Number: 583434001
      Special Order
    $36.37
  • R-36
    Washer.21 X – Part Number: 583433701
    Washer.21 X
    Part Number: 583433701
      No Longer Available
  • R-37
    Engine Unit – Part Number: 587293604
    Engine Unit
    Part Number: 587293604
      Special Order
    $271.10
  • R-38
    CABLE HOOK (15723) – Part Number: 583433501
    CABLE HOOK (15723)
    Part Number: 583433501
      Special Order
    $9.98
  • R-39
    Screw – Part Number: 426690
    Screw
    Part Number: 426690
      No Longer Available
  • R-40
    Nut – Part Number: 426689
    Nut
    Part Number: 426689
      No Longer Available
  • R-41
    Lever – Part Number: 426687
    Lever
    Part Number: 426687
      No Longer Available
  • R-42
    SPRING(36031) – Part Number: 583433101
    SPRING(36031)
    Part Number: 583433101
      Special Order
    $9.98
  • R-43
    WASHER(15853) – Part Number: 583437501
    WASHER(15853)
    Part Number: 583437501
      Special Order
    $17.11
  • R-44
    Clip – Part Number: 426790
    Clip
    Part Number: 426790
      No Longer Available
  • R-45
    Screw – Part Number: 426789
    Screw
    Part Number: 426789
      No Longer Available
  • R-46
    Plate – Part Number: 426788
    Plate
    Part Number: 426788
      No Longer Available
  • R-47
    Lever – Part Number: 426787
    Lever
    Part Number: 426787
      No Longer Available
  • R-48
    Screw – Part Number: 426786
    Screw
    Part Number: 426786
      No Longer Available
  • R-49
    Spring – Part Number: 426785
    Spring
    Part Number: 426785
      No Longer Available
  • R-50
    Invers Axle – Part Number: 426784
    Invers Axle
    Part Number: 426784
      No Longer Available
  • R-51
    Cover – Part Number: 426783
    Cover
    Part Number: 426783
      No Longer Available
  • R-52
    Ball Bearing – Part Number: 426782
    Ball Bearing
    Part Number: 426782
      No Longer Available
  • R-53
    Nut – Part Number: 426781
    Nut
    Part Number: 426781
      No Longer Available
  • R-54
    Starter Lock – Part Number: 426780
    Starter Lock
    Part Number: 426780
      No Longer Available
  • R-55
    Starlock – Part Number: 426779
    Starlock
    Part Number: 426779
      No Longer Available
  • R-56
    LEVER (14120) – Part Number: 583437001
    LEVER (14120)
    Part Number: 583437001
      Special Order
    $4.38
  • R-57
    Washer – Part Number: 426777
    Washer
    Part Number: 426777
      No Longer Available
  • R-58
    Rod (38104) – Part Number: 583436801
    Rod (38104)
    Part Number: 583436801
      No Longer Available
  • R-59
    Cable – Part Number: 426775
    Cable
    Part Number: 426775
      No Longer Available
  • R-60
    CLIP(42318) – Part Number: 583436601
    CLIP(42318)
    Part Number: 583436601
      Special Order
    $5.17
  • R-61
    Spring – Part Number: 583436501
    Spring
    Part Number: 583436501
      No Longer Available
  • R-62
    CAM (38003) – Part Number: 583436401
    CAM (38003)
    Part Number: 583436401
      Special Order
    $29.88
  • R-63
    Cone – Part Number: 426771
    Cone
    Part Number: 426771
      No Longer Available
  • R-64
    Cam – Part Number: 426770
    Cam
    Part Number: 426770
      No Longer Available
  • R-65
    Rod – Part Number: 426769
    Rod
    Part Number: 426769
      No Longer Available
  • R-66
    Nut – Part Number: 426768
    Nut
    Part Number: 426768
      No Longer Available
  • R-67
    Washer – Part Number: 426767
    Washer
    Part Number: 426767
      No Longer Available
  • R-68
    Axle – Part Number: 426766
    Axle
    Part Number: 426766
      No Longer Available
  • R-69
    Clip – Part Number: 426765
    Clip
    Part Number: 426765
      No Longer Available
  • R-70
    Screw – Part Number: 426763
    Screw
    Part Number: 426763
      No Longer Available
  • R-71
    Screw – Part Number: 426764
    Screw
    Part Number: 426764
      No Longer Available
  • R-72
    Screw – Part Number: 426762
    Screw
    Part Number: 426762
      No Longer Available
  • R-73
    Support – Part Number: 426761
    Support
    Part Number: 426761
      No Longer Available
  • R-74
    Switch – Part Number: 426758
    Switch
    Part Number: 426758
      No Longer Available
  • R-75
    Nut – Part Number: 426756
    Nut
    Part Number: 426756
      No Longer Available
  • R-76
    Screw – Part Number: 426755
    Screw
    Part Number: 426755
      No Longer Available
  • R-77
    Spring – Part Number: 426754
    Spring
    Part Number: 426754
      No Longer Available
  • R-78
    Ball Bearing – Part Number: 426753
    Ball Bearing
    Part Number: 426753
      No Longer Available
  • R-79
    Washer – Part Number: 426752
    Washer
    Part Number: 426752
      No Longer Available
  • R-80
    Pin – Part Number: 426751
    Pin
    Part Number: 426751
      No Longer Available
  • R-81
    Screw – Part Number: 426750
    Screw
    Part Number: 426750
      No Longer Available
  • R-82
    Plate – Part Number: 426749
    Plate
    Part Number: 426749
      No Longer Available
  • R-83
    Spacer – Part Number: 426748
    Spacer
    Part Number: 426748
      No Longer Available
  • R-84
    Jaws – Part Number: 426747
    Jaws
    Part Number: 426747
      No Longer Available
  • R-85
    Snap – Part Number: 426746
    Snap
    Part Number: 426746
      No Longer Available
Page S
Page S Diagram and Parts List for  Craftsman Lawn Tractor
  • S-1
    USE 00770063A – Part Number: 770063
    USE 00770063A
    Part Number: 770063
      Special Order
    $190.64
  • S-2
    B108 Brg – Part Number: STD311008
    B108 Brg
    Part Number: STD311008
      No Longer Available
  • S-3
    Bushing – Part Number: 780059
    Bushing
    Part Number: 780059
      No Longer Available
  • S-4
    Bearing – Part Number: 780060
    Bearing
    Part Number: 780060
      No Longer Available
  • S-5
    Bearing – Part Number: 780061
    Bearing
    Part Number: 780061
      No Longer Available
  • S-6
    Plate – Part Number: 786033
    Plate
    Part Number: 786033
      No Longer Available
  • S-7
    Bushing – Part Number: 780062
    Bushing
    Part Number: 780062
      No Longer Available
  • S-8
    Cover – Part Number: 772042
    Cover
    Part Number: 772042
      No Longer Available
  • S-9
    Bearing – Part Number: 780063
    Bearing
    Part Number: 780063
      No Longer Available
  • S-10
    Gear Assembly., Differential – Part Number: 778175
    Gear Assembly., Differential
    Part Number: 778175
      Special Order
    $308.40
  • S-11
    Bushing – Part Number: 780064
    Bushing
    Part Number: 780064
      Special Order
    $7.54
  • S-12
    Axle – Part Number: 774221
    Axle
    Part Number: 774221
      No Longer Available
  • S-13
    Axle – Part Number: 774220
    Axle
    Part Number: 774220
      No Longer Available
  • S-14
    BEVEL GEAR – Part Number: 778132
    BEVEL GEAR
    Part Number: 778132
      Special Order
    $36.97
  • S-15
    Alternative for PE-778068: GEAR-BEVEL – Part Number: TC-778131
    Alternative for PE-778068: GEAR-BEVEL
    Part Number: TC-778131
      No Longer Available
  • S-16
    Drive Pin – Part Number: 786034
    Drive Pin
    Part Number: 786034
      Special Order
    $16.55
  • S-17
    Thrust Washer – Part Number: 780065
    Thrust Washer
    Part Number: 780065
      Special Order
    $6.16
  • S-18
    Washer – Part Number: 780001
    Washer
    Part Number: 780001
      Special Order
    $6.16
  • S-19
    Snap Rng Ext – Part Number: STD582075
    Snap Rng Ext
    Part Number: STD582075
      No Longer Available
  • S-20
    Pin-Roll – Part Number: 792040
    Pin-Roll
    Part Number: 792040
      Special Order
    $6.16
  • S-21
    Sleeve Assembly – Part Number: 786035
    Sleeve Assembly
    Part Number: 786035
      No Longer Available
  • S-22
    BUSHING – Part Number: 780066
    BUSHING
    Part Number: 780066
      Special Order
    $10.05
  • S-23
    Idle Shaft – Part Number: 776190A
    Idle Shaft
    Part Number: 776190A
      No Longer Available
  • S-25
    Shaft Rod Assembly – Part Number: 784079
    Shaft Rod Assembly
    Part Number: 784079
      No Longer Available
  • S-26
    Fork Shifter – Part Number: 784004
    Fork Shifter
    Part Number: 784004
      No Longer Available
  • S-27
    Shift Rod – Part Number: 784083
    Shift Rod
    Part Number: 784083
      No Longer Available
  • S-28
    Spring – Part Number: 792003
    Spring
    Part Number: 792003
      Special Order
    $6.16
  • S-29
    BALL – Part Number: 792004
    BALL
    Part Number: 792004
      Special Order
    $6.16
  • S-30
    Snap Rng Ext – Part Number: STD582050
    Snap Rng Ext
    Part Number: STD582050
      No Longer Available
  • S-31
    Shift Rod – Part Number: 784084
    Shift Rod
    Part Number: 784084
      No Longer Available
  • S-32
    Shift Rod – Part Number: 784085
    Shift Rod
    Part Number: 784085
      No Longer Available
  • S-34
    Lever Housing – Part Number: 784088
    Lever Housing
    Part Number: 784088
      No Longer Available
  • S-35
    Lever Keeper – Part Number: 784094
    Lever Keeper
    Part Number: 784094
      No Longer Available
  • S-36
    Shift Lever – Part Number: 784284
    Shift Lever
    Part Number: 784284
      No Longer Available
  • S-37
    Ring-Snap – Part Number: 792016
    Ring-Snap
    Part Number: 792016
      Special Order
    $6.16
  • S-38
    O-Ring – Part Number: TC-792001
    O-Ring
    Part Number: TC-792001
      No Longer Available
  • S-39
    DRIVE PIN – Part Number: 792049
    DRIVE PIN
    Part Number: 792049
      Special Order
    $7.54
  • S-42
    Axle Housing – Part Number: 782036A
    Axle Housing
    Part Number: 782036A
      No Longer Available
  • S-42A
    Axle Housing – Part Number: 782043
    Axle Housing
    Part Number: 782043
      No Longer Available
  • S-43
    Needle Bearing – Part Number: 530105
    Needle Bearing
    Part Number: 530105
      No Longer Available
  • S-43A
    Oil Seal – Part Number: STD337410
    Oil Seal
    Part Number: STD337410
      No Longer Available
  • S-44
    SPUR GEAR – Part Number: 778024A
    SPUR GEAR
    Part Number: 778024A
      Special Order
    $34.17
  • S-45
    Gear – Part Number: 778057
    Gear
    Part Number: 778057
      No Longer Available
  • S-46
    Shaft – Part Number: 776138
    Shaft
    Part Number: 776138
      No Longer Available
  • S-47
    Gear – Part Number: 778058
    Gear
    Part Number: 778058
      No Longer Available
  • S-48
    Gear – Part Number: 778059
    Gear
    Part Number: 778059
      No Longer Available
  • S-49
    Gear – Part Number: 778060
    Gear
    Part Number: 778060
      No Longer Available
  • S-50
    Gear (39 Teeth) – Part Number: 778074
    Gear (39 Teeth)
    Part Number: 778074
      Special Order
    $93.73
  • S-51
    Spur Gear – Part Number: 778062
    Spur Gear
    Part Number: 778062
      No Longer Available
  • S-52
    Gear – Part Number: 778063
    Gear
    Part Number: 778063
      No Longer Available
  • S-53
    Key – Part Number: 792034A
    Key
    Part Number: 792034A
      No Longer Available
  • S-54
    Gear – Part Number: 778064
    Gear
    Part Number: 778064
      No Longer Available
  • S-55
    Shaft – Part Number: 776057
    Shaft
    Part Number: 776057
      No Longer Available
  • S-56
    Idler Spacer – Part Number: 786036
    Idler Spacer
    Part Number: 786036
      No Longer Available
  • S-57
    Shifter Stop – Part Number: 784087
    Shifter Stop
    Part Number: 784087
      No Longer Available
  • S-58
    Gasket – Part Number: 788033A
    Gasket
    Part Number: 788033A
      No Longer Available
  • S-59
    Gasket – Part Number: 788003A
    Gasket
    Part Number: 788003A
      No Longer Available
  • S-63
    THRUST BEARING – Part Number: 780071
    THRUST BEARING
    Part Number: 780071
      Special Order
    $15.71
  • S-64
    Washer, Thrust – Part Number: TC-780072
    Washer, Thrust
    Part Number: TC-780072
      No Longer Available
  • S-65
    Washer – Part Number: 780073
    Washer
    Part Number: 780073
      No Longer Available
  • S-65A
    R10 Brg – Part Number: STD315100
    R10 Brg
    Part Number: STD315100
      No Longer Available
  • S-66
    Ring 5Pk – Part Number: STD582062
    Ring 5Pk
    Part Number: STD582062
      No Longer Available
  • S-67
    Pin, Dowel – Part Number: 786026B
    Pin, Dowel
    Part Number: 786026B
      Special Order
    $6.16
  • S-68
    OIL SEAL – Part Number: 788043
    OIL SEAL
    Part Number: 788043
      Special Order
    $10.05
  • S-69
    Oil Seal – Part Number: 788009
    Oil Seal
    Part Number: 788009
      No Longer Available
  • S-70
    Oil Seal – Part Number: 788035A
    Oil Seal
    Part Number: 788035A
      No Longer Available
  • S-71
    Screw – Part Number: 792036
    Screw
    Part Number: 792036
      No Longer Available
  • S-72
    SCREW – Part Number: 792007
    SCREW
    Part Number: 792007
      Special Order
    $6.16
  • S-73
    Screw, 5/16-18 x 1" – Part Number: 792037
    Screw, 5/16-18 x 1"
    Part Number: 792037
      Special Order
    $6.16
  • S-75
    PLUG – Part Number: 792039
    PLUG
    Part Number: 792039
      Special Order
    $6.16
  • S-76
    Input Shaft – Part Number: 776103
    Input Shaft
    Part Number: 776103
      No Longer Available
  • S-77
    Input Pinion – Part Number: 778077
    Input Pinion
    Part Number: 778077
      No Longer Available
  • S-78
    Snap rng ext – Part Number: STD582056
    Snap rng ext
    Part Number: STD582056
      No Longer Available
  • S-79
    Pad, Brake – Part Number: 799021
    Pad, Brake
    Part Number: 799021
      No Longer Available
  • S-80
    Plate, Brake Pad – Part Number: TC-790007
    Plate, Brake Pad
    Part Number: TC-790007
      No Longer Available
  • S-81
    Holder – Part Number: 790025
    Holder
    Part Number: 790025
      Special Order
    $20.99
  • S-82
    BRAKE LEVER – Part Number: 790004
    BRAKE LEVER
    Part Number: 790004
      Special Order
    $12.62
  • S-83
    Washer, Flat – Part Number: 792076A
    Washer, Flat
    Part Number: 792076A
      No Longer Available
  • S-84
    Locknut – Part Number: STD541431
    Locknut
    Part Number: STD541431
      No Longer Available
  • S-85
    Screw, Hex Head 1/4-20 x 1-1/4 – Part Number: STD522512
    Screw, Hex Head 1/4-20 x 1-1/4
    Part Number: STD522512
      No Longer Available
  • S-85A
    Screw 1/4-20 x 2-1/4 – Part Number: 792085A
    Screw 1/4-20 x 2-1/4
    Part Number: 792085A
      Special Order
    Minimum Quantity of 2 required
    $6.16
  • S-86
    Housing-Blower – Part Number: 592814
    Housing-Blower
    Part Number: 592814
      In Stock
    $170.41
  • S-87
    Key – Part Number: STD580020
    Key
    Part Number: STD580020
      No Longer Available
  • S-88
    Spacer – Part Number: 786066
    Spacer
    Part Number: 786066
      In Stock
    $6.65
  • S-800
    Transaxle – Part Number: 794191
    Transaxle
    Part Number: 794191
      No Longer Available

Questions & Answers

?

Our customer Service team is at the ready daily to answer your part and product questions.

We're sorry, but our Q&A experts are temporarily unavailable.
Please check back later if you still haven't found the answer you need.

Ask our Team

We have a dedicated staff with decades of collective experience in helping customers just like you purchase parts to repair their products.