Maytag Parts

Maytag Commercial Dryer Replacement Parts For Model DE26CA

We Sell Only Genuine Maytag Parts

Find Maytag DE26CA Parts By Symptom

Noisy

93%

Drum Not Spinning

2%

Door won’t close

2%

Marks left on clothes

1%

Too hot

1%

Not Heating

0%

Won’t Start

0%

Door Pops Open

0%

Door latch failure

0%

Running With Door Open

0%

Popular Parts for DE26CA

Search Within Model

Questions & Answers for Maytag DE26CA
Browse all Parts Search by Area
50HZ CONVERSION LIST Diagram and Parts List for  Maytag Dryer
50HZ CONVERSION LIST
CONTROL PANEL - CA MODELS Diagram and Parts List for  Maytag Dryer
CONTROL PANEL - CA MODELS
FRONT PANEL & DOOR ASSEMBLY Diagram and Parts List for  Maytag Dryer
FRONT PANEL & DOOR ASSEMBLY
FRONT VIEW - CA MODELS Diagram and Parts List for  Maytag Dryer
FRONT VIEW - CA MODELS
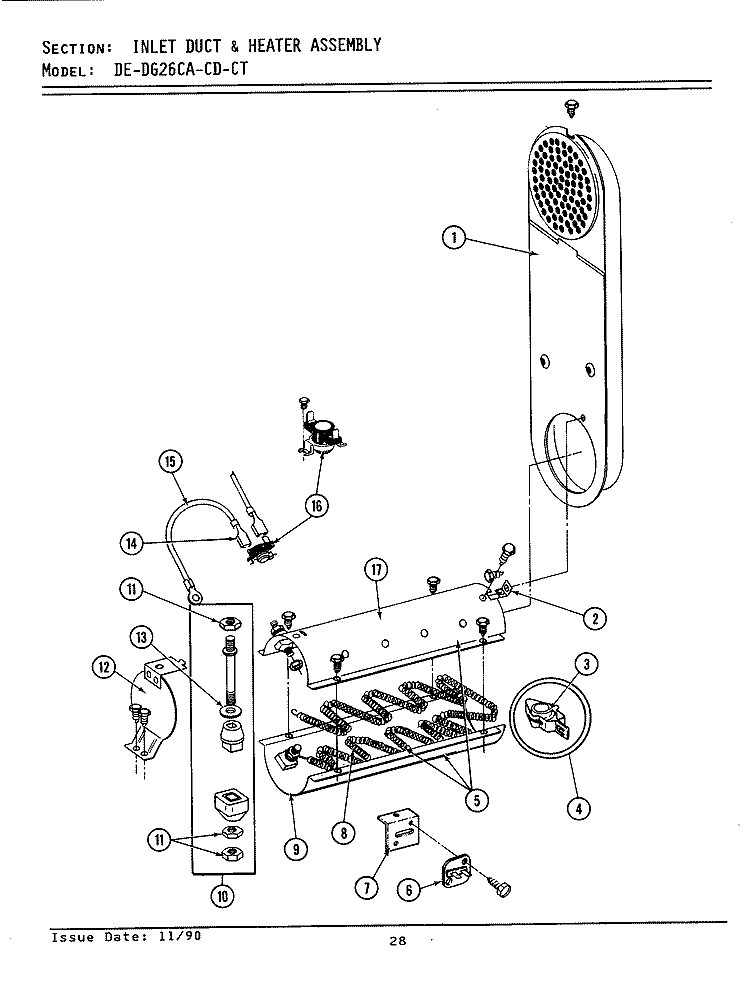
INLET DUCT & HEATER ASSEMBLY Diagram and Parts List for  Maytag Dryer
INLET DUCT & HEATER ASSEMBLY
INSTALLATION ACCESSORIES Diagram and Parts List for  Maytag Dryer
INSTALLATION ACCESSORIES
LINT SCREEN, TUMBLER (FRONT & BACK) Diagram and Parts List for  Maytag Dryer
LINT SCREEN, TUMBLER (FRONT & BACK)
MOTOR, BLOWER & BASE FRAME Diagram and Parts List for  Maytag Dryer
MOTOR, BLOWER & BASE FRAME
REAR VIEW - CA MODELS Diagram and Parts List for  Maytag Dryer
REAR VIEW - CA MODELS
THERMOSTATS Diagram and Parts List for  Maytag Dryer
THERMOSTATS
Previous Showing All Parts Next
50HZ CONVERSION LIST
50HZ CONVERSION LIST Diagram and Parts List for  Maytag Dryer
CONTROL PANEL - CA MODELS
CONTROL PANEL - CA MODELS Diagram and Parts List for  Maytag Dryer
  • 001
    No Longer Available – Part Number: NLA
    No Longer Available
    Part Number: NLA
      No Longer Available
  • 002
    FASTENER – Part Number: 215003
    FASTENER
    Part Number: 215003
      No Longer Available
  • 003
    Cycle Selector Switch – Part Number: WPW10327105
    Cycle Selector Switch
    Part Number: WPW10327105
      In Stock
    $84.65
  • 004
    Dryer Screw – Part Number: WP90767
    Dryer Screw
    Part Number: WP90767
      In Stock
    $7.56
  • 005
    DISCONTINUED – Part Number: 204075
    DISCONTINUED
    Part Number: 204075
      No Longer Available
  • 006
    Push-To-Start Switch – Part Number: WPW10149462
    Push-To-Start Switch
    Part Number: WPW10149462
      Special Order
    $52.23
  • 007
    TIMER MOTO – Part Number: Y304585
    TIMER MOTO
    Part Number: Y304585
      No Longer Available
  • 007
    Timer – Part Number: WP305214
    Timer
    Part Number: WP305214
      No Longer Available
  • 007
    Timer – Part Number: WP305214
    Timer
    Part Number: WP305214
      No Longer Available
  • 008
    Washer – Part Number: WPW10139799
    Washer
    Part Number: WPW10139799
      Special Order
    $11.91
  • 009
    NUT – Part Number: 9831122
    NUT
    Part Number: 9831122
      No Longer Available
  • 010
    Refrigerator Screw – Part Number: WP488234
    Refrigerator Screw
    Part Number: WP488234
      Special Order
    $8.65
  • 011
    USE WPL 33001500 – Part Number: 314725
    USE WPL 33001500
    Part Number: 314725
      Special Order
    $13.00
  • 012
    Screw – Part Number: WP1163283
    Screw
    Part Number: WP1163283
      Special Order
    $7.56
  • 013
    Cap – Part Number: WPW10133501
    Cap
    Part Number: WPW10133501
      Special Order
    $57.01
  • 014
    Nut - 1/4-28 x 5/32 – Part Number: W10155650
    Nut - 1/4-28 x 5/32
    Part Number: W10155650
      Special Order
    $21.70
  • 015
    KNOB – Part Number: W11232017
    KNOB
    Part Number: W11232017
      Special Order
    $21.70
  • 016
    KNURLED NU – Part Number: WPY312702
    KNURLED NU
    Part Number: WPY312702
      Special Order
    $42.63
  • 017
    LENS- INDI – Part Number: WP215564
    LENS- INDI
    Part Number: WP215564
      Special Order
    $9.74
  • 018
    PANEL- CON – Part Number: 33001021
    PANEL- CON
    Part Number: 33001021
      No Longer Available
  • 019
    WIRE- GROU – Part Number: 205810
    WIRE- GROU
    Part Number: 205810
      No Longer Available
  • 019
    Refrigerator Screw – Part Number: WP489399
    Refrigerator Screw
    Part Number: WP489399
      In Stock
    $7.56
  • 020
    No Longer Available – Part Number: NLA
    No Longer Available
    Part Number: NLA
      No Longer Available
  • 020
    TOP COVER – Part Number: 307104
    TOP COVER
    Part Number: 307104
      No Longer Available
  • 021
    KNOB- SELE – Part Number: 306938
    KNOB- SELE
    Part Number: 306938
      No Longer Available
  • 022
    No Longer Available – Part Number: NLA
    No Longer Available
    Part Number: NLA
      No Longer Available
  • 023
    Dryer Screw – Part Number: WP90767
    Dryer Screw
    Part Number: WP90767
      In Stock
    $7.56
  • 024
    No Longer Available – Part Number: NLA
    No Longer Available
    Part Number: NLA
      No Longer Available
FRONT PANEL & DOOR ASSEMBLY
FRONT PANEL & DOOR ASSEMBLY Diagram and Parts List for  Maytag Dryer
FRONT VIEW - CA MODELS
FRONT VIEW - CA MODELS Diagram and Parts List for  Maytag Dryer
INLET DUCT & HEATER ASSEMBLY
INLET DUCT & HEATER ASSEMBLY Diagram and Parts List for  Maytag Dryer
INSTALLATION ACCESSORIES
INSTALLATION ACCESSORIES Diagram and Parts List for  Maytag Dryer
LINT SCREEN, TUMBLER (FRONT & BACK)
LINT SCREEN, TUMBLER (FRONT & BACK) Diagram and Parts List for  Maytag Dryer
MOTOR, BLOWER & BASE FRAME
MOTOR, BLOWER & BASE FRAME Diagram and Parts List for  Maytag Dryer
REAR VIEW - CA MODELS
REAR VIEW - CA MODELS Diagram and Parts List for  Maytag Dryer
THERMOSTATS
THERMOSTATS Diagram and Parts List for  Maytag Dryer

Questions & Answers

?

Our customer Service team is at the ready daily to answer your part and product questions.

We're sorry, but our Q&A experts are temporarily unavailable.
Please check back later if you still haven't found the answer you need.

Ask our Team

We have a dedicated staff with decades of collective experience in helping customers just like you purchase parts to repair their products.