See part B-19 in the diagram
( Grid squares measure 1x1 inch )
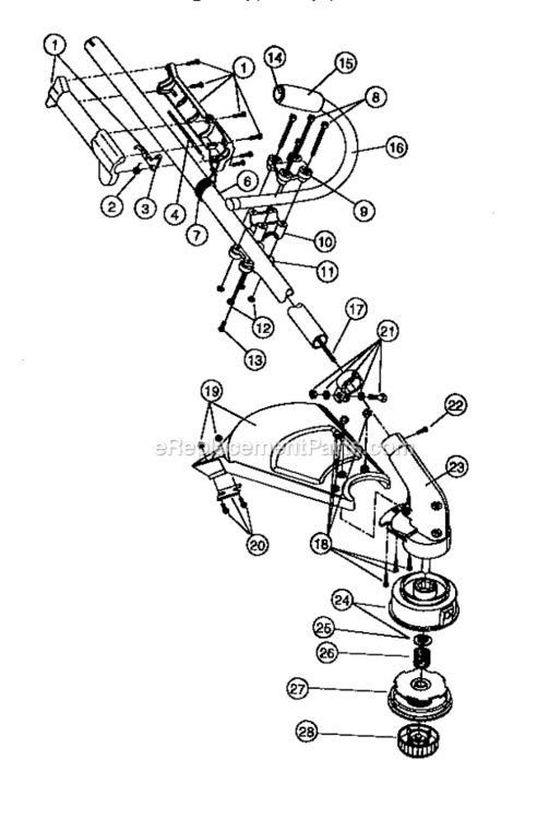
Guard and Blade Assembly 753-1213
- Manufactured by:
-
MTD
- ERP Number:
- ERP9119498
- Part Number:
- 753-1213
?
Unfortunately, this part isn't available any more at eReplacementParts. This could be because:
- The manufacturer doesn't make this part any more
- There are no substitute parts made by the manufacturer to replace this part
- There is no longer any way for us to find this part and stock it in our warehouse
We would love to help you find the part you need, but our call center agents will, regrettably, be unable to assist you with tracking it down. However, you may still be able to locate the part you need by trying the following:
- Using a search engine to type your part number and see if other retailers still have this part in stock
- Visiting online stores such as eBay and finding sellers that have this part
- Trying retailers and repair stores in your local area to see if they have the part in their inventory
- Talking to a local repair technician, who may have the part you need, or may be able to repair your existing part
- Reaching out to the manufacturer of your product to see what their recommendations are for replacing this part
✖
Mail-In Recycling Rebate
Some of the parts we sell are eligible for mail-in rebates since we can recycle them. We will display any applicable rebates in your shopping cart. To redeem your rebate, contact Customer Service after you have received your part.
[{"position":0,"name":"Home","title":"Home","url":"/"},{"position":1,"name":"753-1213","title":"753-1213","url":""}]