Some of the parts we sell are eligible for mail-in rebates since we can recycle them. We will display any applicable rebates in your shopping cart. To redeem your rebate, contact Customer Service after you have received your part.
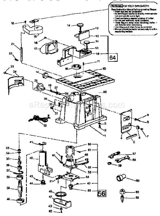
Wrench 150133-00
- Manufactured by:
- DeWALT
- ERP Number:
- ERP10166392
- Part Number:
- 150133-00
No Longer Available
No Longer Available
Unfortunately, this part isn't available any more at eReplacementParts. This could be because:
- The manufacturer doesn't make this part any more
- There are no substitute parts made by the manufacturer to replace this part
- There is no longer any way for us to find this part and stock it in our warehouse
Our call center agents are unable to assist you with tracking down this part, but you may be able to find the part through other retails, technicians, or the manufacturer.
Please call 801-486-5828 to let them know you were referred to them by eReplacementParts.com about replacing your tool with our special offer!
✖
Mail-In Recycling Rebate
✖