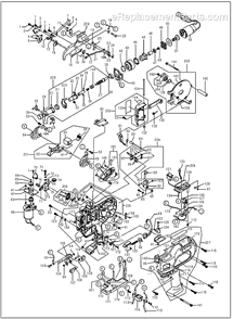
Part Location Diagram of JJ10109 Max E-Ring 2
See part 11 in the diagram
( Grid squares measure 1x1 inch )

E-Ring 2 JJ10109

Manufactured by:
Max
ERP Number:
ERP10413370
Part Number:
JJ10109
Original Equipment Manufacturer ?
  Works with your model  EH-110F!
$5.95
In Stock
Delivers in 3-5 Business Days!
  Works with your model   EH-110F!

Troubleshooting

This part works with the following brands:
  • Max
This part works with the following products:
  • Rebar Tools

Questions & Answers

?

Our customer Service team is at the ready daily to answer your part and product questions.

We're sorry, but our Q&A experts are temporarily unavailable.
Please check back later if you still haven't found the answer you need.

Ask our Team

We have a dedicated staff with decades of collective experience in helping customers just like you purchase parts to repair their products.

Does this fit my product?