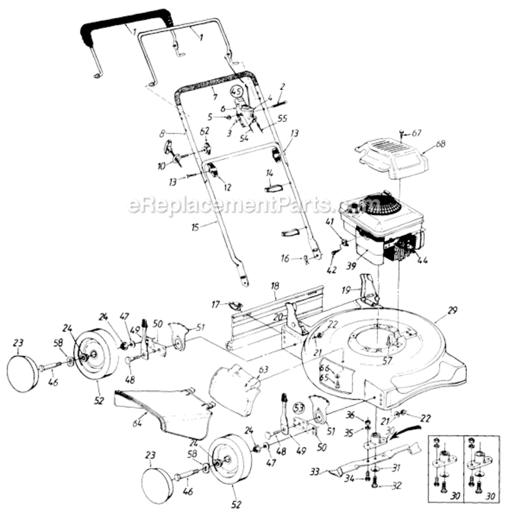
Part Location Diagram of 720-0279 MTD Wiong Nut
See part 62 in the diagram
( Grid squares measure 1x1 inch )

Wiong Nut 720-0279

Manufactured by:
MTD
ERP Number:
ERP9096328
Part Number:
720-0279
Original Equipment Manufacturer ?
  Works with your model  12A-26MY002!
In Stock
Delivers in 3-5 Business Days!

Easy 

30 - 60 mins 

(2 rated repairs) ?
  Works with your model   12A-26MY002!

Product Description

?

This handle knob is an authentic OEM replacement part. It is customarily used in Ryobi and MTD lawn mowers. This knob is used to make adjustments to the upper handle of the lawn mower. This part is made of plastic and should be replaced if it comes off the machine. It is sold individually and requires no tools to install.

Frequently Purchased Together

?

Troubleshooting

This part works with the following brands:
  • MTD
  • Yard Machines
  • Craftsman
  • Cub Cadet
  • Troy-Bilt
  • Yard Man
  • Bolens
  • Murray
  • Husky
  • Ryobi
  • Snapper
This part works with the following products:
  • Lawn Mower
  • Snow Blower
  • Edger
  • Chipper Shredder
  • Trimmer
  • Leaf Blower / Vacuum
  • Lawn Tractor
  • Engine
  • Lawn Tractor Accessories
Part# 720-0279 replaces these:
01002925, 01003131, 1002925, 1003131, 1766537, 720-0279, 720-0279-CM, 720-0279P, 920-0279, GW-1766537,

Customer Part Reviews

?
5.0
Average Rating (out of 5):
★★★★★
★★★★★
(3 Reviews)
Click to filter by ratings:
  • 5 stars
    3
  • 4 stars
    0
  • 3 stars
    0
  • 2 stars
    0
  • 1 star
    0
  • 1
Sort by:  
Sorry, we couldn't find any existing reviews that matched. Try using some different or simpler keywords.

Questions & Answers

?

Our customer Service team is at the ready daily to answer your part and product questions.

Be the first to ask our experts a question about this part!

Ask our Team

We have a dedicated staff with decades of collective experience in helping customers just like you purchase parts to repair their products.

Does this fit my product?

Customer Repair Instructions

All our customer repair instructions are solicited directly from other customers just like you who have purchased and replaced this exact part.

Easy 

30 - 60 mins 

(2 rated repairs) ?
  • 1
Sort by:  
Sorry, we couldn't find any existing installation instruction that matched.

The lower handle of my mower broke where it connected to the mower itself as a result of having been bent and damaged.

John from Caldwell, Idaho

1 person found this instruction helpful.
Difficulty Level:
Easy
Total Repair Time:
15 - 30 mins
Tools:
Pliers, Screw drivers
1. I took off the old lower handle. It is held on with handle knobs so it required only my hand to remove it.
2. Cut the zip ties holding cables to the lower handle
3. Took the upper handle off of the lower handle.
4. I replaced the lower handle then added the upper handle. Both handles are held on with cotter pins and h andle knobs.
5. Replaced zip ties on the new lower handle to keep cables in place.

This was a very basic and easy repair!
Did you find this story helpful?
Thank you for voting!

Lawn mower drive cable needed to be replaced. And while I was order the cable, I went ahead and ordered a new rope guide and knob.

Bruce from Winston Salem, North Carolina

0 of 1 people found this instruction helpful.
Difficulty Level:
A Bit Difficult
Total Repair Time:
30 - 60 mins
Tools:
Pliers, Socket set
Parts Used:
946-04519B, 720-0279, 710-1205
1. Removed rear wheels
2. Removed under deck insert.
3. Detached cables
4. Insert new cable attachment
5. Insert mower cable in cable attachment
6. Ran new drive cable through mower deck
7. Attached drive cable to pulley system
8 Reattached under deck Insert
9 Reattached rear wheels
Did you find this story helpful?
Thank you for voting!
  • 1

Model Cross Reference

This part works with the following models:
ERP Number: ERP9096328
Manufacturer Part Number: 720-0279
Brand Model Number Description
MTD 051322 Lawn Mower - MTD Lawn Mower Model 051322 Parts
MTD 051330 Lawn Mower - MTD Lawn Mower Model 051330 Parts
MTD 051347 Lawn Mower - MTD Lawn Mower Model 051347 Parts
MTD 051354 Lawn Mower - MTD Lawn Mower Model 051354 Parts
MTD 06-494264 Lawn Mower - MTD Lawn Mower Model 06-494264 (06494264, 06 494264) Parts
MTD 06-494348 Lawn Mower - MTD Lawn Mower Model 06-494348 (06494348, 06 494348) Parts
MTD 06-494421 Lawn Mower - MTD Lawn Mower Model 06-494421 (06494421, 06 494421) Parts
MTD 080 Lawn Mower - Lawn Mower
MTD 081 Lawn Mower - Gas Walk Behind Lawnmower
Bolens 084 Lawn Mower - Lawn Mower
MTD 085 Lawn Mower - Gas Walk Behind Lawnmower
MTD 086 Lawn Mower - Gas Walk Behind Lawnmower
MTD 087 Lawn Mower - Gas Walk Behind Lawnmower
MTD 088 Lawn Mower - Gas Walk Behind Lawnmower
MTD 089 Lawn Mower - Gas Walk Behind Lawnmower
MTD 08J Lawn Mower - Lawn Mower
MTD 090 Lawn Mower - Gas Walk Behind Lawnmower
MTD 091 Lawn Mower - Gas Walk Behind Lawnmower
MTD 092 Lawn Mower - Gas Walk Behind Lawnmower
MTD 093 Lawn Mower - Gas Walk Behind Lawnmower
MTD 094 Lawn Mower - Gas Walk Behind Lawnmower
MTD 095 Lawn Mower - Gas Walk Behind Lawnmower
MTD 096 Lawn Mower - Gas Walk Behind Lawnmower
MTD 097 Lawn Mower - Gas Walk Behind Lawnmower
MTD 098 Lawn Mower - Gas Walk Behind Lawnmower
Cub Cadet 100 Trimmer - St 25A-262J710 Wheeled String Trimmer
Cub Cadet 108C Lawn Mower - Cub Cadet Lawn Mower Model 108C/1994 Parts
Cub Cadet 108C100 Lawn Mower - Push Walk Behind Mower
MTD 114-105A000 Lawn Mower - Push Walk-Behind Mower
MTD 114-105A002 Lawn Mower - Push Walk-Behind Mower