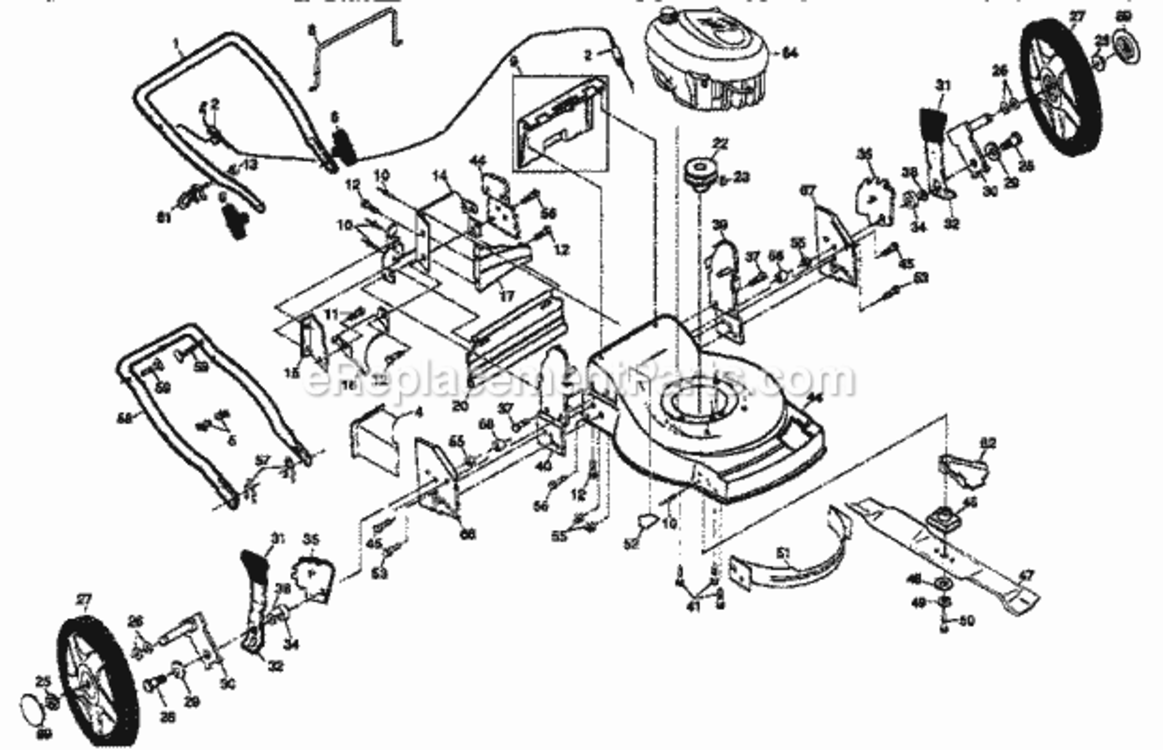
Part Location Diagram of 582991501 Husqvarna Throttle Cable
See part B-2 in the diagram
( Grid squares measure 1x1 inch )

Throttle Cable 582991501

Manufactured by:
Husqvarna
ERP Number:
ERP12609193
Part Number:
582991501
Original Equipment Manufacturer ?
In Stock
Delivers in 3-5 Business Days!

Easy 

Less than 15 mins 

(36 rated repairs) ?

Does this part fit my model?

Need help finding your model number?

Product Description

?

Genuine OEM replacement part, this item is sold individually. The Engine Control Cable connects to the Control Bar and to the Engine. The Control Bar has to be pulled up for the Engine to start. Once you let go of the Control Bar the Engine Control Cable will cause the Engine to stop running.

Troubleshooting

This part works with the following brands:
  • Craftsman
  • Husqvarna
  • Weed Eater
  • Poulan
  • Murray
  • Ryobi
  • Jonsered
This part works with the following products:
  • Lawn Mower
  • Lawn Tractor
Part# 582991501 replaces these:
532158152, 582991501,

Customer Part Reviews

?
4.7
Average Rating (out of 5):
★★★★★
★★★★★
(27 Reviews)
Click to filter by ratings:
  • 5 stars
    22
  • 4 stars
    4
  • 3 stars
    0
  • 2 stars
    0
  • 1 star
    1
  • 1
  • 2
  • 3
Sort by:  
Sorry, we couldn't find any existing reviews that matched. Try using some different or simpler keywords.
  • 1
  • 2
  • 3

Questions & Answers

?

Our customer Service team is at the ready daily to answer your part and product questions.

We're sorry, but our Q&A experts are temporarily unavailable.
Please check back later if you still haven't found the answer you need.

Ask our Team

We have a dedicated staff with decades of collective experience in helping customers just like you purchase parts to repair their products.

Does this fit my product?

Customer Repair Instructions

All our customer repair instructions are solicited directly from other customers just like you who have purchased and replaced this exact part.

Easy 

Less than 15 mins 

(36 rated repairs) ?
  • 1
  • 2
  • 3
Sort by:  
Sorry, we couldn't find any existing installation instruction that matched.

Broken throttle cable

John from Saunemin, Illinois

11 of 11 people found this instruction helpful.
Difficulty Level:
Easy
Total Repair Time:
Less than 15 mins
Tools:
Pliers
Parts Used:
582991501
Very easy replacement. Use pliers to collapse plastic locking ears to remove old cable. Slide new cable into place until plastic locking ears click. It\'s that simple and took 2 minutes to complete.
Did you find this story helpful?
Thank you for voting!

Lawn mower engine control cable broke. Could not start engine.

Paul from Westminster, Colorado

4 of 4 people found this instruction helpful.
Difficulty Level:
Easy
Total Repair Time:
Less than 15 mins
Tools:
Pliers
Parts Used:
582991501
1. Removed old cable
2. Lubricated new cable
3. Installed new cable
4. Started mower

Got the part quicker and cheaper than the last time the same part broke when I ordered it from a local repair shop.
Did you find this story helpful?
Thank you for voting!

Control cable broke.

Donald from Danville, Kentucky

3 of 3 people found this instruction helpful.
Difficulty Level:
Easy
Total Repair Time:
1- 2 hours
Tools:
Socket set
Parts Used:
582991501
1. Removed the broken cable.
2. Replaced with the new cable.
Did you find this story helpful?
Thank you for voting!

Broken control cable

Billy from Fort Worth, Texas

3 of 3 people found this instruction helpful.
Difficulty Level:
Easy
Total Repair Time:
Less than 15 mins
Tools:
Pliers
Parts Used:
582991501
Just disconnected one end of the old cable and connected the new cable in its place. Then I ran the cable down to the other end and did the same thing. Works like new!
Did you find this story helpful?
Thank you for voting!

The Zone Control Cable broke

John from Fitzgerald, Georgia

2 of 2 people found this instruction helpful.
Difficulty Level:
Easy
Total Repair Time:
Less than 15 mins
Parts Used:
582991501
1. Once I identified what the part is called from the illustrations, I was able to order it.
2. It\'s all self contained, so break the plastic retaining clip off of the left side of the handle, and any tie wraps.
3. Each end is offset shaped. Remove carefully.
4. Apply 3 in 1 oil to the cable and into the cable sheath. < br />5. Install the motor end of new cable first, then the upper one.
6. Snap the retaining clip into the handle only after putting both end pieces in place.
Did you find this story helpful?
Thank you for voting!

Cable broke due to rust. Before that the insert wore out and came loose from the handle.

Richard from portland, Oregon

2 of 2 people found this instruction helpful.
Difficulty Level:
Easy
Total Repair Time:
Less than 15 mins
Tools:
Screw drivers
Parts Used:
582991501
Attach the one end to the handle release. Use a clamp and press insert into the handle. Thread cable through clamp and tighten. Attach the other end to the spring loaded brake.
Did you find this story helpful?
Thank you for voting!

The old cable must be cut.

david from huntington, West Virginia

2 of 2 people found this instruction helpful.
Difficulty Level:
A Bit Difficult
Total Repair Time:
Less than 15 mins
Tools:
Screw drivers
Parts Used:
582991501
Using a good quality wire cutter, cut the steel cable near the attachment at the motor. Remove the short end of the cable and then slide the longer half of the cable out, then cut the remaining cable sheath at the guide post. Completely remove the old cable up to the activating hand control. This will allow the new cable to be fed throu gh the slot and lock in place. Attach the soldered end in the arm on the motor, route the new cable through the existing guides up to the hand control. I added extra guides in the form of zip ties as the cable has a tendency of snag on hedges and such.
Did you find this story helpful?
Thank you for voting!

Control cable end came off the cable.

preston from Highland, New York

2 of 2 people found this instruction helpful.
Difficulty Level:
Easy
Total Repair Time:
Less than 15 mins
Tools:
Pliers, Screw drivers
Parts Used:
582991501
Not much to say, it was not difficult. Removed the control cable, from the mower\'s handle, then ran the new cable through handle\'s guide to the engine. Done
Did you find this story helpful?
Thank you for voting!

Safety cable froze

neil from Venice, Florida

1 person found this instruction helpful.
Difficulty Level:
Easy
Total Repair Time:
Less than 15 mins
Parts Used:
582991501
Removed the old safety cable
Hooked one end to engine and other to the grab bar
Installed clamp to mower push handle
Did you find this story helpful?
Thank you for voting!

rope broke, control bar and cable missing

Trish from HUMBOLDT, Kansas

1 person found this instruction helpful.
Difficulty Level:
Easy
Total Repair Time:
15 - 30 mins
Tools:
Screw drivers, Wrench set
Just put it back together
Did you find this story helpful?
Thank you for voting!
  • 1
  • 2
  • 3

Model Cross Reference

This part works with the following models:
ERP Number: ERP12609193
Manufacturer Part Number: 582991501
Brand Model Number Description
Husqvarna 224110X92E0 Lawn Mower
Murray 224110X92E1 Lawn Mower - Murray Lawn Mower Model 224110X92E1 Parts
Husqvarna 224110X92E2 Lawn Mower
Husqvarna 224111X83E Lawn Mower - /96117000200
Murray 225110X92E0 Lawn Mower - Murray Lawn Mower Model 225110X92E0 Parts
Murray 225110X92E1 Lawn Mower - Murray Lawn Mower Model 225110X92E1 Parts
Husqvarna 225114X92E2 Lawn Mower
Husqvarna 38508 Lawn Mower - /0
Weed Eater 385080 Lawn Mower - Weed Eater Lawn Mower Model 385080 Parts
Husqvarna 38509 Lawn Mower - /0
Weed Eater 385090 Lawn Mower - Weed Eater Lawn Mower Model 385090 Parts
Craftsman 917377271 Lawn Mower - Lawn Mower
Craftsman 917377272 Lawn Mower - Lawn Mower
Craftsman 917377273 Lawn Mower - Lawn Mower
Craftsman 917377291 Lawn Mower - Lawn Mower
Craftsman 917377292 Lawn Mower - Lawn Mower
Craftsman 917377300 Lawn Mower - Lawn Mower
Craftsman 917377302 Lawn Mower - Lawn Mower
Craftsman 917377303 Lawn Mower - Lawn Mower
Craftsman 917377400 Lawn Mower - Lawn Mower
Craftsman 917377580 Lawn Mower - Lawn Mower
Craftsman 917377581 Lawn Mower - Lawn Mower
Craftsman 917377582 Lawn Mower - Lawn Mower
Craftsman 917377590 Lawn Mower - Mower
Craftsman 917377591 Lawn Mower - Lawn Mower
Craftsman 917377592 Lawn Mower - Lawn Mower
Craftsman 917377593 Lawn Mower - Lawn Mower
Craftsman 917377980 Lawn Mower - Lawn Mower
Craftsman 917377990 Lawn Mower - Lawn Mower
Craftsman 917379271 Lawn Mower - Lawn Mower