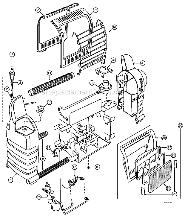
Part Location Diagram of 11410 Mr Heater Regulator
See part 800 in the diagram
( Grid squares measure 1x1 inch )

Regulator 11410

Manufactured by:
Mr Heater
ERP Number:
ERP10424350
Part Number:
11410
Original Equipment Manufacturer ?
In Stock
Delivers in 3-5 Business Days!

Easy 

15 - 30 mins 

(14 rated repairs) ?

Does this part fit my model?

Need help finding your model number?

Product Description

?

This is an OEM direct from the Mr. Heater manufacturer. The regulator 11" wc precimex is constructed of metal and plastic components. This part is compatible with the MH9B Heater. This part is fitted between the inside frame and the regulation hold down. The regulator helps to keep heater lit and maintain consistent heat pressure. This item is sold individually. A screwdriver and an adjustable wrench are needed in the removal and replacement.

Troubleshooting

This part works with the following brands:
  • Mr Heater
This part works with the following products:
  • Heater

Customer Part Reviews

?
5.0
Average Rating (out of 5):
★★★★★
★★★★★
(10 Reviews)
Click to filter by ratings:
  • 5 stars
    10
  • 4 stars
    0
  • 3 stars
    0
  • 2 stars
    0
  • 1 star
    0
  • 1
Sort by:  
Sorry, we couldn't find any existing reviews that matched. Try using some different or simpler keywords.

Questions & Answers

?

Our customer Service team is at the ready daily to answer your part and product questions.

Be the first to ask our experts a question about this part!

Ask our Team

We have a dedicated staff with decades of collective experience in helping customers just like you purchase parts to repair their products.

Does this fit my product?

Customer Repair Instructions

All our customer repair instructions are solicited directly from other customers just like you who have purchased and replaced this exact part.

Easy 

15 - 30 mins 

(14 rated repairs) ?
  • 1
  • 2
Sort by:  
Sorry, we couldn't find any existing installation instruction that matched.

Mr Heater would not stay lit due to using 20 Lb tank and hose with no filter

Dale from Martinsburg, West Virginia

8 of 8 people found this instruction helpful.
Difficulty Level:
A Bit Difficult
Total Repair Time:
30 - 60 mins
Tools:
Screw drivers, Wrench set
Parts Used:
11410
Took heater apart and replaced the regulator. Works find now
Did you find this story helpful?
Thank you for voting!

The flame was erratic & unit would shut down.

John from Hopedale , Massachusetts

6 of 6 people found this instruction helpful.
Difficulty Level:
A Bit Difficult
Total Repair Time:
15 - 30 mins
Tools:
Screw drivers, Wrench set
Parts Used:
11410
1. Remove rear cover.
2. Remove 2 small screws holding the regulator bracket/swing (side of unit).
3. Remove the 2 screws holding the propane tube in place.
4. Remove tube & regulator as one.
5. Remove regulator from tube with 1/2 in wrench.
6. Install new regulator to tube & bracket & install.
7. Che ck for leaks & might need yellow Teflon tape/ must be for gas & propane lines (YELLOW)

Did you find this story helpful?
Thank you for voting!

Wouldn\'t stay light

Joel from New Berlin, Wisconsin

5 of 5 people found this instruction helpful.
Difficulty Level:
A Bit Difficult
Total Repair Time:
15 - 30 mins
Tools:
Screw drivers, Wrench set
Parts Used:
11410
Broke down the unit until I was able to get tho the bad regulator, removed it and screwed the new one on
Did you find this story helpful?
Thank you for voting!

Would not stay running, low pressure coming out of regulator.

Dan from Kewaunee, Wisconsin

5 of 5 people found this instruction helpful.
Difficulty Level:
A Bit Difficult
Total Repair Time:
1- 2 hours
Tools:
Screw drivers, Wrench (Adjustable)
Parts Used:
73433, 11410
Installed new regulator. Works great. Thanks!
Did you find this story helpful?
Thank you for voting!

No LP beyond regulator. All works now. Now I know where to buy my next parts!

Wally from Huntingburg, Indiana

2 of 2 people found this instruction helpful.
Difficulty Level:
Easy
Total Repair Time:
Less than 15 mins
Tools:
Wrench set
Parts Used:
11410
Part fixed Mr. Heater MH9B. New LP regulator fixed the problem!
Did you find this story helpful?
Thank you for voting!

Bad regulator

Johnny from Springville, Tennessee

2 of 2 people found this instruction helpful.
Difficulty Level:
Easy
Total Repair Time:
15 - 30 mins
Tools:
Wrench set
Parts Used:
11410
Just took off the old one and secured the new. Very easy!
Did you find this story helpful?
Thank you for voting!

Threads stripped out were propane bottle screws on

George from WALKER, West Virginia

2 of 2 people found this instruction helpful.
Difficulty Level:
Easy
Total Repair Time:
Less than 15 mins
Tools:
Screw drivers, Wrench set
Parts Used:
11410
Took heater apart took regulator off put new one on
Did you find this story helpful?
Thank you for voting!

Bad regulator

Dolor from BROWNVILLE, Maine

1 person found this instruction helpful.
Difficulty Level:
Easy
Total Repair Time:
15 - 30 mins
Tools:
Pliers, Wrench set
Parts Used:
11410
Removed cover from heater. Then removed bad regulator, replaced with new unit, and presto works like a champ.
Did you find this story helpful?
Thank you for voting!

Heater wont stay on would shut down within a couple of minutes

Anthony from Lonsdale, Minnesota

1 person found this instruction helpful.
Difficulty Level:
Easy
Total Repair Time:
15 - 30 mins
Tools:
Screw drivers, Wrench set
Parts Used:
11410
Simple job to replace the regulator
Did you find this story helpful?
Thank you for voting!

The flat seal looked cracked and dry

Jeremy from Davison, Michigan

0 of 1 people found this instruction helpful.
Difficulty Level:
A Bit Difficult
Total Repair Time:
15 - 30 mins
Tools:
Screw drivers, Wrench set
Parts Used:
11410
Disengage the plastic locking tabs, 4 in total, by pressing them with a long screwdriver while pulling the plastic side away from the heater slightly.
Depress a springy pin holding the carrying handle and remove the plastic side.
Remove a screw, remove the gas line, from the original regulator.
Slide the regulator out fr om under the metal bracket.
Install the new regulator and test for leaks.
This new regulator is NOT identical to what was removed, there\'s no screwdriver hole machined into it.
Line up and reinstall the handle and plastic side. Before snapping into place, make sure the metal front and back panels are tucked inside the plastic side.
Did you find this story helpful?
Thank you for voting!
  • 1
  • 2