See part A-10 in the diagram
Switch Transfer-#79953 62642
Manufactured by:
Generac
ERP Number: ERP16712271
Part Number: 62642
?
Works with your model IT-85L !
Works with your model IT-85L !
Troubleshooting
This part works with the following brands:
Generac
Craftsman
Dynabrade
This part works with the following products:
Part# 62642 replaces these:
62642,
Questions & Answers
?
Our customer Service team is at the ready daily to answer your part and product questions.
Ask a question
Be the first to ask our experts a question about this part!
Ask our Team
We have a dedicated staff with decades of collective experience in helping customers just like you purchase parts to repair their products.
Does this fit my product?
✖
Your Question Has Been Submitted!
Our experts will send you an email as soon as your question has been answered.
Model Cross Reference
This part works with the following models:
ERP Number: ERP16712271
Manufacturer Part Number: 62642
Brand
Model Number
Description
Generac
0007570
Generator
- 0007570 Eps-25-Ts Nat. Gas 2014-11-24 (3035032 - 3035032)
Generac
0041880
Generator
- 0041880 15kw,1ph,1.5,ng.W/Gts Home Dep 2014-11-24 (329917 - 35225869)
Generac
0041881
Generator
- 0041881 Ul 15kw,1ph,1.5l,ng 2001-11-16 (3525740 - 3580780)
Generac
0041890
Generator
- 0041890 15kw,1p,1.5lpv,ho 2014-11-24 (326473 - 3526235)
Generac
0041891
Generator
- 0041891 Ul 15kw,1p,1.5l,lpv 2014-11-24 (3227494 - 3642581)
Generac
0041900
Generator
- 0041900 25kw,1ph,1.5,ng,home 2014-11-24 (328208 - 3505620)
Generac
0041910
Generator
- 0041910 25kw,1p,1.5,lpv,home 2014-11-24 (326511 - 3508199)
Generac
0042840
Generator
- 0042840 15kw,1p,1.5,lpv,home 2014-11-24 (3197454 - 3197454)
Generac
0043680
Generator
- 0043680 10kw,1ph,1.5l.T-Swch 2014-11-24 (3241130 - 3250143)
Generac
0043690
Generator
- 0043690 10kw,1ph,1.5l,t-Swch 2014-11-24 (326521 - 3522572)
Generac
0043700
Generator
- 0043700 20kw,1ph,1.5l,t-Swch 2014-11-24 (330048 - 3251205)
Generac
0043701
Generator
- 0043701 20kw,1ph,1.5l,100a T-Swch 2014-11-24 (3502277 - 3521469)
Generac
0043702
Generator
- 0043702 Ul 20kw, 1ph, 1.5l,100a T-Swch 2001-11-08 (3527562 - 3578986)
Generac
0043710
Generator
- 0043710 20kw,1ph,1.5l.T-Swch 2014-11-24 (320127 - 3251169)
Generac
0043711
Generator
- 0043711 20kw,1ph,1.5l,100a T-Swch 2014-11-24 (3501003 - 3521496)
Generac
0043712
Generator
- 0043712 Ul 20kw, 1ph, 1.5l,100a T-Swch 2001-11-29 (3526237 - 3583758)
Generac
0043720
Generator
- 0043720 4.3l35kw Ddr1p Pp Ts 2014-11-24 (3241291 - 3247802)
Generac
0043730
Generator
- 0043730 4.3l40kw Ddr1p Pp Ts 2014-11-24 (326497 - 3536030)
Generac
0044740
Generator
- 0044740 1.5l 25kw Aco Grdn W/Ts Ng 2014-11-24 (3512885 - 35122889)
Generac
0044750
Generator
- 0044750 1.5l 25kw Aco Grdn W/Ts Lp 2014-11-24 (3512510 - 3539386)
Generac
0047210
Generator
- 0047210 Ul Grdn 15kw Ng/Lpv W/100a Ts 2004-03-12 (3632154 - 3883776)
Generac
0047211
Generator
- 0047211 Ul Grdn 15kw Ng/Lpv W/100a Ts 2004-09-22 (3814796 - 3990046)
Generac
0047230
Generator
- 0047230 Ul Grdn 20kw Ng/Lpv W/100a Ts 2003-11-24 (3649360 - 3813575)
Generac
0047231
Generator
- 0047231 Ul Grdn 20kw Ng/Lpv W/100a Ts 2004-09-23 (3814806 - 3990150)
Generac
0049120
Generator
- 0049120 Ul Centurion 15 Ng W/100a Ts 2003-11-06 (3728589 - 3805892)
Craftsman
113226670
Table Saw
- 10 Inch Direct Drive Saw
Craftsman
113226681
Saw
- Drive Saw
Craftsman
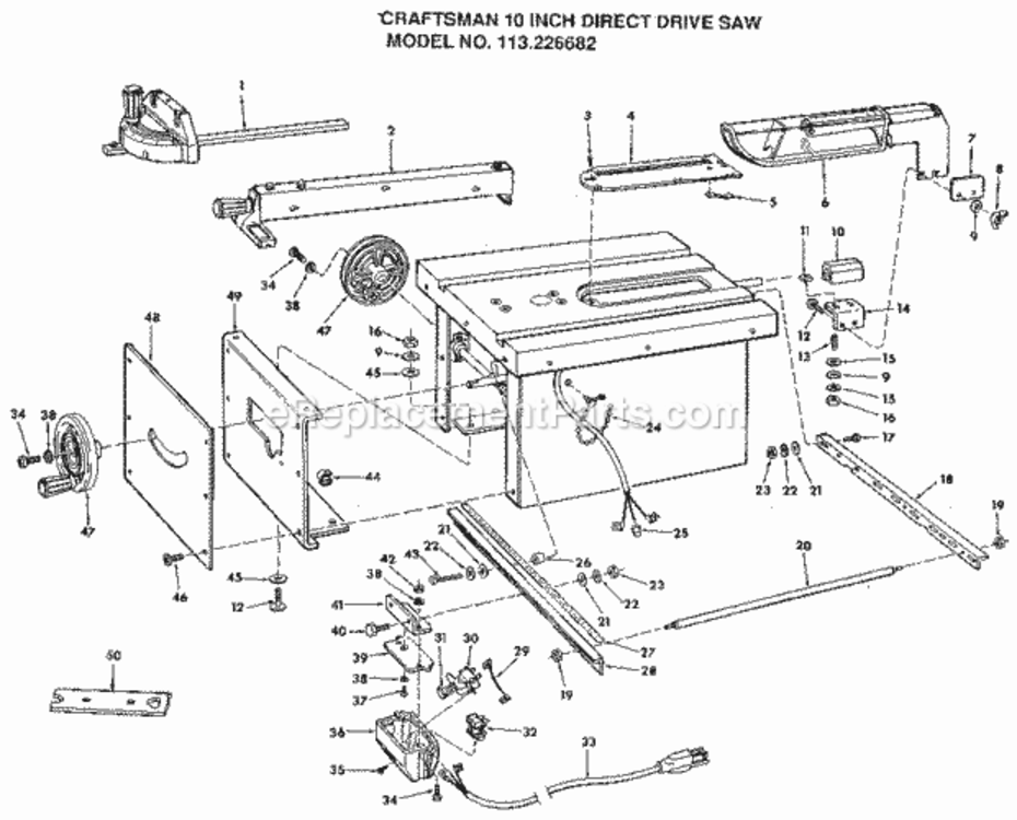
113226682
Table Saw
- Saw
Craftsman
11324190
Power Motor
- Craftsman 9 Inch Motorized Saw
Craftsman
113241920
Jig Saw
- 9-Inch Motorized Saw
✖
Mail-In Recycling Rebate
Some of the parts we sell are eligible for mail-in rebates since we can recycle them. We will display any applicable rebates in your shopping cart. To redeem your rebate, contact Customer Service after you have received your part.
[{"position":0,"name":"Home","title":"Home","url":"/"},{"position":1,"name":"Generator","title":"Generator","url":"/parts/power-tool/generator/"},{"position":2,"name":"Switch","title":"Switch","url":"/parts/power-tool/generator/switches/"},{"position":3,"name":"62642","title":"62642","url":""}]