- This part is in stock in our warehouse and will ship out within 1 business day of the order being placed.
- New stock is on the way! On order parts usually ship within 7 business days.
- Item is not in stock and usually ships 10-15 business days from the time you place your order.
- This item is no longer being made by the manufacturer, and cannot be added to your shopping cart.
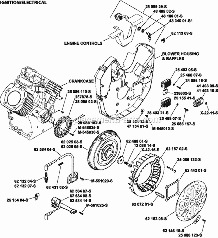
Washer: Internal Tooth 4846802-S
- Manufactured by:
- Kohler
- ERP Number:
- ERP9958286
- Part Number:
- 4846802-S
Does this part fit my model?
Need help finding your model number?Product Description
?Washer, internal tooth
Troubleshooting
- Kohler
- Toro
- Engine
- 48 468 02-S
Questions & Answers
?Our customer Service team is at the ready daily to answer your part and product questions.
We're sorry, but our Q&A experts are temporarily unavailable.
Please check back later if you still haven't found the answer you need.
Ask our Team
We have a dedicated staff with decades of collective experience in helping customers just like you purchase parts to repair their products.
Model Cross Reference
Manufacturer Part Number: 4846802-S
| Brand | Model Number | Description |
|---|---|---|
| Toro | 44538 | Leaf Blower / Vacuum - Toro Leaf Blower Model 44538/SERIAL: 314000001-314999999 (44538/SERIAL:314000001314999999, 44538/SERIAL: 314000001 314999999) Parts |
| Kohler | 55999 | Engine - Gorman Rupp |
| Kohler | 61577 | Engine - Medart |
| Kohler | 62524 | Engine - Pitt Auto |
| Kohler | 62529 | Engine - Gardner Fl |
| Kohler | 62535 | Engine - Waukesha Pearce |
| Kohler | 62548 | Engine - Fuji |
| Kohler | 62559 | Engine - Mauldin |
| Kohler | 62560 | Engine - Spitzer |
| Kohler | 62562 | Engine - Command Pro Twin-Ch Series Engine |
| Kohler | 62568 | Engine - W.J. Connell |
| Kohler | 62575 | Engine - Gardner |
| Kohler | 62581 | Engine - Medart |
| Kohler | 62584 | Engine - Hg Makelim |
| Kohler | 62600 | Engine - Command Pro Twin-Ch Series Engine |
| Kohler | 62602 | Engine - Pitteri Violini |
| Kohler | 62605 | Engine - Medart |
| Kohler | 62608 | Engine - Medart |
| Kohler | 62614 | Engine - Tominaga |
| Kohler | 62624 | Engine - Engines S/West |
| Kohler | 62631 | Engine - Loftin |
| Kohler | 62633 | Engine - Chesapeake |
| Kohler | 62635 | Engine - Mi-T-M |
| Kohler | 62637 | Engine - Graco |
| Kohler | 62639 | Engine - Cpd |
| Kohler | 62645 | Engine - Chesapeake |
| Kohler | 62646 | Engine - Medart |
| Kohler | 62652 | Engine - Dynamic |
| Kohler | 62657 | Engine - Gardner |
| Kohler | 64520 | Engine - Gardner |
Some of the parts we sell are eligible for mail-in rebates since we can recycle them. We will display any applicable rebates in your shopping cart. To redeem your rebate, contact Customer Service after you have received your part.