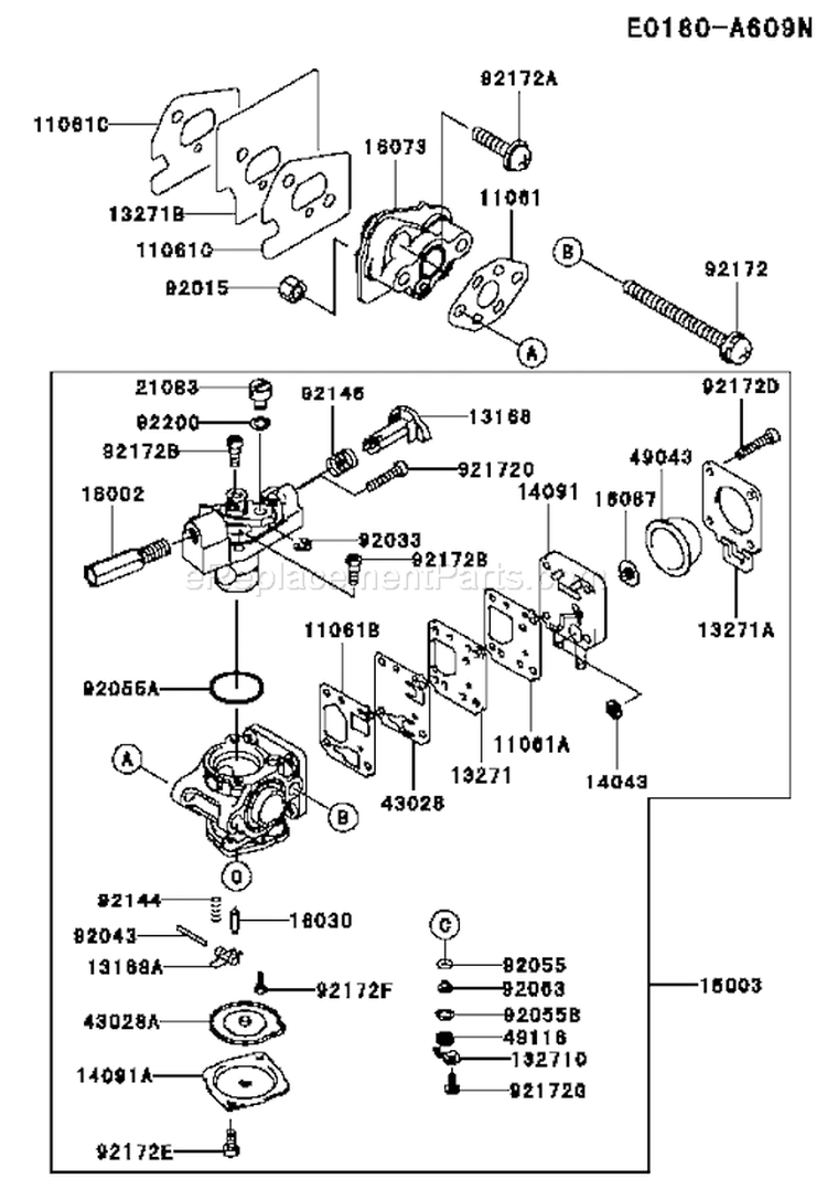
Part Location Diagram of 92144-2009 Kawasaki Spring
See part B-92144 in the diagram
( Grid squares measure 1x1 inch )

Spring 92144-2009

Manufactured by:
Kawasaki
ERP Number:
ERP9159606
Part Number:
92144-2009
Original Equipment Manufacturer ?
  Works with your model  KRB300A!
$5.95
Special Order
  Works with your model   KRB300A!

Troubleshooting

This part works with the following brands:
  • Kawasaki
This part works with the following products:
  • Engine
  • Trimmer

Questions & Answers

?

Our customer Service team is at the ready daily to answer your part and product questions.

We're sorry, but our Q&A experts are temporarily unavailable.
Please check back later if you still haven't found the answer you need.

Ask our Team

We have a dedicated staff with decades of collective experience in helping customers just like you purchase parts to repair their products.

Does this fit my product?