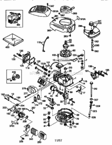
Part Location Diagram of 35801 Craftsman Crankshaft
See part A-30 in the diagram
( Grid squares measure 1x1 inch )

Crankshaft 35801

Manufactured by:
Craftsman
ERP Number:
ERP11954607
Part Number:
35801
Original Equipment Manufacturer ?
  Works with your model  1430966010!
$106.10
Special Order
  Works with your model   1430966010!

Troubleshooting

This part works with the following brands:
  • Craftsman
This part works with the following products:
  • Engine
  • Lawn Mower

Questions & Answers

?

Our customer Service team is at the ready daily to answer your part and product questions.

Be the first to ask our experts a question about this part!

Ask our Team

We have a dedicated staff with decades of collective experience in helping customers just like you purchase parts to repair their products.

Does this fit my product?

Model Cross Reference

This part works with the following models:
ERP Number: ERP11954607
Manufacturer Part Number: 35801
Brand Model Number Description
Craftsman 143006002 Engine - Engine
Craftsman 143006202 Engine - Engine
Craftsman 1430966010 Engine - Engine
Craftsman 143404052 Engine - 4-Cycle Engine
Craftsman 143404092 Engine - 4-Cycle Engine
Craftsman 143404132 Engine - Craftsman 4-Cycle Engine
Craftsman 143404152 Engine - Craftsman 4-Cycle Engine
Craftsman 143404162 Engine - Craftsman 4-Cycle Engine
Craftsman 143404232 Engine - 4-Cycle Engine
Craftsman 143404282 Engine - Craftsman 4-Cycle Engine
Craftsman 143404372 Engine - 4-Cycle Engine
Craftsman 143404382 Engine - 4-Cycle Engine
Craftsman 143404402 Engine - 4-Cycle Engine
Craftsman 143404482 Engine - 4 Cycle Engine
Craftsman 143414072 Engine - 4 Cycle Engine
Craftsman 143414302 Engine - Engine
Craftsman 143414312 Engine - Engine
Craftsman 143414392 Engine - 4 Cycle Engine
Craftsman 143414402 Engine - 4 Cycle Engine
Craftsman 143414422 Engine - 4 Cycle Engine
Craftsman 143414482 Engine - 4 Cycle Engine
Craftsman 143414572 Engine - 4 Cycle Engine
Craftsman 143414582 Engine - 4 Cycle Engine
Craftsman 143414592 Engine - Engine
Craftsman 143424062 Engine - Engine
Craftsman 143424152 Engine - Engine
Craftsman 143424172 Engine - Engine
Craftsman 143424272 Engine - Engine
Craftsman 143424282 Engine - Engine
Craftsman 143424402 Engine - Engine