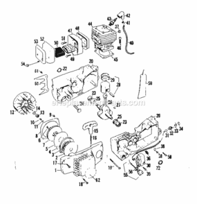
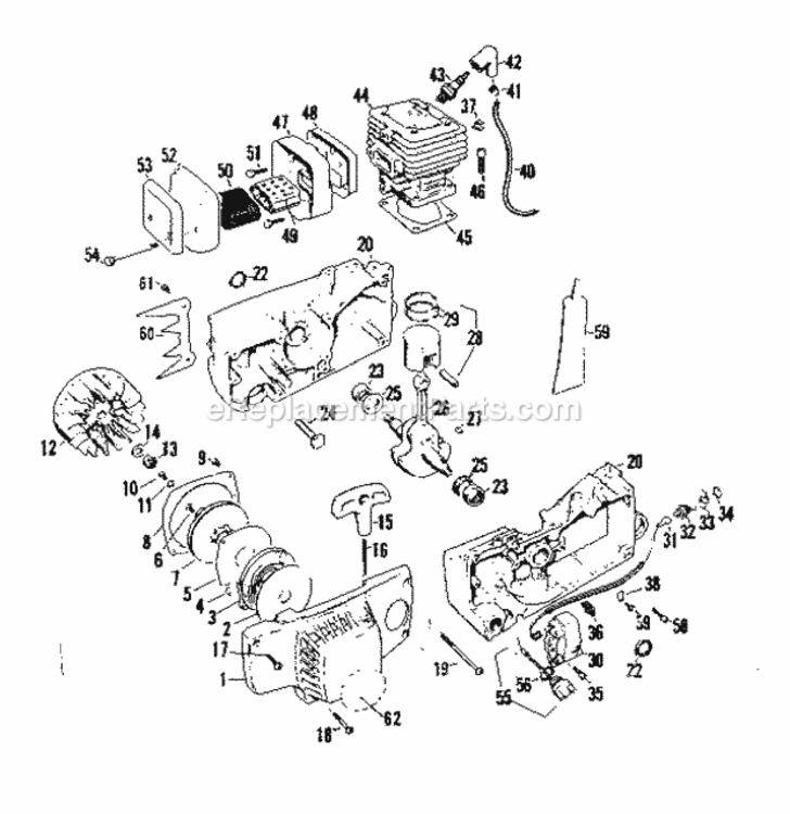
Part Location Diagram of 24392 Ridgid Spring (2)
See part B-53 in the diagram

Spring (2) 24392

Manufactured by:
Ridgid
ERP Number:
ERP10094569
Part Number:
24392
Original Equipment Manufacturer ?
  Works with your model  258XL!
$28.22
Special Order
  Works with your model   258XL!

Troubleshooting

This part works with the following brands:
  • Craftsman
  • Ridgid
This part works with the following products:
  • Engine
  • Generator
Part# 24392 replaces these:
24392,

Questions & Answers

?

Our customer Service team is at the ready daily to answer your part and product questions.

Be the first to ask our experts a question about this part!

Ask our Team

We have a dedicated staff with decades of collective experience in helping customers just like you purchase parts to repair their products.

Does this fit my product?

Model Cross Reference

This part works with the following models:
ERP Number: ERP10094569
Manufacturer Part Number: 24392
Brand Model Number Description
Ridgid 258 Pipe Tools - Pipe Cutter
Ridgid 258XL Pipe Tools - Pipe Cutter
Craftsman 358358850 Chainsaw - Chainsaw
Craftsman 48624320 Tool Stand & Cart - Poly Convertible Cart
Craftsman 486243201 Tool Stand & Cart - Convertible Cart
Craftsman 48624385 Tool Stand & Cart - Utility 10 Poly Convertible Cart
Craftsman 58031055 Engine - Sears Alternator
Craftsman 58031230 Generator - Generator
Craftsman 58031240 Generator - Generator
Craftsman 58031241 Generator - Generator
Craftsman 58031242 Engine - Sears Alternator
Craftsman 58031243 Engine - Sears Alternator
Craftsman 58031246 Engine - Sears Alternator
Craftsman 5803126-5 Engine - Sears Alternator
Craftsman 58031260 Generator - Generator
Craftsman 58031261 Engine - Sears Alternator
Craftsman 58031263 Engine - Sears Alternator
Craftsman 58031266 Engine - Sears Alternator
Craftsman 5803155 Generator - David Bradley Generator
Craftsman 58031552 Engine - Sears Alternator
Craftsman 58031553 Generator - Generator
Craftsman 58031554 Generator - Generator
Craftsman 5803156 Generator - David Bradley Generator
Craftsman 5803156-5 Engine - Sears Alternator
Craftsman 58031561 Engine - Sears Alternator
Craftsman 58031563 Generator - Generator
Craftsman 58031564 Generator - Generator
Craftsman 5803167-4 Engine - Sears Alternator
Craftsman 58031671 Engine - Sears Alternator
Craftsman 58031672 Engine - Sears Alternator