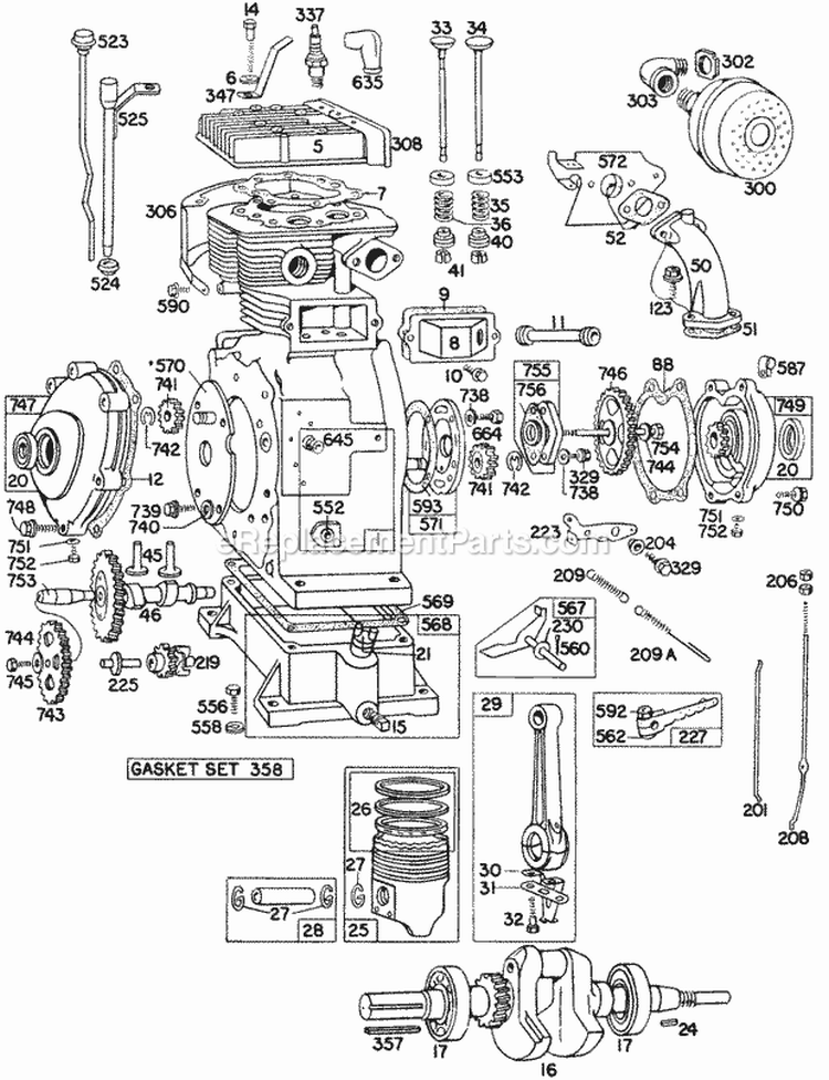
Part Location Diagram of 691797 Briggs and Stratton Cap-Pipe
See part B-16 in the diagram

Cap-Pipe 691797

Manufactured by:
Briggs and Stratton
ERP Number:
ERP9065572
Part Number:
691797
Original Equipment Manufacturer ?
  Works with your model  1691381!
$643.13
Special Order
  Works with your model   1691381!

Troubleshooting

This part works with the following brands:
  • Briggs and Stratton
  • Simplicity
This part works with the following products:
  • Engine
Part# 691797 replaces these:
261218,

Questions & Answers

?

Our customer Service team is at the ready daily to answer your part and product questions.

We're sorry, but our Q&A experts are temporarily unavailable.
Please check back later if you still haven't found the answer you need.

Ask our Team

We have a dedicated staff with decades of collective experience in helping customers just like you purchase parts to repair their products.

Does this fit my product?