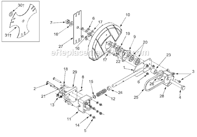
Part Location Diagram of 781-0748-0637 Husky Tri Star Blade
See part C31 in the diagram
( Grid squares measure 1x1 inch )

Tri Star Blade 781-0748-0637

Manufactured by:
Husky
ERP Number:
ERP16435402
Part Number:
781-0748-0637
Original Equipment Manufacturer ?
Special Order

Easy 

15 - 30 mins 

(6 rated repairs) ?

Does this part fit my model?

Need help finding your model number?

Product Description

?

This is a genuine replacement part sourced directly from the manufacturer. The blade is found on Craftsman edgers. This part is made of metal, and is used to cut through turf to create a clean edge for lawns and flower beds. You will require a wrench when replacing this part. This item is sold individually.

Frequently Purchased Together

?

Troubleshooting

This part works with the following brands:
  • Troy-Bilt
  • Yard Man
  • MTD
  • Yard Machines
  • Bolens
  • Husky
This part works with the following products:
  • Edger
  • Trimmer
Part# 781-0748-0637 replaces these:
  • 781-0748
  • 781-0748-0637

Customer Part Reviews

?
4.8
Average Rating (out of 5):
★★★★★
★★★★★
(9 Reviews)
Click to filter by ratings:
  • 5 stars
    7
  • 4 stars
    2
  • 3 stars
    0
  • 2 stars
    0
  • 1 star
    0
  • 1
Sort by:  
Sorry, we couldn't find any existing reviews that matched. Try using some different or simpler keywords.

Questions & Answers

?

Our customer Service team is at the ready daily to answer your part and product questions.

We're sorry, but our Q&A experts are temporarily unavailable.
Please check back later if you still haven't found the answer you need.

Ask our Team

We have a dedicated staff with decades of collective experience in helping customers just like you purchase parts to repair their products.

Does this fit my product?

Customer Repair Instructions

All our customer repair instructions are solicited directly from other customers just like you who have purchased and replaced this exact part.

Easy 

15 - 30 mins 

(6 rated repairs) ?
  • 1
Sort by:  
Sorry, we couldn't find any existing installation instruction that matched.

Blade needed to be replaced

Elinda from PALMDALE, California

4 of 4 people found this instruction helpful.
Difficulty Level:
Easy
Total Repair Time:
15 - 30 mins
Tools:
Socket set
Parts Used:
781-0748-0637
Removed the blade nut and removed the old blade, installed the new blade and tightened the blade nut.
Did you find this story helpful?
Thank you for voting!

Belt broke and blade shaft bearings wore

Alan from Janesville, Wisconsin

3 of 3 people found this instruction helpful.
Difficulty Level:
A Bit Difficult
Total Repair Time:
30 - 60 mins
Tools:
Screw drivers, Socket set, Wrench (Adjustable), Wrench set
1. Loosen idler pulley
2. Pull belt on
3. Re-tighten idler
4. Replace guard
Did you find this story helpful?
Thank you for voting!

V-belt broken, worn out edged blade

chris from troy, Michigan

2 of 2 people found this instruction helpful.
Difficulty Level:
Easy
Total Repair Time:
Less than 15 mins
Tools:
Socket set, Wrench set
Parts Used:
781-0748-0637, 954-0142
V-belt, removed bolts on belt cover replaced belt re-assembled cover tightened bolts.

Edger blade, remove holding nut with wrench, replaced old blade with new one. Assembled
fastening bolt.
Did you find this story helpful?
Thank you for voting!

Edger blade was worn down.

James from Macon, Georgia

0 of 1 people found this instruction helpful.
Difficulty Level:
Easy
Total Repair Time:
Less than 15 mins
Tools:
Wrench (Adjustable), Wrench set
Parts Used:
781-0748-0637
Removed the spindle nut and the old blade
Replaced edger blade with new blade, and tightened the nut.
Did you find this story helpful?
Thank you for voting!

Worn

Frank from Rosharon, Texas

0 of 1 people found this instruction helpful.
Difficulty Level:
Easy
Total Repair Time:
15 - 30 mins
Tools:
Socket set, Wrench set
Parts Used:
781-0748-0637
Removed old blade
Replaced new blade
Did you find this story helpful?
Thank you for voting!

wore out

ERNEST from ANDERSON, South Carolina

0 of 1 people found this instruction helpful.
Difficulty Level:
Easy
Total Repair Time:
Less than 15 mins
Tools:
Wrench set
Parts Used:
781-0748-0637
easley
Did you find this story helpful?
Thank you for voting!
  • 1

Model Cross Reference

This part works with the following models:
ERP Number: ERP16435402
Manufacturer Part Number: 781-0748-0637
Brand Model Number Description
Troy-Bilt 25A-52MH766 Edger - 25a-52mh766 Tb 500 (2021)
MTD 25A-550A129 Trimmer - Trimmer
Bolens 25A-550A163 Edger - Edger
Bolens 25A-550A765 Edger - Edger
Yard Man 25A-551B401 Edger - Edger
Yard Man 25A-552A701 Edger - Edger
Troy-Bilt 25A-553F063 Edger - Edger
Husky 25A-554L731 Edger - Trimmer
Troy-Bilt 25A-554L766 Edger - 4.5HP Edger
Troy-Bilt 25A-55BLB66 Edger - Edger
Troy-Bilt 25A-55SD766 Edger - 25a-55sd766 Tb 550 (2021)
Troy-Bilt 25A-55T4B66 Edger - Edger
Yard Man 25A-564A401 Edger - Edger
MTD 25A-580A022 Edger - Edger
Yard Man 25A-580A062 Trimmer - Trimmer
Troy-Bilt 25A-592A063 Edger - 3.75HP Edger
MTD 25A-592A190 Edger - Edger
Yard Man 25A-592A401 Edger - Edger
Yard Machines 25B-520J000 Trimmer - Walk Behind Trimmer
MTD 25B-520J029 Trimmer - Walk Behind Trimmer
MTD 25B-520K200 Trimmer - Walk Behind Trimmer
Yard Machines 25B-52J1700 Edger - Edger
Yard Machines 25B-52MH700 Edger - Edger
Bolens 25B-550A765 Edger - Edger
MTD 25B-551A729 Edger - Gas Lawn Edger
Troy-Bilt 25B-554D711 Edger - Gas Lawn Edger
Troy-Bilt 25B-554D766 Edger - Edger
Troy-Bilt 25B-554E011 Edger - Edger
Troy-Bilt 25B-554E066 Edger - Edger
Yard Man 25B-554F201 Edger - Edger