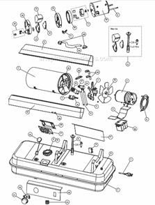
Part Location Diagram of 22142 Mr Heater Igniter Assembly
See part A-36 in the diagram
Replacing your Mr Heater Construction Heater Igniter Assembly
( Grid squares measure 1x1 inch )

Igniter Assembly 22142

Manufactured by:
Mr Heater
ERP Number:
ERP12044857
Part Number:
22142
Original Equipment Manufacturer ?
Special Order

Easy 

30 - 60 mins 

(3 rated repairs) ?

Does this part fit my model?

Need help finding your model number?

Frequently Purchased Together

?

Troubleshooting

This part works with the following brands:
  • Mr Heater
  • Heatstar
This part works with the following products:
  • Construction Heater
  • Heater

Videos For installing this part.

?
Replacing your Igniter Assembly

Customer Part Reviews

?
5.0
Average Rating (out of 5):
★★★★★
★★★★★
(1 Review)
Click to filter by ratings:
  • 5 stars
    1
  • 4 stars
    0
  • 3 stars
    0
  • 2 stars
    0
  • 1 star
    0
  • 1
Sort by:  
Sorry, we couldn't find any existing reviews that matched. Try using some different or simpler keywords.

Questions & Answers

?

Our customer Service team is at the ready daily to answer your part and product questions.

Be the first to ask our experts a question about this part!

Ask our Team

We have a dedicated staff with decades of collective experience in helping customers just like you purchase parts to repair their products.

Does this fit my product?

Customer Repair Instructions

All our customer repair instructions are solicited directly from other customers just like you who have purchased and replaced this exact part.

Easy 

30 - 60 mins 

(3 rated repairs) ?
  • 1
Sort by:  
Sorry, we couldn't find any existing installation instruction that matched.

Intermittent no flame

Darl from Waverly, Kansas

2 of 2 people found this instruction helpful.
Difficulty Level:
Easy
Total Repair Time:
30 - 60 mins
Tools:
Nutdriver, Screw drivers, Socket set, Wrench set
Parts Used:
22142, 21867
Removed top shell of heater, removed fan motor to replace igniter, removed circuit board and wires, replaced fuel lines while I had everything apart, reassembled, tested heater, adjusted fuel pressure, everything works as good as new
Did you find this story helpful?
Thank you for voting!

Heater was flaming out

Davey from Olney, Texas

0 of 1 people found this instruction helpful.
Difficulty Level:
Easy
Total Repair Time:
15 - 30 mins
Tools:
Nutdriver
Parts Used:
22142
Removed fan motor and unbolted igniter from the bottom side of the motor. Replaced igniter and rerouted wires. Easy Fix
Did you find this story helpful?
Thank you for voting!

Had a low power in building and it burn out igniter.

Kristopher from Hixton, Wisconsin

0 of 1 people found this instruction helpful.
Difficulty Level:
Easy
Total Repair Time:
30 - 60 mins
Tools:
Screw drivers, Wrench (Adjustable)
Parts Used:
22142
Replaced with the new.
Did you find this story helpful?
Thank you for voting!
  • 1