Part Location Diagram of 1619X01262 Bosch Tool STUD
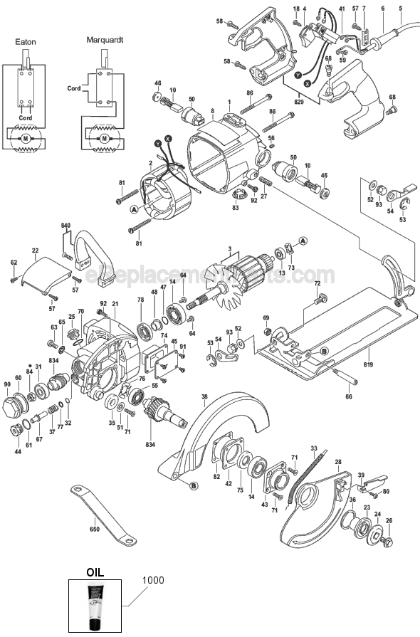
See part 27 in the diagram
( Grid squares measure 1x1 inch )

STUD 1619X01262

Manufactured by:
Bosch Tool
ERP Number:
ERP19507518
Part Number:
1619X01262
Original Equipment Manufacturer ?
In Stock
Delivers in 3-5 Business Days!

A Bit Difficult 

30 - 60 mins 

(1 rated repair) ?

Does this part fit my model?

Need help finding your model number?

Frequently Purchased Together

?

Troubleshooting

This part works with the following brands:
  • Skil
  • Bosch
This part works with the following products:
  • Circular Saw
Part# 1619X01262 replaces these:
1619X01262,

Customer Part Reviews

?
5.0
Average Rating (out of 5):
★★★★★
★★★★★
(3 Reviews)
Click to filter by ratings:
  • 5 stars
    3
  • 4 stars
    0
  • 3 stars
    0
  • 2 stars
    0
  • 1 star
    0
  • 1
Sort by:  
Sorry, we couldn't find any existing reviews that matched. Try using some different or simpler keywords.

Questions & Answers

?

Our customer Service team is at the ready daily to answer your part and product questions.

Be the first to ask our experts a question about this part!

Ask our Team

We have a dedicated staff with decades of collective experience in helping customers just like you purchase parts to repair their products.

Does this fit my product?

Customer Repair Instructions

All our customer repair instructions are solicited directly from other customers just like you who have purchased and replaced this exact part.

A Bit Difficult 

30 - 60 mins 

(1 rated repair) ?
  • 1
Sort by:  
Sorry, we couldn't find any existing installation instruction that matched.

Broken motor housing

Mark from Hendersonville, North Carolina

0 of 1 people found this instruction helpful.
Difficulty Level:
A Bit Difficult
Total Repair Time:
30 - 60 mins
Tools:
Pliers, Screw drivers, Socket set
Removed handles,brushes,guards and old housing then installed new parts
Did you find this story helpful?
Thank you for voting!
  • 1

Model Cross Reference

This part works with the following models:
ERP Number: ERP19507518
Manufacturer Part Number: 1619X01262
Brand Model Number Description
Bosch 1677C-100 Circular Saw - Circular Saw
Bosch 1677DC-100 Circular Saw - Circular Saw
Bosch 1677M Circular Saw - 7-1/4" Worm Drive Saw
Bosch 1677MD Circular Saw - Circular Saw
Bosch 1677MDT Circular Saw - Circular Saw
Bosch 1678 Circular Saw - Un-Hd Port. Circular Saw
Bosch 1678A Circular Saw - 7-1/4" Worm Drive Saw
Skil 5825 Circular Saw - TYPE 2 (F0120A) 6-1/2 in. Worm Drive Saw
Skil 5860 Circular Saw - (F01299) 8-1/4 Inch Circular Saw
Skil 5865 Circular Saw - Power Saw
Skil 77 Circular Saw - Circular Hand Saw
Bosch CSW41 Circular Saw - Circular Saw
Skil HD5825 Circular Saw - Circular Hand Saw
Skil HD5860 Circular Saw - 8-1/4 Inch Worm Drive Skilsaw
Skil HD77 Circular Saw - (F012LA) Circular Hand Saw
Skil HD77-72 Circular Saw - 7-1/4 Worm Drive Saw w/Twist Lock
Skil HD7780 Circular Saw - Un-Hd Port. Circular Saw
Skil HD77M Circular Saw - 7 1/4" Magnesium Worm Drive Skilsaw
Skil HD77M-22 Saw - Skil Hd77m-22-(F012hm7702) Parts
Skil HD77M-72 Circular Saw - 7 1/4" Magnesium Worm Drive Skilsaw
Bosch MAG77 Circular Saw - Circular Saw
Skil MAG77-75 Circular Saw - 7-1/4" Skilsaw
Bosch MAG77-77 Circular Saw - Circular Hand Saw
Skil MAG7777 Circular Saw - Circular Hand Saw
Skil MAG77LT Circular Saw - Worm Drive Skilsaw
Skil SHD77 Circular Saw - 7 1/4" Worm Drive Skilsaw
Skil SHD77-02 Saw - Skil Shd77-02 Parts
Skil SHD77-72 Circular Saw - 7-1/4" Skilsaw Worm Drive Skilsaw with Twist Lock
Skil SHD77M Circular Saw - 7 1/4" Magnesium Worm Drive Skilsaw
Skil SHD77M-02 Saw - Skil Shd77m-02 Parts