Part Location Diagram of 080029002074 Ryobi SIDE PROTECTOR
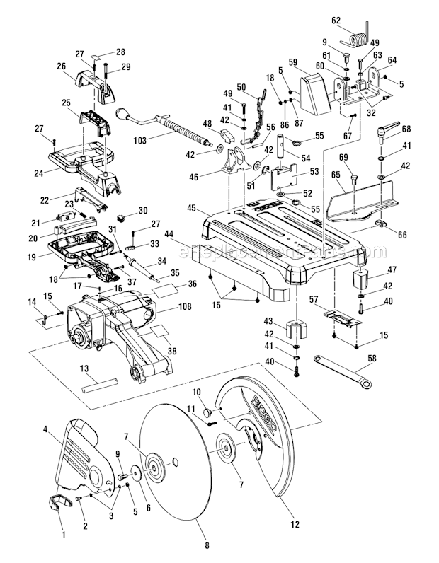
See part A- 44 in the diagram
( Grid squares measure 1x1 inch )

SIDE PROTECTOR 080029002074

Manufactured by:
Ryobi
ERP Number:
ERP18686459
Part Number:
080029002074
Original Equipment Manufacturer ?
  Works with your model  R4141!
$15.21
Special Order
  Works with your model   R4141!

Troubleshooting

This part works with the following brands:
  • Ridgid
This part works with the following products:
  • Chop Saw
Part# 080029002074 replaces these:
080029002074,

Questions & Answers

?

Our customer Service team is at the ready daily to answer your part and product questions.

We're sorry, but our Q&A experts are temporarily unavailable.
Please check back later if you still haven't found the answer you need.

Ask our Team

We have a dedicated staff with decades of collective experience in helping customers just like you purchase parts to repair their products.

Does this fit my product?

Model Cross Reference

This part works with the following models:
ERP Number: ERP18686459
Manufacturer Part Number: 080029002074
Brand Model Number Description
Ridgid R4141 Chop Saw - 14" Abrasive Cut-Off Machine