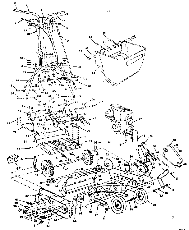
See part 5 in the diagram
EASEL SAMPLER 6005
Manufactured by:
Briggs and Stratton
ERP Number: ERP18569504
Part Number: 6005
?
Works with your model 217586751 !
Works with your model 217586751 !
Troubleshooting
This part works with the following brands:
This part works with the following products:
Part# 6005 replaces these:
6005,
Questions & Answers
?
Our customer Service team is at the ready daily to answer your part and product questions.
Ask a question
We're sorry, but our Q&A experts are temporarily unavailable.
Please check back later if you still haven't found the answer you need.
Ask our Team
We have a dedicated staff with decades of collective experience in helping customers just like you purchase parts to repair their products.
Does this fit my product?
Model Cross Reference
This part works with the following models:
ERP Number: ERP18569504
Manufacturer Part Number: 6005
Brand
Model Number
Description
Craftsman
217585750
Chainsaw
- Outboard Motor 7.5 H.p.
Craftsman
217585751
Chainsaw
- 7.5 H.p. Outboard Motor
Craftsman
217585830
Chainsaw
- 7.5 H.p. Outboard Motor
Craftsman
217585831
Chainsaw
- 7.5 H.p. Outboard Motor
Craftsman
217585840
Chainsaw
- Outboard Motor
Craftsman
217585841
Chainsaw
- Sears 7.5 H.p. Outboard Motor
Craftsman
217585930
Chainsaw
- 7.5 H.p. Outboard Motor
Craftsman
217585931
Chainsaw
- 7.5 H.p. Outboard Motor
Craftsman
217585932
Cultivator
- Outboard Motor
Craftsman
217585940
Chainsaw
- 7.5 H.p. Outboard Motor
Craftsman
217586610
Chainsaw
- Outboard Motor 5.0
Craftsman
217586611
Chainsaw
- 5.0. Hp Outboard Motor
Craftsman
217586612
Chainsaw
- Outboard Motor
Craftsman
217586613
Chainsaw
- Outboard Motor
Craftsman
217586614
Chainsaw
- Outboard Motor
Craftsman
217586750
Chainsaw
- Outboard Motor 5.0 & 7.5 H.p.
Craftsman
217586751
Chainsaw
- 7.5 H.p. Outboard Motor
Craftsman
217586752
Cultivator
- Outboard Motor
Craftsman
217586753
Chainsaw
- Outboard Motor
Craftsman
217586754
Chainsaw
- Outboard Motor
Craftsman
328375100
Lawn Mower
- Craftsman 17 In. Power Reel Mower
Craftsman
328375102
Lawn Mower
- Front Throw Reel Mower
Craftsman
328375103
Lawn Mower
- Reel Mower
Craftsman
328375104
Lawn Mower
- Front Throw Reel Mower
Craftsman
328915303
Lawn Mower
- Craftsman 17" Power Reel Mower
✖
Mail-In Recycling Rebate
Some of the parts we sell are eligible for mail-in rebates since we can recycle them. We will display any applicable rebates in your shopping cart. To redeem your rebate, contact Customer Service after you have received your part.
[{"position":0,"name":"Home","title":"Home","url":"/"},{"position":1,"name":"6005","title":"6005","url":""}]