Our customer service team are at the ready daily to answer your part and product questions. We have a dedicated staff with decades of collective experience in helping customers just like you purchase parts to repair their products.
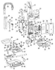
Royal Pro Series Clean Seeker Vacuum Upright Vacuum Replacement Parts For Model UR30085
We Sell Only Genuine Royal Parts
Popular Parts for UR30085
In Stock
$5.97
In Stock
$18.97
In Stock
$9.89
Search Within Model
Browse all Parts
Search by Area
Previous
Showing All Parts
Next
Page A
✖
✖