Craftsman Parts

Craftsman Table Saw Replacement Parts For Model 113298762

We Sell Only Genuine Craftsman Parts

Popular Parts for 113298762

Search Within Model

Questions & Answers for Craftsman 113298762
Browse all Parts Search by Area
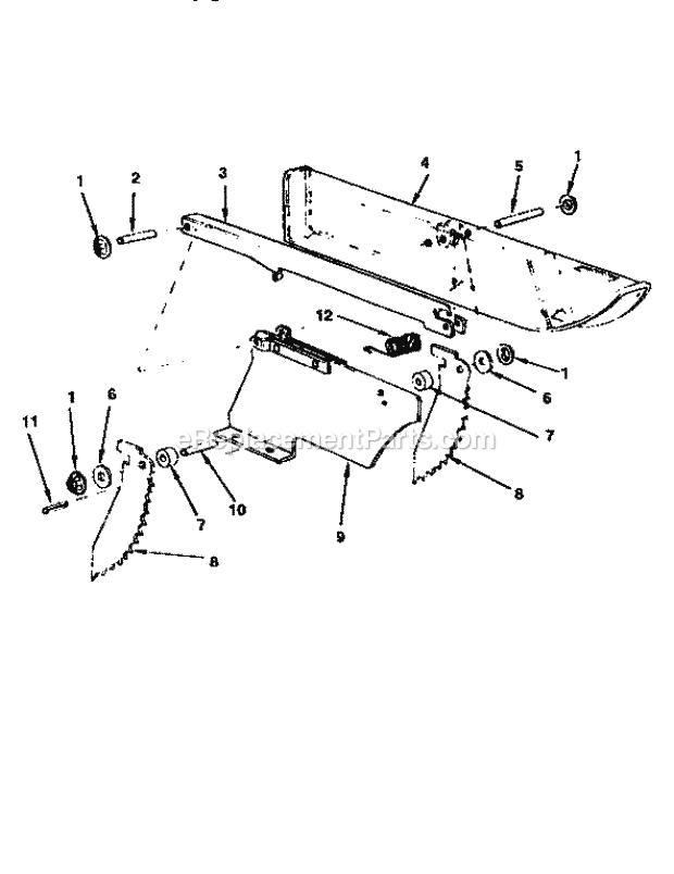
Guard Assembly Diagram and Parts List for  Craftsman Table Saw
Guard Assembly
Leg Set Diagram and Parts List for  Craftsman Table Saw
Leg Set
Miter Gauge Assembly Diagram and Parts List for  Craftsman Table Saw
Miter Gauge Assembly
On-Off Power Outlet Diagram and Parts List for  Craftsman Table Saw
On-Off Power Outlet
Page B Diagram and Parts List for  Craftsman Table Saw
Page B
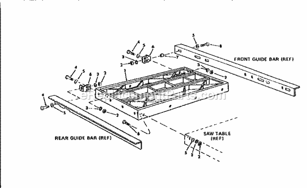
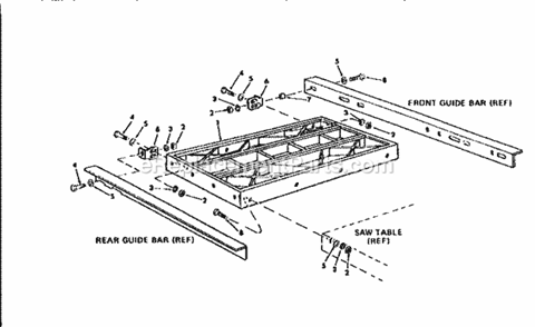
Rip Fence Assembly Diagram and Parts List for  Craftsman Table Saw
Rip Fence Assembly
Table Extensions Diagram and Parts List for  Craftsman Table Saw
Table Extensions
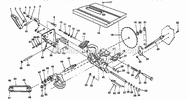
Table Saw Assembly Diagram and Parts List for  Craftsman Table Saw
Table Saw Assembly
Previous Showing All Parts Next
Guard Assembly
Guard Assembly Diagram and Parts List for  Craftsman Table Saw
  • G-1
    Nut Push – Part Number: 60208-D
    Nut Push
    Part Number: 60208-D
      No Longer Available
  • G-2
    Pin Guard – Part Number: 62391
    Pin Guard
    Part Number: 62391
      No Longer Available
  • G-3
    Supprt Guard – Part Number: 62395
    Supprt Guard
    Part Number: 62395
      No Longer Available
  • G-4
    Guard Saw – Part Number: 62389
    Guard Saw
    Part Number: 62389
      No Longer Available
  • G-5
    Pin Guard – Part Number: 62390
    Pin Guard
    Part Number: 62390
      No Longer Available
  • G-6
    Washer 8Pk – Part Number: STD551025
    Washer 8Pk
    Part Number: STD551025
      No Longer Available
  • G-7
    Cord Guard – Part Number: 62520
    Cord Guard
    Part Number: 62520
      No Longer Available
  • G-9
    Blade – Part Number: 62580
    Blade
    Part Number: 62580
      No Longer Available
  • G-10
    Pin – Part Number: 62410
    Pin
    Part Number: 62410
      No Longer Available
  • G-11
    Spring Pin – Part Number: STD571810
    Spring Pin
    Part Number: STD571810
      No Longer Available
Leg Set
Leg Set Diagram and Parts List for  Craftsman Table Saw
  • H-1
    Screw – Part Number: STD522506
    Screw
    Part Number: STD522506
      No Longer Available
  • H-2
    Leg – Part Number: 819441
    Leg
    Part Number: 819441
      No Longer Available
  • H-4
    Washer 8Pk – Part Number: STD551225
    Washer 8Pk
    Part Number: STD551225
      No Longer Available
  • H-5
    Nut 8Pk – Part Number: STD541025
    Nut 8Pk
    Part Number: STD541025
      No Longer Available
  • H-7
    Nut 8Pk – Part Number: STD541237
    Nut 8Pk
    Part Number: STD541237
      No Longer Available
  • H-8
    Ft Level 3 – Part Number: 803835-1
    Ft Level 3
    Part Number: 803835-1
      No Longer Available
  • H-9
    Screw 5Pk – Part Number: STD523112
    Screw 5Pk
    Part Number: STD523112
      No Longer Available
  • H-10
    Flat Washer, 8Pk – Part Number: STD551031
    Flat Washer, 8Pk
    Part Number: STD551031
      No Longer Available
  • H-11
    Washer 8Pk – Part Number: STD551231
    Washer 8Pk
    Part Number: STD551231
      Special Order
    $8.97
  • H-12
    Nut 8Pk – Part Number: STD541231
    Nut 8Pk
    Part Number: STD541231
      No Longer Available
Miter Gauge Assembly
Miter Gauge Assembly Diagram and Parts List for  Craftsman Table Saw
On-Off Power Outlet
On-Off Power Outlet Diagram and Parts List for  Craftsman Table Saw
  • C-1
    Cord – Part Number: 508984
    Cord
    Part Number: 508984
      No Longer Available
  • C-3
    Switch Keys – Part Number: 22255
    Switch Keys
    Part Number: 22255
      No Longer Available
  • C-4
    MUFFLER SUPPORT – Part Number: 60374
    MUFFLER SUPPORT
    Part Number: 60374
      Special Order
    $101.17
  • C-5
    Cover Switch – Part Number: 822205
    Cover Switch
    Part Number: 822205
      No Longer Available
  • C-6
    Screw – Part Number: 610120-005
    Screw
    Part Number: 610120-005
      No Longer Available
Page B
Page B Diagram and Parts List for  Craftsman Table Saw
  • B-3
    Pin 5Pk – Part Number: STD571812
    Pin 5Pk
    Part Number: STD571812
      No Longer Available
  • B-4
    Screw 5Pk – Part Number: STD523106
    Screw 5Pk
    Part Number: STD523106
      No Longer Available
  • B-5
    Screw 5Pk – Part Number: STD523110
    Screw 5Pk
    Part Number: STD523110
      No Longer Available
  • B-6
    Washer 8Pk – Part Number: STD551231
    Washer 8Pk
    Part Number: STD551231
      Special Order
    $8.97
  • B-7
    Support Guard – Part Number: 62292
    Support Guard
    Part Number: 62292
      No Longer Available
  • B-8
    Nut 8Pk – Part Number: STD541031
    Nut 8Pk
    Part Number: STD541031
      No Longer Available
  • B-9
    Carriage Bolt – Part Number: STD533107
    Carriage Bolt
    Part Number: STD533107
      No Longer Available
  • B-10
    Screw – Part Number: 60206
    Screw
    Part Number: 60206
      No Longer Available
  • B-11
    Spring – Part Number: 60205
    Spring
    Part Number: 60205
      No Longer Available
  • B-12
    Washer 8Pk – Part Number: STD551037
    Washer 8Pk
    Part Number: STD551037
      No Longer Available
  • B-13
    Washer – Part Number: 90295A170
    Washer
    Part Number: 90295A170
      No Longer Available
  • B-14
    HC SPACER – Part Number: 62295
    HC SPACER
    Part Number: 62295
      Special Order
    $6.16
  • B-17
    Screw – Part Number: 818463
    Screw
    Part Number: 818463
      Special Order
    $4.28
  • B-18
    Blade – Part Number: 9-26805
    Blade
    Part Number: 9-26805
      No Longer Available
  • B-19
    Collar Blade – Part Number: 62498
    Collar Blade
    Part Number: 62498
      No Longer Available
  • B-20
    Nut – Part Number: 6362
    Nut
    Part Number: 6362
      No Longer Available
  • B-21
    HC WRENCH ARBOR – Part Number: 3540
    HC WRENCH ARBOR
    Part Number: 3540
      No Longer Available
  • B-22
    Screw 8Pk – Part Number: STD511103
    Screw 8Pk
    Part Number: STD511103
      No Longer Available
  • B-23
    Handle- Carrying – Part Number: 62698
    Handle- Carrying
    Part Number: 62698
      Special Order
    $17.28
  • B-24
    DIES, RECEDING 2-1/2-3 BSPT J – Part Number: 62437
    DIES, RECEDING 2-1/2-3 BSPT J
    Part Number: 62437
      Special Order
    $203.64
  • B-25
    Hex Lock Nut, 8-pack – Part Number: STD541411
    Hex Lock Nut, 8-pack
    Part Number: STD541411
      No Longer Available
  • B-26
    Collar Stop – Part Number: STD551237
    Collar Stop
    Part Number: STD551237
      No Longer Available
  • B-27
    Gear – Part Number: 16140.00
    Gear
    Part Number: 16140.00
      No Longer Available
  • B-28
    CRANKSHAFT 43) – Part Number: 37899
    CRANKSHAFT 43)
    Part Number: 37899
      Special Order
    $98.94
  • B-29
    Ring 5Pk – Part Number: STD587075
    Ring 5Pk
    Part Number: STD587075
      No Longer Available
  • B-30
    MANUAL SB-62020 – Part Number: 37828
    MANUAL SB-62020
    Part Number: 37828
      Special Order
    $9.29
  • B-31
    RV15YC4 AUTO SPARK PLUG – Part Number: 18
    RV15YC4 AUTO SPARK PLUG
    Part Number: 18
      Special Order
    $6.16
  • B-32
    Oil Seal – Part Number: 37829
    Oil Seal
    Part Number: 37829
      No Longer Available
  • B-33
    E-Ring 5Pk – Part Number: STD581062
    E-Ring 5Pk
    Part Number: STD581062
      No Longer Available
  • B-34
    Engine Shroud – Part Number: 37838
    Engine Shroud
    Part Number: 37838
      No Longer Available
  • B-35
    Spring Washer – Part Number: 41711
    Spring Washer
    Part Number: 41711
      No Longer Available
  • B-36
    O-ring 8Pk – Part Number: STD302111
    O-ring 8Pk
    Part Number: STD302111
      No Longer Available
  • B-39
    Screw 8Pk – Part Number: STD601103
    Screw 8Pk
    Part Number: STD601103
      No Longer Available
  • B-40
    Washer 8Pk – Part Number: STD551210
    Washer 8Pk
    Part Number: STD551210
      No Longer Available
  • B-41
    Cradle – Part Number: 819442
    Cradle
    Part Number: 819442
      No Longer Available
  • B-42
    Washer – Part Number: 30767
    Washer
    Part Number: 30767
      No Longer Available
  • B-43
    Table Saw Arbor And Bearing Assembly – Part Number: 508511
    Table Saw Arbor And Bearing Assembly
    Part Number: 508511
      No Longer Available
  • B-44
    Key 2Pk – Part Number: STD580025
    Key 2Pk
    Part Number: STD580025
      No Longer Available
  • B-45
    Housing – Part Number: 508123
    Housing
    Part Number: 508123
      No Longer Available
  • B-46
    Bearing – Part Number: 3509
    Bearing
    Part Number: 3509
      No Longer Available
  • B-47
    Ring 2Pk – Part Number: STD590062
    Ring 2Pk
    Part Number: STD590062
      No Longer Available
  • B-48
    Pulley – Part Number: 818524
    Pulley
    Part Number: 818524
      No Longer Available
  • B-48A
    Table Saw Pulley – Part Number: STD328022
    Table Saw Pulley
    Part Number: STD328022
      No Longer Available
  • B-49
    Screw 2Pk – Part Number: STD503103
    Screw 2Pk
    Part Number: STD503103
      No Longer Available
  • B-50
    Belt – Part Number: 818523
    Belt
    Part Number: 818523
      No Longer Available
  • B-50A
    Belt – Part Number: STD304410
    Belt
    Part Number: STD304410
      No Longer Available
  • B-51
    Pulley – Part Number: 818524
    Pulley
    Part Number: 818524
      No Longer Available
  • B-52
    E Ring – Part Number: STD581037
    E Ring
    Part Number: STD581037
      No Longer Available
  • B-53
    Blower Housing – Part Number: 37823
    Blower Housing
    Part Number: 37823
      Special Order
    $24.19
  • B-54
    Mtg Plate – Part Number: 979929-001
    Mtg Plate
    Part Number: 979929-001
      No Longer Available
  • B-57
    Arm Screw – Part Number: 30628
    Arm Screw
    Part Number: 30628
      No Longer Available
  • B-59
    Washer 8Pk – Part Number: STD551025
    Washer 8Pk
    Part Number: STD551025
      No Longer Available
  • B-60
    Spacer – Part Number: 818528
    Spacer
    Part Number: 818528
      No Longer Available
  • B-61
    HEPA FILTER – Part Number: 62585
    HEPA FILTER
    Part Number: 62585
      Special Order
    $682.91
  • B-63
    Ring Retain – Part Number: STD585075
    Ring Retain
    Part Number: STD585075
      No Longer Available
Rip Fence Assembly
Rip Fence Assembly Diagram and Parts List for  Craftsman Table Saw
Table Extensions
Table Extensions Diagram and Parts List for  Craftsman Table Saw
  • D-1
    Ext Table – Part Number: 980957-001
    Ext Table
    Part Number: 980957-001
      No Longer Available
  • D-2
    Nut 8Pk – Part Number: STD541231
    Nut 8Pk
    Part Number: STD541231
      No Longer Available
  • D-3
    Washer 8Pk – Part Number: STD551231
    Washer 8Pk
    Part Number: STD551231
      Special Order
    $8.97
  • D-4
    Screw 5Pk – Part Number: STD523107
    Screw 5Pk
    Part Number: STD523107
      No Longer Available
  • D-5
    Flat Washer, 8Pk – Part Number: STD551031
    Flat Washer, 8Pk
    Part Number: STD551031
      No Longer Available
  • D-7
    LOWER PNL COVER – Part Number: 62539
    LOWER PNL COVER
    Part Number: 62539
      Special Order
    $42.61
  • D-8
    Screw 5Pk – Part Number: STD523112
    Screw 5Pk
    Part Number: STD523112
      No Longer Available
Table Saw Assembly
Table Saw Assembly Diagram and Parts List for  Craftsman Table Saw
  • A-2
    Screw – Part Number: STD522506
    Screw
    Part Number: STD522506
      No Longer Available
  • A-3
    Washer 8Pk – Part Number: STD551225
    Washer 8Pk
    Part Number: STD551225
      No Longer Available
  • A-4
    Nut 8Pk – Part Number: STD541025
    Nut 8Pk
    Part Number: STD541025
      No Longer Available
  • A-6
    Bar Fence – Part Number: 818315
    Bar Fence
    Part Number: 818315
      No Longer Available
  • A-7
    Screw 5Pk – Part Number: STD523110
    Screw 5Pk
    Part Number: STD523110
      No Longer Available
  • A-8
    Washer 8Pk – Part Number: STD551231
    Washer 8Pk
    Part Number: STD551231
      Special Order
    $8.97
  • A-9
    Nut 8Pk – Part Number: STD541231
    Nut 8Pk
    Part Number: STD541231
      No Longer Available
  • A-10
    LUG SLDLSS #6-3/0X11/32 AL/CU – Part Number: 62703
    LUG SLDLSS #6-3/0X11/32 AL/CU
    Part Number: 62703
      Special Order
    $49.03
  • A-11
    VAC, RED 14 GAL WET/DRY RT1400 – Part Number: 62718
    VAC, RED 14 GAL WET/DRY RT1400
    Part Number: 62718
      Special Order
    $354.13
  • A-12
    Screw 5Pk – Part Number: STD501102
    Screw 5Pk
    Part Number: STD501102
      No Longer Available
  • A-13
    Screw – Part Number: 447441
    Screw
    Part Number: 447441
      No Longer Available
  • A-15
    Extension, Table – Part Number: 979875-001
    Extension, Table
    Part Number: 979875-001
      No Longer Available
  • A-17
    Tape Fence – Part Number: 818314
    Tape Fence
    Part Number: 818314
      No Longer Available
  • A-21
    LOWER PNL COVER – Part Number: 62539
    LOWER PNL COVER
    Part Number: 62539
      Special Order
    $42.61
  • A-22
    Screw 5Pk – Part Number: STD523115
    Screw 5Pk
    Part Number: STD523115
      No Longer Available
  • A-24
    Flat Washer, 8Pk – Part Number: STD551031
    Flat Washer, 8Pk
    Part Number: STD551031
      No Longer Available
  • A-25
    Screw 5Pk – Part Number: STD523107
    Screw 5Pk
    Part Number: STD523107
      No Longer Available
  • A-25A
    Screw 5Pk – Part Number: STD523106
    Screw 5Pk
    Part Number: STD523106
      No Longer Available
  • A-26
    Wheel Hand – Part Number: 818526
    Wheel Hand
    Part Number: 818526
      No Longer Available
  • A-26A
    Wheel Hand – Part Number: 818526
    Wheel Hand
    Part Number: 818526
      No Longer Available
  • A-27
    Screw 2Pk – Part Number: STD503103
    Screw 2Pk
    Part Number: STD503103
      No Longer Available
  • A-28
    Thread-forming Screw, 8-pack – Part Number: STD610805
    Thread-forming Screw, 8-pack
    Part Number: STD610805
      No Longer Available
  • A-30
    Panel, Front – Part Number: 823390
    Panel, Front
    Part Number: 823390
      No Longer Available
  • A-30A
    Panel Front – Part Number: 819435
    Panel Front
    Part Number: 819435
      No Longer Available
  • A-31
    Screw 8Pk – Part Number: STD601103
    Screw 8Pk
    Part Number: STD601103
      No Longer Available
  • A-34
    Collar Stop – Part Number: STD551237
    Collar Stop
    Part Number: STD551237
      No Longer Available
  • A-35
    HC TIE WIRE – Part Number: 71165
    HC TIE WIRE
    Part Number: 71165
      On Order
    $6.16
  • A-36
    Screw 8Pk – Part Number: STD601103
    Screw 8Pk
    Part Number: STD601103
      No Longer Available
  • A-37
    Hex Lock Nut, 8-pack – Part Number: STD541411
    Hex Lock Nut, 8-pack
    Part Number: STD541411
      No Longer Available
  • A-38
    Screw 5Pk – Part Number: STD523112
    Screw 5Pk
    Part Number: STD523112
      No Longer Available
  • A-39
    Motor – Part Number: 370200
    Motor
    Part Number: 370200
      No Longer Available
  • A-40
    Brkt Support – Part Number: 60254
    Brkt Support
    Part Number: 60254
      No Longer Available
  • A-41
    Beltguard – Part Number: 60253
    Beltguard
    Part Number: 60253
      No Longer Available
  • A-42
    Screw 8Pk – Part Number: STD601105
    Screw 8Pk
    Part Number: STD601105
      No Longer Available
  • A-43
    S Clip – Part Number: 60255
    S Clip
    Part Number: 60255
      No Longer Available
  • A-44
    MANUAL 8690&8691 – Part Number: 60252
    MANUAL 8690&8691
    Part Number: 60252
      No Longer Available
  • A-45
    Washer Shim – Part Number: 818309
    Washer Shim
    Part Number: 818309
      No Longer Available
  • A-46
    Screw 8Pk – Part Number: STD511107
    Screw 8Pk
    Part Number: STD511107
      No Longer Available
  • A-47
    Washer 8Pk – Part Number: STD551210
    Washer 8Pk
    Part Number: STD551210
      No Longer Available

Questions & Answers

?

Our customer Service team is at the ready daily to answer your part and product questions.

We're sorry, but our Q&A experts are temporarily unavailable.
Please check back later if you still haven't found the answer you need.

Ask our Team

We have a dedicated staff with decades of collective experience in helping customers just like you purchase parts to repair their products.