Craftsman Parts

Craftsman 10-Inch Table Saw Replacement Parts For Model 113298032

We Sell Only Genuine Craftsman Parts

Popular Parts for 113298032

Search Within Model

Questions & Answers for Craftsman 113298032
Browse all Parts Search by Area
Fence Assembly Diagram and Parts List for  Craftsman Table Saw
Fence Assembly
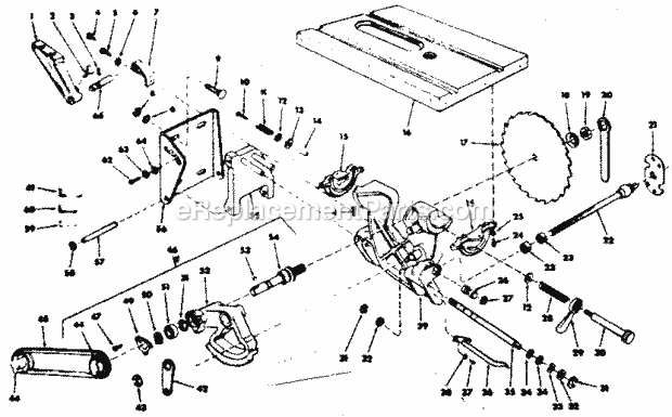
Guard Assembly Diagram and Parts List for  Craftsman Table Saw
Guard Assembly
Leg Set Diagram and Parts List for  Craftsman Table Saw
Leg Set
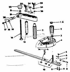
Miter Gauge Assembly Diagram and Parts List for  Craftsman Table Saw
Miter Gauge Assembly
Motor Base Assembly Diagram and Parts List for  Craftsman Table Saw
Motor Base Assembly
Power Outlet Diagram and Parts List for  Craftsman Table Saw
Power Outlet
Table Extension Diagram and Parts List for  Craftsman Table Saw
Table Extension
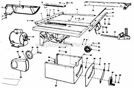
Unit Housing Diagram and Parts List for  Craftsman Table Saw
Unit Housing
Previous Showing All Parts Next
Fence Assembly
Fence Assembly Diagram and Parts List for  Craftsman Table Saw
Guard Assembly
Guard Assembly Diagram and Parts List for  Craftsman Table Saw
  • E-1
    Guard Asm – Part Number: 62579
    Guard Asm
    Part Number: 62579
      No Longer Available
  • E-1A
    Nut Push – Part Number: 60208-D
    Nut Push
    Part Number: 60208-D
      No Longer Available
  • E-2
    Pin Guard – Part Number: 62391
    Pin Guard
    Part Number: 62391
      No Longer Available
  • E-3
    Supprt Guard – Part Number: 62395
    Supprt Guard
    Part Number: 62395
      No Longer Available
  • E-4
    Guard Saw – Part Number: 62389
    Guard Saw
    Part Number: 62389
      No Longer Available
  • E-5
    Pin Guard – Part Number: 62390
    Pin Guard
    Part Number: 62390
      No Longer Available
  • E-6
    Washer 8Pk – Part Number: STD551025
    Washer 8Pk
    Part Number: STD551025
      No Longer Available
  • E-7
    Cord Guard – Part Number: 62520
    Cord Guard
    Part Number: 62520
      No Longer Available
  • E-9
    Table Saw Extension Wing – Part Number: 62590
    Table Saw Extension Wing
    Part Number: 62590
      No Longer Available
  • E-10
    Pin – Part Number: 62410
    Pin
    Part Number: 62410
      No Longer Available
  • E-11
    Spring Pin – Part Number: STD571810
    Spring Pin
    Part Number: STD571810
      No Longer Available
Leg Set
Leg Set Diagram and Parts List for  Craftsman Table Saw
  • G-1
    Screw – Part Number: STD522506
    Screw
    Part Number: STD522506
      No Longer Available
  • G-4
    Washer 8Pk – Part Number: STD551225
    Washer 8Pk
    Part Number: STD551225
      No Longer Available
  • G-5
    Nut 8Pk – Part Number: STD541025
    Nut 8Pk
    Part Number: STD541025
      No Longer Available
  • G-7
    Nut 5Pk – Part Number: STD541250
    Nut 5Pk
    Part Number: STD541250
      No Longer Available
  • G-8
    Ft Level 3 – Part Number: 803835-1
    Ft Level 3
    Part Number: 803835-1
      No Longer Available
  • G-9
    Screw 5Pk – Part Number: STD523112
    Screw 5Pk
    Part Number: STD523112
      No Longer Available
  • G-10
    Flat Washer, 8Pk – Part Number: STD551031
    Flat Washer, 8Pk
    Part Number: STD551031
      No Longer Available
  • G-11
    Lock Washer – Part Number: STD551131
    Lock Washer
    Part Number: STD551131
      No Longer Available
  • G-12
    Nut 8Pk – Part Number: STD541031
    Nut 8Pk
    Part Number: STD541031
      No Longer Available
Miter Gauge Assembly
Miter Gauge Assembly Diagram and Parts List for  Craftsman Table Saw
Motor Base Assembly
Motor Base Assembly Diagram and Parts List for  Craftsman Table Saw
  • B-3
    Pin 5Pk – Part Number: STD571812
    Pin 5Pk
    Part Number: STD571812
      No Longer Available
  • B-4
    Screw 5Pk – Part Number: STD523106
    Screw 5Pk
    Part Number: STD523106
      No Longer Available
  • B-5
    Screw 5Pk – Part Number: STD523110
    Screw 5Pk
    Part Number: STD523110
      No Longer Available
  • B-6
    Washer 8Pk – Part Number: STD551231
    Washer 8Pk
    Part Number: STD551231
      Special Order
    $8.97
  • B-7
    Support Guard – Part Number: 62292
    Support Guard
    Part Number: 62292
      No Longer Available
  • B-8
    Nut 8Pk – Part Number: STD541031
    Nut 8Pk
    Part Number: STD541031
      No Longer Available
  • B-10
    Screw – Part Number: 60206
    Screw
    Part Number: 60206
      No Longer Available
  • B-11
    Screw – Part Number: 60206
    Screw
    Part Number: 60206
      No Longer Available
  • B-12
    Washer 8Pk – Part Number: STD551037
    Washer 8Pk
    Part Number: STD551037
      No Longer Available
  • B-13
    Washer – Part Number: 90295A170
    Washer
    Part Number: 90295A170
      No Longer Available
  • B-17
    Blade – Part Number: 9-26810
    Blade
    Part Number: 9-26810
      No Longer Available
  • B-18
    Collar Blade – Part Number: 62498
    Collar Blade
    Part Number: 62498
      No Longer Available
  • B-19
    Nut – Part Number: 6362
    Nut
    Part Number: 6362
      No Longer Available
  • B-20
    HC WRENCH ARBOR – Part Number: 3540
    HC WRENCH ARBOR
    Part Number: 3540
      No Longer Available
  • B-21
    DIES, RECEDING 2-1/2-3 BSPT J – Part Number: 62437
    DIES, RECEDING 2-1/2-3 BSPT J
    Part Number: 62437
      Special Order
    $203.64
  • B-22
    Handle- Carrying – Part Number: 62698
    Handle- Carrying
    Part Number: 62698
      Special Order
    $17.28
  • B-23
    DIES, 12R 1/8 NPT HS SS – Part Number: 37900
    DIES, 12R 1/8 NPT HS SS
    Part Number: 37900
      Special Order
    $126.48
  • B-24
    Gear – Part Number: 16140.00
    Gear
    Part Number: 16140.00
      No Longer Available
  • B-25
    Collar Stop – Part Number: STD551237
    Collar Stop
    Part Number: STD551237
      No Longer Available
  • B-26
    CRANKSHAFT 43) – Part Number: 37899
    CRANKSHAFT 43)
    Part Number: 37899
      Special Order
    $98.94
  • B-27
    Ring 5Pk – Part Number: STD587075
    Ring 5Pk
    Part Number: STD587075
      No Longer Available
  • B-28
    MANUAL SB-62020 – Part Number: 37828
    MANUAL SB-62020
    Part Number: 37828
      Special Order
    $9.29
  • B-29
    RV15YC4 AUTO SPARK PLUG – Part Number: 18
    RV15YC4 AUTO SPARK PLUG
    Part Number: 18
      Special Order
    $6.16
  • B-30
    Oil Seal – Part Number: 37829
    Oil Seal
    Part Number: 37829
      No Longer Available
  • B-31
    E-Ring 5Pk – Part Number: STD581062
    E-Ring 5Pk
    Part Number: STD581062
      No Longer Available
  • B-32
    Engine Shroud – Part Number: 37838
    Engine Shroud
    Part Number: 37838
      No Longer Available
  • B-33
    Spring Washer – Part Number: 41711
    Spring Washer
    Part Number: 41711
      No Longer Available
  • B-34
    O-ring 8Pk – Part Number: STD302111
    O-ring 8Pk
    Part Number: STD302111
      No Longer Available
  • B-37
    Screw 8Pk – Part Number: STD601103
    Screw 8Pk
    Part Number: STD601103
      No Longer Available
  • B-38
    Washer 8Pk – Part Number: STD551210
    Washer 8Pk
    Part Number: STD551210
      No Longer Available
  • B-39
    Cradle – Part Number: 819442
    Cradle
    Part Number: 819442
      No Longer Available
  • B-43
    Ring Retain – Part Number: STD585075
    Ring Retain
    Part Number: STD585075
      No Longer Available
  • B-44
    Table Saw Pulley – Part Number: STD328022
    Table Saw Pulley
    Part Number: STD328022
      No Longer Available
  • B-45
    Belt – Part Number: STD304410
    Belt
    Part Number: STD304410
      No Longer Available
  • B-47
    Self-Tapping Screw – Part Number: STD600803
    Self-Tapping Screw
    Part Number: STD600803
      No Longer Available
  • B-49
    Retainer – Part Number: 3508
    Retainer
    Part Number: 3508
      No Longer Available
  • B-50
    Ring 2Pk – Part Number: STD590062
    Ring 2Pk
    Part Number: STD590062
      No Longer Available
  • B-51
    Bearing – Part Number: 3509
    Bearing
    Part Number: 3509
      No Longer Available
  • B-52
    Housing – Part Number: 508123
    Housing
    Part Number: 508123
      No Longer Available
  • B-53
    Key 2Pk – Part Number: STD580025
    Key 2Pk
    Part Number: STD580025
      No Longer Available
  • B-54
    Table Saw Arbor And Bearing Assembly – Part Number: 508511
    Table Saw Arbor And Bearing Assembly
    Part Number: 508511
      No Longer Available
  • B-56
    Mtg Plate – Part Number: 979929-001
    Mtg Plate
    Part Number: 979929-001
      No Longer Available
  • B-57
    Blower Housing – Part Number: 37823
    Blower Housing
    Part Number: 37823
      Special Order
    $24.19
  • B-58
    E Ring – Part Number: STD581037
    E Ring
    Part Number: STD581037
      No Longer Available
  • B-59
    3/32 Hex Key – Part Number: 28171
    3/32 Hex Key
    Part Number: 28171
      No Longer Available
  • B-60
    1/8 Hex Key – Part Number: 28172
    1/8 Hex Key
    Part Number: 28172
      No Longer Available
  • B-61
    5/32 Hex Key – Part Number: 28136
    5/32 Hex Key
    Part Number: 28136
      No Longer Available
  • B-62
    Arm Screw – Part Number: 30628
    Arm Screw
    Part Number: 30628
      No Longer Available
  • B-64
    Washer 8Pk – Part Number: STD551025
    Washer 8Pk
    Part Number: STD551025
      No Longer Available
Power Outlet
Power Outlet Diagram and Parts List for  Craftsman Table Saw
  • F-1A
    Cord – Part Number: 508984
    Cord
    Part Number: 508984
      No Longer Available
  • F-3
    Switch Keys – Part Number: 22255
    Switch Keys
    Part Number: 22255
      No Longer Available
  • F-4
    MUFFLER SUPPORT – Part Number: 60374
    MUFFLER SUPPORT
    Part Number: 60374
      Special Order
    $101.17
  • F-5
    Cover Switch – Part Number: 822205
    Cover Switch
    Part Number: 822205
      No Longer Available
  • F-6
    Screw – Part Number: 610120-005
    Screw
    Part Number: 610120-005
      No Longer Available
Table Extension
Table Extension Diagram and Parts List for  Craftsman Table Saw
Unit Housing
Unit Housing Diagram and Parts List for  Craftsman Table Saw

Questions & Answers

?

Our customer Service team is at the ready daily to answer your part and product questions.

We're sorry, but our Q&A experts are temporarily unavailable.
Please check back later if you still haven't found the answer you need.

Ask our Team

We have a dedicated staff with decades of collective experience in helping customers just like you purchase parts to repair their products.