Toro Parts

Toro Snow Blower Replacement Parts For Model 38052

We Sell Only Genuine Toro Parts

Popular Parts for 38052

Search Within Model

Browse all Parts Search by Area
Auger Assembly Diagram and Parts List for 2000001-2999999 - 1992 Toro Snow Blower
Auger Assembly
Carburetor Diagram and Parts List for 2000001-2999999 - 1992 Toro Snow Blower
Carburetor
Drift Breaker Diagram and Parts List for 2000001-2999999 - 1992 Toro Snow Blower
Drift Breaker
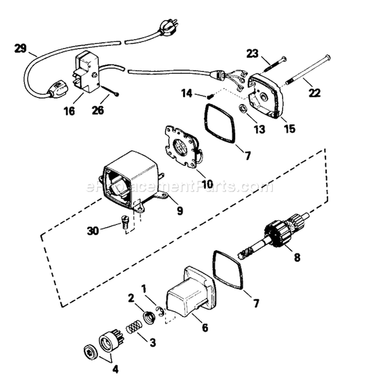
Electric Starter Motor Diagram and Parts List for 2000001-2999999 - 1992 Toro Snow Blower
Electric Starter Motor
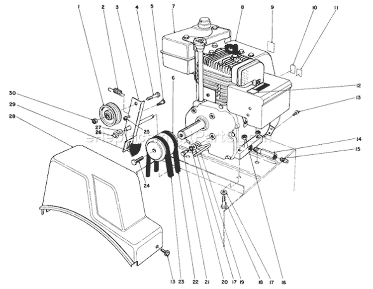
Engine Diagram and Parts List for 2000001-2999999 - 1992 Toro Snow Blower
Engine
Handle Assembly Diagram and Parts List for 2000001-2999999 - 1992 Toro Snow Blower
Handle Assembly
Light Kit Diagram and Parts List for 2000001-2999999 - 1992 Toro Snow Blower
Light Kit
Page F Diagram and Parts List for 2000001-2999999 - 1992 Toro Snow Blower
Page F
Rewind Starter Diagram and Parts List for 2000001-2999999 - 1992 Toro Snow Blower
Rewind Starter
Section 1 Diagram and Parts List for 2000001-2999999 - 1992 Toro Snow Blower
Section 1
Traction Assembly Diagram and Parts List for 2000001-2999999 - 1992 Toro Snow Blower
Traction Assembly
Previous Showing All Parts Next
Auger Assembly
Auger Assembly Diagram and Parts List for 2000001-2999999 - 1992 Toro Snow Blower
Carburetor
Carburetor Diagram and Parts List for 2000001-2999999 - 1992 Toro Snow Blower
Drift Breaker
Drift Breaker Diagram and Parts List for 2000001-2999999 - 1992 Toro Snow Blower
Electric Starter Motor
Electric Starter Motor Diagram and Parts List for 2000001-2999999 - 1992 Toro Snow Blower
Engine
Engine Diagram and Parts List for 2000001-2999999 - 1992 Toro Snow Blower
Handle Assembly
Handle Assembly Diagram and Parts List for 2000001-2999999 - 1992 Toro Snow Blower
Light Kit
Light Kit Diagram and Parts List for 2000001-2999999 - 1992 Toro Snow Blower
Page F
Page F Diagram and Parts List for 2000001-2999999 - 1992 Toro Snow Blower
Rewind Starter
Rewind Starter Diagram and Parts List for 2000001-2999999 - 1992 Toro Snow Blower
Section 1
Section 1 Diagram and Parts List for 2000001-2999999 Toro Snow Blower
Traction Assembly
Traction Assembly Diagram and Parts List for 2000001-2999999 - 1992 Toro Snow Blower