Toro Parts

Toro 521 Snowthrower Snow Blower Replacement Parts For Model 38054 (6900001 - 6999999)

We Sell Only Genuine Toro Parts

Popular Parts for 38054

Search Within Model

Browse all Parts Search by Area
Auger Assembly Diagram and Parts List for 6900001 - 6999999 Toro Snow Blower
Auger Assembly
Carburetor No. 632107a Diagram and Parts List for 6900001 - 6999999 Toro Snow Blower
Carburetor No. 632107a
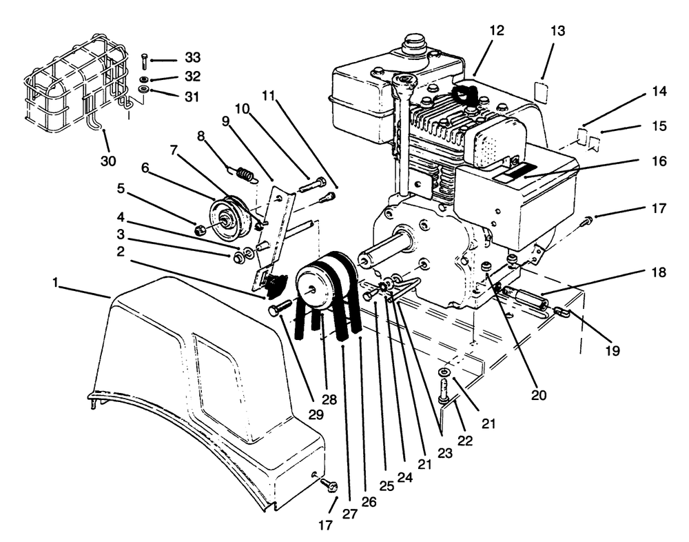
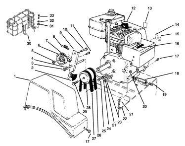
Engine Assembly Diagram and Parts List for 6900001 - 6999999 Toro Snow Blower
Engine Assembly
Engine Tecumseh Model Hssk50-67259p Diagram and Parts List for 6900001 - 6999999 Toro Snow Blower
Engine Tecumseh Model Hssk50-67259p
Handle Assembly Left Side Diagram and Parts List for 6900001 - 6999999 Toro Snow Blower
Handle Assembly Left Side
Handle Assembly Right Side Diagram and Parts List for 6900001 - 6999999 Toro Snow Blower
Handle Assembly Right Side
Rewind Starter No. 590646 Diagram and Parts List for 6900001 - 6999999 Toro Snow Blower
Rewind Starter No. 590646
Rewind Starter No. 590707 Diagram and Parts List for 6900001 - 6999999 Toro Snow Blower
Rewind Starter No. 590707
Starter Motor No. 33290 Diagram and Parts List for 6900001 - 6999999 Toro Snow Blower
Starter Motor No. 33290
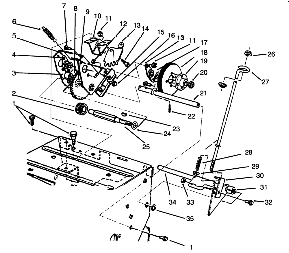
Traction Assembly Diagram and Parts List for 6900001 - 6999999 Toro Snow Blower
Traction Assembly
Traction Assembly (Continued) Diagram and Parts List for 6900001 - 6999999 Toro Snow Blower
Traction Assembly (Continued)
Previous Showing All Parts Next
Auger Assembly
Auger Assembly Diagram and Parts List for 6900001 - 6999999 Toro Snow Blower
Carburetor No. 632107a
Carburetor No. 632107a Diagram and Parts List for 6900001 - 6999999 Toro Snow Blower
Engine Assembly
Engine Assembly Diagram and Parts List for 6900001 - 6999999 Toro Snow Blower
Engine Tecumseh Model Hssk50-67259p
Engine Tecumseh Model Hssk50-67259p Diagram and Parts List for 6900001 - 6999999 Toro Snow Blower
Handle Assembly Left Side
Handle Assembly Left Side Diagram and Parts List for 6900001 - 6999999 Toro Snow Blower
Handle Assembly Right Side
Handle Assembly Right Side Diagram and Parts List for 6900001 - 6999999 Toro Snow Blower
  • Right Handle – Part Number: 52-5560
    Right Handle
    Part Number: 52-5560
      No Longer Available
  • Tie-cable – Part Number: 3290-378
    Tie-cable
    Part Number: 3290-378
      Special Order
    $6.16
  • 1
    Handle-Right – Part Number: 52-5561-03
    Handle-Right
    Part Number: 52-5561-03
      No Longer Available
  • 2
    Link-Upper – Part Number: 52-5590
    Link-Upper
    Part Number: 52-5590
      On Order
    $38.83
  • 3
    Rod-Selector, Speed – Part Number: 39-7570
    Rod-Selector, Speed
    Part Number: 39-7570
      Special Order
    $61.79
  • 4
    Pin-Cotter – Part Number: 3272-4
    Pin-Cotter
    Part Number: 3272-4
      Special Order
    Minimum Quantity of 2 required
    $6.16
  • 5
    Pin-Clevis – Part Number: 283-3
    Pin-Clevis
    Part Number: 283-3
      Special Order
    $6.16
  • 6
    Clevis – Part Number: 39-3080
    Clevis
    Part Number: 39-3080
      Special Order
    $21.73
  • 7
    Nut-Jam – Part Number: 3218-1
    Nut-Jam
    Part Number: 3218-1
      Special Order
    $6.16
  • 8
    Nut-Retained – Part Number: 32115-5
    Nut-Retained
    Part Number: 32115-5
      Special Order
    $11.62
  • 9
    Washer-flat – Part Number: 3256-23
    Washer-flat
    Part Number: 3256-23
    ★★★★★
    ★★★★★
    (3)
      In Stock
    Minimum Quantity of 2 required
    $6.16
  • 10
    Escutcheon Plt B – Part Number: 43-7360
    Escutcheon Plt B
    Part Number: 43-7360
      No Longer Available
  • 11
    Decal Escutcheon – Part Number: 66-6560
    Decal Escutcheon
    Part Number: 66-6560
      No Longer Available
  • 12
    Nut-hf – Part Number: 32128-13
    Nut-hf
    Part Number: 32128-13
      Special Order
    $6.16
  • 13
    Spring – Part Number: 37-9150
    Spring
    Part Number: 37-9150
      Special Order
    $15.52
  • 14
    Spacer – Part Number: 40-8130
    Spacer
    Part Number: 40-8130
      No Longer Available
  • 15
    Screw-carr – Part Number: 3229-11
    Screw-carr
    Part Number: 3229-11
      In Stock
    Minimum Quantity of 2 required
    $6.16
  • 16
    Knob – Part Number: 233-21
    Knob
    Part Number: 233-21
      In Stock
    $20.18
  • 17
    Selector-Speed – Part Number: 37-8820-03
    Selector-Speed
    Part Number: 37-8820-03
      No Longer Available
  • 18
    Screw-hhf – Part Number: 3234-13
    Screw-hhf
    Part Number: 3234-13
      Special Order
    Minimum Quantity of 2 required
    $6.16
  • 19
    Ring-clip – Part Number: 32151-73
    Ring-clip
    Part Number: 32151-73
      In Stock
    $6.16
  • 20
    Washer-flat – Part Number: 3256-24
    Washer-flat
    Part Number: 3256-24
    ★★★★★
    ★★★★★
    (4)
      In Stock
    Minimum Quantity of 2 required
    $6.16
  • 21
    Handle-Control – Part Number: 94-8887-03
    Handle-Control
    Part Number: 94-8887-03
      No Longer Available
  • 22
    Grip-Handle – Part Number: 74-1360
    Grip-Handle
    Part Number: 74-1360
      No Longer Available
  • 23
    Post-mounting, Linkage – Part Number: 47-4990
    Post-mounting, Linkage
    Part Number: 47-4990
      In Stock
    $38.83
  • 24
    Pin-Lever, Control – Part Number: 52-5600
    Pin-Lever, Control
    Part Number: 52-5600
      In Stock
    $40.59
  • 25
    Mount-Selector, Speed – Part Number: 39-1280-03
    Mount-Selector, Speed
    Part Number: 39-1280-03
      No Longer Available
  • 26
    Screw-hh – Part Number: 322-7
    Screw-hh
    Part Number: 322-7
      In Stock
    Minimum Quantity of 2 required
    $6.16
  • 27
    Nut-Hf – Part Number: 32128-33
    Nut-Hf
    Part Number: 32128-33
      In Stock
    $6.16
Rewind Starter No. 590646
Rewind Starter No. 590646 Diagram and Parts List for 6900001 - 6999999 Toro Snow Blower
Rewind Starter No. 590707
Rewind Starter No. 590707 Diagram and Parts List for 6900001 - 6999999 Toro Snow Blower
Starter Motor No. 33290
Starter Motor No. 33290 Diagram and Parts List for 6900001 - 6999999 Toro Snow Blower
Traction Assembly
Traction Assembly Diagram and Parts List for 6900001 - 6999999 Toro Snow Blower
Traction Assembly (Continued)
Traction Assembly (Continued) Diagram and Parts List for 6900001 - 6999999 Toro Snow Blower