Our customer service team are at the ready daily to answer your part and product questions. We have a dedicated staff with decades of collective experience in helping customers just like you purchase parts to repair their products.
Snapper 28" 13.5Gt Two Stage Large Frame Snow Thrower Series 2008 Snow Blower Replacement Parts For Model L1428E (1695328)
We Sell Only Genuine Snapper Parts
Find Snapper L1428E Parts By Symptom
Drive system does not work
100%
Popular Parts for L1428E
On Order
$26.58
In Stock
$14.94
In Stock
Minimum Quantity of 2 required
$6.16
In Stock
$34.85
In Stock
$8.29
In Stock
Minimum Quantity of 2 required
$6.16
In Stock
$7.44
In Stock
$6.55
Search Within Model
Browse all Parts
Search by Area
Previous
Showing All Parts
Next
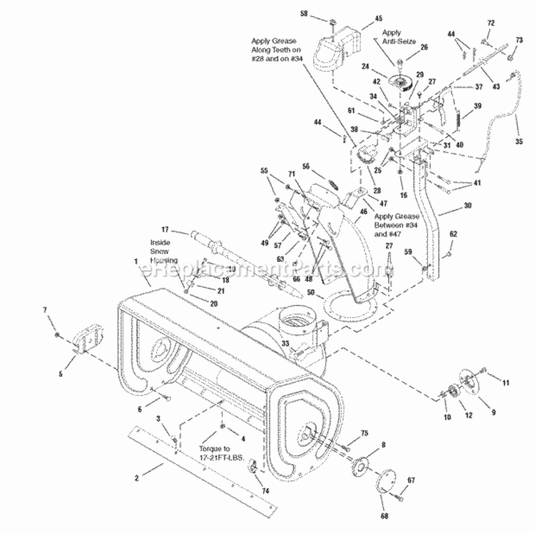
Auger Drive Group
-
A-1
-
A-2
-
A-3
-
A-4
-
A-5
-
A-6
-
A-6
-
A-6
-
A-7
-
A-7
-
A-7
-
A-8
-
A-9
SETSCREW, Square Head, 5/16-18 x 1/2, G8Part Number: 1928721SMIn StockMinimum Quantity of 2 required$7.04 -
A-10
-
A-11
-
A-12
-
A-15
Auger Housing Chute Group
-
B-1
-
B-1
-
B-1
-
B-1
-
B-2
-
B-2
-
B-2
-
B-2
-
B-3
-
B-4
-
B-5
-
B-6
-
B-7
-
B-8
-
B-9
-
B-10
-
B-11
-
B-12
-
B-16
-
B-17
-
B-18
-
B-19
-
B-20
-
B-21
-
B-22
-
B-22
-
B-23
-
B-24
-
B-25
-
B-26
-
B-27
Lawn Mower Screw Hex Washer Head Trilob 1/420 X 1/2Part Number: 704130In StockMinimum Quantity of 2 required$6.16 -
B-28
-
B-29
-
B-30
-
B-31
-
B-33
-
B-34
-
B-35
-
B-37
-
B-38
-
B-39
-
B-40
-
B-41
-
B-42
-
B-43
-
B-44
-
B-45
-
B-46
-
B-47
-
B-48
-
B-49
-
B-50
-
B-55
-
B-56
-
B-57
-
B-58
-
B-59
-
B-61
-
B-62
-
B-63
-
B-66
-
B-67
-
B-68
-
B-71
-
B-72
-
B-74
-
B-79
Decals Group
Engine Group
-
D-2
-
D-3
-
D-3
-
D-4
Screw, #10-24 X 1/2" Hex Washer Self-Tap (Torx)Part Number: 704060On OrderMinimum Quantity of 2 required$6.16 -
D-5
-
D-6
-
D-7
-
D-7
-
D-8
-
D-9
-
D-9
-
D-10
-
D-11
Capscrew, Hex Head 3/16-24 X 1-1/4 G8Part Number: 703299Special OrderMinimum Quantity of 2 required$7.44 -
D-11
-
D-12
-
D-13
-
D-13
-
D-14
-
D-15
-
D-16
-
D-17
-
D-18
-
D-19
-
D-20
-
D-21
-
D-22
-
D-23
-
D-23
-
D-24
-
D-25
-
D-26
-
D-27
-
D-28
-
D-29
-
D-30
-
D-31
-
D-32
-
D-32
-
D-33
-
D-34
-
D-35
-
D-36
-
D-39
Screw, Hex Washer Head, Tap, Sems, 1/4-20 X 3/4Part Number: 1751355YPIn StockMinimum Quantity of 2 required$10.11 -
D-40
-
D-41
-
D-42
-
D-43
-
D-44
Handle Controls Group
-
E-1
-
E-2
-
E-3
-
E-4
-
E-5
-
E-6
-
E-7
-
E-8
-
E-9
-
E-10
-
E-11
-
E-12
-
E-13
-
E-14
-
E-15
-
E-16
-
E-17
-
E-18
-
E-19
-
E-20
-
E-21
-
E-22
-
E-23
-
E-25
-
E-26
-
E-27
-
E-28
-
E-29
-
E-30
-
E-31
-
E-32
-
E-33
-
E-34
-
E-35
-
E-36
-
E-37
-
E-39
-
E-40
-
E-41
-
E-42
-
E-43
-
E-44
-
E-45
-
E-47
-
E-48
-
E-49
-
E-50
-
E-51
-
E-52
-
E-53
-
E-54
-
E-55
-
E-56
-
E-57
-
E-58
-
E-59
-
E-60
-
E-61
-
E-62
-
E-63
-
E-64
-
E-65
-
E-66
-
E-67
-
E-69
-
E-70
-
E-72
-
E-73
-
E-74
Page H
Traction Drive Group - Ez Turn - 28 Model
-
F-1
-
F-2
-
F-3
-
F-4
-
F-5
-
F-6
-
F-7
-
F-8
-
F-9
-
F-10
-
F-12
-
F-14
-
F-15
-
F-16
-
F-17
-
F-19
-
F-20
-
F-21
-
F-22
-
F-23
-
F-24
-
F-25
-
F-26
-
F-27
-
F-28
-
F-30
-
F-32
-
F-33
-
F-35
-
F-36
-
F-37
-
F-40
-
F-41
-
F-42
-
F-43
-
F-44
-
F-46
-
F-47
-
F-48
-
F-51
-
F-52
-
F-53
-
F-54
-
F-55
-
F-58
-
F-61
-
F-62
-
F-63
Wheel Tire Group
✖
✖