Simplicity Parts

Simplicity 26-Inch Snow Thrower, 11.5hp Snow Blower Replacement Parts For Model L1226E (1695820)

We Sell Only Genuine Simplicity Parts

Popular Parts for L1226E

Search Within Model

Browse all Parts Search by Area
Auger Drive Group - Medium Duty Diagram and Parts List for 1695820 Simplicity Snow Blower
Auger Drive Group - Medium Duty
Auger Housing Group Diagram and Parts List for 1695820 Simplicity Snow Blower
Auger Housing Group
Chute And Rotation Group - Electric Chute/Remote Deflector 26-Inch Diagram and Parts List for 1695820 Simplicity Snow Blower
Chute And Rotation Group - Electric Chute/Remote Deflector 26-Inch
Decals Group Diagram and Parts List for 1695820 Simplicity Snow Blower
Decals Group
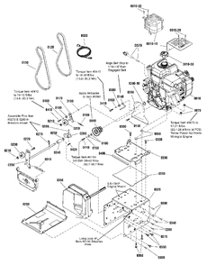
Engine And Frame Group - 11.5tp Diagram and Parts List for 1695820 Simplicity Snow Blower
Engine And Frame Group - 11.5tp
Gear Case Assembly - Medium Duty (1739656) Diagram and Parts List for 1695820 Simplicity Snow Blower
Gear Case Assembly - Medium Duty (1739656)
Handles And Controls Group Diagram and Parts List for 1695820 Simplicity Snow Blower
Handles And Controls Group
Traction Drive Group - Standard Diagram and Parts List for 1695820 Simplicity Snow Blower
Traction Drive Group - Standard
Wheels And Tires Group Diagram and Parts List for 1695820 Simplicity Snow Blower
Wheels And Tires Group
Previous Showing All Parts Next
Auger Drive Group - Medium Duty
Auger Drive Group - Medium Duty Diagram and Parts List for 1695820 Simplicity Snow Blower
Auger Housing Group
Auger Housing Group Diagram and Parts List for 1695820 Simplicity Snow Blower
Chute And Rotation Group - Electric Chute/Remote Deflector 26-Inch
Chute And Rotation Group - Electric Chute/Remote Deflector 26-Inch Diagram and Parts List for 1695820 Simplicity Snow Blower
Decals Group
Decals Group Diagram and Parts List for 1695820 Simplicity Snow Blower
Engine And Frame Group - 11.5tp
Engine And Frame Group - 11.5tp Diagram and Parts List for 1695820 Simplicity Snow Blower
Gear Case Assembly - Medium Duty (1739656)
Gear Case Assembly - Medium Duty (1739656) Diagram and Parts List for 1695820 Simplicity Snow Blower
Handles And Controls Group
Handles And Controls Group Diagram and Parts List for 1695820 Simplicity Snow Blower
Traction Drive Group - Standard
Traction Drive Group - Standard Diagram and Parts List for 1695820 Simplicity Snow Blower
Wheels And Tires Group
Wheels And Tires Group Diagram and Parts List for 1695820 Simplicity Snow Blower