Ariens Parts

Ariens 11528LE 11.5hp 28" Snowblower Snow Blower Replacement Parts For Model 926102 (002381)

We Sell Only Genuine Ariens Parts

Find Ariens 926102 Parts By Symptom

Drive system does not work

73%

Drive wheels won't engage

27%

Popular Parts for 926102

Search Within Model

Questions & Answers for Ariens 926102
Browse all Parts Search by Area
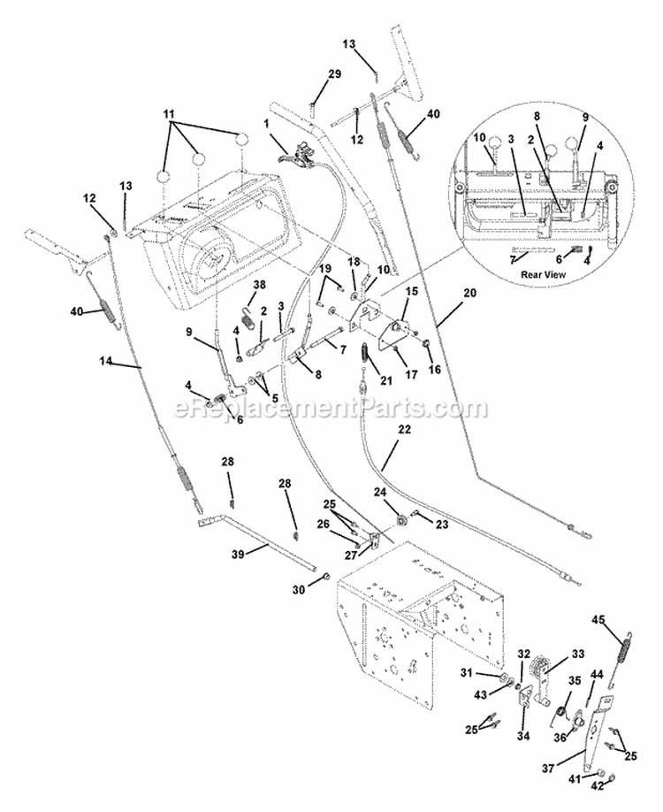
Cables And Controls Diagram and Parts List for 002381 Ariens Snow Blower
Cables And Controls
Chute, Auger And Battery Diagram and Parts List for 002381 Ariens Snow Blower
Chute, Auger And Battery
Decals Diagram and Parts List for 002381 Ariens Snow Blower
Decals
Discharge Chute Diagram and Parts List for 002381 Ariens Snow Blower
Discharge Chute
Electrical Diagram and Parts List for 002381 Ariens Snow Blower
Electrical
Engine And Belt Drive Diagram and Parts List for 002381 Ariens Snow Blower
Engine And Belt Drive
Gear Case-Aluminum Diagram and Parts List for 002381 Ariens Snow Blower
Gear Case-Aluminum
Handlebars, Lever Controls, Panel And Dash Diagram and Parts List for 002381 Ariens Snow Blower
Handlebars, Lever Controls, Panel And Dash
Pinion Shaft Anti-Rotation Kit (52603400) Diagram and Parts List for 002381 Ariens Snow Blower
Pinion Shaft Anti-Rotation Kit (52603400)
Reduction Drive Diagram and Parts List for 002381 Ariens Snow Blower
Reduction Drive
Speed Selector And Frame Diagram and Parts List for 002381 Ariens Snow Blower
Speed Selector And Frame
Wheels And Axles Diagram and Parts List for 002381 Ariens Snow Blower
Wheels And Axles
Previous Showing All Parts Next
Cables And Controls
Cables And Controls Diagram and Parts List for 002381 Ariens Snow Blower
Chute, Auger And Battery
Chute, Auger And Battery Diagram and Parts List for 002381 Ariens Snow Blower
Decals
Decals Diagram and Parts List for 002381 Ariens Snow Blower
Discharge Chute
Discharge Chute Diagram and Parts List for 002381 Ariens Snow Blower
Electrical
Electrical Diagram and Parts List for 002381 Ariens Snow Blower
Engine And Belt Drive
Engine And Belt Drive Diagram and Parts List for 002381 Ariens Snow Blower
Gear Case-Aluminum
Gear Case-Aluminum Diagram and Parts List for 002381 Ariens Snow Blower
Handlebars, Lever Controls, Panel And Dash
Handlebars, Lever Controls, Panel And Dash Diagram and Parts List for 002381 Ariens Snow Blower
Pinion Shaft Anti-Rotation Kit (52603400)
Pinion Shaft Anti-Rotation Kit (52603400) Diagram and Parts List for 002381 Ariens Snow Blower
Reduction Drive
Reduction Drive Diagram and Parts List for 002381 Ariens Snow Blower
Speed Selector And Frame
Speed Selector And Frame Diagram and Parts List for 002381 Ariens Snow Blower
Wheels And Axles
Wheels And Axles Diagram and Parts List for 002381 Ariens Snow Blower

Questions & Answers

?

Our customer Service team is at the ready daily to answer your part and product questions.

We're sorry, but our Q&A experts are temporarily unavailable.
Please check back later if you still haven't found the answer you need.

Ask our Team

We have a dedicated staff with decades of collective experience in helping customers just like you purchase parts to repair their products.