Our customer service team are at the ready daily to answer your part and product questions. We have a dedicated staff with decades of collective experience in helping customers just like you purchase parts to repair their products.
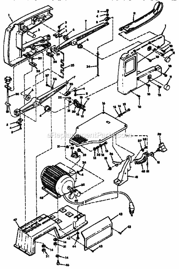
Craftsman Scroll Saw Replacement Parts For Model 113236111
We Sell Only Genuine Craftsman Parts
Popular Parts for 113236111
Special Order
$117.80
Special Order
$306.00
In Stock
$44.73
Special Order
$243.29
Special Order
$44.34
Special Order
$13.75
Special Order
$14.69
Search Within Model
Browse all Parts
Search by Area
Previous
Showing All Parts
Next
Unit
✖
✖