Craftsman Parts

Craftsman Electronic Plunge Router Replacement Parts For Model 315268350

We Sell Only Genuine Craftsman Parts

Popular Parts for 315268350

Search Within Model

Browse all Parts Search by Area
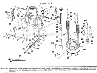
Housing Assy Diagram and Parts List for  Craftsman Router
Housing Assy
Motor Assy Diagram and Parts List for  Craftsman Router
Motor Assy
Previous Showing All Parts Next
Housing Assy
Housing Assy Diagram and Parts List for  Craftsman Router
  • A-7
    Washer 8Pk – Part Number: STD551025
    Washer 8Pk
    Part Number: STD551025
      No Longer Available
  • A-8
    Nut 8Pk – Part Number: STD541125
    Nut 8Pk
    Part Number: STD541125
      No Longer Available
  • A-11
    Posilock Label – Part Number: 971094-001
    Posilock Label
    Part Number: 971094-001
      No Longer Available
  • A-14
    Screw (8-10 X 5/8 In. Pan HD.) – Part Number: 617966030
    Screw (8-10 X 5/8 In. Pan HD.)
    Part Number: 617966030
      In Stock
    $6.16
  • A-15
    Brush Cap – Part Number: 970764001
    Brush Cap
    Part Number: 970764001
      Special Order
    $6.16
  • A-16
    Assembly Brush – Part Number: 970875-001
    Assembly Brush
    Part Number: 970875-001
      No Longer Available
  • A-17
    Data Plate – Part Number: 983207-001
    Data Plate
    Part Number: 983207-001
      No Longer Available
  • A-18
    Logo Plate – Part Number: 981252-001
    Logo Plate
    Part Number: 981252-001
      No Longer Available
  • A-19
    Ret. Ring – Part Number: 622167-071
    Ret. Ring
    Part Number: 622167-071
      No Longer Available
  • A-21
    Washer – Part Number: 931744-063
    Washer
    Part Number: 931744-063
      No Longer Available
  • A-27
    Lock Knob – Part Number: 970715-002
    Lock Knob
    Part Number: 970715-002
      No Longer Available
  • A-33
    Depth Adj Assembly -rp – Part Number: 200438006
    Depth Adj Assembly -rp
    Part Number: 200438006
      Special Order
    $12.05
  • A-34
    Comp Sprng – Part Number: 671271-001
    Comp Sprng
    Part Number: 671271-001
      No Longer Available
  • A-35
    Nut 8Pk – Part Number: STD541037
    Nut 8Pk
    Part Number: STD541037
      No Longer Available
  • A-37
    Rod – Part Number: 970732-001
    Rod
    Part Number: 970732-001
      No Longer Available
  • A-38
    C. Shield – Part Number: 970864-001
    C. Shield
    Part Number: 970864-001
      No Longer Available
  • A-39
    Machine Screw, 8-pack – Part Number: STD510803
    Machine Screw, 8-pack
    Part Number: STD510803
      No Longer Available
  • A-44
    Ball – Part Number: 967711-000
    Ball
    Part Number: 967711-000
      No Longer Available
  • A-46
    Nut 8Pk – Part Number: STD541010
    Nut 8Pk
    Part Number: STD541010
      No Longer Available
  • A-49
    Spring Washer – Part Number: 622347-019
    Spring Washer
    Part Number: 622347-019
      No Longer Available
  • A-54
    Collet Nut – Part Number: 982860-002
    Collet Nut
    Part Number: 982860-002
      No Longer Available
  • A-55
    COLLET NUT 1/2 – Part Number: 670345001
    COLLET NUT 1/2
    Part Number: 670345001
      Special Order
    $12.05
  • A-58
    Wrench – Part Number: 982889-001
    Wrench
    Part Number: 982889-001
      No Longer Available
  • A-800
    Bshing W/nut – Part Number: 060721-030
    Bshing W/nut
    Part Number: 060721-030
      No Longer Available
  • A-800
    Guide – Part Number: 060721530
    Guide
    Part Number: 060721530
      No Longer Available
  • A-800
    Man, Own – Part Number: 972000-989
    Man, Own
    Part Number: 972000-989
      No Longer Available
Motor Assy
Motor Assy Diagram and Parts List for  Craftsman Router
  • B-2
    Lamp W/term – Part Number: 970725-002
    Lamp W/term
    Part Number: 970725-002
      No Longer Available
  • B-3
    Comp Spring – Part Number: 998196-001
    Comp Spring
    Part Number: 998196-001
      No Longer Available
  • B-4
    Ball – Part Number: 967711-000
    Ball
    Part Number: 967711-000
      No Longer Available
  • B-6
    Switch – Part Number: 969158-001
    Switch
    Part Number: 969158-001
      No Longer Available
  • B-7
    Clamp – Part Number: 617800-004
    Clamp
    Part Number: 617800-004
      No Longer Available
  • B-14
    Trigger – Part Number: 970768-001
    Trigger
    Part Number: 970768-001
      No Longer Available
  • B-16
    Con Module – Part Number: 970756-102
    Con Module
    Part Number: 970756-102
      No Longer Available
  • B-19
    Con Module – Part Number: 970756-102
    Con Module
    Part Number: 970756-102
      No Longer Available
  • B-20
    Brush Tube – Part Number: 970763-001
    Brush Tube
    Part Number: 970763-001
      No Longer Available
  • B-22
    Screw – Part Number: 610120-005
    Screw
    Part Number: 610120-005
      No Longer Available
  • B-23
    Magnet – Part Number: 990386-002
    Magnet
    Part Number: 990386-002
      No Longer Available
  • B-25
    Field – Part Number: 970747-001
    Field
    Part Number: 970747-001
      No Longer Available
  • B-26
    Nut-wire Black 150c **std375 – Part Number: 870126002
    Nut-wire Black 150c **std375
    Part Number: 870126002
      No Longer Available
  • B-29
    Screw (8-10 X 5/8 In. Pan HD.) – Part Number: 617966030
    Screw (8-10 X 5/8 In. Pan HD.)
    Part Number: 617966030
      In Stock
    $6.16
  • B-30
    6000 Brg – Part Number: STD315505
    6000 Brg
    Part Number: STD315505
      No Longer Available
  • B-31
    Armature – Part Number: 970749-005
    Armature
    Part Number: 970749-005
      No Longer Available
  • B-33
    O Ring R180 – Part Number: 560746001
    O Ring R180
    Part Number: 560746001
      Special Order
    $6.16
  • B-34
    Spring Washer – Part Number: 622347-018
    Spring Washer
    Part Number: 622347-018
      No Longer Available
  • B-35
    6004 Brg – Part Number: STD315545
    6004 Brg
    Part Number: STD315545
      No Longer Available
  • B-36
    SCREW#10-32X3/8 WAFER HEAD B – Part Number: 660324002
    SCREW#10-32X3/8 WAFER HEAD B
    Part Number: 660324002
      In Stock
    $6.16