Our customer service team are at the ready daily to answer your part and product questions. We have a dedicated staff with decades of collective experience in helping customers just like you purchase parts to repair their products.
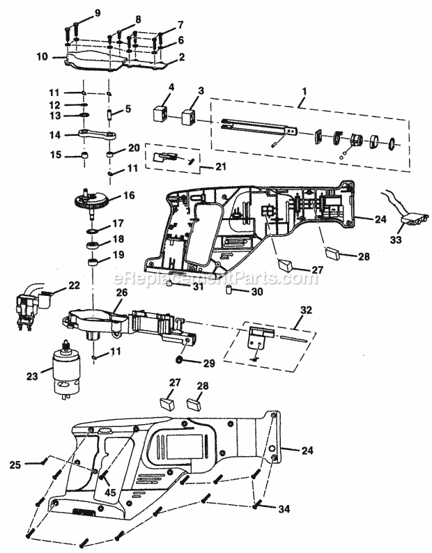
Craftsman 19.2V Reciprocating Saw Replacement Parts For Model 315115740
We Sell Only Genuine Craftsman Parts
Popular Parts for 315115740
In Stock
$6.16
In Stock
Minimum Quantity of 2 required
$6.16
In Stock
$6.16
In Stock
Minimum Quantity of 2 required
$6.16
In Stock
$6.55
In Stock
$2.99
In Stock
$6.55
Special Order
$5.95
Search Within Model
Browse all Parts
Search by Area
Previous
Showing All Parts
Next
Motor Assy
Saw
✖
Questions & Answers
?Our customer Service team is at the ready daily to answer your part and product questions.
We're sorry, but our Q&A experts are temporarily unavailable.
Please check back later if you still haven't found the answer you need.
Ask our Team
We have a dedicated staff with decades of collective experience in helping customers just like you purchase parts to repair their products.
✖