Our customer service team are at the ready daily to answer your part and product questions. We have a dedicated staff with decades of collective experience in helping customers just like you purchase parts to repair their products.
Ryobi Gas Pruner Pole Saw Replacement Parts For Model TP26
We Sell Only Genuine Ryobi Parts
Popular Parts for TP26
In Stock
$6.16
In Stock
Minimum Quantity of 2 required
$6.16
In Stock
Minimum Quantity of 2 required
$6.16
In Stock
Minimum Quantity of 2 required
$6.16
In Stock
$6.95
In Stock
$6.16
In Stock
$7.95
In Stock
Minimum Quantity of 2 required
$6.16
Search Within Model
Browse all Parts
Search by Area
Previous
Showing All Parts
Next
Figure_A
Figure_B
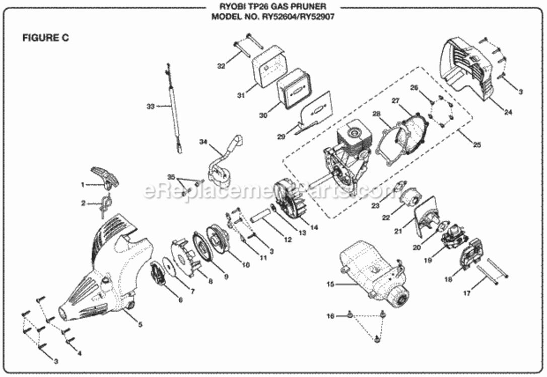
Figure_C
✖
✖