Our customer service team are at the ready daily to answer your part and product questions. We have a dedicated staff with decades of collective experience in helping customers just like you purchase parts to repair their products.
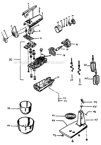
Sunbeam Stand Mixer Replacement Parts For Model 2360-1
We Sell Only Genuine Sunbeam Parts
Search Within Model
Browse all Parts
Search by Area
Previous
Showing All Parts
Next
Page A
✖
Questions & Answers
?Our customer Service team is at the ready daily to answer your part and product questions.
We're sorry, but our Q&A experts are temporarily unavailable.
Please check back later if you still haven't found the answer you need.
Ask our Team
We have a dedicated staff with decades of collective experience in helping customers just like you purchase parts to repair their products.
✖