Craftsman Parts

Craftsman Miter Saw Replacement Parts For Model 315212500

We Sell Only Genuine Craftsman Parts

Popular Parts for 315212500

Search Within Model

Browse all Parts Search by Area
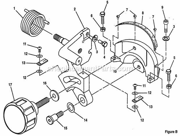
Arm Assy Diagram and Parts List for  Craftsman Miter Saw
Arm Assy
Base Assy Diagram and Parts List for  Craftsman Miter Saw
Base Assy
Blade Assy Diagram and Parts List for  Craftsman Miter Saw
Blade Assy
Gear Assy Diagram and Parts List for  Craftsman Miter Saw
Gear Assy
Motor Assy Diagram and Parts List for  Craftsman Miter Saw
Motor Assy
Previous Showing All Parts Next
Arm Assy
Arm Assy Diagram and Parts List for  Craftsman Miter Saw
  • D-1
    O-ring – Part Number: 976641-001
    O-ring
    Part Number: 976641-001
      No Longer Available
  • D-2
    Lock Pin – Part Number: 976576-001
    Lock Pin
    Part Number: 976576-001
      No Longer Available
  • D-3
    E-ring – Part Number: 976643-001
    E-ring
    Part Number: 976643-001
      No Longer Available
  • D-5
    Bumper – Part Number: 976645-001
    Bumper
    Part Number: 976645-001
      No Longer Available
  • D-6
    Flat Washer – Part Number: STD851012
    Flat Washer
    Part Number: STD851012
      No Longer Available
  • D-7
    Hex Nut – Part Number: STD841217
    Hex Nut
    Part Number: STD841217
      No Longer Available
  • D-8
    Screw – Part Number: 180031-002
    Screw
    Part Number: 180031-002
      No Longer Available
  • D-9
    Hex Nut – Part Number: STD841015
    Hex Nut
    Part Number: STD841015
      No Longer Available
  • D-10
    Brush Cap – Part Number: 976682-001
    Brush Cap
    Part Number: 976682-001
      No Longer Available
  • D-12
    Label – Part Number: 976691-001
    Label
    Part Number: 976691-001
      No Longer Available
  • D-13
    Screw – Part Number: 982102-001
    Screw
    Part Number: 982102-001
      No Longer Available
  • D-14
    Top Handle – Part Number: 511311000
    Top Handle
    Part Number: 511311000
      No Longer Available
  • D-15
    Data Plate – Part Number: 511317000
    Data Plate
    Part Number: 511317000
      No Longer Available
  • D-16
    Lock Pin – Part Number: 976650-001
    Lock Pin
    Part Number: 976650-001
      No Longer Available
  • D-17
    E-Ring – Part Number: 976651-001
    E-Ring
    Part Number: 976651-001
      Special Order
    $6.16
  • D-18
    Compression Spring – Part Number: 976649-001
    Compression Spring
    Part Number: 976649-001
      Special Order
    $6.16
  • D-19
    Square Key – Part Number: 976654-001
    Square Key
    Part Number: 976654-001
      No Longer Available
  • D-20
    Gear Shaft – Part Number: 588030-008
    Gear Shaft
    Part Number: 588030-008
      No Longer Available
  • D-22
    Special Screw Ts254t2 – Part Number: 588031004
    Special Screw Ts254t2
    Part Number: 588031004
      No Longer Available
  • D-23
    Lock Ring – Part Number: 976653-001
    Lock Ring
    Part Number: 976653-001
      No Longer Available
  • D-24
    Gear – Part Number: 588028-108
    Gear
    Part Number: 588028-108
      No Longer Available
  • D-25
    External Retaining Ring – Part Number: 976648-001
    External Retaining Ring
    Part Number: 976648-001
      No Longer Available
  • D-26
    Brg-6000Zz – Part Number: STD315501
    Brg-6000Zz
    Part Number: STD315501
      No Longer Available
  • D-27
    0 Ring – Part Number: A63020000428
    0 Ring
    Part Number: A63020000428
      No Longer Available
Base Assy
Base Assy Diagram and Parts List for  Craftsman Miter Saw
  • A-1
    Bolt – Part Number: 710308-045
    Bolt
    Part Number: 710308-045
      No Longer Available
  • A-2
    Lock Washer – Part Number: STD852008
    Lock Washer
    Part Number: STD852008
      No Longer Available
  • A-3
    Fence – Part Number: 511114000
    Fence
    Part Number: 511114000
      No Longer Available
  • A-5
    Bolt – Part Number: 980117-001
    Bolt
    Part Number: 980117-001
      No Longer Available
  • A-6
    Plate – Part Number: 976516-001
    Plate
    Part Number: 976516-001
      No Longer Available
  • A-7
    Bolt M4x8 Sc155 – Part Number: 160030400
    Bolt M4x8 Sc155
    Part Number: 160030400
      No Longer Available
  • A-8
    MOTOR, 18V – Part Number: 46618
    MOTOR, 18V
    Part Number: 46618
      In Stock
    $252.40
  • A-9
    6 Hex Key – Part Number: 46606
    6 Hex Key
    Part Number: 46606
      No Longer Available
  • A-10
    Key – Part Number: 982611-001
    Key
    Part Number: 982611-001
      No Longer Available
  • A-11
    Blade Wrench – Part Number: 976568-001
    Blade Wrench
    Part Number: 976568-001
      No Longer Available
  • A-12
    Plate – Part Number: 976598-001
    Plate
    Part Number: 976598-001
      No Longer Available
  • A-13
    Screw – Part Number: 976601-001
    Screw
    Part Number: 976601-001
      No Longer Available
  • A-14
    Rivet – Part Number: 976531-001
    Rivet
    Part Number: 976531-001
      No Longer Available
  • A-15
    Hand Warning Label – Part Number: 977434-001
    Hand Warning Label
    Part Number: 977434-001
      No Longer Available
  • A-16
    Line Label – Part Number: 977435-001
    Line Label
    Part Number: 977435-001
      No Longer Available
  • A-17
    Miter Scale – Part Number: 976515-001
    Miter Scale
    Part Number: 976515-001
      No Longer Available
  • A-18
    Lock Plate – Part Number: 976509-001
    Lock Plate
    Part Number: 976509-001
      No Longer Available
  • A-19
    Screw – Part Number: 976527-001
    Screw
    Part Number: 976527-001
      No Longer Available
  • A-20
    Washer – Part Number: STD851004
    Washer
    Part Number: STD851004
      No Longer Available
  • A-21
    Pointer – Part Number: 976506-001
    Pointer
    Part Number: 976506-001
      No Longer Available
  • A-22
    Table Lock Handle – Part Number: 518103100
    Table Lock Handle
    Part Number: 518103100
      No Longer Available
  • A-23
    Contr Arm – Part Number: 976501-001
    Contr Arm
    Part Number: 976501-001
      No Longer Available
  • A-24
    Lock Washer – Part Number: STD852006
    Lock Washer
    Part Number: STD852006
      No Longer Available
  • A-25
    Hex Bolt – Part Number: 700306-025
    Hex Bolt
    Part Number: 700306-025
      No Longer Available
  • A-26
    Nut 5Pk – Part Number: STD541437
    Nut 5Pk
    Part Number: STD541437
      No Longer Available
  • A-27
    Flat Washer – Part Number: STD851010
    Flat Washer
    Part Number: STD851010
      No Longer Available
  • A-28
    Washer – Part Number: 976511-001
    Washer
    Part Number: 976511-001
      No Longer Available
  • A-30
    Frame – Part Number: 976610-001
    Frame
    Part Number: 976610-001
      No Longer Available
  • A-31
    Turn Table / Miter Saw – Part Number: 976514-001
    Turn Table / Miter Saw
    Part Number: 976514-001
      No Longer Available
  • A-800
    Wing Nut – Part Number: 555510000
    Wing Nut
    Part Number: 555510000
      No Longer Available
  • A-800
    Ext Clamp – Part Number: 555517000
    Ext Clamp
    Part Number: 555517000
      No Longer Available
Blade Assy
Blade Assy Diagram and Parts List for  Craftsman Miter Saw
  • C-1
    Dust Shield – Part Number: 976539-001
    Dust Shield
    Part Number: 976539-001
      No Longer Available
  • C-2
    U-clip – Part Number: 976596-001
    U-clip
    Part Number: 976596-001
      No Longer Available
  • C-3
    Dust Guide – Part Number: 976567-001
    Dust Guide
    Part Number: 976567-001
      No Longer Available
  • C-4
    Bld Guard – Part Number: 976543-001
    Bld Guard
    Part Number: 976543-001
      No Longer Available
  • C-5
    Logo Plate F/Charger – Part Number: 981491-001
    Logo Plate F/Charger
    Part Number: 981491-001
      No Longer Available
  • C-7
    Label – Part Number: 976733-001
    Label
    Part Number: 976733-001
      No Longer Available
  • C-8
    Label – Part Number: 976540-001
    Label
    Part Number: 976540-001
      No Longer Available
  • C-10
    Fixed Screw – Part Number: 976600-001
    Fixed Screw
    Part Number: 976600-001
      No Longer Available
  • C-11
    Bolt Cover – Part Number: 976552-001
    Bolt Cover
    Part Number: 976552-001
      No Longer Available
  • C-12
    Bolt – Part Number: 981638-001
    Bolt
    Part Number: 981638-001
      No Longer Available
  • C-13
    Stopper – Part Number: 976541-001
    Stopper
    Part Number: 976541-001
      No Longer Available
  • C-14
    Screw – Part Number: 130030-401
    Screw
    Part Number: 130030-401
      No Longer Available
  • C-15
    Blade Washer – Part Number: 976547-001
    Blade Washer
    Part Number: 976547-001
      No Longer Available
  • C-17
    8X20 Bolt – Part Number: 976548-001
    8X20 Bolt
    Part Number: 976548-001
      No Longer Available
  • C-18
    Return Spring – Part Number: 976554-001
    Return Spring
    Part Number: 976554-001
      No Longer Available
  • C-19
    Blade Guard – Part Number: 982624-001
    Blade Guard
    Part Number: 982624-001
      No Longer Available
  • C-20
    Guard Brkt – Part Number: 982724-001
    Guard Brkt
    Part Number: 982724-001
      No Longer Available
  • C-21
    Lock Washer – Part Number: STD852005
    Lock Washer
    Part Number: STD852005
      No Longer Available
  • C-23
    Label – Part Number: 976740001
    Label
    Part Number: 976740001
      No Longer Available
  • C-24
    Screw – Part Number: 976564-001
    Screw
    Part Number: 976564-001
      No Longer Available
  • C-25
    Lower Blade Guard Roller – Part Number: 566407000
    Lower Blade Guard Roller
    Part Number: 566407000
      No Longer Available
  • C-26
    Retaining Ring – Part Number: 538417000
    Retaining Ring
    Part Number: 538417000
      Special Order
    $5.35
  • C-27
    Guide Bolt – Part Number: 6617901
    Guide Bolt
    Part Number: 6617901
      No Longer Available
  • C-28
    Laser – Part Number: 0015901
    Laser
    Part Number: 0015901
      No Longer Available
Gear Assy
Gear Assy Diagram and Parts List for  Craftsman Miter Saw
  • B-2
    Support Bracket – Part Number: 511D04020
    Support Bracket
    Part Number: 511D04020
      No Longer Available
  • B-3
    Lk Washer 8P – Part Number: STD852010
    Lk Washer 8P
    Part Number: STD852010
      No Longer Available
  • B-4
    Bolt – Part Number: 976529-001
    Bolt
    Part Number: 976529-001
      No Longer Available
  • B-5
    Capacitor Screw – Part Number: STD833016
    Capacitor Screw
    Part Number: STD833016
      No Longer Available
  • B-6
    Hex Nut – Part Number: STD840610
    Hex Nut
    Part Number: STD840610
      No Longer Available
  • B-7
    Rivet – Part Number: 976531-001
    Rivet
    Part Number: 976531-001
      No Longer Available
  • B-8
    Bevel Scale – Part Number: 976535-001
    Bevel Scale
    Part Number: 976535-001
      No Longer Available
  • B-9
    Bolt – Part Number: 700310-025
    Bolt
    Part Number: 700310-025
      No Longer Available
  • B-11
    Screw – Part Number: 976527-001
    Screw
    Part Number: 976527-001
      No Longer Available
  • B-12
    Washer – Part Number: STD851004
    Washer
    Part Number: STD851004
      No Longer Available
  • B-15
    Pivot Shaft – Part Number: 976521-001
    Pivot Shaft
    Part Number: 976521-001
      No Longer Available
  • B-16
    Flat Washer – Part Number: STD851010
    Flat Washer
    Part Number: STD851010
      No Longer Available
  • B-17
    Lock Knob – Part Number: 976522-001
    Lock Knob
    Part Number: 976522-001
      No Longer Available
Motor Assy
Motor Assy Diagram and Parts List for  Craftsman Miter Saw
  • E-1
    Motor Housing – Part Number: 511304000
    Motor Housing
    Part Number: 511304000
      No Longer Available
  • E-2
    Set Screw – Part Number: 981315-001
    Set Screw
    Part Number: 981315-001
      No Longer Available
  • E-3
    Set Screw – Part Number: 981313-001
    Set Screw
    Part Number: 981313-001
      No Longer Available
  • E-4
    Holder Brs – Part Number: 976684-001
    Holder Brs
    Part Number: 976684-001
      No Longer Available
  • E-5
    Screw – Part Number: 982103-001
    Screw
    Part Number: 982103-001
      No Longer Available
  • E-6
    Relief – Part Number: 976688-001
    Relief
    Part Number: 976688-001
      No Longer Available
  • E-7
    Ac Cord – Part Number: 511306000
    Ac Cord
    Part Number: 511306000
      No Longer Available
  • E-8
    Top Handle – Part Number: 511311000
    Top Handle
    Part Number: 511311000
      No Longer Available
  • E-9
    Screw – Part Number: 982102-001
    Screw
    Part Number: 982102-001
      No Longer Available
  • E-10
    Screw – Part Number: 982101-001
    Screw
    Part Number: 982101-001
      No Longer Available
  • E-12
    Compression Spring – Part Number: 511308000
    Compression Spring
    Part Number: 511308000
      No Longer Available
  • E-13
    Switch – Part Number: 976676-001
    Switch
    Part Number: 976676-001
      No Longer Available
  • E-14
    Trigger – Part Number: 511307000
    Trigger
    Part Number: 511307000
      No Longer Available
  • E-15
    Screw (M4 X 12) – Part Number: 900030401
    Screw (M4 X 12)
    Part Number: 900030401
      No Longer Available
  • E-16
    Cord Clamp – Part Number: 578313-006
    Cord Clamp
    Part Number: 578313-006
      No Longer Available
  • E-19
    Field Assembly – Part Number: 976795-001
    Field Assembly
    Part Number: 976795-001
      No Longer Available
  • E-20
    Screw – Part Number: 976668-001
    Screw
    Part Number: 976668-001
      No Longer Available
  • E-21
    Fan Casing – Part Number: 511312000
    Fan Casing
    Part Number: 511312000
      No Longer Available
  • E-22
    608 Brg – Part Number: STD315485
    608 Brg
    Part Number: STD315485
      No Longer Available
  • E-23
    Armature Assembly – Part Number: 980109-001
    Armature Assembly
    Part Number: 980109-001
      No Longer Available
  • E-24
    External Retaining Ring – Part Number: 976648-001
    External Retaining Ring
    Part Number: 976648-001
      No Longer Available
  • E-25
    6002 Brg – Part Number: STD315525
    6002 Brg
    Part Number: STD315525
      No Longer Available
  • E-26
    O-ring – Part Number: A63020000328
    O-ring
    Part Number: A63020000328
      No Longer Available
  • E-27
    Frame Arm – Part Number: 511303000
    Frame Arm
    Part Number: 511303000
      No Longer Available
  • E-28
    Lead Wire – Part Number: 511305000
    Lead Wire
    Part Number: 511305000
      No Longer Available