Snapper Parts

Snapper 28" 13 Hp Rear Engine Rider Series 20 Lawn Tractor Replacement Parts For Model 281320BE

We Sell Only Genuine Snapper Parts

Popular Parts for 281320BE

Search Within Model

Browse all Parts Search by Area
Belts Brakes Interlock Diagram and Parts List for  Snapper Lawn Tractor
Belts Brakes Interlock
Blade Stop Pedals Diagram and Parts List for  Snapper Lawn Tractor
Blade Stop Pedals
Chain Case LH Fender Diagram and Parts List for  Snapper Lawn Tractor
Chain Case LH Fender
Cutting Deck Deflector - 28  33 Diagram and Parts List for  Snapper Lawn Tractor
Cutting Deck Deflector - 28 33
Decals (Part 1) Diagram and Parts List for  Snapper Lawn Tractor
Decals (Part 1)
Decals (Part 2) Diagram and Parts List for  Snapper Lawn Tractor
Decals (Part 2)
Differential RH Fender Diagram and Parts List for  Snapper Lawn Tractor
Differential RH Fender
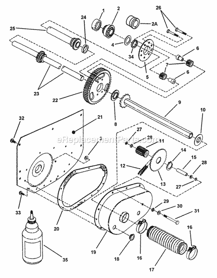
Drive Disc Assembly Diagram and Parts List for  Snapper Lawn Tractor
Drive Disc Assembly
Electrical Systems (For 13 Hp Briggs) (Part 1) Diagram and Parts List for  Snapper Lawn Tractor
Electrical Systems (For 13 Hp Briggs) (Part 1)
Engines  Exhaust Muffler Diagram and Parts List for  Snapper Lawn Tractor
Engines Exhaust Muffler
Front End Steering Diagram and Parts List for  Snapper Lawn Tractor
Front End Steering
Front End Steering 25  28 Models Diagram and Parts List for  Snapper Lawn Tractor
Front End Steering 25 28 Models
Fuel Tank  Operators Seat Diagram and Parts List for  Snapper Lawn Tractor
Fuel Tank Operators Seat
Hardware Bags (Part 1) Diagram and Parts List for  Snapper Lawn Tractor
Hardware Bags (Part 1)
Hardware Bags (Part 2) Diagram and Parts List for  Snapper Lawn Tractor
Hardware Bags (Part 2)
Main Case Diagram and Parts List for  Snapper Lawn Tractor
Main Case
Page X Diagram and Parts List for  Snapper Lawn Tractor
Page X
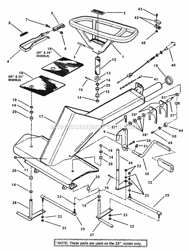
Rails Lift Arms Cam Lift Diagram and Parts List for  Snapper Lawn Tractor
Rails Lift Arms Cam Lift
Smooth Clutch Assembly Diagram and Parts List for  Snapper Lawn Tractor
Smooth Clutch Assembly
Spindle Diagram and Parts List for  Snapper Lawn Tractor
Spindle
Throttle Control Diagram and Parts List for  Snapper Lawn Tractor
Throttle Control
Wheels - Rear Left Hand Diagram and Parts List for  Snapper Lawn Tractor
Wheels - Rear Left Hand
Wheels - Rear Right Hand Diagram and Parts List for  Snapper Lawn Tractor
Wheels - Rear Right Hand
Wheels Front Diagram and Parts List for  Snapper Lawn Tractor
Wheels Front
Previous Showing All Parts Next
Belts Brakes Interlock
Belts Brakes Interlock Diagram and Parts List for  Snapper Lawn Tractor
Blade Stop Pedals
Blade Stop Pedals Diagram and Parts List for  Snapper Lawn Tractor
Chain Case LH Fender
Chain Case LH Fender Diagram and Parts List for  Snapper Lawn Tractor
Cutting Deck Deflector - 28 33
Cutting Deck Deflector - 28  33 Diagram and Parts List for  Snapper Lawn Tractor
Decals (Part 1)
Decals (Part 1) Diagram and Parts List for  Snapper Lawn Tractor
Decals (Part 2)
Decals (Part 2) Diagram and Parts List for  Snapper Lawn Tractor
Differential RH Fender
Differential RH Fender Diagram and Parts List for  Snapper Lawn Tractor
Drive Disc Assembly
Drive Disc Assembly Diagram and Parts List for  Snapper Lawn Tractor
Electrical Systems (For 13 Hp Briggs) (Part 1)
Electrical Systems (For 13 Hp Briggs) (Part 1) Diagram and Parts List for  Snapper Lawn Tractor
Engines Exhaust Muffler
Engines  Exhaust Muffler Diagram and Parts List for  Snapper Lawn Tractor
Front End Steering
Front End Steering Diagram and Parts List for  Snapper Lawn Tractor
Front End Steering 25 28 Models
Front End Steering 25  28 Models Diagram and Parts List for  Snapper Lawn Tractor
Fuel Tank Operators Seat
Fuel Tank  Operators Seat Diagram and Parts List for  Snapper Lawn Tractor
Hardware Bags (Part 1)
Hardware Bags (Part 1) Diagram and Parts List for  Snapper Lawn Tractor
Hardware Bags (Part 2)
Hardware Bags (Part 2) Diagram and Parts List for  Snapper Lawn Tractor
Main Case
Main Case Diagram and Parts List for  Snapper Lawn Tractor
Page X
Page X Diagram and Parts List for  Snapper Lawn Tractor
Rails Lift Arms Cam Lift
Rails Lift Arms Cam Lift Diagram and Parts List for  Snapper Lawn Tractor
Smooth Clutch Assembly
Smooth Clutch Assembly Diagram and Parts List for  Snapper Lawn Tractor
Spindle
Spindle Diagram and Parts List for  Snapper Lawn Tractor
Throttle Control
Throttle Control Diagram and Parts List for  Snapper Lawn Tractor
Wheels - Rear Left Hand
Wheels - Rear Left Hand Diagram and Parts List for  Snapper Lawn Tractor
Wheels - Rear Right Hand
Wheels - Rear Right Hand Diagram and Parts List for  Snapper Lawn Tractor
Wheels Front
Wheels Front Diagram and Parts List for  Snapper Lawn Tractor