Simplicity Parts

Simplicity Sovereign 3416H, 16Hp Lawn Tractor Replacement Parts For Model 990871

We Sell Only Genuine Simplicity Parts

Popular Parts for 990871

Search Within Model

Browse all Parts Search by Area
Bevel Gear Housing Diagram and Parts List for  Simplicity Lawn Tractor
Bevel Gear Housing
Clutch And Brake Group Diagram and Parts List for  Simplicity Lawn Tractor
Clutch And Brake Group
Electric Starter-Generator System Diagram and Parts List for  Simplicity Lawn Tractor
Electric Starter-Generator System
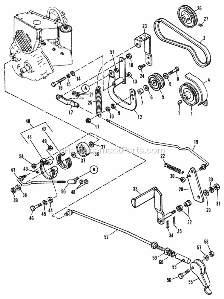
Engine And Drive Shaft Diagram and Parts List for  Simplicity Lawn Tractor
Engine And Drive Shaft
Frame Hood Grill  Instrument Panel Diagram and Parts List for  Simplicity Lawn Tractor
Frame Hood Grill Instrument Panel
Front Light Group Diagram and Parts List for  Simplicity Lawn Tractor
Front Light Group
Front Wheels Axle Tie Rod  Steering Diagram and Parts List for  Simplicity Lawn Tractor
Front Wheels Axle Tie Rod Steering
Hydrostatic Control Group Diagram and Parts List for  Simplicity Lawn Tractor
Hydrostatic Control Group
Hydrostatic Control Group - Diagram 2 Diagram and Parts List for  Simplicity Lawn Tractor
Hydrostatic Control Group - Diagram 2
Power Take-Off Diagram and Parts List for  Simplicity Lawn Tractor
Power Take-Off
Rear Lift Draw Bar Group Diagram and Parts List for  Simplicity Lawn Tractor
Rear Lift Draw Bar Group
Rear Wheels And Axle Diagram and Parts List for  Simplicity Lawn Tractor
Rear Wheels And Axle
Seat And Fenders Diagram and Parts List for  Simplicity Lawn Tractor
Seat And Fenders
Transmission Group Diagram and Parts List for  Simplicity Lawn Tractor
Transmission Group
Previous Showing All Parts Next
Bevel Gear Housing
Bevel Gear Housing Diagram and Parts List for  Simplicity Lawn Tractor
Clutch And Brake Group
Clutch And Brake Group Diagram and Parts List for  Simplicity Lawn Tractor
Electric Starter-Generator System
Electric Starter-Generator System Diagram and Parts List for  Simplicity Lawn Tractor
Engine And Drive Shaft
Engine And Drive Shaft Diagram and Parts List for  Simplicity Lawn Tractor
Frame Hood Grill Instrument Panel
Frame Hood Grill  Instrument Panel Diagram and Parts List for  Simplicity Lawn Tractor
Front Light Group
Front Light Group Diagram and Parts List for  Simplicity Lawn Tractor
Front Wheels Axle Tie Rod Steering
Front Wheels Axle Tie Rod  Steering Diagram and Parts List for  Simplicity Lawn Tractor
Hydrostatic Control Group
Hydrostatic Control Group Diagram and Parts List for  Simplicity Lawn Tractor
Hydrostatic Control Group - Diagram 2
Hydrostatic Control Group - Diagram 2 Diagram and Parts List for  Simplicity Lawn Tractor
Power Take-Off
Power Take-Off Diagram and Parts List for  Simplicity Lawn Tractor
Rear Lift Draw Bar Group
Rear Lift Draw Bar Group Diagram and Parts List for  Simplicity Lawn Tractor
Rear Wheels And Axle
Rear Wheels And Axle Diagram and Parts List for  Simplicity Lawn Tractor
Seat And Fenders
Seat And Fenders Diagram and Parts List for  Simplicity Lawn Tractor
Transmission Group
Transmission Group Diagram and Parts List for  Simplicity Lawn Tractor