Simplicity Parts

Simplicity Zt3000 Series W 44In Mower (Zt Lawn Tractor Replacement Parts For Model 5900660

We Sell Only Genuine Simplicity Parts

Popular Parts for 5900660

Search Within Model

Questions & Answers for Simplicity 5900660
Browse all Parts Search by Area
44  50 Mower Deck - Belt  Idler Group - BS Professional Series Diagram and Parts List for  Simplicity Lawn Tractor
44 50 Mower Deck - Belt Idler Group - BS Professional Series
44  50 Mower Deck - Housing Arbors  Blades Group - BS Professional Series Diagram and Parts List for  Simplicity Lawn Tractor
44 50 Mower Deck - Housing Arbors Blades Group - BS Professional Series
44 Mower Deck - Rollers Group Diagram and Parts List for  Simplicity Lawn Tractor
44 Mower Deck - Rollers Group
Decals Group - Brand  Model Diagram and Parts List for  Simplicity Lawn Tractor
Decals Group - Brand Model
Decals Group - Safety  Common Diagram and Parts List for  Simplicity Lawn Tractor
Decals Group - Safety Common
Electrical Group Diagram and Parts List for  Simplicity Lawn Tractor
Electrical Group
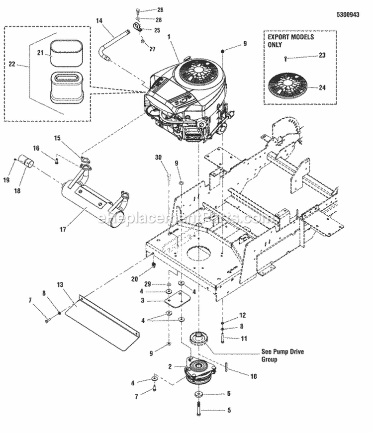
Engine Group - Briggs  Stratton Diagram and Parts List for  Simplicity Lawn Tractor
Engine Group - Briggs Stratton
Fuel Tank  Replacement Parts Group Diagram and Parts List for  Simplicity Lawn Tractor
Fuel Tank Replacement Parts Group
Hydraulic Group Diagram and Parts List for  Simplicity Lawn Tractor
Hydraulic Group
Instrument Control Panel Group Diagram and Parts List for  Simplicity Lawn Tractor
Instrument Control Panel Group
Lift Group Diagram and Parts List for  Simplicity Lawn Tractor
Lift Group
Main Frame  Front Suspension Group Diagram and Parts List for  Simplicity Lawn Tractor
Main Frame Front Suspension Group
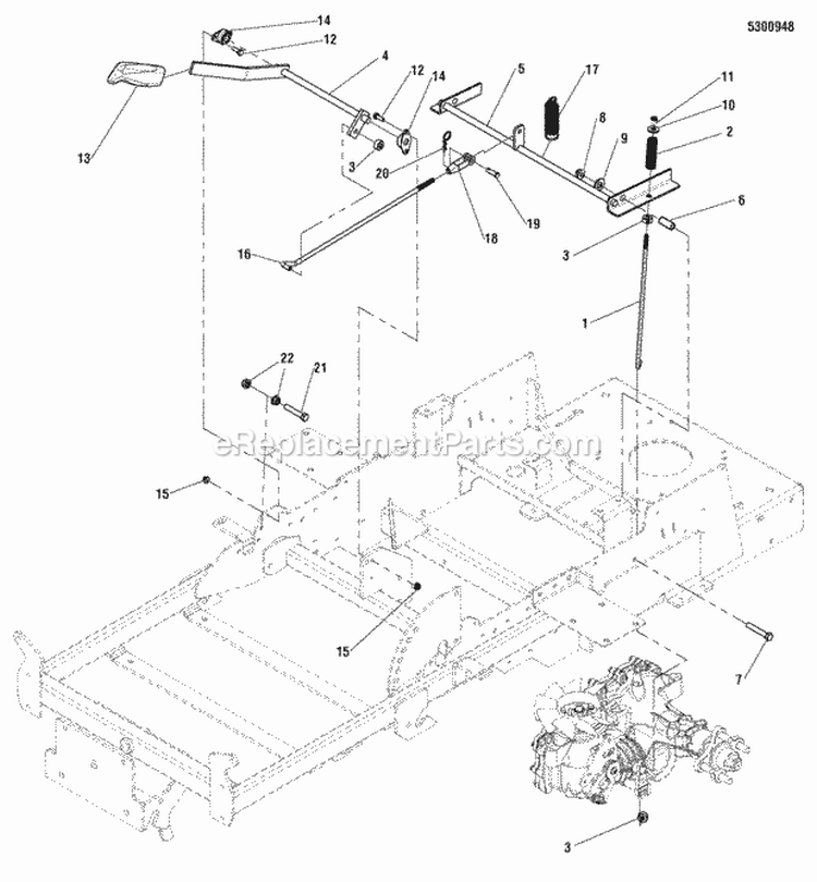
Motion Control Group Diagram and Parts List for  Simplicity Lawn Tractor
Motion Control Group
Parking Brake Group Diagram and Parts List for  Simplicity Lawn Tractor
Parking Brake Group
Pump Drive Group Diagram and Parts List for  Simplicity Lawn Tractor
Pump Drive Group
Rear Bumper Group Diagram and Parts List for  Simplicity Lawn Tractor
Rear Bumper Group
Seat  Floor Plate Group Diagram and Parts List for  Simplicity Lawn Tractor
Seat Floor Plate Group
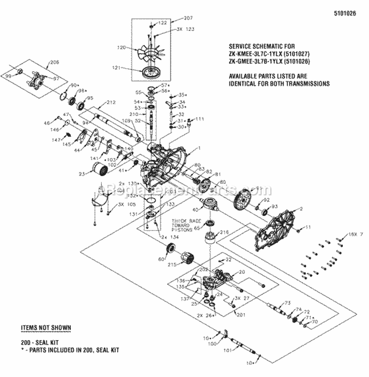
Transmission Service Parts Diagram and Parts List for  Simplicity Lawn Tractor
Transmission Service Parts
Wheel  Tire Group Diagram and Parts List for  Simplicity Lawn Tractor
Wheel Tire Group
Previous Showing All Parts Next
44 50 Mower Deck - Belt Idler Group - BS Professional Series
44  50 Mower Deck - Belt  Idler Group - BS Professional Series Diagram and Parts List for  Simplicity Lawn Tractor
44 50 Mower Deck - Housing Arbors Blades Group - BS Professional Series
44  50 Mower Deck - Housing Arbors  Blades Group - BS Professional Series Diagram and Parts List for  Simplicity Lawn Tractor
44 Mower Deck - Rollers Group
44 Mower Deck - Rollers Group Diagram and Parts List for  Simplicity Lawn Tractor
Decals Group - Brand Model
Decals Group - Brand  Model Diagram and Parts List for  Simplicity Lawn Tractor
Decals Group - Safety Common
Decals Group - Safety  Common Diagram and Parts List for  Simplicity Lawn Tractor
Electrical Group
Electrical Group Diagram and Parts List for  Simplicity Lawn Tractor
Engine Group - Briggs Stratton
Engine Group - Briggs  Stratton Diagram and Parts List for  Simplicity Lawn Tractor
Fuel Tank Replacement Parts Group
Fuel Tank  Replacement Parts Group Diagram and Parts List for  Simplicity Lawn Tractor
Hydraulic Group
Hydraulic Group Diagram and Parts List for  Simplicity Lawn Tractor
Instrument Control Panel Group
Instrument Control Panel Group Diagram and Parts List for  Simplicity Lawn Tractor
Lift Group
Lift Group Diagram and Parts List for  Simplicity Lawn Tractor
Main Frame Front Suspension Group
Main Frame  Front Suspension Group Diagram and Parts List for  Simplicity Lawn Tractor
Motion Control Group
Motion Control Group Diagram and Parts List for  Simplicity Lawn Tractor
Parking Brake Group
Parking Brake Group Diagram and Parts List for  Simplicity Lawn Tractor
Pump Drive Group
Pump Drive Group Diagram and Parts List for  Simplicity Lawn Tractor
Rear Bumper Group
Rear Bumper Group Diagram and Parts List for  Simplicity Lawn Tractor
Seat Floor Plate Group
Seat  Floor Plate Group Diagram and Parts List for  Simplicity Lawn Tractor
Transmission Service Parts
Transmission Service Parts Diagram and Parts List for  Simplicity Lawn Tractor
  • R-23
    Oil Filter – Part Number: 5101026X1SM
    Oil Filter
    Part Number: 5101026X1SM
      In Stock
    $53.33
  • R-41
    Seal Lip – Part Number: 5101026X2SM
    Seal Lip
    Part Number: 5101026X2SM
      Special Order
    $24.35
  • R-56
    Seal Lip – Part Number: 5101026X3SM
    Seal Lip
    Part Number: 5101026X3SM
      Special Order
    $27.33
  • R-57
    Ring Retaining – Part Number: 5101026X4SM
    Ring Retaining
    Part Number: 5101026X4SM
      Special Order
    $18.44
  • R-95
    Bearing Ball – Part Number: 5101026X5SM
    Bearing Ball
    Part Number: 5101026X5SM
      Special Order
    $49.50
  • R-120
    FAN, 7 - 10 BLADE – Part Number: 5101026X6
    FAN, 7 - 10 BLADE
    Part Number: 5101026X6
      No Longer Available
  • R-121
    Pulley 4.5" – Part Number: 5101026X7SM
    Pulley 4.5"
    Part Number: 5101026X7SM
      Special Order
    $131.03
  • R-200
    Kit - Seal – Part Number: 5101026X8SM
    Kit - Seal
    Part Number: 5101026X8SM
      Special Order
    $178.02
  • R-210
    Kit - Input Shaft – Part Number: 5101026X9SM
    Kit - Input Shaft
    Part Number: 5101026X9SM
      Special Order
    $381.87
Wheel Tire Group
Wheel  Tire Group Diagram and Parts List for  Simplicity Lawn Tractor

Questions & Answers

?

Our customer Service team is at the ready daily to answer your part and product questions.

We're sorry, but our Q&A experts are temporarily unavailable.
Please check back later if you still haven't found the answer you need.

Ask our Team

We have a dedicated staff with decades of collective experience in helping customers just like you purchase parts to repair their products.