Simplicity Parts

Simplicity Cobalt, 30Hp Briggs & Stratton Lawn Tractor Replacement Parts For Model 5900525

We Sell Only Genuine Simplicity Parts

Popular Parts for 5900525

Search Within Model

Browse all Parts Search by Area
61 Mower Deck - Hanger Chains Diagram and Parts List for  Simplicity Lawn Tractor
61 Mower Deck - Hanger Chains
61 Mower Deck - Housing Covers Spindles  Blades Diagram and Parts List for  Simplicity Lawn Tractor
61 Mower Deck - Housing Covers Spindles Blades
61 Mower Deck - Pulleys Belts  Idler Arm Diagram and Parts List for  Simplicity Lawn Tractor
61 Mower Deck - Pulleys Belts Idler Arm
61 Mower Deck - Rollers Diagram and Parts List for  Simplicity Lawn Tractor
61 Mower Deck - Rollers
61 Mower Deck - Striping Roller Bar Diagram and Parts List for  Simplicity Lawn Tractor
61 Mower Deck - Striping Roller Bar
Decals - Brand  Model Diagram and Parts List for  Simplicity Lawn Tractor
Decals - Brand Model
Decals - Safety  Operation Diagram and Parts List for  Simplicity Lawn Tractor
Decals - Safety Operation
Engine  Pto Group - Briggs  Stratton - Commercial Turf Diagram and Parts List for  Simplicity Lawn Tractor
Engine Pto Group - Briggs Stratton - Commercial Turf
Evap Canister Group Diagram and Parts List for  Simplicity Lawn Tractor
Evap Canister Group
Fuel Hose Supply  Tank Replacement Parts Group Diagram and Parts List for  Simplicity Lawn Tractor
Fuel Hose Supply Tank Replacement Parts Group
Fuel Tank  Mount Group Diagram and Parts List for  Simplicity Lawn Tractor
Fuel Tank Mount Group
Hydraulic Group Diagram and Parts List for  Simplicity Lawn Tractor
Hydraulic Group
Hydraulic Mount Group Diagram and Parts List for  Simplicity Lawn Tractor
Hydraulic Mount Group
Instrument Control Panel Group Diagram and Parts List for  Simplicity Lawn Tractor
Instrument Control Panel Group
Lift Group - Puller Bar SN 2016364870  Above (5302255A) Diagram and Parts List for  Simplicity Lawn Tractor
Lift Group - Puller Bar SN 2016364870 Above (5302255A)
Lift Group - Rods  Pedals SN 2016364870  Above (5302255B) Diagram and Parts List for  Simplicity Lawn Tractor
Lift Group - Rods Pedals SN 2016364870 Above (5302255B)
Lift Group - SN 2014344992 - 2016364869 Diagram and Parts List for  Simplicity Lawn Tractor
Lift Group - SN 2014344992 - 2016364869
Main Frame  Front Suspension Group (432Frm0) Diagram and Parts List for  Simplicity Lawn Tractor
Main Frame Front Suspension Group (432Frm0)
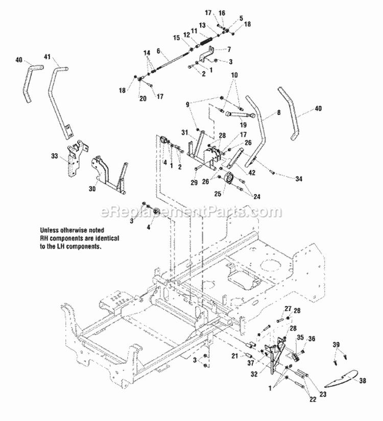
Motion Control Group Diagram and Parts List for  Simplicity Lawn Tractor
Motion Control Group
Parking Brake Group (432Pbr0) Diagram and Parts List for  Simplicity Lawn Tractor
Parking Brake Group (432Pbr0)
Pump Drive Group (5300234A) Diagram and Parts List for  Simplicity Lawn Tractor
Pump Drive Group (5300234A)
Rear Bumper Roll Bar  Seat Belt Group (279Bmp0) Diagram and Parts List for  Simplicity Lawn Tractor
Rear Bumper Roll Bar Seat Belt Group (279Bmp0)
Rear Suspension Group (423Sus0) Diagram and Parts List for  Simplicity Lawn Tractor
Rear Suspension Group (423Sus0)
Seat Mount  Floor Group - SN 2016269735  Below (432Skp0) Diagram and Parts List for  Simplicity Lawn Tractor
Seat Mount Floor Group - SN 2016269735 Below (432Skp0)
Seat Mount  Floor Group - SN 2016269736  Above (5300230) Diagram and Parts List for  Simplicity Lawn Tractor
Seat Mount Floor Group - SN 2016269736 Above (5300230)
Wheel  Tire Group (279Whl0) Diagram and Parts List for  Simplicity Lawn Tractor
Wheel Tire Group (279Whl0)
Previous Showing All Parts Next
61 Mower Deck - Hanger Chains
61 Mower Deck - Hanger Chains Diagram and Parts List for  Simplicity Lawn Tractor
61 Mower Deck - Housing Covers Spindles Blades
61 Mower Deck - Housing Covers Spindles  Blades Diagram and Parts List for  Simplicity Lawn Tractor
61 Mower Deck - Pulleys Belts Idler Arm
61 Mower Deck - Pulleys Belts  Idler Arm Diagram and Parts List for  Simplicity Lawn Tractor
61 Mower Deck - Rollers
61 Mower Deck - Rollers Diagram and Parts List for  Simplicity Lawn Tractor
61 Mower Deck - Striping Roller Bar
61 Mower Deck - Striping Roller Bar Diagram and Parts List for  Simplicity Lawn Tractor
Decals - Brand Model
Decals - Brand  Model Diagram and Parts List for  Simplicity Lawn Tractor
Decals - Safety Operation
Decals - Safety  Operation Diagram and Parts List for  Simplicity Lawn Tractor
Engine Pto Group - Briggs Stratton - Commercial Turf
Engine  Pto Group - Briggs  Stratton - Commercial Turf Diagram and Parts List for  Simplicity Lawn Tractor
Evap Canister Group
Evap Canister Group Diagram and Parts List for  Simplicity Lawn Tractor
Fuel Hose Supply Tank Replacement Parts Group
Fuel Hose Supply  Tank Replacement Parts Group Diagram and Parts List for  Simplicity Lawn Tractor
Fuel Tank Mount Group
Fuel Tank  Mount Group Diagram and Parts List for  Simplicity Lawn Tractor
Hydraulic Group
Hydraulic Group Diagram and Parts List for  Simplicity Lawn Tractor
Hydraulic Mount Group
Hydraulic Mount Group Diagram and Parts List for  Simplicity Lawn Tractor
Instrument Control Panel Group
Instrument Control Panel Group Diagram and Parts List for  Simplicity Lawn Tractor
Lift Group - Puller Bar SN 2016364870 Above (5302255A)
Lift Group - Puller Bar SN 2016364870  Above (5302255A) Diagram and Parts List for  Simplicity Lawn Tractor
Lift Group - Rods Pedals SN 2016364870 Above (5302255B)
Lift Group - Rods  Pedals SN 2016364870  Above (5302255B) Diagram and Parts List for  Simplicity Lawn Tractor
Lift Group - SN 2014344992 - 2016364869
Lift Group - SN 2014344992 - 2016364869 Diagram and Parts List for  Simplicity Lawn Tractor
Main Frame Front Suspension Group (432Frm0)
Main Frame  Front Suspension Group (432Frm0) Diagram and Parts List for  Simplicity Lawn Tractor
Motion Control Group
Motion Control Group Diagram and Parts List for  Simplicity Lawn Tractor
Parking Brake Group (432Pbr0)
Parking Brake Group (432Pbr0) Diagram and Parts List for  Simplicity Lawn Tractor
Pump Drive Group (5300234A)
Pump Drive Group (5300234A) Diagram and Parts List for  Simplicity Lawn Tractor
Rear Bumper Roll Bar Seat Belt Group (279Bmp0)
Rear Bumper Roll Bar  Seat Belt Group (279Bmp0) Diagram and Parts List for  Simplicity Lawn Tractor
Rear Suspension Group (423Sus0)
Rear Suspension Group (423Sus0) Diagram and Parts List for  Simplicity Lawn Tractor
Seat Mount Floor Group - SN 2016269735 Below (432Skp0)
Seat Mount  Floor Group - SN 2016269735  Below (432Skp0) Diagram and Parts List for  Simplicity Lawn Tractor
Seat Mount Floor Group - SN 2016269736 Above (5300230)
Seat Mount  Floor Group - SN 2016269736  Above (5300230) Diagram and Parts List for  Simplicity Lawn Tractor
Wheel Tire Group (279Whl0)
Wheel  Tire Group (279Whl0) Diagram and Parts List for  Simplicity Lawn Tractor