Simplicity Parts

Simplicity Javelin, 20Hp Kohler Rider W38 Lawn Tractor Replacement Parts For Model 2690476

We Sell Only Genuine Simplicity Parts

Popular Parts for 2690476

Search Within Model

Questions & Answers for Simplicity 2690476
Browse all Parts Search by Area
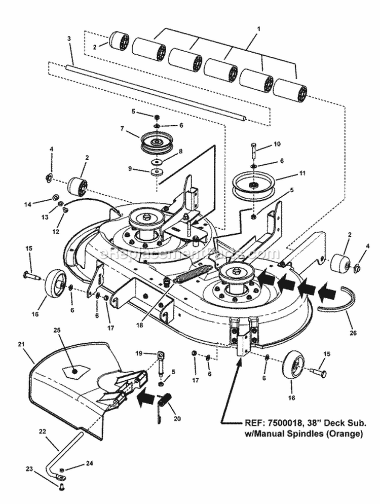
38  42 Mower Deck - Lift Group (Ja3842Dl) Diagram and Parts List for  Simplicity Lawn Tractor
38 42 Mower Deck - Lift Group (Ja3842Dl)
38 Mower Deck - Housing Arbors  Blades Group (Jav38Sub) Diagram and Parts List for  Simplicity Lawn Tractor
38 Mower Deck - Housing Arbors Blades Group (Jav38Sub)
38 Mower Deck Roller Group (Jav38Fnl) Diagram and Parts List for  Simplicity Lawn Tractor
38 Mower Deck Roller Group (Jav38Fnl)
Brake Group (Javpkbrk) Diagram and Parts List for  Simplicity Lawn Tractor
Brake Group (Javpkbrk)
Controls Group - Lh (Javlhcgd) Diagram and Parts List for  Simplicity Lawn Tractor
Controls Group - Lh (Javlhcgd)
Controls Group - Rh (Javrhcgd) Diagram and Parts List for  Simplicity Lawn Tractor
Controls Group - Rh (Javrhcgd)
Decal Group (Jadcldom) Diagram and Parts List for  Simplicity Lawn Tractor
Decal Group (Jadcldom)
Electrical Group (Javelect) Diagram and Parts List for  Simplicity Lawn Tractor
Electrical Group (Javelect)
Engine Group - 20 Hp Kohler Courage (Jav20Koh) Diagram and Parts List for  Simplicity Lawn Tractor
Engine Group - 20 Hp Kohler Courage (Jav20Koh)
Fender Group (Jafender) Diagram and Parts List for  Simplicity Lawn Tractor
Fender Group (Jafender)
Frame Group - Sub-Assembly (Javframe) Diagram and Parts List for  Simplicity Lawn Tractor
Frame Group - Sub-Assembly (Javframe)
Front Axle Group (Javfraxl) Diagram and Parts List for  Simplicity Lawn Tractor
Front Axle Group (Javfraxl)
Seat Group (Javseatg) Diagram and Parts List for  Simplicity Lawn Tractor
Seat Group (Javseatg)
Transaxle Group (Javtrans) Diagram and Parts List for  Simplicity Lawn Tractor
Transaxle Group (Javtrans)
Wheel Group - Multi-Trac (Javwheel) Diagram and Parts List for  Simplicity Lawn Tractor
Wheel Group - Multi-Trac (Javwheel)
Wiring Harness Group (Javwharn) Diagram and Parts List for  Simplicity Lawn Tractor
Wiring Harness Group (Javwharn)
Previous Showing All Parts Next
38 42 Mower Deck - Lift Group (Ja3842Dl)
38  42 Mower Deck - Lift Group (Ja3842Dl) Diagram and Parts List for  Simplicity Lawn Tractor
38 Mower Deck - Housing Arbors Blades Group (Jav38Sub)
38 Mower Deck - Housing Arbors  Blades Group (Jav38Sub) Diagram and Parts List for  Simplicity Lawn Tractor
38 Mower Deck Roller Group (Jav38Fnl)
38 Mower Deck Roller Group (Jav38Fnl) Diagram and Parts List for  Simplicity Lawn Tractor
Brake Group (Javpkbrk)
Brake Group (Javpkbrk) Diagram and Parts List for  Simplicity Lawn Tractor
Controls Group - Lh (Javlhcgd)
Controls Group - Lh (Javlhcgd) Diagram and Parts List for  Simplicity Lawn Tractor
Controls Group - Rh (Javrhcgd)
Controls Group - Rh (Javrhcgd) Diagram and Parts List for  Simplicity Lawn Tractor
Decal Group (Jadcldom)
Decal Group (Jadcldom) Diagram and Parts List for  Simplicity Lawn Tractor
Electrical Group (Javelect)
Electrical Group (Javelect) Diagram and Parts List for  Simplicity Lawn Tractor
Engine Group - 20 Hp Kohler Courage (Jav20Koh)
Engine Group - 20 Hp Kohler Courage (Jav20Koh) Diagram and Parts List for  Simplicity Lawn Tractor
Fender Group (Jafender)
Fender Group (Jafender) Diagram and Parts List for  Simplicity Lawn Tractor
Frame Group - Sub-Assembly (Javframe)
Frame Group - Sub-Assembly (Javframe) Diagram and Parts List for  Simplicity Lawn Tractor
Front Axle Group (Javfraxl)
Front Axle Group (Javfraxl) Diagram and Parts List for  Simplicity Lawn Tractor
Seat Group (Javseatg)
Seat Group (Javseatg) Diagram and Parts List for  Simplicity Lawn Tractor
Transaxle Group (Javtrans)
Transaxle Group (Javtrans) Diagram and Parts List for  Simplicity Lawn Tractor
Wheel Group - Multi-Trac (Javwheel)
Wheel Group - Multi-Trac (Javwheel) Diagram and Parts List for  Simplicity Lawn Tractor
Wiring Harness Group (Javwharn)
Wiring Harness Group (Javwharn) Diagram and Parts List for  Simplicity Lawn Tractor

Questions & Answers

?

Our customer Service team is at the ready daily to answer your part and product questions.

We're sorry, but our Q&A experts are temporarily unavailable.
Please check back later if you still haven't found the answer you need.

Ask our Team

We have a dedicated staff with decades of collective experience in helping customers just like you purchase parts to repair their products.