Simplicity Parts

Simplicity 1723H, 23Hp B&S Hydro Wps Rmo Lawn Tractor Replacement Parts For Model 1695154

We Sell Only Genuine Simplicity Parts

Popular Parts for 1695154

Search Within Model

Questions & Answers for Simplicity 1695154
Browse all Parts Search by Area
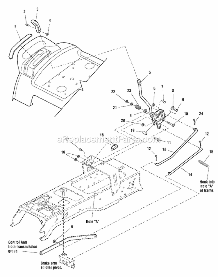
Controls Group - Cruise Control (985883) Diagram and Parts List for  Simplicity Lawn Tractor
Controls Group - Cruise Control (985883)
Controls Group (986599) Diagram and Parts List for  Simplicity Lawn Tractor
Controls Group (986599)
Decals Group - Brand  Model (B986613 986617 986620 986680 986787 986788 986793 986867 986870 986871 986872 986906 987114 987115 987116 987543 987686 988379 988380 988856 988942 989122 989495 989496 990004 990452 990342 990343) Diagram and Parts List for  Simplicity Lawn Tractor
Decals Group - Brand Model (B986613 986617 986620 986680 986787 986788 986793 986867 986870 986871 986872 986906 987114 987115 987116 987543 987686 988379 988380 988856 988942 989122 989495 989496 990004 990452 990342 990343)
Decals Group - Safety  Common (C986613 986617 986620 986680 986787 986788 986793 986867 986870 986871 986872 986906 987114 987115 987116 987543 987686 988379 988380  988856 988942 989122 989495 989496 990004 990342 990343) Diagram and Parts List for  Simplicity Lawn Tractor
Decals Group - Safety Common (C986613 986617 986620 986680 986787 986788 986793 986867 986870 986871 986872 986906 987114 987115 987116 987543 987686 988379 988380 988856 988942 989122 989495 989496 990004 990342 990343)
Electrical Group (986605 987481 987655 988885 989669) Diagram and Parts List for  Simplicity Lawn Tractor
Electrical Group (986605 987481 987655 988885 989669)
Engine Group - 20Hp 22Hp  23Hp Briggs  Stratton Vanguard Twin (985904 986651 986854 987113) Diagram and Parts List for  Simplicity Lawn Tractor
Engine Group - 20Hp 22Hp 23Hp Briggs Stratton Vanguard Twin (985904 986651 986854 987113)
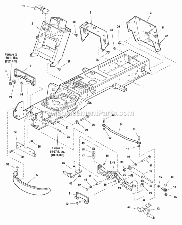
Frame Group - Power Steering (2987426) Diagram and Parts List for  Simplicity Lawn Tractor
Frame Group - Power Steering (2987426)
Hood Grille  Dash Group (986608 986609 986610 987167 987168 987169 989136 990098 Diagram and Parts List for  Simplicity Lawn Tractor
Hood Grille Dash Group (986608 986609 986610 987167 987168 987169 989136 990098
Lift Group - Manual (985894) Diagram and Parts List for  Simplicity Lawn Tractor
Lift Group - Manual (985894)
Seat  Seat Deck Group (985909 987928) Diagram and Parts List for  Simplicity Lawn Tractor
Seat Seat Deck Group (985909 987928)
Steering Group - Power Steering  Hydraulic Lift (2987528) Diagram and Parts List for  Simplicity Lawn Tractor
Steering Group - Power Steering Hydraulic Lift (2987528)
Steering Group - Tilt Steering (987424) Diagram and Parts List for  Simplicity Lawn Tractor
Steering Group - Tilt Steering (987424)
Transmission Group (986602 987529) Diagram and Parts List for  Simplicity Lawn Tractor
Transmission Group (986602 987529)
Wheels  Tires Group (W986613 986617 986620 986680 986787 986788 986793 986867 986870 986871 986872 986906 987114 987115 987116 987543 987686 988379 988380 988856 989122 990004 990452 990342 990343) Diagram and Parts List for  Simplicity Lawn Tractor
Wheels Tires Group (W986613 986617 986620 986680 986787 986788 986793 986867 986870 986871 986872 986906 987114 987115 987116 987543 987686 988379 988380 988856 989122 990004 990452 990342 990343)
Previous Showing All Parts Next
Controls Group - Cruise Control (985883)
Controls Group - Cruise Control (985883) Diagram and Parts List for  Simplicity Lawn Tractor
Controls Group (986599)
Controls Group (986599) Diagram and Parts List for  Simplicity Lawn Tractor
Decals Group - Brand Model (B986613 986617 986620 986680 986787 986788 986793 986867 986870 986871 986872 986906 987114 987115 987116 987543 987686 988379 988380 988856 988942 989122 989495 989496 990004 990452 990342 990343)
Decals Group - Brand  Model (B986613 986617 986620 986680 986787 986788 986793 986867 986870 986871 986872 986906 987114 987115 987116 987543 987686 988379 988380 988856 988942 989122 989495 989496 990004 990452 990342 990343) Diagram and Parts List for  Simplicity Lawn Tractor
Decals Group - Safety Common (C986613 986617 986620 986680 986787 986788 986793 986867 986870 986871 986872 986906 987114 987115 987116 987543 987686 988379 988380 988856 988942 989122 989495 989496 990004 990342 990343)
Decals Group - Safety  Common (C986613 986617 986620 986680 986787 986788 986793 986867 986870 986871 986872 986906 987114 987115 987116 987543 987686 988379 988380  988856 988942 989122 989495 989496 990004 990342 990343) Diagram and Parts List for  Simplicity Lawn Tractor
Electrical Group (986605 987481 987655 988885 989669)
Electrical Group (986605 987481 987655 988885 989669) Diagram and Parts List for  Simplicity Lawn Tractor
Engine Group - 20Hp 22Hp 23Hp Briggs Stratton Vanguard Twin (985904 986651 986854 987113)
Engine Group - 20Hp 22Hp  23Hp Briggs  Stratton Vanguard Twin (985904 986651 986854 987113) Diagram and Parts List for  Simplicity Lawn Tractor
Frame Group - Power Steering (2987426)
Frame Group - Power Steering (2987426) Diagram and Parts List for  Simplicity Lawn Tractor
Hood Grille Dash Group (986608 986609 986610 987167 987168 987169 989136 990098
Hood Grille  Dash Group (986608 986609 986610 987167 987168 987169 989136 990098 Diagram and Parts List for  Simplicity Lawn Tractor
Lift Group - Manual (985894)
Lift Group - Manual (985894) Diagram and Parts List for  Simplicity Lawn Tractor
Seat Seat Deck Group (985909 987928)
Seat  Seat Deck Group (985909 987928) Diagram and Parts List for  Simplicity Lawn Tractor
Steering Group - Power Steering Hydraulic Lift (2987528)
Steering Group - Power Steering  Hydraulic Lift (2987528) Diagram and Parts List for  Simplicity Lawn Tractor
Steering Group - Tilt Steering (987424)
Steering Group - Tilt Steering (987424) Diagram and Parts List for  Simplicity Lawn Tractor
Transmission Group (986602 987529)
Transmission Group (986602 987529) Diagram and Parts List for  Simplicity Lawn Tractor
Wheels Tires Group (W986613 986617 986620 986680 986787 986788 986793 986867 986870 986871 986872 986906 987114 987115 987116 987543 987686 988379 988380 988856 989122 990004 990452 990342 990343)
Wheels  Tires Group (W986613 986617 986620 986680 986787 986788 986793 986867 986870 986871 986872 986906 987114 987115 987116 987543 987686 988379 988380 988856 989122 990004 990452 990342 990343) Diagram and Parts List for  Simplicity Lawn Tractor

Questions & Answers

?

Our customer Service team is at the ready daily to answer your part and product questions.

We're sorry, but our Q&A experts are temporarily unavailable.
Please check back later if you still haven't found the answer you need.

Ask our Team

We have a dedicated staff with decades of collective experience in helping customers just like you purchase parts to repair their products.