Simplicity Parts

Simplicity Regent, 20Hp B&S Hydro Rmo (Ce Lawn Tractor Replacement Parts For Model 1695125

We Sell Only Genuine Simplicity Parts

Popular Parts for 1695125

Search Within Model

Browse all Parts Search by Area
Controls Group (986842 988054) Diagram and Parts List for  Simplicity Lawn Tractor
Controls Group (986842 988054)
Decals Group - Brand  Model (B986848 987066 987216 987217 987218 987219 987220 987225 987226 987227 987228 987229 987230 987231 987232 987233 987446 988138 988139 988840 988841 990376 990377 990378) Diagram and Parts List for  Simplicity Lawn Tractor
Decals Group - Brand Model (B986848 987066 987216 987217 987218 987219 987220 987225 987226 987227 987228 987229 987230 987231 987232 987233 987446 988138 988139 988840 988841 990376 990377 990378)
Decals Group - Safety  Common Group (C986848 987066 987216 987217 987218 987219 987220 987225 987226 987227 987228 987229 987230 987231 987232 987233 987446 988138 988139 988840 988841 990376 990377 990378) Diagram and Parts List for  Simplicity Lawn Tractor
Decals Group - Safety Common Group (C986848 987066 987216 987217 987218 987219 987220 987225 987226 987227 987228 987229 987230 987231 987232 987233 987446 988138 988139 988840 988841 990376 990377 990378)
Electrical Group (986851 987063 987209 987662 987661 988906 988994 988995) Diagram and Parts List for  Simplicity Lawn Tractor
Electrical Group (986851 987063 987209 987662 987661 988906 988994 988995)
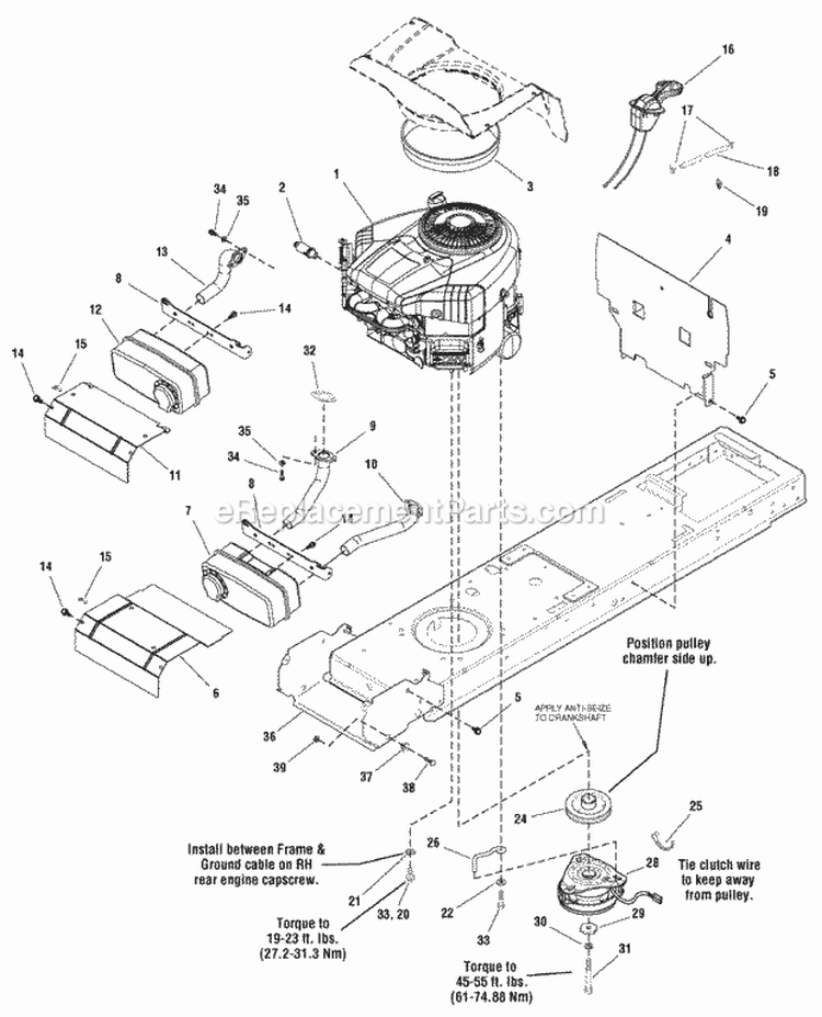
Engine Group (2987440 2987441 2987442 2987443 2987444 2987445 988050 988124 988128 988601 988602) Diagram and Parts List for  Simplicity Lawn Tractor
Engine Group (2987440 2987441 2987442 2987443 2987444 2987445 988050 988124 988128 988601 988602)
Frame  Front Axle Group (986847) Diagram and Parts List for  Simplicity Lawn Tractor
Frame Front Axle Group (986847)
Hood Grille  Dash Group (986844 987234) Diagram and Parts List for  Simplicity Lawn Tractor
Hood Grille Dash Group (986844 987234)
Lift Group - Manual (2987470 2987471 2987506) Diagram and Parts List for  Simplicity Lawn Tractor
Lift Group - Manual (2987470 2987471 2987506)
Seat Deck  Fuel Tank Group (987074 987208 988172) Diagram and Parts List for  Simplicity Lawn Tractor
Seat Deck Fuel Tank Group (987074 987208 988172)
Steering Group (986843 987110 989455) Diagram and Parts List for  Simplicity Lawn Tractor
Steering Group (986843 987110 989455)
Transmission Group -Tuff Torque (987060 987061) Diagram and Parts List for  Simplicity Lawn Tractor
Transmission Group -Tuff Torque (987060 987061)
Transmission Service Parts - Tuff Torq K46Bl (1729589) Diagram and Parts List for  Simplicity Lawn Tractor
Transmission Service Parts - Tuff Torq K46Bl (1729589)
Wheels  Tires Group (W986848 987066 987216 987217 987218 987219 987220 987225 987226 987227 987228 987229 987230 987231 987232 987233 987446 990376 990377 990378) Diagram and Parts List for  Simplicity Lawn Tractor
Wheels Tires Group (W986848 987066 987216 987217 987218 987219 987220 987225 987226 987227 987228 987229 987230 987231 987232 987233 987446 990376 990377 990378)
Previous Showing All Parts Next
Controls Group (986842 988054)
Controls Group (986842 988054) Diagram and Parts List for  Simplicity Lawn Tractor
Decals Group - Brand Model (B986848 987066 987216 987217 987218 987219 987220 987225 987226 987227 987228 987229 987230 987231 987232 987233 987446 988138 988139 988840 988841 990376 990377 990378)
Decals Group - Brand  Model (B986848 987066 987216 987217 987218 987219 987220 987225 987226 987227 987228 987229 987230 987231 987232 987233 987446 988138 988139 988840 988841 990376 990377 990378) Diagram and Parts List for  Simplicity Lawn Tractor
Decals Group - Safety Common Group (C986848 987066 987216 987217 987218 987219 987220 987225 987226 987227 987228 987229 987230 987231 987232 987233 987446 988138 988139 988840 988841 990376 990377 990378)
Decals Group - Safety  Common Group (C986848 987066 987216 987217 987218 987219 987220 987225 987226 987227 987228 987229 987230 987231 987232 987233 987446 988138 988139 988840 988841 990376 990377 990378) Diagram and Parts List for  Simplicity Lawn Tractor
Electrical Group (986851 987063 987209 987662 987661 988906 988994 988995)
Electrical Group (986851 987063 987209 987662 987661 988906 988994 988995) Diagram and Parts List for  Simplicity Lawn Tractor
Engine Group (2987440 2987441 2987442 2987443 2987444 2987445 988050 988124 988128 988601 988602)
Engine Group (2987440 2987441 2987442 2987443 2987444 2987445 988050 988124 988128 988601 988602) Diagram and Parts List for  Simplicity Lawn Tractor
Frame Front Axle Group (986847)
Frame  Front Axle Group (986847) Diagram and Parts List for  Simplicity Lawn Tractor
Hood Grille Dash Group (986844 987234)
Hood Grille  Dash Group (986844 987234) Diagram and Parts List for  Simplicity Lawn Tractor
Lift Group - Manual (2987470 2987471 2987506)
Lift Group - Manual (2987470 2987471 2987506) Diagram and Parts List for  Simplicity Lawn Tractor
Seat Deck Fuel Tank Group (987074 987208 988172)
Seat Deck  Fuel Tank Group (987074 987208 988172) Diagram and Parts List for  Simplicity Lawn Tractor
Steering Group (986843 987110 989455)
Steering Group (986843 987110 989455) Diagram and Parts List for  Simplicity Lawn Tractor
Transmission Group -Tuff Torque (987060 987061)
Transmission Group -Tuff Torque (987060 987061) Diagram and Parts List for  Simplicity Lawn Tractor
Transmission Service Parts - Tuff Torq K46Bl (1729589)
Transmission Service Parts - Tuff Torq K46Bl (1729589) Diagram and Parts List for  Simplicity Lawn Tractor
Wheels Tires Group (W986848 987066 987216 987217 987218 987219 987220 987225 987226 987227 987228 987229 987230 987231 987232 987233 987446 990376 990377 990378)
Wheels  Tires Group (W986848 987066 987216 987217 987218 987219 987220 987225 987226 987227 987228 987229 987230 987231 987232 987233 987446 990376 990377 990378) Diagram and Parts List for  Simplicity Lawn Tractor