Simplicity Parts

Simplicity 1718H, 18Hp Hydro Tractor Only Lawn Tractor Replacement Parts For Model 1694236

We Sell Only Genuine Simplicity Parts

Popular Parts for 1694236

Search Within Model

Questions & Answers for Simplicity 1694236
Browse all Parts Search by Area
Controls Group - Cruise Control (985883) Diagram and Parts List for  Simplicity Lawn Tractor
Controls Group - Cruise Control (985883)
Controls Group (985882) Diagram and Parts List for  Simplicity Lawn Tractor
Controls Group (985882)
Decals Group - Brand  Model (B985914) Diagram and Parts List for  Simplicity Lawn Tractor
Decals Group - Brand Model (B985914)
Decals Group - Safety  Common (C985914) Diagram and Parts List for  Simplicity Lawn Tractor
Decals Group - Safety Common (C985914)
Electrical Group (985911) Diagram and Parts List for  Simplicity Lawn Tractor
Electrical Group (985911)
Engine Group - Electric Clutch - 18Hp Briggs  Stratton (985903) Diagram and Parts List for  Simplicity Lawn Tractor
Engine Group - Electric Clutch - 18Hp Briggs Stratton (985903)
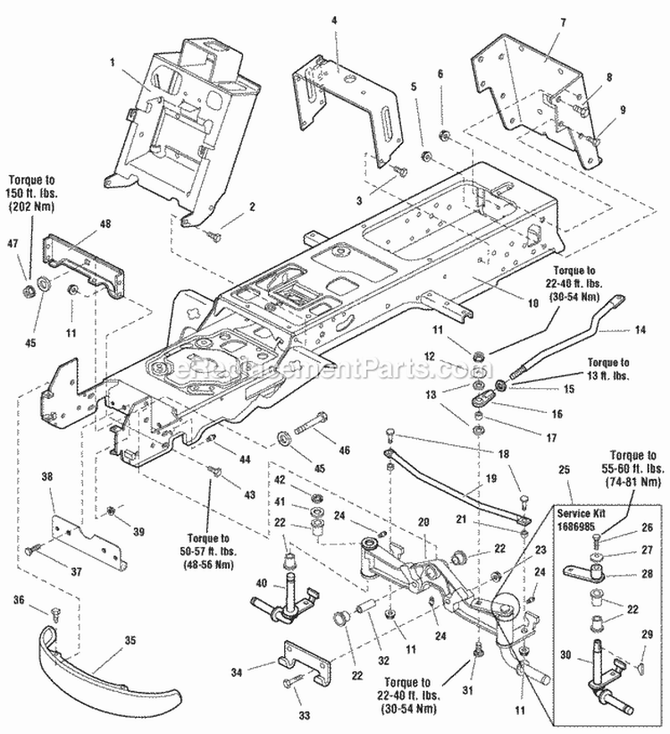
Frame Group (985881) Diagram and Parts List for  Simplicity Lawn Tractor
Frame Group (985881)
Hood Grill  Dash Group (985897) Diagram and Parts List for  Simplicity Lawn Tractor
Hood Grill Dash Group (985897)
Lift Group - Manual (985894) Diagram and Parts List for  Simplicity Lawn Tractor
Lift Group - Manual (985894)
Seat  Seat Deck Group (985908) Diagram and Parts List for  Simplicity Lawn Tractor
Seat Seat Deck Group (985908)
Steering Group - Manual Steering (985890) Diagram and Parts List for  Simplicity Lawn Tractor
Steering Group - Manual Steering (985890)
Transmission Group (985888) Diagram and Parts List for  Simplicity Lawn Tractor
Transmission Group (985888)
Transmission Service Parts - Tuff Torq K66L (Before Serial No 2000676239) (1721952) Diagram and Parts List for  Simplicity Lawn Tractor
Transmission Service Parts - Tuff Torq K66L (Before Serial No 2000676239) (1721952)
Wheels  Tires Group (W985914) Diagram and Parts List for  Simplicity Lawn Tractor
Wheels Tires Group (W985914)
Previous Showing All Parts Next
Controls Group - Cruise Control (985883)
Controls Group - Cruise Control (985883) Diagram and Parts List for  Simplicity Lawn Tractor
Controls Group (985882)
Controls Group (985882) Diagram and Parts List for  Simplicity Lawn Tractor
Decals Group - Brand Model (B985914)
Decals Group - Brand  Model (B985914) Diagram and Parts List for  Simplicity Lawn Tractor
Decals Group - Safety Common (C985914)
Decals Group - Safety  Common (C985914) Diagram and Parts List for  Simplicity Lawn Tractor
Electrical Group (985911)
Electrical Group (985911) Diagram and Parts List for  Simplicity Lawn Tractor
Engine Group - Electric Clutch - 18Hp Briggs Stratton (985903)
Engine Group - Electric Clutch - 18Hp Briggs  Stratton (985903) Diagram and Parts List for  Simplicity Lawn Tractor
Frame Group (985881)
Frame Group (985881) Diagram and Parts List for  Simplicity Lawn Tractor
Hood Grill Dash Group (985897)
Hood Grill  Dash Group (985897) Diagram and Parts List for  Simplicity Lawn Tractor
Lift Group - Manual (985894)
Lift Group - Manual (985894) Diagram and Parts List for  Simplicity Lawn Tractor
Seat Seat Deck Group (985908)
Seat  Seat Deck Group (985908) Diagram and Parts List for  Simplicity Lawn Tractor
Steering Group - Manual Steering (985890)
Steering Group - Manual Steering (985890) Diagram and Parts List for  Simplicity Lawn Tractor
Transmission Group (985888)
Transmission Group (985888) Diagram and Parts List for  Simplicity Lawn Tractor
Transmission Service Parts - Tuff Torq K66L (Before Serial No 2000676239) (1721952)
Transmission Service Parts - Tuff Torq K66L (Before Serial No 2000676239) (1721952) Diagram and Parts List for  Simplicity Lawn Tractor
  • M-2
    Stay – Part Number: 1724704SM
    Stay
    Part Number: 1724704SM
      No Longer Available
  • M-5
    Housing, Lower – Part Number: 1724694SM
    Housing, Lower
    Part Number: 1724694SM
      Special Order
    $289.97
  • M-6
    Cap, M20B – Part Number: 1724696SM
    Cap, M20B
    Part Number: 1724696SM
      Special Order
    $13.74
  • M-7
    Bolt, 8 X 75" – Part Number: 1718226SM
    Bolt, 8 X 75"
    Part Number: 1718226SM
      Special Order
    $6.20
  • M-8
    Filter – Part Number: 1720761SM
    Filter
    Part Number: 1720761SM
      Special Order
    $57.88
  • M-9
    Magnet Complete – Part Number: 1718065SM
    Magnet Complete
    Part Number: 1718065SM
      No Longer Available
  • M-11
    WASHER, Seal 10 – Part Number: 1720796SM
    WASHER, Seal 10
    Part Number: 1720796SM
      No Longer Available
  • M-12
    Bushing, 25.4 – Part Number: 1724693SM
    Bushing, 25.4
    Part Number: 1724693SM
      No Longer Available
  • M-12
    Ring 35 22252-00035 – Part Number: 1708650SM
    Ring 35 22252-00035
    Part Number: 1708650SM
      No Longer Available
  • M-13
    PACKING, P18 – Part Number: 1707786SM
    PACKING, P18
    Part Number: 1707786SM
      Special Order
    $10.11
  • M-14
    Seal, Input Shaft – Part Number: 7073794YP
    Seal, Input Shaft
    Part Number: 7073794YP
    ★★★★★
    ★★★★★
    (1)
      Special Order
    $32.87
  • M-16
    BOLT, 10 x 12 – Part Number: 1720788SM
    BOLT, 10 x 12
    Part Number: 1720788SM
      No Longer Available
  • M-17
    Screw, Tapping, 8 30 – Part Number: 1707789SM
    Screw, Tapping, 8 30
    Part Number: 1707789SM
      Special Order
    $9.98
  • M-18
    Case, Center – Part Number: 1724697SM
    Case, Center
    Part Number: 1724697SM
      Special Order
    $541.09
  • M-20
    Packing – Part Number: 7073793YP
    Packing
    Part Number: 7073793YP
      Special Order
    $9.18
  • M-21
    Pin, 3 X 9.8 – Part Number: 7073784YP
    Pin, 3 X 9.8
    Part Number: 7073784YP
      No Longer Available
  • M-22
    Filter – Part Number: 1725633SM
    Filter
    Part Number: 1725633SM
      Special Order
    $112.50
  • M-23
    Bolt, 10 X 65 – Part Number: 1724698SM
    Bolt, 10 X 65
    Part Number: 1724698SM
      No Longer Available
  • M-24
    Cylinder Block (Complete) – Part Number: 7073786YP
    Cylinder Block (Complete)
    Part Number: 7073786YP
      Special Order
    $1402.07
  • M-25
    SHAFT,PUMP 1A6320- – Part Number: 1724699SM
    SHAFT,PUMP 1A6320-
    Part Number: 1724699SM
      Special Order
    $161.44
  • M-26
    Ring, Snap, S15 – Part Number: 1708672SM
    Ring, Snap, S15
    Part Number: 1708672SM
      Special Order
    $7.54
  • M-27
    Bearing, 6202Uc3 – Part Number: 7073792YP
    Bearing, 6202Uc3
    Part Number: 7073792YP
      Special Order
    $81.55
  • M-29
    Thrust Bearing – Part Number: 1708675SM
    Thrust Bearing
    Part Number: 1708675SM
      Special Order
    $101.58
  • M-31
    Washer, 12 24 1 – Part Number: 1718084SM
    Washer, 12 24 1
    Part Number: 1718084SM
      Special Order
    $6.42
  • M-32
    Shaft, Motor – Part Number: 1724701SM
    Shaft, Motor
    Part Number: 1724701SM
      Special Order
    $235.80
  • M-36
    Bearing, 6302Uc3 – Part Number: 1724702SM
    Bearing, 6302Uc3
    Part Number: 1724702SM
      No Longer Available
  • M-38
    Thrust Metal – Part Number: 1718089SM
    Thrust Metal
    Part Number: 1718089SM
      Special Order
    $25.69
  • M-40
    BEARING K81106 192 – Part Number: 1718237SM
    BEARING K81106 192
    Part Number: 1718237SM
      Special Order
    $32.92
  • M-42
    THRUST PLATE B 192 – Part Number: 1718239SM
    THRUST PLATE B 192
    Part Number: 1718239SM
      Special Order
    $30.87
  • M-43
    Spring – Part Number: 1725730SM
    Spring
    Part Number: 1725730SM
      No Longer Available
  • M-45
    Lever – Part Number: 7073750YP
    Lever
    Part Number: 7073750YP
      Special Order
    $25.96
  • M-46
    Ring – Part Number: 7073787YP
    Ring
    Part Number: 7073787YP
      No Longer Available
  • M-47
    Pin, 3.0A20 – Part Number: 1707839SM
    Pin, 3.0A20
    Part Number: 1707839SM
      Special Order
    $6.16
  • M-48
    SHOCK ABSORBER – Part Number: 1718039SM
    SHOCK ABSORBER
    Part Number: 1718039SM
      Special Order
    $269.35
  • M-50
    PIN – Part Number: 1724705SM
    PIN
    Part Number: 1724705SM
      No Longer Available
  • M-52
    Pin, 3.5 X 25 – Part Number: 1724707SM
    Pin, 3.5 X 25
    Part Number: 1724707SM
      Special Order
    $4.28
  • M-54
    Pin, Spring – Part Number: 1960588SM
    Pin, Spring
    Part Number: 1960588SM
      Special Order
    $6.28
  • M-59
    SEAL TC162606 1940 – Part Number: 1718120SM
    SEAL TC162606 1940
    Part Number: 1718120SM
      Special Order
    $16.24
  • M-62
    Washer, 12 – Part Number: 1708689SM
    Washer, 12
    Part Number: 1708689SM
      Special Order
    $6.16
  • M-63
    Packing, P14 – Part Number: 1707879SM
    Packing, P14
    Part Number: 1707879SM
      Special Order
    $6.28
  • M-64
    Nut 12 – Part Number: 1708692SM
    Nut 12
    Part Number: 1708692SM
      Special Order
    $6.16
  • M-66
    Diff. Gear Kit – Part Number: 1718262SM
    Diff. Gear Kit
    Part Number: 1718262SM
      Special Order
    $889.05
  • M-70
    Washer, 15 X 32 X 3.2 – Part Number: 1724715SM
    Washer, 15 X 32 X 3.2
    Part Number: 1724715SM
      Special Order
    $6.16
  • M-71
    Gear, Reduction – Part Number: 1724716SM
    Gear, Reduction
    Part Number: 1724716SM
      No Longer Available
  • M-72
    Pinion, Final – Part Number: 1724717SM
    Pinion, Final
    Part Number: 1724717SM
      No Longer Available
  • M-77
    Ring – Part Number: 1720859SM
    Ring
    Part Number: 1720859SM
      No Longer Available
  • M-80
    COLLAR 25.4 (1A63 – Part Number: 1724720SM
    COLLAR 25.4 (1A63
    Part Number: 1724720SM
      Special Order
    $42.63
  • M-81
    Seal (S25.4X42X8) – Part Number: 1718264SM
    Seal (S25.4X42X8)
    Part Number: 1718264SM
      Special Order
    $34.39
  • M-82
    Thrust Washer – Part Number: 1720858SM
    Thrust Washer
    Part Number: 1720858SM
      Special Order
    $19.19
  • M-85
    Arm, Brake – Part Number: 1724721SM
    Arm, Brake
    Part Number: 1724721SM
      No Longer Available
  • M-86
    Spring, Brake – Part Number: 1724722SM
    Spring, Brake
    Part Number: 1724722SM
      Special Order
    $16.97
  • M-87
    Disc, Brake – Part Number: 1724723SM
    Disc, Brake
    Part Number: 1724723SM
      Special Order
    $33.01
  • M-89
    Shim Set – Part Number: 1724725SM
    Shim Set
    Part Number: 1724725SM
      Special Order
    $6.16
  • M-90
    Actuator, Brake – Part Number: 1724726SM
    Actuator, Brake
    Part Number: 1724726SM
      Special Order
    $13.34
  • M-92
    Washer, 16 X 23 X 1.6 – Part Number: 1724728SM
    Washer, 16 X 23 X 1.6
    Part Number: 1724728SM
      No Longer Available
  • M-93
    (TT) PACKING P12 – Part Number: 7073763YP
    (TT) PACKING P12
    Part Number: 7073763YP
      Special Order
    $10.15
  • M-100
    Ring – Part Number: 1707912SM
    Ring
    Part Number: 1707912SM
      Special Order
    $6.16
  • M-103
    CAP, (M40) – Part Number: 1720807SM
    CAP, (M40)
    Part Number: 1720807SM
      Special Order
    $23.27
  • M-104
    PACKING – Part Number: 1720808SM
    PACKING
    Part Number: 1720808SM
      Special Order
    $8.20
  • M-107
    Spring – Part Number: 1708669SM
    Spring
    Part Number: 1708669SM
      No Longer Available
  • M-113
    Pin 3 X 13.8 – Part Number: 1722223SM
    Pin 3 X 13.8
    Part Number: 1722223SM
      No Longer Available
  • M-119
    Ring, E15 – Part Number: 7073756YP
    Ring, E15
    Part Number: 7073756YP
      Special Order
    $6.16
  • M-121
    FORK DIFF LOCK 1A6 – Part Number: 1724731SM
    FORK DIFF LOCK 1A6
    Part Number: 1724731SM
      Special Order
    $63.19
  • M-124
    Hook, Spring – Part Number: 1724734SM
    Hook, Spring
    Part Number: 1724734SM
      Special Order
    $11.04
  • M-125
    Plate, Arm – Part Number: 1724735SM
    Plate, Arm
    Part Number: 1724735SM
      Special Order
    $12.41
  • M-126
    Slider, Diff Lock – Part Number: 1724736SM
    Slider, Diff Lock
    Part Number: 1724736SM
      Special Order
    $87.72
  • M-127
    PIN DIFF LOCK – Part Number: 1724737SM
    PIN DIFF LOCK
    Part Number: 1724737SM
      Special Order
    $21.55
  • M-128
    PLATE-DIFF LOCK K66 – Part Number: 1724738SM
    PLATE-DIFF LOCK K66
    Part Number: 1724738SM
      Special Order
    $60.37
  • M-129
    PACKING-1AG25 K66 – Part Number: 1724739SM
    PACKING-1AG25 K66
    Part Number: 1724739SM
      Special Order
    $11.25
  • M-132
    Pump, Charge – Part Number: 1724729SM
    Pump, Charge
    Part Number: 1724729SM
      No Longer Available
  • M-137
    VALVE VENT 15 1A63 – Part Number: 1724740SM
    VALVE VENT 15 1A63
    Part Number: 1724740SM
      Special Order
    $32.09
  • M-138
    Tank, Reservoir – Part Number: 1724742SM
    Tank, Reservoir
    Part Number: 1724742SM
      No Longer Available
  • M-141
    Screw, Taptite – Part Number: 1707890SM
    Screw, Taptite
    Part Number: 1707890SM
      Special Order
    $6.16
  • M-143
    Bolt, 8 X 20 – Part Number: 1724695SM
    Bolt, 8 X 20
    Part Number: 1724695SM
      No Longer Available
  • M-145
    Seal, 8 – Part Number: 1724745SM
    Seal, 8
    Part Number: 1724745SM
      Special Order
    $7.94
  • M-150
    PIN 6X25 22351-06 – Part Number: 1718097SM
    PIN 6X25 22351-06
    Part Number: 1718097SM
      Special Order
    $6.16
  • M-153
    Spring, Return – Part Number: 1724741SM
    Spring, Return
    Part Number: 1724741SM
      No Longer Available
  • M-200
    Seal Kit – Part Number: 1731977YP
    Seal Kit
    Part Number: 1731977YP
      Special Order
    $283.54
Wheels Tires Group (W985914)
Wheels  Tires Group (W985914) Diagram and Parts List for  Simplicity Lawn Tractor

Questions & Answers

?

Our customer Service team is at the ready daily to answer your part and product questions.

We're sorry, but our Q&A experts are temporarily unavailable.
Please check back later if you still haven't found the answer you need.

Ask our Team

We have a dedicated staff with decades of collective experience in helping customers just like you purchase parts to repair their products.