Simplicity Parts

Simplicity Sovereign, 18Hp Hydro Wps And Lawn Tractor Replacement Parts For Model 1692799

We Sell Only Genuine Simplicity Parts

Popular Parts for 1692799

Search Within Model

Questions & Answers for Simplicity 1692799
Browse all Parts Search by Area
48 Mower - Cover Drive  Bail Group Diagram and Parts List for  Simplicity Lawn Tractor
48 Mower - Cover Drive Bail Group
48 Mower Deck - Deflector Stone Guard  Arm Assembly Group Diagram and Parts List for  Simplicity Lawn Tractor
48 Mower Deck - Deflector Stone Guard Arm Assembly Group
48 Mower Deck - Height Adjusting  Roller Group Diagram and Parts List for  Simplicity Lawn Tractor
48 Mower Deck - Height Adjusting Roller Group
48 Mower Deck - Housing  Arbor Group Diagram and Parts List for  Simplicity Lawn Tractor
48 Mower Deck - Housing Arbor Group
48 Mower Deck-Cover Drive  Bail Group Diagram and Parts List for  Simplicity Lawn Tractor
48 Mower Deck-Cover Drive Bail Group
Bevel Gear  Side Plate Group Diagram and Parts List for  Simplicity Lawn Tractor
Bevel Gear Side Plate Group
Clutch  Brake Control Group Diagram and Parts List for  Simplicity Lawn Tractor
Clutch Brake Control Group
Clutch  Brake Group Diagram and Parts List for  Simplicity Lawn Tractor
Clutch Brake Group
Control Valve Service Parts Diagram and Parts List for  Simplicity Lawn Tractor
Control Valve Service Parts
Dash Hood  Grille Group - Power Steering Models Diagram and Parts List for  Simplicity Lawn Tractor
Dash Hood Grille Group - Power Steering Models
Decals - Brand  Model Diagram and Parts List for  Simplicity Lawn Tractor
Decals - Brand Model
Decals - Safety  Common Diagram and Parts List for  Simplicity Lawn Tractor
Decals - Safety Common
Draw Bar Group Diagram and Parts List for  Simplicity Lawn Tractor
Draw Bar Group
Electrical Group - Early Models Diagram and Parts List for  Simplicity Lawn Tractor
Electrical Group - Early Models
Engine Exhaust  Drive Shaft Group - Kohler 18Hp Ohv Diagram and Parts List for  Simplicity Lawn Tractor
Engine Exhaust Drive Shaft Group - Kohler 18Hp Ohv
Frame  Footrest Group Diagram and Parts List for  Simplicity Lawn Tractor
Frame Footrest Group
Front Axle Group Diagram and Parts List for  Simplicity Lawn Tractor
Front Axle Group
Hydrostatic Control Group Diagram and Parts List for  Simplicity Lawn Tractor
Hydrostatic Control Group
Hydrostatic Pump Diagram and Parts List for  Simplicity Lawn Tractor
Hydrostatic Pump
Hydrostatic Pump Group Diagram and Parts List for  Simplicity Lawn Tractor
Hydrostatic Pump Group
Lift Group - Hydraulic Diagram and Parts List for  Simplicity Lawn Tractor
Lift Group - Hydraulic
Power Steering Valve Service Parts Diagram and Parts List for  Simplicity Lawn Tractor
Power Steering Valve Service Parts
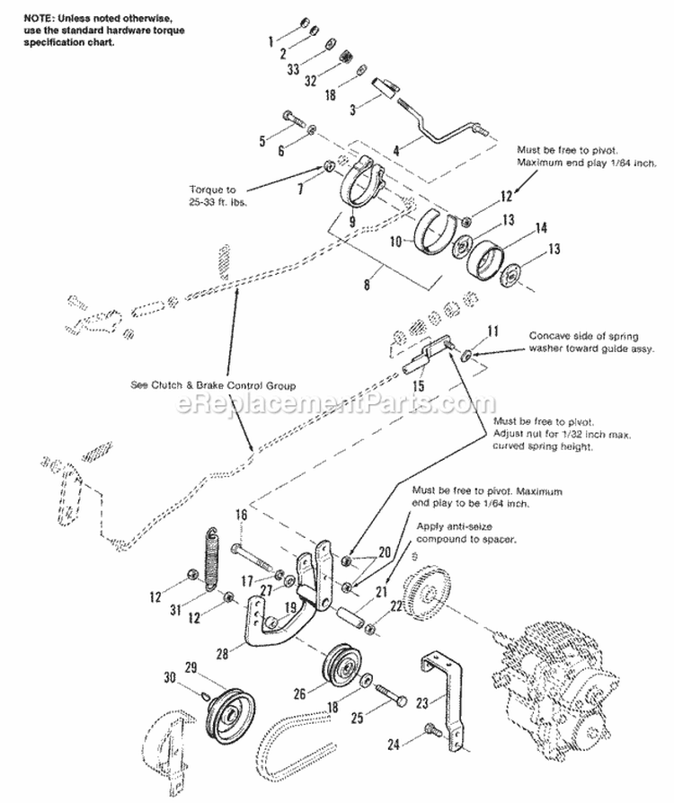
Pto Control  Cone Clutch Group Diagram and Parts List for  Simplicity Lawn Tractor
Pto Control Cone Clutch Group
Rear Axle  Differential Group Diagram and Parts List for  Simplicity Lawn Tractor
Rear Axle Differential Group
Seat  Deck Group - Early Models Diagram and Parts List for  Simplicity Lawn Tractor
Seat Deck Group - Early Models
Steering Group - Power Diagram and Parts List for  Simplicity Lawn Tractor
Steering Group - Power
Tire  Wheel Group Diagram and Parts List for  Simplicity Lawn Tractor
Tire Wheel Group
Transmission Group Diagram and Parts List for  Simplicity Lawn Tractor
Transmission Group
Previous Showing All Parts Next
48 Mower - Cover Drive Bail Group
48 Mower - Cover Drive  Bail Group Diagram and Parts List for  Simplicity Lawn Tractor
48 Mower Deck - Deflector Stone Guard Arm Assembly Group
48 Mower Deck - Deflector Stone Guard  Arm Assembly Group Diagram and Parts List for  Simplicity Lawn Tractor
48 Mower Deck - Height Adjusting Roller Group
48 Mower Deck - Height Adjusting  Roller Group Diagram and Parts List for  Simplicity Lawn Tractor
48 Mower Deck - Housing Arbor Group
48 Mower Deck - Housing  Arbor Group Diagram and Parts List for  Simplicity Lawn Tractor
48 Mower Deck-Cover Drive Bail Group
48 Mower Deck-Cover Drive  Bail Group Diagram and Parts List for  Simplicity Lawn Tractor
Bevel Gear Side Plate Group
Bevel Gear  Side Plate Group Diagram and Parts List for  Simplicity Lawn Tractor
Clutch Brake Control Group
Clutch  Brake Control Group Diagram and Parts List for  Simplicity Lawn Tractor
Clutch Brake Group
Clutch  Brake Group Diagram and Parts List for  Simplicity Lawn Tractor
Control Valve Service Parts
Control Valve Service Parts Diagram and Parts List for  Simplicity Lawn Tractor
Dash Hood Grille Group - Power Steering Models
Dash Hood  Grille Group - Power Steering Models Diagram and Parts List for  Simplicity Lawn Tractor
Decals - Brand Model
Decals - Brand  Model Diagram and Parts List for  Simplicity Lawn Tractor
Decals - Safety Common
Decals - Safety  Common Diagram and Parts List for  Simplicity Lawn Tractor
Draw Bar Group
Draw Bar Group Diagram and Parts List for  Simplicity Lawn Tractor
Electrical Group - Early Models
Electrical Group - Early Models Diagram and Parts List for  Simplicity Lawn Tractor
Engine Exhaust Drive Shaft Group - Kohler 18Hp Ohv
Engine Exhaust  Drive Shaft Group - Kohler 18Hp Ohv Diagram and Parts List for  Simplicity Lawn Tractor
Frame Footrest Group
Frame  Footrest Group Diagram and Parts List for  Simplicity Lawn Tractor
Front Axle Group
Front Axle Group Diagram and Parts List for  Simplicity Lawn Tractor
Hydrostatic Control Group
Hydrostatic Control Group Diagram and Parts List for  Simplicity Lawn Tractor
Hydrostatic Pump
Hydrostatic Pump Diagram and Parts List for  Simplicity Lawn Tractor
Hydrostatic Pump Group
Hydrostatic Pump Group Diagram and Parts List for  Simplicity Lawn Tractor
Lift Group - Hydraulic
Lift Group - Hydraulic Diagram and Parts List for  Simplicity Lawn Tractor
Power Steering Valve Service Parts
Power Steering Valve Service Parts Diagram and Parts List for  Simplicity Lawn Tractor
Pto Control Cone Clutch Group
Pto Control  Cone Clutch Group Diagram and Parts List for  Simplicity Lawn Tractor
Rear Axle Differential Group
Rear Axle  Differential Group Diagram and Parts List for  Simplicity Lawn Tractor
Seat Deck Group - Early Models
Seat  Deck Group - Early Models Diagram and Parts List for  Simplicity Lawn Tractor
Steering Group - Power
Steering Group - Power Diagram and Parts List for  Simplicity Lawn Tractor
Tire Wheel Group
Tire  Wheel Group Diagram and Parts List for  Simplicity Lawn Tractor
Transmission Group
Transmission Group Diagram and Parts List for  Simplicity Lawn Tractor

Questions & Answers

?

Our customer Service team is at the ready daily to answer your part and product questions.

We're sorry, but our Q&A experts are temporarily unavailable.
Please check back later if you still haven't found the answer you need.

Ask our Team

We have a dedicated staff with decades of collective experience in helping customers just like you purchase parts to repair their products.