Simplicity Parts

Simplicity Landlord 18Hp, Hydro Lawn Tractor Replacement Parts For Model 1692006

We Sell Only Genuine Simplicity Parts

Popular Parts for 1692006

Search Within Model

Browse all Parts Search by Area
Clutch  Support Group Diagram and Parts List for  Simplicity Lawn Tractor
Clutch Support Group
Decal Group - Early Models Diagram and Parts List for  Simplicity Lawn Tractor
Decal Group - Early Models
Electric Lift Assembly - Service Parts Diagram and Parts List for  Simplicity Lawn Tractor
Electric Lift Assembly - Service Parts
Electric Lift Kit Mfg No 1692032 (Optional On Gear Models) Diagram and Parts List for  Simplicity Lawn Tractor
Electric Lift Kit Mfg No 1692032 (Optional On Gear Models)
Electrical Group - Lower Harness Diagram and Parts List for  Simplicity Lawn Tractor
Electrical Group - Lower Harness
Electrical Group - Main Harness Diagram and Parts List for  Simplicity Lawn Tractor
Electrical Group - Main Harness
Engine Group - Electric Clutch - 16  18Hp Briggs  Stratton - Early Models Diagram and Parts List for  Simplicity Lawn Tractor
Engine Group - Electric Clutch - 16 18Hp Briggs Stratton - Early Models
Foot Controls Group Diagram and Parts List for  Simplicity Lawn Tractor
Foot Controls Group
Frame  Front Axle Group Diagram and Parts List for  Simplicity Lawn Tractor
Frame Front Axle Group
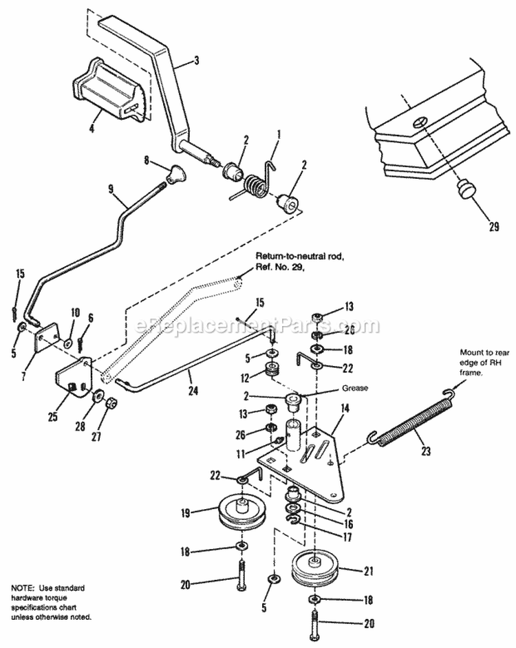
Hand Controls Group Diagram and Parts List for  Simplicity Lawn Tractor
Hand Controls Group
Hood Grille  Dash Group Diagram and Parts List for  Simplicity Lawn Tractor
Hood Grille Dash Group
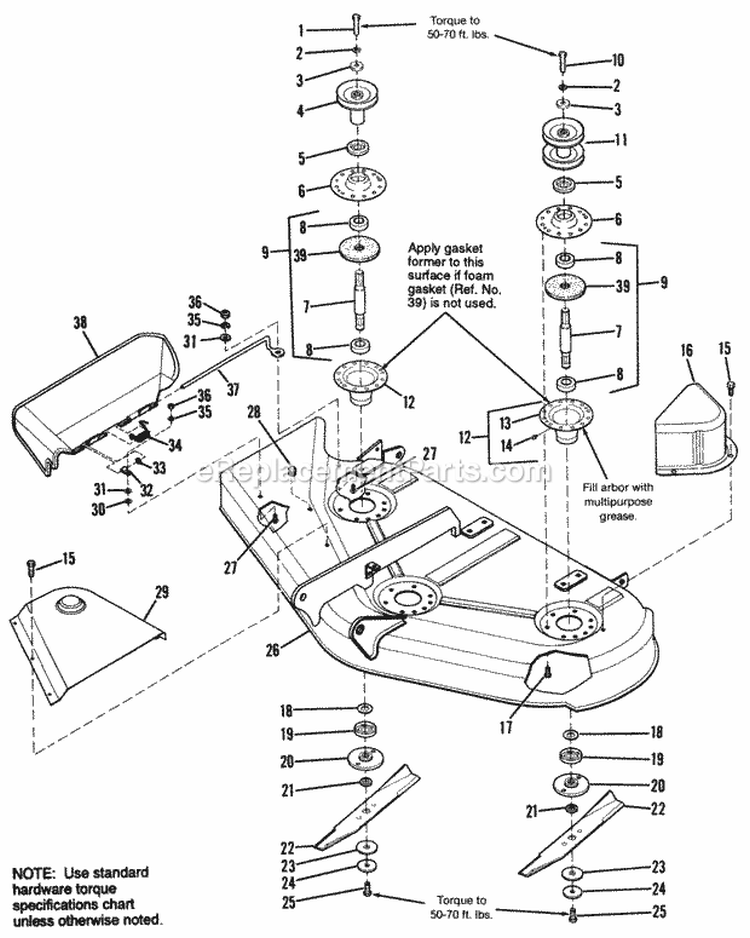
Housing  Arbor Group Diagram and Parts List for  Simplicity Lawn Tractor
Housing Arbor Group
Hydro Pump Service Parts Diagram and Parts List for  Simplicity Lawn Tractor
Hydro Pump Service Parts
Hydro Transmission Service Parts Diagram and Parts List for  Simplicity Lawn Tractor
Hydro Transmission Service Parts
Hydro Transmission Service Parts - Diagram 2 Diagram and Parts List for  Simplicity Lawn Tractor
Hydro Transmission Service Parts - Diagram 2
Hydro Transmission Service Parts - Diagram 3 Diagram and Parts List for  Simplicity Lawn Tractor
Hydro Transmission Service Parts - Diagram 3
Hydro Transmission Service Parts - Diagram 4 Diagram and Parts List for  Simplicity Lawn Tractor
Hydro Transmission Service Parts - Diagram 4
Hydrostatic Cam  Lever Group - Early Models Diagram and Parts List for  Simplicity Lawn Tractor
Hydrostatic Cam Lever Group - Early Models
Hydrostatic Cam  Lever Group - Later Models Diagram and Parts List for  Simplicity Lawn Tractor
Hydrostatic Cam Lever Group - Later Models
Hydrostatic Transmission Pump  Pulley Group Diagram and Parts List for  Simplicity Lawn Tractor
Hydrostatic Transmission Pump Pulley Group
Seat Deck  Fuel Tank Group Diagram and Parts List for  Simplicity Lawn Tractor
Seat Deck Fuel Tank Group
Steering Group Diagram and Parts List for  Simplicity Lawn Tractor
Steering Group
Wheels  Tires Group Diagram and Parts List for  Simplicity Lawn Tractor
Wheels Tires Group
Previous Showing All Parts Next
Clutch Support Group
Clutch  Support Group Diagram and Parts List for  Simplicity Lawn Tractor
Decal Group - Early Models
Decal Group - Early Models Diagram and Parts List for  Simplicity Lawn Tractor
Electric Lift Assembly - Service Parts
Electric Lift Assembly - Service Parts Diagram and Parts List for  Simplicity Lawn Tractor
Electric Lift Kit Mfg No 1692032 (Optional On Gear Models)
Electric Lift Kit Mfg No 1692032 (Optional On Gear Models) Diagram and Parts List for  Simplicity Lawn Tractor
Electrical Group - Lower Harness
Electrical Group - Lower Harness Diagram and Parts List for  Simplicity Lawn Tractor
Electrical Group - Main Harness
Electrical Group - Main Harness Diagram and Parts List for  Simplicity Lawn Tractor
Engine Group - Electric Clutch - 16 18Hp Briggs Stratton - Early Models
Engine Group - Electric Clutch - 16  18Hp Briggs  Stratton - Early Models Diagram and Parts List for  Simplicity Lawn Tractor
Foot Controls Group
Foot Controls Group Diagram and Parts List for  Simplicity Lawn Tractor
Frame Front Axle Group
Frame  Front Axle Group Diagram and Parts List for  Simplicity Lawn Tractor
Hand Controls Group
Hand Controls Group Diagram and Parts List for  Simplicity Lawn Tractor
Hood Grille Dash Group
Hood Grille  Dash Group Diagram and Parts List for  Simplicity Lawn Tractor
Housing Arbor Group
Housing  Arbor Group Diagram and Parts List for  Simplicity Lawn Tractor
Hydro Pump Service Parts
Hydro Pump Service Parts Diagram and Parts List for  Simplicity Lawn Tractor
  • M-1
    Retaining Ring – Part Number: 1707913SM
    Retaining Ring
    Part Number: 1707913SM
      Special Order
    $5.35
  • M-2
    Spacer – Part Number: 1707914SM
    Spacer
    Part Number: 1707914SM
      No Longer Available
  • M-3
    Seal – Part Number: 1707915SM
    Seal
    Part Number: 1707915SM
      No Longer Available
  • M-4
    Seal – Part Number: 1707916SM
    Seal
    Part Number: 1707916SM
      No Longer Available
  • M-5
    Lip Seal – Part Number: 1707917SM
    Lip Seal
    Part Number: 1707917SM
      Special Order
    $18.63
  • M-6
    Gasket, Center Section – Part Number: 1707918SM
    Gasket, Center Section
    Part Number: 1707918SM
      No Longer Available
  • M-7
    O-Ring, Rubber – Part Number: 1707919SM
    O-Ring, Rubber
    Part Number: 1707919SM
      No Longer Available
  • M-8
    Charge Pump Housing – Part Number: 1707920
    Charge Pump Housing
    Part Number: 1707920
      No Longer Available
  • M-9
    Gerotor Assembly – Part Number: 1707921SM
    Gerotor Assembly
    Part Number: 1707921SM
      No Longer Available
  • M-10
    Spring – Part Number: 1707922SM
    Spring
    Part Number: 1707922SM
      Special Order
    $4.28
  • M-11
    Ball – Part Number: 1707923SM
    Ball
    Part Number: 1707923SM
      Special Order
    $4.28
  • M-12
    Pin – Part Number: 1707924
    Pin
    Part Number: 1707924
      No Longer Available
  • M-13
    Plug-w/o ring .562-18 – Part Number: 1706179SM
    Plug-w/o ring .562-18
    Part Number: 1706179SM
      Special Order
    $35.68
  • M-14
    Screw, M8 X 20 – Part Number: 1707925SM
    Screw, M8 X 20
    Part Number: 1707925SM
      No Longer Available
  • M-15
    Screw, M8 X 35 – Part Number: 1707926SM
    Screw, M8 X 35
    Part Number: 1707926SM
      Special Order
    $4.28
  • M-16
    Plug-pipe * – Part Number: 1706176SM
    Plug-pipe *
    Part Number: 1706176SM
      Special Order
    $16.24
  • M-17
    O-ring .468id .078t – Part Number: 1706183SM
    O-ring .468id .078t
    Part Number: 1706183SM
      No Longer Available
  • M-18
    Check Valve Kit – Part Number: 1715282SM
    Check Valve Kit
    Part Number: 1715282SM
      No Longer Available
  • M-19
    Spring – Part Number: 1707928SM
    Spring
    Part Number: 1707928SM
      Special Order
    $4.28
  • M-20
    Check Valve Plug – Part Number: 1706182SM
    Check Valve Plug
    Part Number: 1706182SM
      No Longer Available
  • M-21
    Ball * – Part Number: 1706184SM
    Ball *
    Part Number: 1706184SM
      No Longer Available
  • M-22
    By-Pass Valve Kit – Part Number: 1707929SM
    By-Pass Valve Kit
    Part Number: 1707929SM
      Special Order
    $66.06
  • M-23
    By-Pass Valve Kit – Part Number: 1707929SM
    By-Pass Valve Kit
    Part Number: 1707929SM
      Special Order
    $66.06
  • M-24
    Plug-by pass * – Part Number: 1706190SM
    Plug-by pass *
    Part Number: 1706190SM
      No Longer Available
  • M-25
    O-Ring – Part Number: 1706191SM
    O-Ring
    Part Number: 1706191SM
      No Longer Available
  • M-26
    SMI – Part Number: 1706188SM
    SMI
    Part Number: 1706188SM
      No Longer Available
  • M-27
    O-ring .351id .072th – Part Number: 1706187SM
    O-ring .351id .072th
    Part Number: 1706187SM
      No Longer Available
  • M-28
    Plug – Part Number: 1708100SM
    Plug
    Part Number: 1708100SM
      Special Order
    $47.32
  • M-29
    Poppet, Orifice – Part Number: 1708101
    Poppet, Orifice
    Part Number: 1708101
      No Longer Available
  • M-30
    Check Valve Klt, Poppet – Part Number: 1708103SM
    Check Valve Klt, Poppet
    Part Number: 1708103SM
      No Longer Available
  • M-31
    Overhaul Seal Kit – Part Number: 1707931SM
    Overhaul Seal Kit
    Part Number: 1707931SM
      No Longer Available
Hydro Transmission Service Parts
Hydro Transmission Service Parts Diagram and Parts List for  Simplicity Lawn Tractor
Hydro Transmission Service Parts - Diagram 2
Hydro Transmission Service Parts - Diagram 2 Diagram and Parts List for  Simplicity Lawn Tractor
Hydro Transmission Service Parts - Diagram 3
Hydro Transmission Service Parts - Diagram 3 Diagram and Parts List for  Simplicity Lawn Tractor
  • P-1
    Seal – Part Number: 1707872SM
    Seal
    Part Number: 1707872SM
      No Longer Available
  • P-2
    Shim Set – Part Number: 1707803SM
    Shim Set
    Part Number: 1707803SM
      Special Order
    $10.69
  • P-3
    Bearing – Part Number: 1707809SM
    Bearing
    Part Number: 1707809SM
      No Longer Available
  • P-4
    Reduction Shaft Assembly. – Part Number: 1707885
    Reduction Shaft Assembly.
    Part Number: 1707885
      No Longer Available
  • P-5
    Bearing – Part Number: 1707886SM
    Bearing
    Part Number: 1707886SM
      Special Order
    $37.14
  • P-6
    Motor Gear, Spiral, 19 Tooth – Part Number: 1707882
    Motor Gear, Spiral, 19 Tooth
    Part Number: 1707882
      No Longer Available
  • P-7
    Bearing – Part Number: 1707884SM
    Bearing
    Part Number: 1707884SM
      Special Order
    $49.76
  • P-8
    Collar – Part Number: 1707881SM
    Collar
    Part Number: 1707881SM
      Special Order
    $15.63
  • P-9
    Ring – Part Number: 1707883
    Ring
    Part Number: 1707883
      No Longer Available
  • P-10
    BEARING (24101-0620 – Part Number: 1707901SM
    BEARING (24101-0620
    Part Number: 1707901SM
      Special Order
    $70.45
  • P-11
    Shaft, Final Pinion – Part Number: 1707899SM
    Shaft, Final Pinion
    Part Number: 1707899SM
      No Longer Available
  • P-12
    Gear, Final Shaft, 24 Tooth – Part Number: 1707900SM
    Gear, Final Shaft, 24 Tooth
    Part Number: 1707900SM
      No Longer Available
  • P-13
    Brake Assembly. – Part Number: 1707906SM
    Brake Assembly.
    Part Number: 1707906SM
      No Longer Available
  • P-14
    Shaft, Cam Lever – Part Number: 1707909SM
    Shaft, Cam Lever
    Part Number: 1707909SM
      Special Order
    $75.46
  • P-15
    Cover, Brake – Part Number: 1707908SM
    Cover, Brake
    Part Number: 1707908SM
      Special Order
    $113.90
  • P-16
    Ring – Part Number: 1707911SM
    Ring
    Part Number: 1707911SM
      Special Order
    $4.28
  • P-17
    Shoe Set, Brake – Part Number: 1707910
    Shoe Set, Brake
    Part Number: 1707910
      No Longer Available
  • P-18
    Drum, Brake – Part Number: 1707907SM
    Drum, Brake
    Part Number: 1707907SM
      Special Order
    $75.46
  • P-19
    Bolt, W/Washer – Part Number: 1707869
    Bolt, W/Washer
    Part Number: 1707869
      No Longer Available
  • P-20
    Ring – Part Number: 1707912SM
    Ring
    Part Number: 1707912SM
      Special Order
    $6.16
Hydro Transmission Service Parts - Diagram 4
Hydro Transmission Service Parts - Diagram 4 Diagram and Parts List for  Simplicity Lawn Tractor
Hydrostatic Cam Lever Group - Early Models
Hydrostatic Cam  Lever Group - Early Models Diagram and Parts List for  Simplicity Lawn Tractor
Hydrostatic Cam Lever Group - Later Models
Hydrostatic Cam  Lever Group - Later Models Diagram and Parts List for  Simplicity Lawn Tractor
Hydrostatic Transmission Pump Pulley Group
Hydrostatic Transmission Pump  Pulley Group Diagram and Parts List for  Simplicity Lawn Tractor
Seat Deck Fuel Tank Group
Seat Deck  Fuel Tank Group Diagram and Parts List for  Simplicity Lawn Tractor
Steering Group
Steering Group Diagram and Parts List for  Simplicity Lawn Tractor
Wheels Tires Group
Wheels  Tires Group Diagram and Parts List for  Simplicity Lawn Tractor