Simplicity Parts

Simplicity 1613G, 12.5Hp Gear Lawn Tractor Replacement Parts For Model 1691893

We Sell Only Genuine Simplicity Parts

Popular Parts for 1691893

Search Within Model

Browse all Parts Search by Area
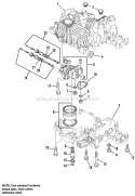
Axle ShaftDifferential GearFront Pinion Group Diagram and Parts List for  Simplicity Lawn Tractor
Axle ShaftDifferential GearFront Pinion Group
Centering AssyBrake Group Diagram and Parts List for  Simplicity Lawn Tractor
Centering AssyBrake Group
Decal Group - Agco Allis Models Diagram and Parts List for  Simplicity Lawn Tractor
Decal Group - Agco Allis Models
Electrical Group (Lower Harness) Diagram and Parts List for  Simplicity Lawn Tractor
Electrical Group (Lower Harness)
Electrical Group (Main Harness) Diagram and Parts List for  Simplicity Lawn Tractor
Electrical Group (Main Harness)
Engine Group - Electric Clutch (Single Cylinder Kohler) Diagram and Parts List for  Simplicity Lawn Tractor
Engine Group - Electric Clutch (Single Cylinder Kohler)
Engine Group - Electric Clutch (Twin Cylinder Briggs  Stratton) Diagram and Parts List for  Simplicity Lawn Tractor
Engine Group - Electric Clutch (Twin Cylinder Briggs Stratton)
Foot Controls Group (Gear) Diagram and Parts List for  Simplicity Lawn Tractor
Foot Controls Group (Gear)
Frame  Front Axle Group Diagram and Parts List for  Simplicity Lawn Tractor
Frame Front Axle Group
Hand Controls Group (Gear) Diagram and Parts List for  Simplicity Lawn Tractor
Hand Controls Group (Gear)
Hood Grille  Dash Group Diagram and Parts List for  Simplicity Lawn Tractor
Hood Grille Dash Group
Peerless Transaxle Model 801-059 Diagram and Parts List for  Simplicity Lawn Tractor
Peerless Transaxle Model 801-059
Pump ShaftMotor Shaft Group Diagram and Parts List for  Simplicity Lawn Tractor
Pump ShaftMotor Shaft Group
Range Shaft Group Diagram and Parts List for  Simplicity Lawn Tractor
Range Shaft Group
Seat Deck  Fuel Tank Group Diagram and Parts List for  Simplicity Lawn Tractor
Seat Deck Fuel Tank Group
Steering Group Diagram and Parts List for  Simplicity Lawn Tractor
Steering Group
Transmission Group - Gear Diagram and Parts List for  Simplicity Lawn Tractor
Transmission Group - Gear
TransmissionHousing Group Diagram and Parts List for  Simplicity Lawn Tractor
TransmissionHousing Group
Wheels  Tires Group (Gear) Diagram and Parts List for  Simplicity Lawn Tractor
Wheels Tires Group (Gear)
Previous Showing All Parts Next
Axle ShaftDifferential GearFront Pinion Group
Axle ShaftDifferential GearFront Pinion Group Diagram and Parts List for  Simplicity Lawn Tractor
  • A-1
    SEAL (24421-254208) – Part Number: 1708708SM
    SEAL (24421-254208)
    Part Number: 1708708SM
      Special Order
    $40.27
  • A-2
    BEARING (24101-0600 – Part Number: 1707862SM
    BEARING (24101-0600
    Part Number: 1707862SM
      Special Order
    $63.79
  • A-3
    Axle Shaft, Right – Part Number: 1708704SM
    Axle Shaft, Right
    Part Number: 1708704SM
      Special Order
    $317.16
  • A-4
    Bushing – Part Number: 1708705SM
    Bushing
    Part Number: 1708705SM
      No Longer Available
  • A-5
    Collar – Part Number: 1708706SM
    Collar
    Part Number: 1708706SM
      Special Order
    $16.59
  • A-6
    Ring, Retaining – Part Number: 1708707SM
    Ring, Retaining
    Part Number: 1708707SM
      No Longer Available
  • A-7
    Axle Shaft, Left – Part Number: 1708703SM
    Axle Shaft, Left
    Part Number: 1708703SM
      No Longer Available
  • A-8
    Gear, Differential – Part Number: 1708694SM
    Gear, Differential
    Part Number: 1708694SM
      Special Order
    $150.93
  • A-9
    Thrust Washer – Part Number: 1708695SM
    Thrust Washer
    Part Number: 1708695SM
      No Longer Available
  • A-10
    Gear – Part Number: 1708698SM
    Gear
    Part Number: 1708698SM
      No Longer Available
  • A-11
    Shaft, Pinion – Part Number: 1708697SM
    Shaft, Pinion
    Part Number: 1708697SM
      No Longer Available
  • A-12
    Pinion – Part Number: 1708696SM
    Pinion
    Part Number: 1708696SM
      Special Order
    $97.41
  • A-13
    Bearing – Part Number: 1707809SM
    Bearing
    Part Number: 1707809SM
      No Longer Available
  • A-14
    Shaft, Final Pinion – Part Number: 1708699SM
    Shaft, Final Pinion
    Part Number: 1708699SM
      Special Order
    $319.05
  • A-15
    Gear – Part Number: 1708702SM
    Gear
    Part Number: 1708702SM
      Special Order
    $132.12
  • A-16
    Washer – Part Number: 1708700SM
    Washer
    Part Number: 1708700SM
      Special Order
    $5.35
  • A-17
    BUSHING 15 (192154-3 – Part Number: 1708701SM
    BUSHING 15 (192154-3
    Part Number: 1708701SM
      Special Order
    $14.79
Centering AssyBrake Group
Centering AssyBrake Group Diagram and Parts List for  Simplicity Lawn Tractor
  • B-1
    Ring, Retaining – Part Number: 1708693SM
    Ring, Retaining
    Part Number: 1708693SM
      Special Order
    $4.28
  • B-2
    Nut 12 – Part Number: 1708692SM
    Nut 12
    Part Number: 1708692SM
      Special Order
    $6.16
  • B-3
    Washer, 12 – Part Number: 1708689SM
    Washer, 12
    Part Number: 1708689SM
      Special Order
    $6.16
  • B-4
    Packing – Part Number: 7073793YP
    Packing
    Part Number: 7073793YP
      Special Order
    $9.18
  • B-5
    Fulcrum – Part Number: 1708688SM
    Fulcrum
    Part Number: 1708688SM
      Special Order
    $128.71
  • B-6
    (TT) PACKING P12 – Part Number: 7073763YP
    (TT) PACKING P12
    Part Number: 7073763YP
      Special Order
    $10.15
  • B-7
    Shaft, Control – Part Number: 1708687SM
    Shaft, Control
    Part Number: 1708687SM
      Special Order
    $260.72
  • B-8
    BOLT W/WASHER (26016 – Part Number: 1708711SM
    BOLT W/WASHER (26016
    Part Number: 1708711SM
      Special Order
    $6.16
  • B-9
    BAND BRAKE (192154-8 – Part Number: 1708709SM
    BAND BRAKE (192154-8
    Part Number: 1708709SM
      Special Order
    $103.16
  • B-10
    Ring, Snap, S15 – Part Number: 1708672SM
    Ring, Snap, S15
    Part Number: 1708672SM
      Special Order
    $7.54
  • B-11
    Drum, Brake – Part Number: 1708710
    Drum, Brake
    Part Number: 1708710
      No Longer Available
Decal Group - Agco Allis Models
Decal Group - Agco Allis Models Diagram and Parts List for  Simplicity Lawn Tractor
Electrical Group (Lower Harness)
Electrical Group (Lower Harness) Diagram and Parts List for  Simplicity Lawn Tractor
Electrical Group (Main Harness)
Electrical Group (Main Harness) Diagram and Parts List for  Simplicity Lawn Tractor
Engine Group - Electric Clutch (Single Cylinder Kohler)
Engine Group - Electric Clutch (Single Cylinder Kohler) Diagram and Parts List for  Simplicity Lawn Tractor
Engine Group - Electric Clutch (Twin Cylinder Briggs Stratton)
Engine Group - Electric Clutch (Twin Cylinder Briggs  Stratton) Diagram and Parts List for  Simplicity Lawn Tractor
Foot Controls Group (Gear)
Foot Controls Group (Gear) Diagram and Parts List for  Simplicity Lawn Tractor
Frame Front Axle Group
Frame  Front Axle Group Diagram and Parts List for  Simplicity Lawn Tractor
Hand Controls Group (Gear)
Hand Controls Group (Gear) Diagram and Parts List for  Simplicity Lawn Tractor
Hood Grille Dash Group
Hood Grille  Dash Group Diagram and Parts List for  Simplicity Lawn Tractor
Peerless Transaxle Model 801-059
Peerless Transaxle Model 801-059 Diagram and Parts List for  Simplicity Lawn Tractor
Pump ShaftMotor Shaft Group
Pump ShaftMotor Shaft Group Diagram and Parts List for  Simplicity Lawn Tractor
Range Shaft Group
Range Shaft Group Diagram and Parts List for  Simplicity Lawn Tractor
  • N-1
    Thrust Bearing – Part Number: 1708677SM
    Thrust Bearing
    Part Number: 1708677SM
      No Longer Available
  • N-2
    Block Set – Part Number: 1708685SM
    Block Set
    Part Number: 1708685SM
      Special Order
    $37.05
  • N-3
    Swash Plate – Part Number: 1708678SM
    Swash Plate
    Part Number: 1708678SM
      No Longer Available
  • N-4
    Thrust Plate – Part Number: 1708681SM
    Thrust Plate
    Part Number: 1708681SM
      No Longer Available
  • N-5
    Thrust Bearing – Part Number: 1708679SM
    Thrust Bearing
    Part Number: 1708679SM
      Special Order
    $37.14
  • N-6
    Thrust Plate – Part Number: 1708680SM
    Thrust Plate
    Part Number: 1708680SM
      Special Order
    $59.68
  • N-7
    Arm – Part Number: 1708682SM
    Arm
    Part Number: 1708682SM
      Special Order
    $20.16
  • N-8
    Shaft, By-Pass – Part Number: 1708683SM
    Shaft, By-Pass
    Part Number: 1708683SM
      No Longer Available
  • N-9
    Spring – Part Number: 1725730SM
    Spring
    Part Number: 1725730SM
      No Longer Available
  • N-10
    Packing – Part Number: 1708686SM
    Packing
    Part Number: 1708686SM
      Special Order
    $4.28
Seat Deck Fuel Tank Group
Seat Deck  Fuel Tank Group Diagram and Parts List for  Simplicity Lawn Tractor
Steering Group
Steering Group Diagram and Parts List for  Simplicity Lawn Tractor
Transmission Group - Gear
Transmission Group - Gear Diagram and Parts List for  Simplicity Lawn Tractor
TransmissionHousing Group
TransmissionHousing Group Diagram and Parts List for  Simplicity Lawn Tractor
Wheels Tires Group (Gear)
Wheels  Tires Group (Gear) Diagram and Parts List for  Simplicity Lawn Tractor