Simplicity Parts

Simplicity Broadmoor 44-Inch Lawn Tractor, 22hp Replacement Parts For Model 2690947-00

We Sell Only Genuine Simplicity Parts

Popular Parts for 2690947-00

Search Within Model

Questions & Answers for Simplicity 2690947-00
Browse all Parts Search by Area
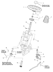
44-Inch Mower Deck - Clutch And Support Group Diagram and Parts List for  Simplicity Lawn Tractor
44-Inch Mower Deck - Clutch And Support Group
44-Inch Mower Deck - Electric Height Adjustment And Roller Bar Group Diagram and Parts List for  Simplicity Lawn Tractor
44-Inch Mower Deck - Electric Height Adjustment And Roller Bar Group
44-Inch Mower Deck - Housing, Arbors And Blades Group Diagram and Parts List for  Simplicity Lawn Tractor
44-Inch Mower Deck - Housing, Arbors And Blades Group
Control Group - Cruise Control Diagram and Parts List for  Simplicity Lawn Tractor
Control Group - Cruise Control
Controls Group Diagram and Parts List for  Simplicity Lawn Tractor
Controls Group
Decals - Brand And Model Diagram and Parts List for  Simplicity Lawn Tractor
Decals - Brand And Model
Decals - Safety And Common Diagram and Parts List for  Simplicity Lawn Tractor
Decals - Safety And Common
Electrical Group Diagram and Parts List for  Simplicity Lawn Tractor
Electrical Group
Engine Group - 20hp, 21hp, 22hp, 24hp And 27hp, Twin Diagram and Parts List for  Simplicity Lawn Tractor
Engine Group - 20hp, 21hp, 22hp, 24hp And 27hp, Twin
Frame And Front Axle Group Diagram and Parts List for  Simplicity Lawn Tractor
Frame And Front Axle Group
Hood, Grille And Dash Group (986608 986609 986610 987167 987168 987169 989136 990098 Diagram and Parts List for  Simplicity Lawn Tractor
Hood, Grille And Dash Group (986608 986609 986610 987167 987168 987169 989136 990098
Lift Group - Manual With Cruise Control Diagram and Parts List for  Simplicity Lawn Tractor
Lift Group - Manual With Cruise Control
Seat And Seat Deck Group - Evap Compliant Diagram and Parts List for  Simplicity Lawn Tractor
Seat And Seat Deck Group - Evap Compliant
Steering Group - Manual Steering Diagram and Parts List for  Simplicity Lawn Tractor
Steering Group - Manual Steering
Transmission Group - Tuff Torq K57 Diagram and Parts List for  Simplicity Lawn Tractor
Transmission Group - Tuff Torq K57
Transmission Service Parts - Tuff Torq K57 (1722668) Diagram and Parts List for  Simplicity Lawn Tractor
Transmission Service Parts - Tuff Torq K57 (1722668)
Wheels And Tires Group Diagram and Parts List for  Simplicity Lawn Tractor
Wheels And Tires Group
Previous Showing All Parts Next
44-Inch Mower Deck - Clutch And Support Group
44-Inch Mower Deck - Clutch And Support Group Diagram and Parts List for  Simplicity Lawn Tractor
44-Inch Mower Deck - Electric Height Adjustment And Roller Bar Group
44-Inch Mower Deck - Electric Height Adjustment And Roller Bar Group Diagram and Parts List for  Simplicity Lawn Tractor
44-Inch Mower Deck - Housing, Arbors And Blades Group
44-Inch Mower Deck - Housing, Arbors And Blades Group Diagram and Parts List for  Simplicity Lawn Tractor
Control Group - Cruise Control
Control Group - Cruise Control Diagram and Parts List for  Simplicity Lawn Tractor
Controls Group
Controls Group Diagram and Parts List for  Simplicity Lawn Tractor
Decals - Brand And Model
Decals - Brand And Model Diagram and Parts List for  Simplicity Lawn Tractor
Decals - Safety And Common
Decals - Safety And Common Diagram and Parts List for  Simplicity Lawn Tractor
Electrical Group
Electrical Group Diagram and Parts List for  Simplicity Lawn Tractor
Engine Group - 20hp, 21hp, 22hp, 24hp And 27hp, Twin
Engine Group - 20hp, 21hp, 22hp, 24hp And 27hp, Twin Diagram and Parts List for  Simplicity Lawn Tractor
Frame And Front Axle Group
Frame And Front Axle Group Diagram and Parts List for  Simplicity Lawn Tractor
Hood, Grille And Dash Group (986608 986609 986610 987167 987168 987169 989136 990098
Hood, Grille And Dash Group (986608 986609 986610 987167 987168 987169 989136 990098 Diagram and Parts List for  Simplicity Lawn Tractor
Lift Group - Manual With Cruise Control
Lift Group - Manual With Cruise Control Diagram and Parts List for  Simplicity Lawn Tractor
Seat And Seat Deck Group - Evap Compliant
Seat And Seat Deck Group - Evap Compliant Diagram and Parts List for  Simplicity Lawn Tractor
Steering Group - Manual Steering
Steering Group - Manual Steering Diagram and Parts List for  Simplicity Lawn Tractor
Transmission Group - Tuff Torq K57
Transmission Group - Tuff Torq K57 Diagram and Parts List for  Simplicity Lawn Tractor
Transmission Service Parts - Tuff Torq K57 (1722668)
Transmission Service Parts - Tuff Torq K57 (1722668) Diagram and Parts List for  Simplicity Lawn Tractor
Wheels And Tires Group
Wheels And Tires Group Diagram and Parts List for  Simplicity Lawn Tractor

Questions & Answers

?

Our customer Service team is at the ready daily to answer your part and product questions.

We're sorry, but our Q&A experts are temporarily unavailable.
Please check back later if you still haven't found the answer you need.

Ask our Team

We have a dedicated staff with decades of collective experience in helping customers just like you purchase parts to repair their products.