Simplicity Parts

Simplicity Broadmoor Lawn Tractor, 8hp Replacement Parts For Model 738 (990765)

We Sell Only Genuine Simplicity Parts

Popular Parts for 738

Search Within Model

Browse all Parts Search by Area
Decal Group Diagram and Parts List for 990765 Simplicity Lawn Tractor
Decal Group
Electrical Group Diagram and Parts List for 990765 Simplicity Lawn Tractor
Electrical Group
Engine, Pulley, Brake And Clutch Group Diagram and Parts List for 990765 Simplicity Lawn Tractor
Engine, Pulley, Brake And Clutch Group
Frame, Hood And Dash Group Diagram and Parts List for 990765 Simplicity Lawn Tractor
Frame, Hood And Dash Group
Front Wheels And Steering Group Diagram and Parts List for 990765 Simplicity Lawn Tractor
Front Wheels And Steering Group
Power Take Off Group Diagram and Parts List for 990765 Simplicity Lawn Tractor
Power Take Off Group
Rear Wheels And Hitch Group Diagram and Parts List for 990765 Simplicity Lawn Tractor
Rear Wheels And Hitch Group
Seat And Seat Support Group Diagram and Parts List for 990765 Simplicity Lawn Tractor
Seat And Seat Support Group
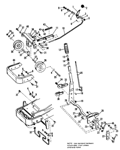
Transmission Group Diagram and Parts List for 990765 Simplicity Lawn Tractor
Transmission Group
Previous Showing All Parts Next
Decal Group
Decal Group Diagram and Parts List for 990765 Simplicity Lawn Tractor
Electrical Group
Electrical Group Diagram and Parts List for 990765 Simplicity Lawn Tractor
Engine, Pulley, Brake And Clutch Group
Engine, Pulley, Brake And Clutch Group Diagram and Parts List for 990765 Simplicity Lawn Tractor
Frame, Hood And Dash Group
Frame, Hood And Dash Group Diagram and Parts List for 990765 Simplicity Lawn Tractor
Front Wheels And Steering Group
Front Wheels And Steering Group Diagram and Parts List for 990765 Simplicity Lawn Tractor
Power Take Off Group
Power Take Off Group Diagram and Parts List for 990765 Simplicity Lawn Tractor
Rear Wheels And Hitch Group
Rear Wheels And Hitch Group Diagram and Parts List for 990765 Simplicity Lawn Tractor
Seat And Seat Support Group
Seat And Seat Support Group Diagram and Parts List for 990765 Simplicity Lawn Tractor
Transmission Group
Transmission Group Diagram and Parts List for 990765 Simplicity Lawn Tractor