Craftsman Parts

Craftsman Lawn Tractor Replacement Parts For Model 131965300

We Sell Only Genuine Craftsman Parts

Popular Parts for 131965300

Search Within Model

Questions & Answers for Craftsman 131965300
Browse all Parts Search by Area
Page A Diagram and Parts List for  Craftsman Lawn Tractor
Page A
Page B Diagram and Parts List for  Craftsman Lawn Tractor
Page B
Page C Diagram and Parts List for  Craftsman Lawn Tractor
Page C
Page D Diagram and Parts List for  Craftsman Lawn Tractor
Page D
Page E Diagram and Parts List for  Craftsman Lawn Tractor
Page E
Page F Diagram and Parts List for  Craftsman Lawn Tractor
Page F
Previous Showing All Parts Next
Page A
Page A Diagram and Parts List for  Craftsman Lawn Tractor
  • A-1
    Diode Bridge – Part Number: 74244
    Diode Bridge
    Part Number: 74244
      Special Order
    $54.71
  • A-2
    Rotor End Cap – Part Number: 74245
    Rotor End Cap
    Part Number: 74245
      Special Order
    $206.68
  • A-3
    Spindle w/Gear Assembly – Part Number: 74242
    Spindle w/Gear Assembly
    Part Number: 74242
      Special Order
    $46.81
  • A-4
    Air Outlet Screen – Part Number: 74243
    Air Outlet Screen
    Part Number: 74243
      Special Order
    $31.56
  • A-5
    Field Exciter – Part Number: 74246
    Field Exciter
    Part Number: 74246
      Special Order
    $474.57
  • A-6
    Screw 5Pk – Part Number: STD523107
    Screw 5Pk
    Part Number: STD523107
      No Longer Available
  • A-7
    Locknut – Part Number: STD541431
    Locknut
    Part Number: STD541431
      No Longer Available
  • A-8
    OBS STATOR ASY – Part Number: 54262
    OBS STATOR ASY
    Part Number: 54262
      Special Order
    $2.99
  • A-9
    Locknut – Part Number: STD541431
    Locknut
    Part Number: STD541431
      No Longer Available
  • A-10
    Drive Hub – Part Number: 73302
    Drive Hub
    Part Number: 73302
      Special Order
    $922.59
  • A-11
    Rest Pad – Part Number: 73303
    Rest Pad
    Part Number: 73303
      No Longer Available
  • A-12
    Decal – Part Number: 68306
    Decal
    Part Number: 68306
      No Longer Available
  • A-13
    Lawn Tractor Seat – Part Number: 401042
    Lawn Tractor Seat
    Part Number: 401042
      No Longer Available
  • A-14
    Screw 2Pk – Part Number: STD525010
    Screw 2Pk
    Part Number: STD525010
      No Longer Available
  • A-15
    Washer 8Pk – Part Number: STD551050
    Washer 8Pk
    Part Number: STD551050
      No Longer Available
  • A-16
    Washer 5Pk – Part Number: STD551150
    Washer 5Pk
    Part Number: STD551150
      No Longer Available
  • A-17
    High Current Module Regulator – Part Number: 74252
    High Current Module Regulator
    Part Number: 74252
      Special Order
    $619.37
  • A-18
    Screw 8Pk – Part Number: STD601003
    Screw 8Pk
    Part Number: STD601003
      No Longer Available
  • A-19
    Seat Spring – Part Number: 73790
    Seat Spring
    Part Number: 73790
      No Longer Available
  • A-20
    Transmission Support – Part Number: 73791
    Transmission Support
    Part Number: 73791
      No Longer Available
  • A-21
    Screw 5pk – Part Number: STD523710
    Screw 5pk
    Part Number: STD523710
      No Longer Available
  • A-22
    Nut – Part Number: 65543
    Nut
    Part Number: 65543
      No Longer Available
  • A-23
    Cover Plate – Part Number: 74309
    Cover Plate
    Part Number: 74309
      No Longer Available
  • A-24
    Screw – Part Number: 17490508
    Screw
    Part Number: 17490508
      No Longer Available
  • A-25
    Cover – Part Number: 74308
    Cover
    Part Number: 74308
      No Longer Available
  • A-26
    Push Bond – Part Number: 71507
    Push Bond
    Part Number: 71507
      Special Order
    $204.39
  • A-27
    RINGS, PIVOT PIN WITH – Part Number: 71198
    RINGS, PIVOT PIN WITH
    Part Number: 71198
      Special Order
    $24.97
  • A-28
    Screw 5Pk – Part Number: STD523110
    Screw 5Pk
    Part Number: STD523110
      No Longer Available
  • A-29
    Locknut – Part Number: STD541431
    Locknut
    Part Number: STD541431
      No Longer Available
  • A-30
    Clamp – Part Number: 71606
    Clamp
    Part Number: 71606
      No Longer Available
  • A-31
    Washer, Cad Plate – Part Number: 59944
    Washer, Cad Plate
    Part Number: 59944
      No Longer Available
  • A-32
    Hitch – Part Number: 71205
    Hitch
    Part Number: 71205
      No Longer Available
  • A-33
    Flat – Part Number: 62735
    Flat
    Part Number: 62735
      No Longer Available
  • A-34
    Chassis – Part Number: 74237
    Chassis
    Part Number: 74237
      No Longer Available
  • A-35
    WASHER NYLON FLAT #10 – Part Number: 71676
    WASHER NYLON FLAT #10
    Part Number: 71676
      Special Order
    $2.99
  • A-36
    Ball Float – Part Number: 61159
    Ball Float
    Part Number: 61159
      No Longer Available
  • A-37
    Screw, Truss Hd. #10-24 – Part Number: 871191008
    Screw, Truss Hd. #10-24
    Part Number: 871191008
      No Longer Available
  • A-38
    Screw – Part Number: 17490508
    Screw
    Part Number: 17490508
      No Longer Available
  • A-39
    Dash – Part Number: 74363
    Dash
    Part Number: 74363
      No Longer Available
  • A-40
    Locknut – Part Number: STD541431
    Locknut
    Part Number: STD541431
      No Longer Available
  • A-41
    BRKT: SUBPLATE MTG – Part Number: 74376
    BRKT: SUBPLATE MTG
    Part Number: 74376
      Special Order
    $126.02
  • A-42
    WIRE ASSEMBLY – Part Number: 73201
    WIRE ASSEMBLY
    Part Number: 73201
      Special Order
    $52.98
  • A-43
    Decal – Part Number: 74292
    Decal
    Part Number: 74292
      No Longer Available
  • A-44
    Decal – Part Number: 74293
    Decal
    Part Number: 74293
      No Longer Available
  • A-45
    Field 120V – Part Number: 74357
    Field 120V
    Part Number: 74357
      Special Order
    $105.75
  • A-46
    HOSE UPPER RADIATOR – Part Number: 74257
    HOSE UPPER RADIATOR
    Part Number: 74257
      Special Order
    $61.90
  • A-47
    SCREW SHC M4-0.7 X 25 G8.8 CAD – Part Number: 71949
    SCREW SHC M4-0.7 X 25 G8.8 CAD
    Part Number: 71949
      Special Order
    $2.99
  • A-48
    Fuel Tank – Part Number: 73427
    Fuel Tank
    Part Number: 73427
      No Longer Available
  • A-49
    Screw – Part Number: 68346
    Screw
    Part Number: 68346
      No Longer Available
  • A-51
    SLINGER, F/SAWS – Part Number: 74430
    SLINGER, F/SAWS
    Part Number: 74430
      Special Order
    $58.89
  • A-52
    Panel – Part Number: 74311
    Panel
    Part Number: 74311
      No Longer Available
  • A-53
    Brown Lead Wire – Part Number: 74312
    Brown Lead Wire
    Part Number: 74312
      Special Order
    $15.44
  • A-54
    Sheet Metal Screw – Part Number: STD611005
    Sheet Metal Screw
    Part Number: STD611005
      No Longer Available
  • A-55
    Reel Assembly – Part Number: 71177
    Reel Assembly
    Part Number: 71177
      Special Order
    $750.84
  • A-56
    Screw 2Pk – Part Number: STD523127
    Screw 2Pk
    Part Number: STD523127
      No Longer Available
  • A-57
    Spacer – Part Number: 71431
    Spacer
    Part Number: 71431
      No Longer Available
  • A-58
    WASHER, 3/4-INCH FLAT – Part Number: 71178
    WASHER, 3/4-INCH FLAT
    Part Number: 71178
      Special Order
    $6.16
  • A-59
    Battery Cap – Part Number: 74307
    Battery Cap
    Part Number: 74307
      No Longer Available
  • A-60
    Panel – Part Number: 74328
    Panel
    Part Number: 74328
      No Longer Available
  • A-61
    Grill Frame – Part Number: 74256
    Grill Frame
    Part Number: 74256
      No Longer Available
  • A-62
    Exciter – Part Number: 74295
    Exciter
    Part Number: 74295
      Special Order
    $507.33
  • A-63
    Refl Rr Liner OR lower – Part Number: 74290
    Refl Rr Liner OR lower
    Part Number: 74290
      No Longer Available
  • A-64
    Plate – Part Number: 74329
    Plate
    Part Number: 74329
      No Longer Available
  • A-800
    Manual – Part Number: 74299
    Manual
    Part Number: 74299
      No Longer Available
Page B
Page B Diagram and Parts List for  Craftsman Lawn Tractor
  • B-1
    Belt Guide – Part Number: 71200
    Belt Guide
    Part Number: 71200
      No Longer Available
  • B-2
    Locknut – Part Number: STD541431
    Locknut
    Part Number: STD541431
      No Longer Available
  • B-3
    O-Ring – Part Number: 71242
    O-Ring
    Part Number: 71242
      Special Order
    $21.86
  • B-4
    Clutch Arm – Part Number: 73229
    Clutch Arm
    Part Number: 73229
      No Longer Available
  • B-5
    Washer 8Pk – Part Number: STD551050
    Washer 8Pk
    Part Number: STD551050
      No Longer Available
  • B-6
    Spring Pin – Part Number: STD571810
    Spring Pin
    Part Number: STD571810
      No Longer Available
  • B-7
    Pin 8Pk – Part Number: STD561210
    Pin 8Pk
    Part Number: STD561210
      No Longer Available
  • B-8
    Clutch Rod – Part Number: 74474
    Clutch Rod
    Part Number: 74474
      No Longer Available
  • B-9
    Washer 8Pk – Part Number: STD551037
    Washer 8Pk
    Part Number: STD551037
      No Longer Available
  • B-10
    Pin 8Pk – Part Number: STD560907
    Pin 8Pk
    Part Number: STD560907
      No Longer Available
  • B-11
    COLLAR, ADAPTER – Part Number: 71248
    COLLAR, ADAPTER
    Part Number: 71248
      Special Order
    $30.31
  • B-12
    Bracket – Part Number: 74238
    Bracket
    Part Number: 74238
      No Longer Available
  • B-13
    Bracket – Part Number: 74239
    Bracket
    Part Number: 74239
      No Longer Available
  • B-14
    Housing – Part Number: 57917
    Housing
    Part Number: 57917
      No Longer Available
  • B-15
    1/4-20 Hex Lock Nut – Part Number: STD541425
    1/4-20 Hex Lock Nut
    Part Number: STD541425
      No Longer Available
  • B-16
    Link – Part Number: 74283
    Link
    Part Number: 74283
      No Longer Available
  • B-17
    Link – Part Number: 74284
    Link
    Part Number: 74284
      No Longer Available
  • B-18
    GASKET-THERMO HSG – Part Number: 67394
    GASKET-THERMO HSG
    Part Number: 67394
      Special Order
    $2.99
  • B-19
    Flat Washer, 8Pk – Part Number: STD551031
    Flat Washer, 8Pk
    Part Number: STD551031
      No Longer Available
  • B-20
    Locknut – Part Number: STD541431
    Locknut
    Part Number: STD541431
      No Longer Available
  • B-21
    Pin 8Pk – Part Number: STD561210
    Pin 8Pk
    Part Number: STD561210
      No Longer Available
  • B-22
    Link Assembly – Part Number: 74285
    Link Assembly
    Part Number: 74285
      No Longer Available
  • B-23
    Shoulder Bolt – Part Number: 582935801
    Shoulder Bolt
    Part Number: 582935801
      No Longer Available
  • B-24
    Washer 8Pk – Part Number: STD551037
    Washer 8Pk
    Part Number: STD551037
      No Longer Available
  • B-25
    Nut – Part Number: 62336
    Nut
    Part Number: 62336
      No Longer Available
  • B-26
    Bracket – Part Number: 74240
    Bracket
    Part Number: 74240
      No Longer Available
  • B-27
    KEY SQ 1/2 X 4-1/2 STEEL – Part Number: 74241
    KEY SQ 1/2 X 4-1/2 STEEL
    Part Number: 74241
      Special Order
    $5.30
  • B-28
    KEY-PUMP – Part Number: 71204
    KEY-PUMP
    Part Number: 71204
      Special Order
    $23.00
  • B-29
    Screw 5Pk – Part Number: STD523107
    Screw 5Pk
    Part Number: STD523107
      No Longer Available
  • B-30
    PULLER KIT-HUB – Part Number: HG-72320
    PULLER KIT-HUB
    Part Number: HG-72320
      Special Order
    $263.49
  • B-31
    Washer 8Pk – Part Number: STD551037
    Washer 8Pk
    Part Number: STD551037
      No Longer Available
  • B-32
    Nut Keps Hex 3/8-16 Unc – Part Number: 873510600
    Nut Keps Hex 3/8-16 Unc
    Part Number: 873510600
      Special Order
    $6.14
  • B-33
    Idler Bracket – Part Number: 71201
    Idler Bracket
    Part Number: 71201
      No Longer Available
  • B-34
    Bushing – Part Number: 71202
    Bushing
    Part Number: 71202
      No Longer Available
  • B-35
    Pedal Bracket – Part Number: 71199
    Pedal Bracket
    Part Number: 71199
      No Longer Available
  • B-36
    Locknut – Part Number: STD541431
    Locknut
    Part Number: STD541431
      No Longer Available
  • B-37
    Clutch Arm – Part Number: 71191
    Clutch Arm
    Part Number: 71191
      No Longer Available
  • B-38
    Spacer – Part Number: 71195
    Spacer
    Part Number: 71195
      No Longer Available
  • B-39
    Foot Pedal – Part Number: 6048J
    Foot Pedal
    Part Number: 6048J
      No Longer Available
  • B-40
    Pedal Shaft – Part Number: 71223
    Pedal Shaft
    Part Number: 71223
      No Longer Available
  • B-41
    O-Ring (2) – Part Number: 71222
    O-Ring (2)
    Part Number: 71222
      Special Order
    $23.41
  • B-42
    Carriage Bolt – Part Number: STD533107
    Carriage Bolt
    Part Number: STD533107
      No Longer Available
  • B-43
    Foot Pad – Part Number: 67365
    Foot Pad
    Part Number: 67365
      No Longer Available
  • B-44
    Pin 8Pk – Part Number: STD561210
    Pin 8Pk
    Part Number: STD561210
      No Longer Available
  • B-45
    Clutch Rod – Part Number: 7717J
    Clutch Rod
    Part Number: 7717J
      No Longer Available
  • B-46
    Brake Rod – Part Number: 373J
    Brake Rod
    Part Number: 373J
      No Longer Available
  • B-47
    Grips – Part Number: 71226
    Grips
    Part Number: 71226
      No Longer Available
  • B-48
    Pulley, Idler – Part Number: 532104679
    Pulley, Idler
    Part Number: 532104679
    ★★★★★
    ★★★★★
    (2)
      In Stock
    $25.71
  • B-49
    Screw, 2 Pk. – Part Number: STD523715
    Screw, 2 Pk.
    Part Number: STD523715
      No Longer Available
  • B-50
    Nut – Part Number: 65543
    Nut
    Part Number: 65543
      No Longer Available
  • B-51
    Spring – Part Number: 73275
    Spring
    Part Number: 73275
      No Longer Available
  • B-52
    Brake Rod – Part Number: 73792
    Brake Rod
    Part Number: 73792
      No Longer Available
  • B-53
    SCREW, BUTTRESS – Part Number: 71238
    SCREW, BUTTRESS
    Part Number: 71238
      Special Order
    $47.58
  • B-54
    Brake Spring – Part Number: 71239
    Brake Spring
    Part Number: 71239
      No Longer Available
  • B-55
    Belt – Part Number: STD324940
    Belt
    Part Number: STD324940
      No Longer Available
  • B-56
    Handle Bracket – Part Number: 73542
    Handle Bracket
    Part Number: 73542
      Special Order
    $101.76
  • B-57
    Key – Part Number: STD580020
    Key
    Part Number: STD580020
      No Longer Available
  • B-58
    Screw – Part Number: 68206
    Screw
    Part Number: 68206
      No Longer Available
  • B-59
    MANUAL-GTS 105 AMP-Y – Part Number: 68205
    MANUAL-GTS 105 AMP-Y
    Part Number: 68205
      Special Order
    $2.99
  • B-60
    ASSEMBLY, BLE BOARD – Part Number: 73198
    ASSEMBLY, BLE BOARD
    Part Number: 73198
      Special Order
    $680.07
  • B-61
    Fshcs – Part Number: 73199
    Fshcs
    Part Number: 73199
      Special Order
    $2.99
  • B-62
    Flat – Part Number: 62735
    Flat
    Part Number: 62735
      No Longer Available
  • B-63
    Machine Screw – Part Number: 68874
    Machine Screw
    Part Number: 68874
      No Longer Available
  • B-64
    Square Key – Part Number: STD580111
    Square Key
    Part Number: STD580111
      No Longer Available
  • B-65
    Grip – Part Number: 71246
    Grip
    Part Number: 71246
      No Longer Available
  • B-800
    Manual – Part Number: 74299
    Manual
    Part Number: 74299
      No Longer Available
Page C
Page C Diagram and Parts List for  Craftsman Lawn Tractor
  • C-1
    Air Cleaner – Part Number: 71269
    Air Cleaner
    Part Number: 71269
      Special Order
    $2.99
  • C-2
    Screw (7) – Part Number: 74302
    Screw (7)
    Part Number: 74302
      Special Order
    $36.99
  • C-3
    STAT ASY 36/40K1P B – Part Number: 73406
    STAT ASY 36/40K1P B
    Part Number: 73406
      Special Order
    $2.99
  • C-4
    Shaft – Part Number: 74315
    Shaft
    Part Number: 74315
      No Longer Available
  • C-5
    Bushing – Part Number: 71210
    Bushing
    Part Number: 71210
      No Longer Available
  • C-6
    Pin 2Pk – Part Number: STD572515
    Pin 2Pk
    Part Number: STD572515
      No Longer Available
  • C-7
    Grade Pinion – Part Number: 71171
    Grade Pinion
    Part Number: 71171
      No Longer Available
  • C-8
    Spring Pin – Part Number: STD571810
    Spring Pin
    Part Number: STD571810
      No Longer Available
  • C-9
    Gasket, Inlet Water Pump – Part Number: 52912
    Gasket, Inlet Water Pump
    Part Number: 52912
      Special Order
    $2.99
  • C-10
    Spacer – Part Number: 71211
    Spacer
    Part Number: 71211
      No Longer Available
  • C-11
    Steering Bracket – Part Number: 71206
    Steering Bracket
    Part Number: 71206
      No Longer Available
  • C-12
    Steer Rod – Part Number: 73306
    Steer Rod
    Part Number: 73306
      No Longer Available
  • C-13
    SPRING, PIVOT NUT – Part Number: 71208
    SPRING, PIVOT NUT
    Part Number: 71208
      Special Order
    $6.16
  • C-14
    Washer 5Pk – Part Number: STD551062
    Washer 5Pk
    Part Number: STD551062
      No Longer Available
  • C-15
    HOLDER: FUSE – Part Number: 72589
    HOLDER: FUSE
    Part Number: 72589
      Special Order
    $3.79
  • C-16
    Locking Sleeve – Part Number: 71172
    Locking Sleeve
    Part Number: 71172
      Special Order
    $39.45
  • C-17
    Lock Pin – Part Number: 73446
    Lock Pin
    Part Number: 73446
      No Longer Available
  • C-18
    Screw 5Pk – Part Number: STD523107
    Screw 5Pk
    Part Number: STD523107
      No Longer Available
  • C-19
    Locknut – Part Number: STD541431
    Locknut
    Part Number: STD541431
      No Longer Available
  • C-20
    Drag Link – Part Number: 71219
    Drag Link
    Part Number: 71219
      No Longer Available
  • C-21
    Hex Lock Nut – Part Number: STD541537
    Hex Lock Nut
    Part Number: STD541537
      No Longer Available
  • C-22
    Steering Arm – Part Number: 71185
    Steering Arm
    Part Number: 71185
      No Longer Available
  • C-23
    Roll Pin – Part Number: STD572512
    Roll Pin
    Part Number: STD572512
      No Longer Available
  • C-24
    FAN ADAPTOR – Part Number: 74255
    FAN ADAPTOR
    Part Number: 74255
      Special Order
    $207.36
  • C-25
    Ring 2Pk – Part Number: STD581075
    Ring 2Pk
    Part Number: STD581075
      No Longer Available
  • C-26
    Washer – Part Number: 121749X
    Washer
    Part Number: 121749X
      No Longer Available
  • C-27
    Tire – Part Number: 122074X
    Tire
    Part Number: 122074X
      No Longer Available
  • C-28
    Rim.asm.8".r – Part Number: 106108X624
    Rim.asm.8".r
    Part Number: 106108X624
      No Longer Available
  • C-29
    Lawn Tractor Tire Valve Stem – Part Number: 65139
    Lawn Tractor Tire Valve Stem
    Part Number: 65139
      No Longer Available
  • C-30
    Soc. Flat Hd. Screw, #10-24 x 1/2" – Part Number: 59192
    Soc. Flat Hd. Screw, #10-24 x 1/2"
    Part Number: 59192
      Special Order
    $11.38
  • C-31
    3/16 Sq Key – Part Number: STD580105
    3/16 Sq Key
    Part Number: STD580105
      No Longer Available
  • C-32
    Ring Set – Part Number: 794126
    Ring Set
    Part Number: 794126
    ★★★★★
    ★★★★★
    (2)
      In Stock
    $69.49
  • C-33
    Knob Rd – Part Number: 532162132
    Knob Rd
    Part Number: 532162132
      No Longer Available
  • C-34
    10 T-CABLE – Part Number: 71179
    10 T-CABLE
    Part Number: 71179
      Special Order
    $33.77
  • C-35
    Bolt – Part Number: 64606
    Bolt
    Part Number: 64606
      No Longer Available
  • C-36
    Washer – Part Number: 19171416
    Washer
    Part Number: 19171416
      No Longer Available
  • C-37
    Lawn & Garden Equipment Nut – Part Number: 73680800
    Lawn & Garden Equipment Nut
    Part Number: 73680800
      No Longer Available
  • C-38
    Rockr Br – Part Number: 67151
    Rockr Br
    Part Number: 67151
      No Longer Available
  • C-39
    BRACKET, UPPER CARRIAGE – Part Number: 71188
    BRACKET, UPPER CARRIAGE
    Part Number: 71188
      Special Order
    $133.24
  • C-40
    King Pin – Part Number: 73236
    King Pin
    Part Number: 73236
      No Longer Available
  • C-41
    King Pin – Part Number: 73237
    King Pin
    Part Number: 73237
      No Longer Available
  • C-42
    Tie Rod – Part Number: 73240
    Tie Rod
    Part Number: 73240
      No Longer Available
  • C-43
    Nut (2) – Part Number: 71182
    Nut (2)
    Part Number: 71182
      Special Order
    $28.66
  • C-44
    Screw 5Pk – Part Number: STD523707
    Screw 5Pk
    Part Number: STD523707
      No Longer Available
  • C-45
    Screw 5pk – Part Number: STD523710
    Screw 5pk
    Part Number: STD523710
      No Longer Available
  • C-46
    Crownlock Nut – Part Number: 73540500
    Crownlock Nut
    Part Number: 73540500
      No Longer Available
  • C-47
    Washer – Part Number: 55611
    Washer
    Part Number: 55611
      No Longer Available
  • C-48
    Nut – Part Number: 65543
    Nut
    Part Number: 65543
      No Longer Available
  • C-49
    Tire – Part Number: 122073X
    Tire
    Part Number: 122073X
      No Longer Available
  • C-50
    Rim – Part Number: 71650
    Rim
    Part Number: 71650
      No Longer Available
  • C-51
    Fing. Bng – Part Number: 66506
    Fing. Bng
    Part Number: 66506
      No Longer Available
  • C-800
    Manual – Part Number: 74299
    Manual
    Part Number: 74299
      No Longer Available
Page D
Page D Diagram and Parts List for  Craftsman Lawn Tractor
  • D-1
    Quadrant – Part Number: 74271
    Quadrant
    Part Number: 74271
      No Longer Available
  • D-2
    Carriage Bolt – Part Number: STD533710
    Carriage Bolt
    Part Number: STD533710
      No Longer Available
  • D-3
    Nut – Part Number: 62336
    Nut
    Part Number: 62336
      No Longer Available
  • D-4
    DECAL WARNING – Part Number: 74266
    DECAL WARNING
    Part Number: 74266
      Special Order
    $8.51
  • D-5
    HOSE: RADIATOR LOWER – Part Number: 73963
    HOSE: RADIATOR LOWER
    Part Number: 73963
      Special Order
    $3.71
  • D-6
    COPPER BAR .09 X 1. – Part Number: 71658
    COPPER BAR .09 X 1.
    Part Number: 71658
      Special Order
    $11.36
  • D-7
    Spring – Part Number: 71669
    Spring
    Part Number: 71669
      No Longer Available
  • D-8
    Pin 2Pk – Part Number: STD572515
    Pin 2Pk
    Part Number: STD572515
      No Longer Available
  • D-9
    Flat Washer, 8Pk – Part Number: STD551031
    Flat Washer, 8Pk
    Part Number: STD551031
      No Longer Available
  • D-10
    Pin 5Pk – Part Number: STD571207
    Pin 5Pk
    Part Number: STD571207
      No Longer Available
  • D-11
    Bracket – Part Number: 74233
    Bracket
    Part Number: 74233
      No Longer Available
  • D-12
    Rod – Part Number: 74288
    Rod
    Part Number: 74288
      No Longer Available
  • D-13
    Washer 15/32 X 1 X 10 Ga. – Part Number: 596040101
    Washer 15/32 X 1 X 10 Ga.
    Part Number: 596040101
      Special Order
    Minimum Quantity of 2 required
    $6.16
  • D-14
    Hitch Pin, 2-pack – Part Number: STD624005
    Hitch Pin, 2-pack
    Part Number: STD624005
      No Longer Available
  • D-15
    Light Grip – Part Number: 583693601
    Light Grip
    Part Number: 583693601
      No Longer Available
  • D-16
    Belt Guard – Part Number: 74280
    Belt Guard
    Part Number: 74280
      No Longer Available
  • D-17
    Carriage Bolt – Part Number: STD533107
    Carriage Bolt
    Part Number: STD533107
      No Longer Available
  • D-18
    Screw 5Pk – Part Number: STD523107
    Screw 5Pk
    Part Number: STD523107
      No Longer Available
  • D-19
    Locknut – Part Number: STD541431
    Locknut
    Part Number: STD541431
      No Longer Available
  • D-20
    Snubber – Part Number: 74273
    Snubber
    Part Number: 74273
      No Longer Available
  • D-21
    Screw 5/16-18 x 3/4 – Part Number: 55187
    Screw 5/16-18 x 3/4
    Part Number: 55187
      No Longer Available
  • D-22
    Chuck Cap – Part Number: 69262
    Chuck Cap
    Part Number: 69262
      Special Order
    $364.22
  • D-23
    Nut Keps Hex 3/8-16 Unc – Part Number: 873510600
    Nut Keps Hex 3/8-16 Unc
    Part Number: 873510600
      Special Order
    $6.14
  • D-24
    Brake Assembly – Part Number: 68107
    Brake Assembly
    Part Number: 68107
      No Longer Available
  • D-25
    OUTER FLANGE – Part Number: 54982
    OUTER FLANGE
    Part Number: 54982
      Special Order
    $71.81
  • D-26
    Locknut – Part Number: STD541431
    Locknut
    Part Number: STD541431
      No Longer Available
  • D-27
    Spindle – Part Number: 74224
    Spindle
    Part Number: 74224
      No Longer Available
  • D-28
    Spindle – Part Number: 74223
    Spindle
    Part Number: 74223
      No Longer Available
  • D-29
    Carriage Bolt – Part Number: STD533110
    Carriage Bolt
    Part Number: STD533110
      No Longer Available
  • D-30
    Crank – Part Number: 74234
    Crank
    Part Number: 74234
      No Longer Available
  • D-31
    Crank – Part Number: 74235
    Crank
    Part Number: 74235
      No Longer Available
  • D-32
    Shoulder Bolt – Part Number: 582935801
    Shoulder Bolt
    Part Number: 582935801
      No Longer Available
  • D-33
    Washer 8Pk – Part Number: STD551037
    Washer 8Pk
    Part Number: STD551037
      No Longer Available
  • D-34
    Foot Switch, B-294HD – Part Number: 74272
    Foot Switch, B-294HD
    Part Number: 74272
      Special Order
    $400.50
  • D-35
    LIGHT LID DRILLED – Part Number: 74264
    LIGHT LID DRILLED
    Part Number: 74264
      Special Order
    $32.09
  • D-36
    LIGHT VAPROF W/GARD – Part Number: 74265
    LIGHT VAPROF W/GARD
    Part Number: 74265
      Special Order
    $63.46
  • D-37
    Housing – Part Number: 79214
    Housing
    Part Number: 79214
      No Longer Available
  • D-38
    WIRE ASSEMBLY – Part Number: 74262
    WIRE ASSEMBLY
    Part Number: 74262
      Special Order
    $69.95
  • D-39
    Plate – Part Number: 74370
    Plate
    Part Number: 74370
      No Longer Available
  • D-40
    SCREW HHC M12-1.75 X 110 C8.8 – Part Number: 74282
    SCREW HHC M12-1.75 X 110 C8.8
    Part Number: 74282
      Special Order
    $5.89
  • D-41
    Guard – Part Number: 74304
    Guard
    Part Number: 74304
      No Longer Available
  • D-42
    Guard – Part Number: 74371
    Guard
    Part Number: 74371
      No Longer Available
  • D-43
    HOSE COOL 1.37 ID 20R4 – Part Number: 67399
    HOSE COOL 1.37 ID 20R4
    Part Number: 67399
      Special Order
    $3.71
  • D-44
    Spacer – Part Number: 74276
    Spacer
    Part Number: 74276
      No Longer Available
  • D-45
    Pulley, Idler – Part Number: 532104679
    Pulley, Idler
    Part Number: 532104679
    ★★★★★
    ★★★★★
    (2)
      In Stock
    $25.71
  • D-46
    Bolt – Part Number: 55918
    Bolt
    Part Number: 55918
      No Longer Available
  • D-47
    Screw 2Pk – Part Number: STD523727
    Screw 2Pk
    Part Number: STD523727
      No Longer Available
  • D-48
    Bolt – Part Number: 62361
    Bolt
    Part Number: 62361
      No Longer Available
  • D-49
    Washer – Part Number: 55611
    Washer
    Part Number: 55611
      No Longer Available
  • D-50
    Belt Keeper – Part Number: 74279
    Belt Keeper
    Part Number: 74279
      No Longer Available
  • D-51
    LIGHT LID SUPPORT – Part Number: 74263
    LIGHT LID SUPPORT
    Part Number: 74263
      Special Order
    $12.32
  • D-52
    Battery – Part Number: 74310
    Battery
    Part Number: 74310
      No Longer Available
  • D-53
    Washer, Lock 3/8 – Part Number: STD551137
    Washer, Lock 3/8
    Part Number: STD551137
      No Longer Available
  • D-54
    Hex Lock Nut – Part Number: STD541537
    Hex Lock Nut
    Part Number: STD541537
      No Longer Available
  • D-55
    Shield – Part Number: 74260
    Shield
    Part Number: 74260
      No Longer Available
  • D-56
    1/4-inch - 28 Stud – Part Number: 66132
    1/4-inch - 28 Stud
    Part Number: 66132
      Special Order
    $45.87
  • D-57
    Belt – Part Number: STD324800
    Belt
    Part Number: STD324800
      No Longer Available
  • D-58
    Spring – Part Number: 58606
    Spring
    Part Number: 58606
      No Longer Available
  • D-59
    Belt – Part Number: STD324610
    Belt
    Part Number: STD324610
      No Longer Available
  • D-60
    Brake Rod – Part Number: 74289
    Brake Rod
    Part Number: 74289
      No Longer Available
  • D-61
    Washer – Part Number: 19091616
    Washer
    Part Number: 19091616
      No Longer Available
  • D-62
    DIES, 500B 3/8 BSW HS – Part Number: 67615
    DIES, 500B 3/8 BSW HS
    Part Number: 67615
      Special Order
    $315.01
  • D-63
    Pin 8Pk – Part Number: STD560907
    Pin 8Pk
    Part Number: STD560907
      No Longer Available
  • D-800
    Manual – Part Number: 74299
    Manual
    Part Number: 74299
      No Longer Available
Page E
Page E Diagram and Parts List for  Craftsman Lawn Tractor
  • E-1
    4411 Lamp – Part Number: STD374411
    4411 Lamp
    Part Number: STD374411
      No Longer Available
  • E-2
    Support – Part Number: 73025
    Support
    Part Number: 73025
      No Longer Available
  • E-3
    Screw 8Pk – Part Number: STD511010
    Screw 8Pk
    Part Number: STD511010
      No Longer Available
  • E-4
    Nut 8Pk – Part Number: STD541410
    Nut 8Pk
    Part Number: STD541410
      No Longer Available
  • E-5
    Nut 8Pk – Part Number: STD541410
    Nut 8Pk
    Part Number: STD541410
      No Longer Available
  • E-6
    OBS BRKT-GOV LEVER – Part Number: 71706
    OBS BRKT-GOV LEVER
    Part Number: 71706
      Special Order
    $2.99
  • E-7
    Duct – Part Number: 74336
    Duct
    Part Number: 74336
      No Longer Available
  • E-8
    Bracket – Part Number: 74337
    Bracket
    Part Number: 74337
      No Longer Available
  • E-9
    Screen – Part Number: 74338
    Screen
    Part Number: 74338
      No Longer Available
  • E-10
    Sheet Metal Screw – Part Number: STD611005
    Sheet Metal Screw
    Part Number: STD611005
      No Longer Available
  • E-11
    Screw 2Pk – Part Number: STD622503
    Screw 2Pk
    Part Number: STD622503
      No Longer Available
  • E-12
    Strip – Part Number: 74339
    Strip
    Part Number: 74339
      No Longer Available
  • E-15
    Fitting – Part Number: 71381
    Fitting
    Part Number: 71381
      No Longer Available
  • E-17
    Nipple – Part Number: 74355
    Nipple
    Part Number: 74355
      No Longer Available
  • E-19
    Tie Wire – Part Number: 43174
    Tie Wire
    Part Number: 43174
      No Longer Available
  • E-20
    Guard Pulley – Part Number: 71220
    Guard Pulley
    Part Number: 71220
      No Longer Available
  • E-21
    Screw 8Pk – Part Number: STD601005
    Screw 8Pk
    Part Number: STD601005
      No Longer Available
  • E-22
    Ammeter – Part Number: 532124900
    Ammeter
    Part Number: 532124900
      Special Order
    $68.32
  • E-23
    Upper Radiator Hose – Part Number: 73232
    Upper Radiator Hose
    Part Number: 73232
      Special Order
    $68.53
  • E-24
    GASKET, COPPER D10 X 1 – Part Number: 53848
    GASKET, COPPER D10 X 1
    Part Number: 53848
      Special Order
    $20.89
  • E-25
    Washer – Part Number: STD551262
    Washer
    Part Number: STD551262
      No Longer Available
  • E-26
    Nut, Ignition – Part Number: 532124211
    Nut, Ignition
    Part Number: 532124211
    ★★★★★
    ★★★★★
    (2)
      Special Order
    $7.81
  • E-27
    Ignition Key – Part Number: STD365410
    Ignition Key
    Part Number: STD365410
      No Longer Available
  • E-28
    Harness – Part Number: 74254
    Harness
    Part Number: 74254
      No Longer Available
  • E-29
    Agc 20 Fuse – Part Number: STD380200
    Agc 20 Fuse
    Part Number: STD380200
      No Longer Available
  • E-30
    Agc 30 Fuse – Part Number: STD380300
    Agc 30 Fuse
    Part Number: STD380300
      No Longer Available
  • E-31
    Wire Assembly – Part Number: 71717
    Wire Assembly
    Part Number: 71717
      No Longer Available
  • E-32
    Wheel Nut – Part Number: STD541131
    Wheel Nut
    Part Number: STD541131
      No Longer Available
  • E-33
    Washer 8Pk – Part Number: STD551110
    Washer 8Pk
    Part Number: STD551110
      No Longer Available
  • E-34
    Nut – Part Number: 53899
    Nut
    Part Number: 53899
      No Longer Available
  • E-35
    Solenoid – Part Number: 146154
    Solenoid
    Part Number: 146154
      No Longer Available
  • E-36
    Screw, Truss Hd. #10-24 – Part Number: 871191008
    Screw, Truss Hd. #10-24
    Part Number: 871191008
      No Longer Available
  • E-37
    Screw – Part Number: 17490508
    Screw
    Part Number: 17490508
      No Longer Available
  • E-39
    Screw – Part Number: 57808
    Screw
    Part Number: 57808
      No Longer Available
  • E-40
    Wire Assembly – Part Number: 73344
    Wire Assembly
    Part Number: 73344
      No Longer Available
  • E-41
    Pin- Dowel – Part Number: 74332
    Pin- Dowel
    Part Number: 74332
      No Longer Available
  • E-42
    Wire Assembly – Part Number: 74331
    Wire Assembly
    Part Number: 74331
      No Longer Available
  • E-43
    DIES, MONO 2 NPT HS SS – Part Number: 50785
    DIES, MONO 2 NPT HS SS
    Part Number: 50785
      Special Order
    $424.23
  • E-44
    Rod Battery – Part Number: 582935901
    Rod Battery
    Part Number: 582935901
      No Longer Available
  • E-45
    Battery Bolt – Part Number: 70456
    Battery Bolt
    Part Number: 70456
      No Longer Available
  • E-46
    Washer 8Pk – Part Number: STD551025
    Washer 8Pk
    Part Number: STD551025
      No Longer Available
  • E-47
    Wingnut Unc – Part Number: STD541625
    Wingnut Unc
    Part Number: STD541625
      No Longer Available
  • E-48
    Muffler – Part Number: 74249
    Muffler
    Part Number: 74249
      No Longer Available
  • E-49
    WIRE ASSEMBLY – Part Number: 74250
    WIRE ASSEMBLY
    Part Number: 74250
      Special Order
    $81.80
  • E-50
    Bolt – Part Number: 68292
    Bolt
    Part Number: 68292
      No Longer Available
  • E-51
    1/4-20 Hex Lock Nut – Part Number: STD541425
    1/4-20 Hex Lock Nut
    Part Number: STD541425
      No Longer Available
  • E-52
    KEY SQ 1/2 X 6-3/4 STEEL – Part Number: 74248
    KEY SQ 1/2 X 6-3/4 STEEL
    Part Number: 74248
      Special Order
    $9.00
  • E-53
    WIRE ASSEMBLY – Part Number: 74251
    WIRE ASSEMBLY
    Part Number: 74251
      Special Order
    $621.56
  • E-54
    Washer, Lock 3/8 – Part Number: STD551137
    Washer, Lock 3/8
    Part Number: STD551137
      No Longer Available
  • E-55
    Screw – Part Number: 17060620
    Screw
    Part Number: 17060620
      No Longer Available
  • E-56
    Belt Keeper – Part Number: 74403
    Belt Keeper
    Part Number: 74403
      No Longer Available
  • E-57
    KEY SQ 1/2 X 2-3/4 STEEL – Part Number: 74247
    KEY SQ 1/2 X 2-3/4 STEEL
    Part Number: 74247
      Special Order
    $4.47
  • E-800
    Manual – Part Number: 74299
    Manual
    Part Number: 74299
      No Longer Available
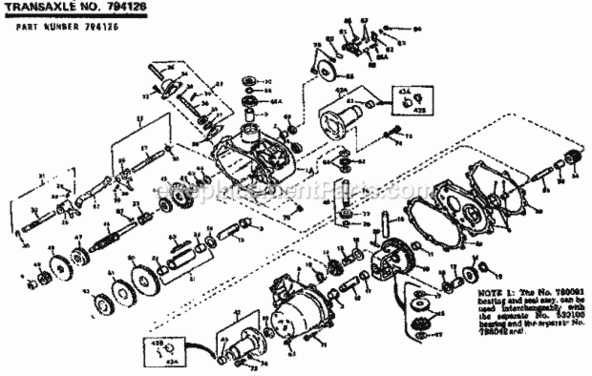
Page F
Page F Diagram and Parts List for  Craftsman Lawn Tractor
  • F-1
    Ring Set – Part Number: 794126
    Ring Set
    Part Number: 794126
    ★★★★★
    ★★★★★
    (2)
      In Stock
    $69.49
  • F-1A
    USE 00770063A – Part Number: 770063
    USE 00770063A
    Part Number: 770063
      Special Order
    $190.64
  • F-2
    B108 Brg – Part Number: STD311008
    B108 Brg
    Part Number: STD311008
      No Longer Available
  • F-3
    Bushing – Part Number: 780059
    Bushing
    Part Number: 780059
      No Longer Available
  • F-4
    Bearing – Part Number: 780060
    Bearing
    Part Number: 780060
      No Longer Available
  • F-5
    Bearing – Part Number: 780061
    Bearing
    Part Number: 780061
      No Longer Available
  • F-6
    Plate – Part Number: 786033
    Plate
    Part Number: 786033
      No Longer Available
  • F-7
    Bushing – Part Number: 780062
    Bushing
    Part Number: 780062
      No Longer Available
  • F-8
    Cover – Part Number: 772042
    Cover
    Part Number: 772042
      No Longer Available
  • F-9
    Bearing – Part Number: 780063
    Bearing
    Part Number: 780063
      No Longer Available
  • F-10
    Gear Assembly., Differential – Part Number: 778175
    Gear Assembly., Differential
    Part Number: 778175
      Special Order
    $308.40
  • F-11
    Bushing – Part Number: 780064
    Bushing
    Part Number: 780064
      Special Order
    $7.54
  • F-12
    Axle – Part Number: 774221
    Axle
    Part Number: 774221
      No Longer Available
  • F-13
    Axle – Part Number: 774220
    Axle
    Part Number: 774220
      No Longer Available
  • F-14
    BEVEL GEAR – Part Number: 778132
    BEVEL GEAR
    Part Number: 778132
      Special Order
    $36.97
  • F-15
    Alternative for PE-778068: GEAR-BEVEL – Part Number: TC-778131
    Alternative for PE-778068: GEAR-BEVEL
    Part Number: TC-778131
      No Longer Available
  • F-16
    Drive Pin – Part Number: 786034
    Drive Pin
    Part Number: 786034
      Special Order
    $16.55
  • F-17
    Thrust Washer – Part Number: 780065
    Thrust Washer
    Part Number: 780065
      Special Order
    $6.16
  • F-18
    Washer – Part Number: 780001
    Washer
    Part Number: 780001
      Special Order
    $6.16
  • F-19
    Snap Rng Ext – Part Number: STD582075
    Snap Rng Ext
    Part Number: STD582075
      No Longer Available
  • F-20
    Pin-Roll – Part Number: 792040
    Pin-Roll
    Part Number: 792040
      Special Order
    $6.16
  • F-21
    Sleeve Assembly – Part Number: 786035
    Sleeve Assembly
    Part Number: 786035
      No Longer Available
  • F-22
    BUSHING – Part Number: 780066
    BUSHING
    Part Number: 780066
      Special Order
    $10.05
  • F-23
    Idle Shaft – Part Number: 776190A
    Idle Shaft
    Part Number: 776190A
      No Longer Available
  • F-25
    Shaft Rod Assembly – Part Number: 784079
    Shaft Rod Assembly
    Part Number: 784079
      No Longer Available
  • F-26
    Fork Shifter – Part Number: 784004
    Fork Shifter
    Part Number: 784004
      No Longer Available
  • F-27
    Shift Rod – Part Number: 784083
    Shift Rod
    Part Number: 784083
      No Longer Available
  • F-28
    Spring – Part Number: 792003
    Spring
    Part Number: 792003
      Special Order
    $6.16
  • F-29
    BALL – Part Number: 792004
    BALL
    Part Number: 792004
      Special Order
    $6.16
  • F-30
    Snap Rng Ext – Part Number: STD582050
    Snap Rng Ext
    Part Number: STD582050
      No Longer Available
  • F-31
    Shift Rod – Part Number: 784084
    Shift Rod
    Part Number: 784084
      No Longer Available
  • F-32
    Shift Rod – Part Number: 784085
    Shift Rod
    Part Number: 784085
      No Longer Available
  • F-33
    Lever Housing – Part Number: 784264
    Lever Housing
    Part Number: 784264
      No Longer Available
  • F-34
    Lever Housing – Part Number: 784088
    Lever Housing
    Part Number: 784088
      No Longer Available
  • F-35
    Lever Keeper – Part Number: 784094
    Lever Keeper
    Part Number: 784094
      No Longer Available
  • F-36
    Shift Lever – Part Number: 784265
    Shift Lever
    Part Number: 784265
      No Longer Available
  • F-37
    Ring-Snap – Part Number: 792016
    Ring-Snap
    Part Number: 792016
      Special Order
    $6.16
  • F-38
    O-Ring – Part Number: TC-792001
    O-Ring
    Part Number: TC-792001
      No Longer Available
  • F-39
    DRIVE PIN – Part Number: 792049
    DRIVE PIN
    Part Number: 792049
      Special Order
    $7.54
  • F-40
    Shaft Gear – Part Number: 776102
    Shaft Gear
    Part Number: 776102
      No Longer Available
  • F-42
    Axle Housing – Part Number: 782036A
    Axle Housing
    Part Number: 782036A
      No Longer Available
  • F-42A
    Axle Housing – Part Number: 782043
    Axle Housing
    Part Number: 782043
      No Longer Available
  • F-43
    O Ring – Part Number: 780091
    O Ring
    Part Number: 780091
      Special Order
    $25.49
  • F-43A
    Needle Bearing – Part Number: 530105
    Needle Bearing
    Part Number: 530105
      No Longer Available
  • F-43B
    Oil Seal – Part Number: STD337410
    Oil Seal
    Part Number: STD337410
      No Longer Available
  • F-44
    SPUR GEAR – Part Number: 778024A
    SPUR GEAR
    Part Number: 778024A
      Special Order
    $34.17
  • F-45
    Gear – Part Number: 778057
    Gear
    Part Number: 778057
      No Longer Available
  • F-46
    Shaft – Part Number: 776138
    Shaft
    Part Number: 776138
      No Longer Available
  • F-47
    Gear – Part Number: 778058
    Gear
    Part Number: 778058
      No Longer Available
  • F-48
    Gear – Part Number: 778059
    Gear
    Part Number: 778059
      No Longer Available
  • F-49
    Gear – Part Number: 778060
    Gear
    Part Number: 778060
      No Longer Available
  • F-50
    Gear (39 Teeth) – Part Number: 778074
    Gear (39 Teeth)
    Part Number: 778074
      Special Order
    $93.73
  • F-51
    Spur Gear – Part Number: 778062
    Spur Gear
    Part Number: 778062
      No Longer Available
  • F-52
    Gear – Part Number: 778063
    Gear
    Part Number: 778063
      No Longer Available
  • F-53
    Key – Part Number: 792034A
    Key
    Part Number: 792034A
      No Longer Available
  • F-54
    Gear – Part Number: 778064
    Gear
    Part Number: 778064
      No Longer Available
  • F-55
    Shaft – Part Number: 776057
    Shaft
    Part Number: 776057
      No Longer Available
  • F-56
    Idler Spacer – Part Number: 786036
    Idler Spacer
    Part Number: 786036
      No Longer Available
  • F-57
    Shifter Stop – Part Number: 784087
    Shifter Stop
    Part Number: 784087
      No Longer Available
  • F-58
    Gasket – Part Number: 788033A
    Gasket
    Part Number: 788033A
      No Longer Available
  • F-59
    Gasket – Part Number: 788003A
    Gasket
    Part Number: 788003A
      No Longer Available
  • F-63
    THRUST BEARING – Part Number: 780071
    THRUST BEARING
    Part Number: 780071
      Special Order
    $15.71
  • F-64
    Washer, Thrust – Part Number: TC-780072
    Washer, Thrust
    Part Number: TC-780072
      No Longer Available
  • F-65
    Washer – Part Number: 780073
    Washer
    Part Number: 780073
      No Longer Available
  • F-65A
    R10 Brg – Part Number: STD315100
    R10 Brg
    Part Number: STD315100
      No Longer Available
  • F-66
    Ring 5Pk – Part Number: STD582062
    Ring 5Pk
    Part Number: STD582062
      No Longer Available
  • F-67
    Pin, Dowel – Part Number: 786026B
    Pin, Dowel
    Part Number: 786026B
      Special Order
    $6.16
  • F-68
    OIL SEAL – Part Number: 788043
    OIL SEAL
    Part Number: 788043
      Special Order
    $10.05
  • F-69
    Oil Seal – Part Number: 788009
    Oil Seal
    Part Number: 788009
      No Longer Available
  • F-70
    Oil Seal – Part Number: 788035A
    Oil Seal
    Part Number: 788035A
      No Longer Available
  • F-71
    Screw – Part Number: 792036
    Screw
    Part Number: 792036
      No Longer Available
  • F-72
    SCREW – Part Number: 792007
    SCREW
    Part Number: 792007
      Special Order
    $6.16
  • F-73
    Screw, 5/16-18 x 1" – Part Number: 792037
    Screw, 5/16-18 x 1"
    Part Number: 792037
      Special Order
    $6.16
  • F-74
    Lock Washer – Part Number: STD551131
    Lock Washer
    Part Number: STD551131
      No Longer Available
  • F-75
    PLUG – Part Number: 792039
    PLUG
    Part Number: 792039
      Special Order
    $6.16
  • F-76
    Input Shaft – Part Number: 776103
    Input Shaft
    Part Number: 776103
      No Longer Available
  • F-77
    Input Pinion – Part Number: 778077
    Input Pinion
    Part Number: 778077
      No Longer Available
  • F-78
    Snap rng ext – Part Number: STD582056
    Snap rng ext
    Part Number: STD582056
      No Longer Available
  • F-79
    Pad, Brake – Part Number: 799021
    Pad, Brake
    Part Number: 799021
      No Longer Available
  • F-80
    Plate, Brake Pad – Part Number: TC-790007
    Plate, Brake Pad
    Part Number: TC-790007
      No Longer Available
  • F-81
    Holder – Part Number: 790025
    Holder
    Part Number: 790025
      Special Order
    $20.99
  • F-82
    BRAKE LEVER – Part Number: 790004
    BRAKE LEVER
    Part Number: 790004
      Special Order
    $12.62
  • F-83
    Washer, Flat – Part Number: 792076A
    Washer, Flat
    Part Number: 792076A
      No Longer Available
  • F-84
    Locknut – Part Number: STD541431
    Locknut
    Part Number: STD541431
      No Longer Available
  • F-85
    Screw, Hex Head 1/4-20 x 1-1/4 – Part Number: STD522512
    Screw, Hex Head 1/4-20 x 1-1/4
    Part Number: STD522512
      No Longer Available
  • F-85A
    Screw 1/4-20 x 2-1/4 – Part Number: 792085A
    Screw 1/4-20 x 2-1/4
    Part Number: 792085A
      On Order
    Minimum Quantity of 2 required
    $6.16
  • F-86
    Housing-Blower – Part Number: 592814
    Housing-Blower
    Part Number: 592814
      In Stock
    $170.41
  • F-87
    Key – Part Number: STD580020
    Key
    Part Number: STD580020
      No Longer Available
  • F-88
    Spacer – Part Number: 786066
    Spacer
    Part Number: 786066
      In Stock
    $6.65

Questions & Answers

?

Our customer Service team is at the ready daily to answer your part and product questions.

We're sorry, but our Q&A experts are temporarily unavailable.
Please check back later if you still haven't found the answer you need.

Ask our Team

We have a dedicated staff with decades of collective experience in helping customers just like you purchase parts to repair their products.