Toro Parts

Toro Lawn Mower Replacement Parts For Model 20564 (7000001-7999999 - 1987)

We Sell Only Genuine Toro Parts

Popular Parts for 20564

Search Within Model

Browse all Parts Search by Area
Grass Bag Assembly Diagram and Parts List for 7000001-7999999 - 1987 Toro Lawn Mower
Grass Bag Assembly
Handle Assembly Diagram and Parts List for 7000001-7999999 - 1987 Toro Lawn Mower
Handle Assembly
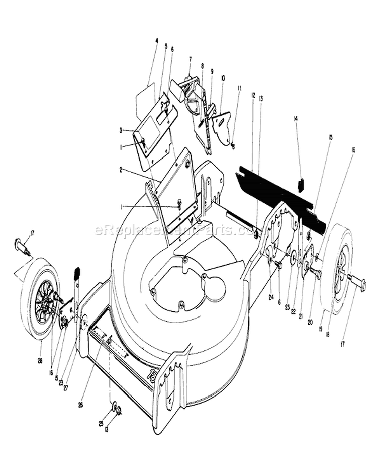
Housing Assembly Diagram and Parts List for 7000001-7999999 - 1987 Toro Lawn Mower
Housing Assembly
Motor Diagram and Parts List for 7000001-7999999 - 1987 Toro Lawn Mower
Motor
Motor and Blade Assembly Diagram and Parts List for 7000001-7999999 - 1987 Toro Lawn Mower
Motor and Blade Assembly
Previous Showing All Parts Next
Grass Bag Assembly
Grass Bag Assembly Diagram and Parts List for 7000001-7999999 - 1987 Toro Lawn Mower
Handle Assembly
Handle Assembly Diagram and Parts List for 7000001-7999999 - 1987 Toro Lawn Mower
Housing Assembly
Housing Assembly Diagram and Parts List for 7000001-7999999 - 1987 Toro Lawn Mower
Motor
Motor Diagram and Parts List for 7000001-7999999 - 1987 Toro Lawn Mower
  • E-
    Cover Group – Part Number: 397711
    Cover Group
    Part Number: 397711
      Special Order
    $39.86
  • E-1
    Filter-a/c Foam – Part Number: 271792
    Filter-a/c Foam
    Part Number: 271792
      Special Order
    $18.15
  • E-2
    Washer – Part Number: 690310
    Washer
    Part Number: 690310
      Special Order
    $7.62
  • E-3
    Nut – Part Number: 231298
    Nut
    Part Number: 231298
      Special Order
    $6.16
  • E-4
    End Cap – Part Number: 280709
    End Cap
    Part Number: 280709
      Special Order
    $12.95
  • E-5
    Brush Box Group – Part Number: 490833
    Brush Box Group
    Part Number: 490833
      No Longer Available
  • E-6
    Housing Assembly – Part Number: 399995
    Housing Assembly
    Part Number: 399995
      Special Order
    $92.00
  • E-7
    Insulator-housing – Part Number: 490830
    Insulator-housing
    Part Number: 490830
      Special Order
    $15.23
  • E-8
    Armature Group – Part Number: 490829
    Armature Group
    Part Number: 490829
      Special Order
    $188.42
  • E-9
    Ring-Retaining – Part Number: 395477
    Ring-Retaining
    Part Number: 395477
      No Longer Available
  • E-10
    End Cap – Part Number: 394770
    End Cap
    Part Number: 394770
      Special Order
    $87.42
  • E-11
    Fan (1000w) – Part Number: 491389
    Fan (1000w)
    Part Number: 491389
      Special Order
    $30.21
  • E-12
    Bolt-Thru – Part Number: 490832
    Bolt-Thru
    Part Number: 490832
      No Longer Available
Motor and Blade Assembly
Motor and Blade Assembly Diagram and Parts List for 7000001-7999999 - 1987 Toro Lawn Mower