Simplicity Parts

Simplicity 1694382 Lawn Mower Replacement Parts For Model MODEL

We Sell Only Genuine Simplicity Parts

Search Within Model

Questions & Answers for Simplicity MODEL
Browse all Parts Search by Area
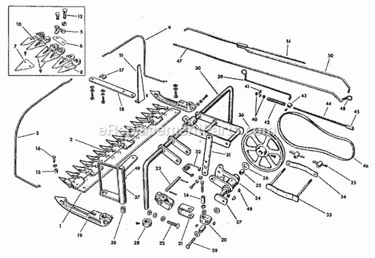
Page A Diagram and Parts List for  Simplicity Lawn Mower
Page A
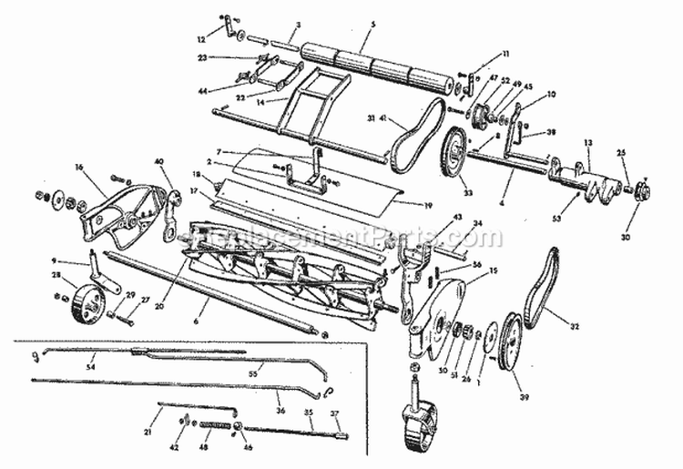
Page B Diagram and Parts List for  Simplicity Lawn Mower
Page B
Page C Diagram and Parts List for  Simplicity Lawn Mower
Page C
Page D Diagram and Parts List for  Simplicity Lawn Mower
Page D
Page E Diagram and Parts List for  Simplicity Lawn Mower
Page E
Tractor Group (3736I02) Diagram and Parts List for  Simplicity Lawn Mower
Tractor Group (3736I02)
Previous Showing All Parts Next
Page A
Page A Diagram and Parts List for  Simplicity Lawn Mower
Page B
Page B Diagram and Parts List for  Simplicity Lawn Mower
Page C
Page C Diagram and Parts List for  Simplicity Lawn Mower
Page D
Page D Diagram and Parts List for  Simplicity Lawn Mower
Page E
Page E Diagram and Parts List for  Simplicity Lawn Mower
Tractor Group (3736I02)
Tractor Group (3736I02) Diagram and Parts List for  Simplicity Lawn Mower

Questions & Answers

?

Our customer Service team is at the ready daily to answer your part and product questions.

We're sorry, but our Q&A experts are temporarily unavailable.
Please check back later if you still haven't found the answer you need.

Ask our Team

We have a dedicated staff with decades of collective experience in helping customers just like you purchase parts to repair their products.